02 Saturn SL2 no start. Possible fried ECM?

Tiny
METALSHRED
  • MEMBER
  • 2002 SATURN SL2
  • 4 CYL
  • FWD
  • MANUAL
  • 114,000 MILES
Hello I have a 2002 Saturn sl2. Wife left lights on at work and tried to have it jumped. It started and ran real ruff for a few seconds then died. The man helping her for some reason switched jumper cable positions and his battery sparked to high heaven. Now the car will crank but no start. I'm not getting spark or fuel and I've already changed the ignition control module and the cps. Fuses and relays good and checked the resistance on the coils and their fine. I tried to read any trouble codes with my little obdII pocket scanner and with the key in the run position it said "no link". It seems my radio has no power anymore and my fuel gauge seems to have stopped working.
Can anyone point me in the right direction pls. Last thing I can think is maybe the ECM got fried when cables were switched. Any help would be greatly appreciated :)
Wednesday, December 22nd, 2010 AT 9:20 PM

16 Replies

Tiny
JDL
  • MECHANIC
  • 16,098 POSTS
Does pin 16 of datalink connector have voltage, that circuit is fuse protected.
Was this
answer
helpful?
Yes
No
Wednesday, December 22nd, 2010 AT 9:38 PM
Tiny
METALSHRED
  • MEMBER
  • 10 POSTS
Ty for the speedy reply! Is pin 16 the one at the bottom eight of the connector? If it is it seems that it has about 13.2 v.
Was this
answer
helpful?
Yes
No
Wednesday, December 22nd, 2010 AT 9:56 PM
Tiny
METALSHRED
  • MEMBER
  • 10 POSTS
The in at the bottom right corner has about 13.2 volts going to it. Thank you very much for the speedy reply!
Was this
answer
helpful?
Yes
No
Wednesday, December 22nd, 2010 AT 9:59 PM
Tiny
METALSHRED
  • MEMBER
  • 10 POSTS
Sorry didn't realize pic comes up below after selected. Viewing off of 3.5" screen from phone.
Was this
answer
helpful?
Yes
No
Wednesday, December 22nd, 2010 AT 10:02 PM
Tiny
JDL
  • MECHANIC
  • 16,098 POSTS
Yes, lower right. Voltage sounds good. With key on does check engine lite come on? Is the security lite on? We can check this and that, but, it could be the computer? Some of your engine sensors use a ref voltage, that comes from computer, should go hot when you turn the key on, no crank. If no ref voltage, I'd check voltage and ground circuits at the computer, if those circuits check ok, I'd have to suspect the computer.
Was this
answer
helpful?
Yes
No
Wednesday, December 22nd, 2010 AT 10:20 PM
Tiny
JDL
  • MECHANIC
  • 16,098 POSTS
Just to add, throttle position sensor, gray wire is ref voltage--5volts, key on, use a digital multimeter.
Was this
answer
helpful?
Yes
No
Wednesday, December 22nd, 2010 AT 10:23 PM
Tiny
METALSHRED
  • MEMBER
  • 10 POSTS
Well the check engine light is on and the security light is too with neither blinking. Checked the power on the connection to the ignition control module and it's got power. Not sure if this has anything to do with it but I checked pin 2 of the obdII plug for continuity and it reads open.
Was this
answer
helpful?
Yes
No
Wednesday, December 22nd, 2010 AT 10:54 PM
Tiny
METALSHRED
  • MEMBER
  • 10 POSTS
By the way I really appreciate you taking the time help JDL. Thank you very much!
Was this
answer
helpful?
Yes
No
Wednesday, December 22nd, 2010 AT 11:05 PM
Tiny
METALSHRED
  • MEMBER
  • 10 POSTS
Checked the gray wire And only getting.5 mv. You wouldn't by any chance have a wiring diagram I could use would ya?
Was this
answer
helpful?
Yes
No
Wednesday, December 22nd, 2010 AT 11:44 PM
Tiny
JDL
  • MECHANIC
  • 16,098 POSTS
Are you sure the meter is reading ok? It should be five volts. Which diagram do you want? Our diagrams are on a scroll page. I can't post a scroll page. I can only post what's on my monitor screen.
Was this
answer
helpful?
Yes
No
Thursday, December 23rd, 2010 AT 2:49 PM
Tiny
METALSHRED
  • MEMBER
  • 10 POSTS
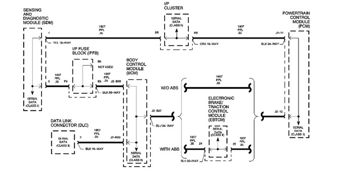
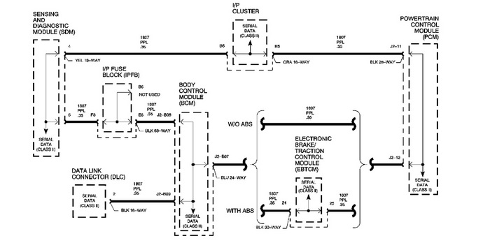
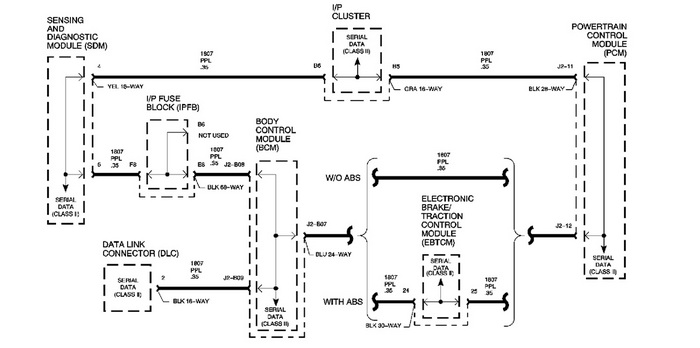
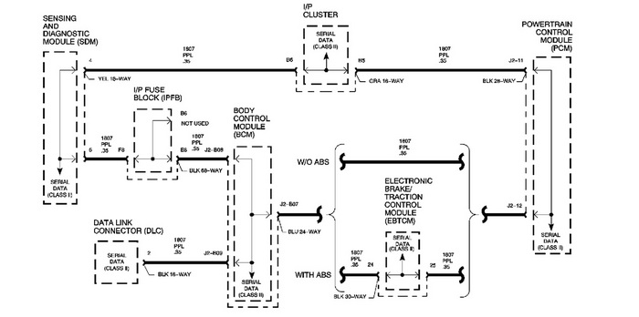
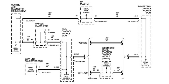
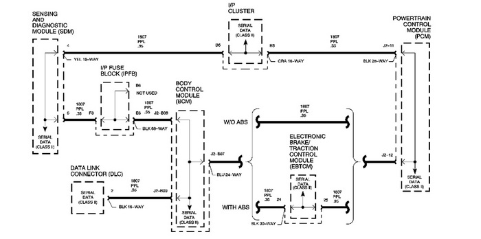
Pretty sure meters okay just bought it yesterday. Perhaps a diagram of the wiring going from the obdII plug to the bcm the to the PCM.
Was this
answer
helpful?
Yes
No
Thursday, December 23rd, 2010 AT 7:53 PM
Tiny
JDL
  • MECHANIC
  • 16,098 POSTS
Class 11 serial data signal is a pulse, o/7volts.
Was this
answer
helpful?
Yes
No
Thursday, December 23rd, 2010 AT 8:37 PM
Tiny
METALSHRED
  • MEMBER
  • 10 POSTS
Hey Ty again for your patience jdl. I'm pretty new to electrical troubleshooting. Well I'm happy to say I figured out why it won't start. Sort of embarrassing but the PCM fuse was bad :( I visually checked it but never checked with the multimeter. Daughter took a nap so I figured I'd check the fuses one more time. Sure enough, one side had 12.36v and the other only had.6v. /Facepalm. Only problem I have now is my radio and cig lighter don't work and none of the fuses for them in the kick panel have power. Any ideas?
Was this
answer
helpful?
Yes
No
Friday, December 24th, 2010 AT 11:21 PM
Tiny
JDL
  • MECHANIC
  • 16,098 POSTS
Good job, glad you got it going.

For the other, check the IP bat fuse, underhood fuse block. Should be hot all the time.
Was this
answer
helpful?
Yes
No
Saturday, December 25th, 2010 AT 8:04 PM
Tiny
METALSHRED
  • MEMBER
  • 10 POSTS
Well checked the ip bat fuse and it's gine would there be possibly an in line fuse behind the radio? Radio is stock.
Was this
answer
helpful?
Yes
No
Tuesday, December 28th, 2010 AT 2:56 AM
Tiny
JDL
  • MECHANIC
  • 16,098 POSTS
There is voltage at that fuse? There maybe a problem with wiring itself? The fuses below are for the radio. Two are hot all the time, one goes hot when you turn on the key. Check for voltage.
Was this
answer
helpful?
Yes
No
Tuesday, December 28th, 2010 AT 5:24 PM

Please login or register to post a reply.