Engine not cranking over?

Tiny
ANONYMOUS
  • MEMBER
  • 2002 PONTIAC MONTANA
  • 110,000 MILES
Turn to start no response from starter. Change batterie and starter works for a bit then no response from starter again. Battery and starter fine, bench tested starter fine. Any Ideas?
Tuesday, April 9th, 2013 AT 1:34 PM

1 Reply

Tiny
KASEKENNY
  • MECHANIC
  • 18,907 POSTS
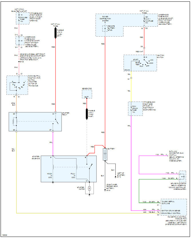
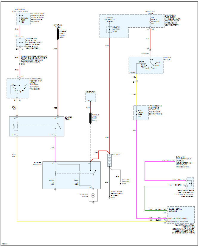
This could be a couple of things but the first thing we need to find out is when this is not starting what the voltage is at the starter on the two wires.

I attached the diagram and here is a guide that will help with that:

https://www.2carpros.com/articles/how-to-check-wiring

I suspect you will have 12 volts all the the time on the red wire which you should. Then the control wire should have 12 volts when you are cranking the engine. If you do not, you need to go to the relay and make sure that is ok. Here is a guide that will help. I would remove it and jump the relay to see if the starter turns on. If it doesn't then check power at terminal 85 of the relay.

https://www.2carpros.com/articles/how-to-check-an-electrical-relay-and-wiring-control-circuit

If you have no power at terminal 85 then the park neutral switch is most likely the issue.

Let's run through this info and go from there. Thanks
Was this
answer
helpful?
Yes
No
Saturday, November 28th, 2020 AT 7:18 AM

Please login or register to post a reply.