HOME
ASK A QUESTION
REPAIR GUIDES
BECOME A MEMBER
LOG IN
Login with Facebook
OR
Remember me
NOT A MEMBER?
FORGOT PASSWORD?
CONTACT US
PRIVACY POLICY
TERMS AND CONDITIONS
☰
Home
Nissan
Xterra
Exterior Light
Running Light
Fuse
Why does my running light fuse keep blowing?
ANONYMOUS
MEMBER
2002 NISSAN XTERRA
184,000 MILES
Rear running light fuse keeps blowing, also causing dash lights to go out. Anyone know why?
Sunday, April 7th, 2013 AT 11:22 PM
1 Reply
ASEMASTER6371
MECHANIC
52,796 POSTS
Good morning,
There is a short in the system that the fuse controls. When this happens, the fuse will fail.
https://www.2carpros.com/articles/how-a-car-fuse-works
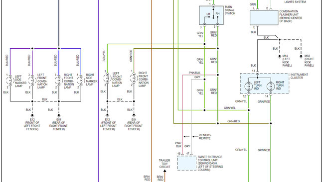
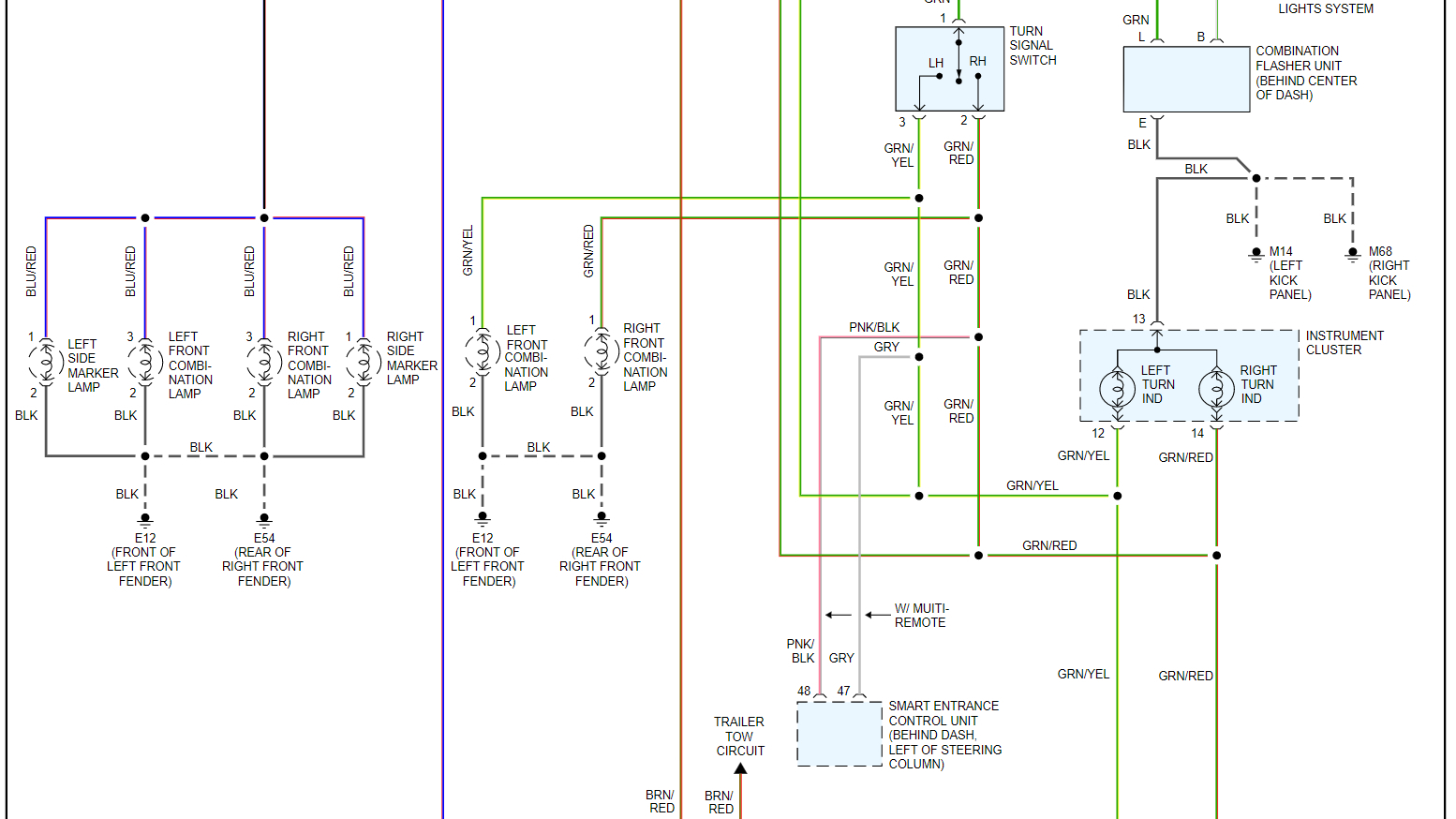
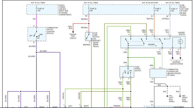
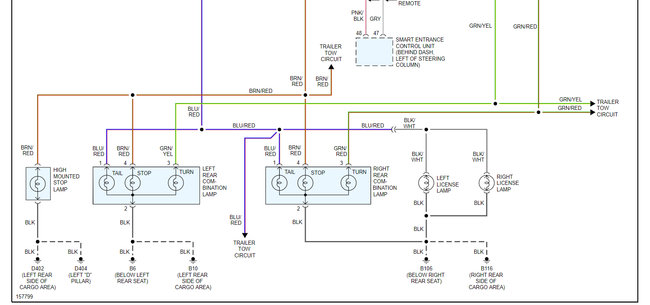
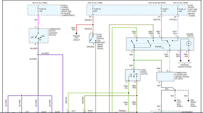
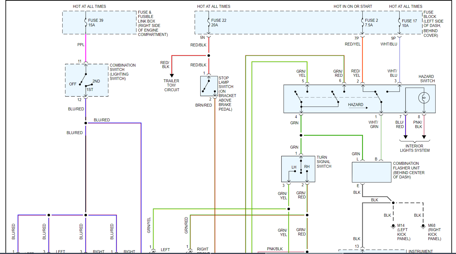
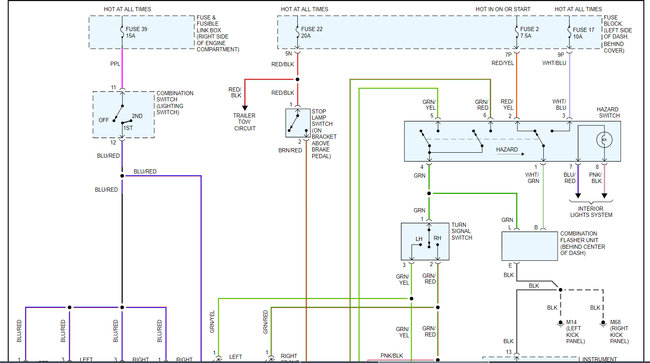
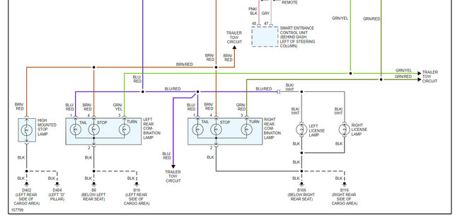
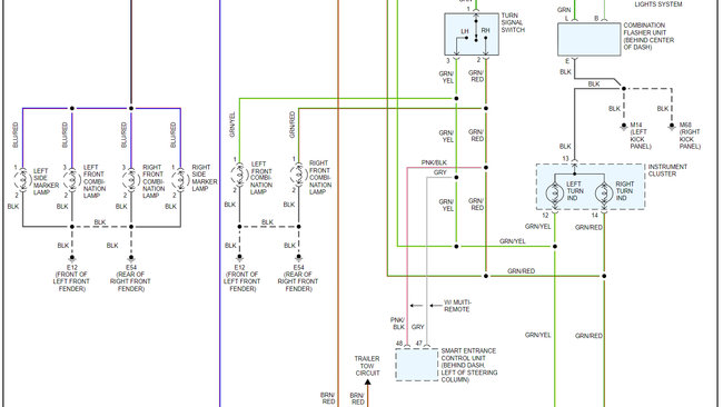
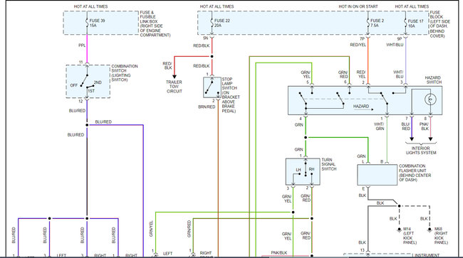
I attached a wiring diagram of the system for you to view. Can you identify the exact fuse that has failed?
https://www.2carpros.com/articles/how-to-check-a-car-fuse
https://www.2carpros.com/articles/how-to-check-wiring
Roy
Images (Click to make bigger)
Was this
answer
helpful?
Yes
No
Thursday, July 15th, 2021 AT 8:26 AM
Please
login
or
register
to post a reply.
Related Running Light Fuse Content
My Dash And Running Lights Went Out. I Changed Out The...
My Dash And Running Lights Went Out. I Changed Out The Fuse And It Lasted A Day Then Went Out Again. Changed It Out Again And It Went Out...
Asked by
DMBrady8967
·
1 ANSWER
2004
NISSAN XTERRA
I Noticed My Dash And Tail Lights Were Not Working So...
I Noticed My Dash And Tail Lights Were Not Working So I Replaced The Blown Fuse And When I Switched The Lights On They Still Were Not...
Asked by
Anonymous
·
1 ANSWER
2003
NISSAN XTERRA
1992 Nissan Xterra Rear Tail Light
Electrical Problem 1992 Nissan Xterra 4 Cyl Two Wheel Drive Manual How Do I Remove The Housing On The Rear Of My Truck To Replace The...
Asked by
dspreschutti
·
1 ANSWER
1992
NISSAN XTERRA
Ask a Car Question. It's Free!
How to Use a Test Light
Turn Signals Blink Fast
Have a Dim Headlight? - Try Replacing This!