Fuel Filter location?

Tiny
BARBQTIM
  • MEMBER
  • 2002 DODGE RAM
  • V8
  • 2WD
  • AUTOMATIC
  • 130,000 MILES
Where is the Fuel Filter located on a 2002 Dodge Ram 1500 pickup with 5.9 litre engine
Tuesday, January 11th, 2011 AT 5:58 PM

30 Replies

Tiny
RASMATAZ
  • MECHANIC
  • 75,992 POSTS
Fuel filter/Pressure regulator is located on the top of the fuel pump module (featured in the posts below). For the diesel engine here is how you can replace it in the diagrams below. Here is a video as well.

https://youtu.be/6de-1mIpzi8

Check out the diagrams (Below). Please let us know if you need anything else to get the problem fixed.
Was this
answer
helpful?
Yes
No
+5
Monday, January 6th, 2020 AT 11:44 AM
Tiny
CHESITOAIR
  • MEMBER
  • 2 POSTS
  • 2002 DODGE RAM
2002 Dodge Ram V8

where is the fuel filter ubicated?
Was this
answer
helpful?
Yes
No
+3
Thursday, August 27th, 2020 AT 11:56 AM (Merged)
Tiny
JACOBANDNICKOLAS
  • MECHANIC
  • 110,192 POSTS
You're not going to like this but it's under the vehicle, center, below seating area, mounted on top of fuel tank, in fuel pump module. You have to remove the fuel tank to get to it.

Joe
Was this
answer
helpful?
Yes
No
+2
Thursday, August 27th, 2020 AT 11:56 AM (Merged)
Tiny
IOSNORDIC
  • MEMBER
  • 1 POST
  • 2002 DODGE RAM
  • V8
  • 4WD
  • AUTOMATIC
  • 275,000 MILES
Where is the fuel filter located on a 2002 Dodge Ram 1500 pickup
Was this
answer
helpful?
Yes
No
+1
Thursday, August 27th, 2020 AT 11:56 AM (Merged)
Tiny
RASMATAZ
  • MECHANIC
  • 75,992 POSTS
Fuel filter/Pressure regulator is located on the top of the fuel pump module.
Was this
answer
helpful?
Yes
No
+2
Thursday, August 27th, 2020 AT 11:56 AM (Merged)
Tiny
WRENCHTECH
  • MECHANIC
  • 20,761 POSTS
The components that Raz referred to are inside the fuel tank and require removing the tank to replace. The filter in this vehicle is not serviced as a maintenance item.
Was this
answer
helpful?
Yes
No
+1
Thursday, August 27th, 2020 AT 11:56 AM (Merged)
Tiny
KEN DIBIASO
  • MEMBER
  • 1 POST
  • DODGE RAM
I have dodge ram 1500 2002 I was wondering if I can put on a fuel filter to get better performance and better as millage on it.I was driving the truck down south(alabama) Now I will be driving it up north(virgina) I am worried about the cold weather effecting the fuel and the truck itself what can I do to make the truck run better seems to runa little rough in colder temps. I think its just not used to cold weather but.
Was this
answer
helpful?
Yes
No
Thursday, August 27th, 2020 AT 11:56 AM (Merged)
Tiny
JPAM
  • MECHANIC
  • 307 POSTS
Unless your coming up to Virginia, MN. The cold weather isnt going to affect your fuel. Its not really that cold over in Virginia state. More so than Al but should make no diff. Truck profromence. It wouldnt hurt to put new filter on but probally not help unless you got some really high miles on truck or you like to run tank bone dry.
Let us know if we can answer any further?
Good luck on trip jess s.
Was this
answer
helpful?
Yes
No
Thursday, August 27th, 2020 AT 11:56 AM (Merged)
Tiny
OPAL GILLASPY
  • MEMBER
  • 1 POST
  • 2001 DODGE RAM
  • V8
  • 4WD
  • AUTOMATIC
  • 74,500 MILES
Where is the gas filter located on a 2001 Dodge Ram 1500 V8. My truck runs good sometimes, but will stall out at times too. It also feels like it may be jerking at times just started when we started having problems with water in the gases in our area ( Ohio)
Was this
answer
helpful?
Yes
No
Thursday, August 27th, 2020 AT 12:02 PM (Merged)
Tiny
RASMATAZ
  • MECHANIC
  • 75,992 POSTS
Its within the fuel pump module


https://www.2carpros.com/forum/automotive_pictures/12900_ff_26.jpg

Was this
answer
helpful?
Yes
No
+6
Thursday, August 27th, 2020 AT 12:02 PM (Merged)
Tiny
FOXYBEAGLE
  • MEMBER
  • 1 POST
  • 2001 DODGE RAM
Where is the fuel filter for the 2001 1500 series dodge ram?
Was this
answer
helpful?
Yes
No
+1
Thursday, August 27th, 2020 AT 12:02 PM (Merged)
Tiny
BLUELIGHTNIN6
  • MECHANIC
  • 16,542 POSTS
Under vehicle, center, below seating area, mounted on top of fuel tank, in fuel pump module. Here is a guide that will walk you through the steps with diagrams below to show you how on your truck.

https://www.2carpros.com/articles/how-to-change-a-fuel-filter

Check out the diagrams (Below). Please let us know if you need anything else to get the problem fixed.
Was this
answer
helpful?
Yes
No
+1
Thursday, August 27th, 2020 AT 12:02 PM (Merged)
Tiny
MOWIND
  • MEMBER
  • 1 POST
  • 2001 DODGE RAM
  • V8
  • 4WD
  • AUTOMATIC
  • 156,000 MILES
Where is the fuel filter in the pickup truck located. Replaced the fuel pump but still acting like it isnt getting enough gas
Was this
answer
helpful?
Yes
No
Thursday, August 27th, 2020 AT 12:03 PM (Merged)
Tiny
MERLIN2021
  • MECHANIC
  • 17,250 POSTS
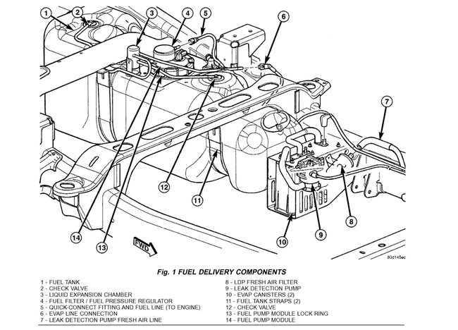
All Models 1. Disconnect negative battery cable. Release fuel pressure. See FUEL SYSTEM PRESSURE RELEASE. Install fuel pressure gauge with hose on fuel pressure test port. 2. Start engine, allow to idle and reach operating temperature. Fuel pressure should be 44.2-54.2 psi (3.1-3.8 kg/cm 2 ). If no fuel pressure exists and engine will not start, fuel pump relay and control circuit may be defective. See FUEL PUMP RELAY. 3. If engine runs but fuel pressure is less than specified, check for kinked or damaged fuel line between fuel pump module and fuel rail. Repair fuel line as necessary and retest. If fuel line is okay, perform FUEL PUMP AMPERAGE TEST, FUEL PUMP VOLUME TEST and FUEL PRESSURE LEAKDOWN TEST. If specifications were not met for FUEL PUMP AMPERAGE TEST, FUEL PUMP VOLUME TEST or FUEL PRESSURE LEAKDOWN TEST, replace fuel pump module. See appropriate REMOVAL, OVERHAUL & INSTALLATION article. If fuel pressure exceeds specification, fuel pump is okay, but fuel pressure regulator is defective. Replace fuel pressure regulator. Fuel pressure regulator is incorporated with the fuel filter. Fuel filter/fuel pressure regulator is located on top of fuel tank, in fuel pump module. See appropriate REMOVAL, OVERHAUL & INSTALLATION article. 2/21/2010 .
Was this
answer
helpful?
Yes
No
+1
Thursday, August 27th, 2020 AT 12:03 PM (Merged)
Tiny
SROCKWELL
  • MEMBER
  • 1 POST
  • 2001 DODGE RAM
  • 150,000 MILES
I just bought the truck listed above 1500. It acts like it's not getting fuel and wants to hut off. Do the fuel filters need changed? Thank you
Was this
answer
helpful?
Yes
No
Thursday, August 27th, 2020 AT 12:03 PM (Merged)
Tiny
ASEMASTER6371
  • MECHANIC
  • 52,796 POSTS
Good morning,

Yes, it could be fuel delivery related but the first thing I would do is check the fuel pressure. Low fuel pressure will cause this issue.

https://www.2carpros.com/articles/how-to-check-fuel-system-pressure-and-regulator

As far as the filter, it is possible but there is a bypass when it gets blocked.

I attached a picture of the location of the filter. it is on top of the fuel pump assembly on the tank.

Roy
Was this
answer
helpful?
Yes
No
Thursday, August 27th, 2020 AT 12:03 PM (Merged)
Tiny
OLIVIADEMARCHIS17
  • MEMBER
  • 1 POST
  • 2001 DODGE RAM
2001 Dodge Ram 6 cyl Two Wheel Drive Automatic

where is the fuel filter in a 2001 dodge ram?
Was this
answer
helpful?
Yes
No
Thursday, August 27th, 2020 AT 12:03 PM (Merged)
Tiny
JACOBANDNICKOLAS
  • MECHANIC
  • 110,192 POSTS
Under vehicle, driver side, below seating area, driver side of transmission, mounted on frame rail in fuel line.

Let me know if you can't find it.
Was this
answer
helpful?
Yes
No
Thursday, August 27th, 2020 AT 12:03 PM (Merged)
Tiny
THUNDER8685
  • MEMBER
  • 1 POST
  • 2001 DODGE RAM
  • V8
  • 4WD
  • AUTOMATIC
  • 72,000 MILES
Where is the fuel filter located on my truck? Also when I am driving at about 60MPH my RPM's will jump up and down. Do you know what could be causing this?
Was this
answer
helpful?
Yes
No
Thursday, August 27th, 2020 AT 12:03 PM (Merged)
Tiny
RACEFAN966
  • MECHANIC
  • 5,029 POSTS
Well welcome to the world of Dodge you do not have a fuel filter it is intergrated in the fuel pump. With that said I would like to know if you can find out what the fuel pressure is. What side of the tank do you normally run on the upper side or the do you run to empty before refilling? Is the check engine light on? Get back to me and we will see what we can find.
Was this
answer
helpful?
Yes
No
Thursday, August 27th, 2020 AT 12:03 PM (Merged)

Please login or register to post a reply.