Taillights not working

Tiny
BLUEEYESPDC
  • MEMBER
  • 2002 DODGE CARAVAN
  • 173,000 MILES
The brake lights and the turn signals work fine. I have checked the fuses and the bulbs and they are both fine.

I have turn signals flashers and brake lights but no running lights. And it just happened all the sudden. There was a minor impact to rear do not know if that has anything to do with it or not. It only dented the bumper did not hit the lights.

I did not check that I just checked to see that the fuses were not blown there is a separate fuse for the left and right side. They both look okay.

Please help.
Wednesday, June 13th, 2012 AT 1:55 AM

27 Replies

Tiny
SATURNTECH9
  • MECHANIC
  • 30,869 POSTS
Hello,

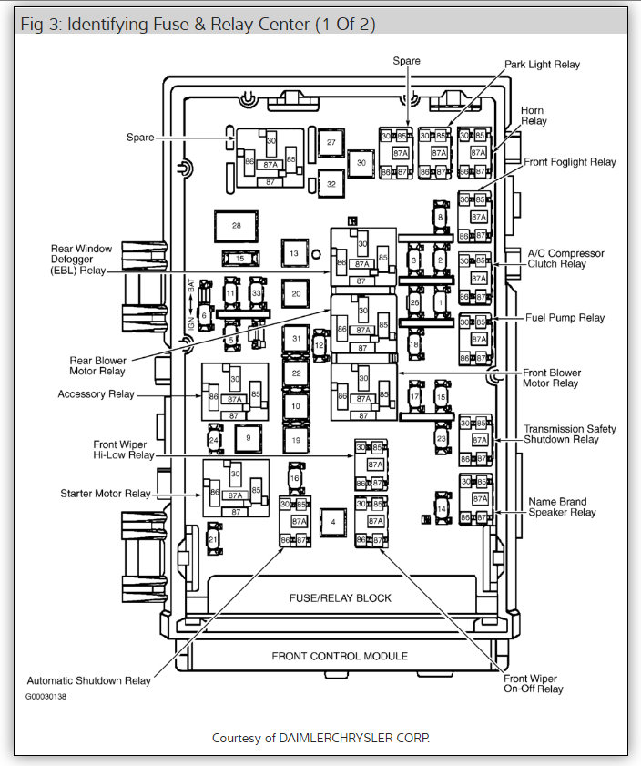
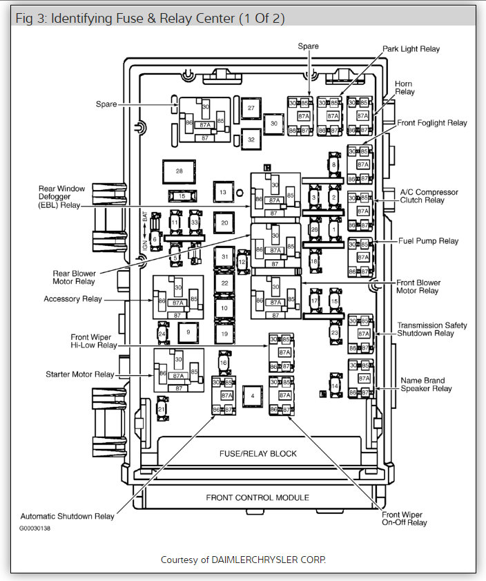
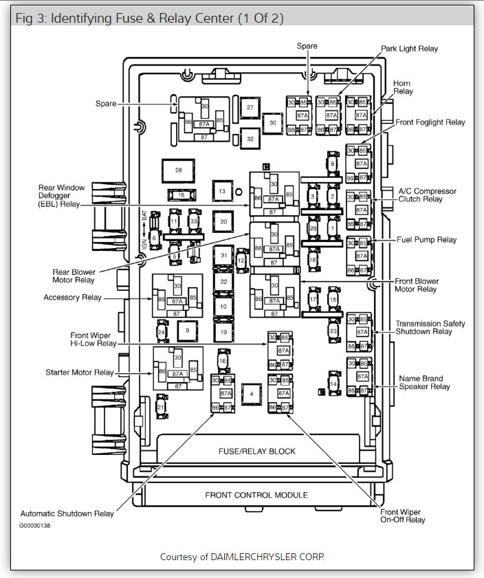
Can you check for power at the #3 fuse? Here is a guide and the fuse location:

https://www.2carpros.com/articles/how-to-check-a-car-fuse

Check out the diagrams (below). Please let us know what you find.

Was this
answer
helpful?
Yes
No
+9
Wednesday, June 13th, 2012 AT 2:37 AM
Tiny
BLUEEYESPDC
  • MEMBER
  • 36 POSTS
Okay, I will check that tomorrow. So I check with a test light where the fuses go into the box? Is there a specific relay for the running/tail lights?
Was this
answer
helpful?
Yes
No
+10
Wednesday, June 13th, 2012 AT 3:25 AM
Tiny
BLUEEYESPDC
  • MEMBER
  • 36 POSTS
I checked with a simple test light and there is nothing at the fuses. What now?
Was this
answer
helpful?
Yes
No
+11
Sunday, June 17th, 2012 AT 4:56 PM
Tiny
BOSS702
  • MEMBER
  • 1 POST
Can you let me know what the final resolve was please? I am experiencing the exact issue with my van! Thanks man.
Was this
answer
helpful?
Yes
No
+2
Sunday, July 15th, 2012 AT 7:50 PM
Tiny
BLUEEYESPDC
  • MEMBER
  • 36 POSTS
Come to find out it was actually missing the relay for the daytime driving lights.
Was this
answer
helpful?
Yes
No
+5
Monday, July 16th, 2012 AT 5:50 AM
Tiny
KEN L
  • MASTER CERTIFIED MECHANIC
  • 55,481 POSTS
Hey BLUEEYESPDC,

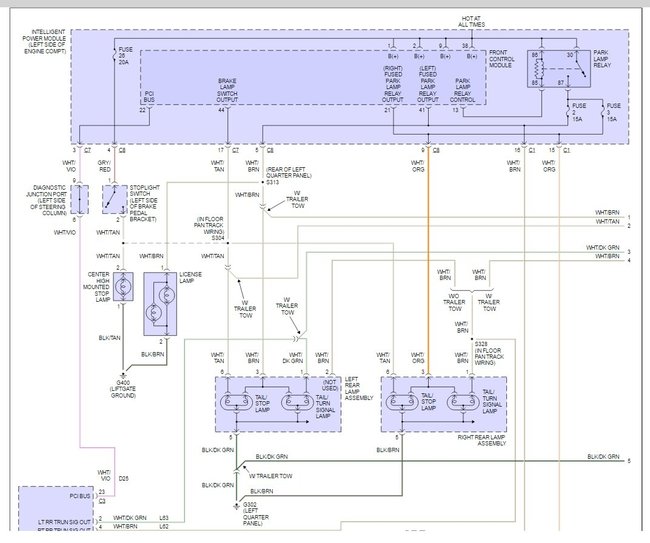
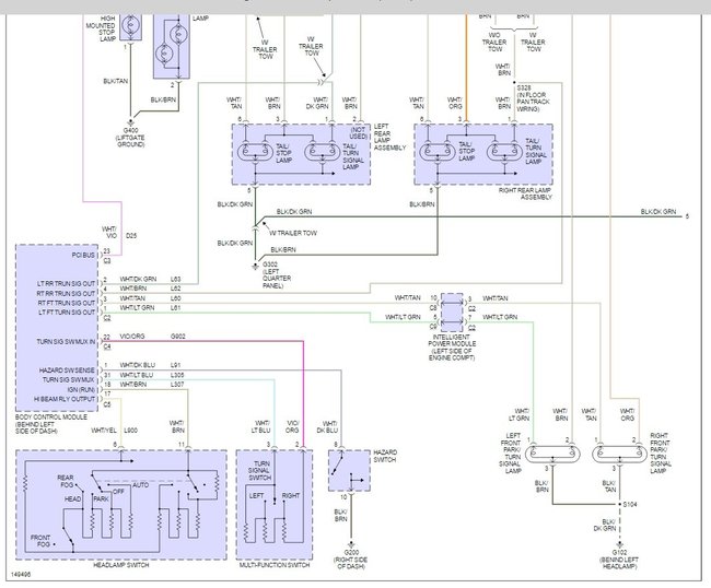
Someone took the relay out? Below are wiring diagrams for anyone else that wants to troubleshoot this problem. Start with the parking light relay

Here are some guides to help you fix the problem:

https://www.2carpros.com/articles/how-to-use-a-test-light-circuit-tester

and

https://www.2carpros.com/articles/no-tail-lights-exterior-running-lights-tail-lights-out

and

https://www.2carpros.com/articles/how-to-check-an-electrical-relay-and-wiring-control-circuit

Please let us know what you find so it will help others.

Best, Ken

Was this
answer
helpful?
Yes
No
+6
Thursday, January 5th, 2017 AT 8:58 AM
Tiny
JOWOODS1999
  • MEMBER
  • 15 POSTS
  • 2002 DODGE CARAVAN
  • 3.3L
  • 6 CYL
  • 2WD
  • AUTOMATIC
  • 265,000 MILES
I just bought a used 2002 Dodge Caravan Sport. It is in pretty good shape but needs a few things, most of which I know how to do. Just these small things I don't.
I noticed my break lights didn't work (3 lights top middle and two sides), checked the fuse and it was blown so I replaced it. It was hard to see but I thought they were working, the top light was at least. I checked them again at night and the top was working, the bottom was not. Just running the basic running lights, but did not do anything when the break was pressed. I opened it up and only found it used two bulbs, both is great working order. I did though however notice where the previous owner had spliced into the cable to add lights for a trailer hitch. So I'm thinking that is the problem, I got some 18 gauge wire and plan to remove the extra wire for the trailer hitch I don't use and put the wires back together. So my question is could this be the problem why two out of 3 lights are not working, and secondly what is the basics for re attaching these wires after I remove the added spliced wires. They are spliced with black tape! Could this be something else?
After I take care of this, I will surely have more questions. I do not have know what to donate, I don't have much. This van is taking a lot of my money. I do not mind paying a little if that is okay.
Thank you for your time,
Josh Woods
Was this
answer
helpful?
Yes
No
Monday, October 29th, 2018 AT 12:48 PM (Merged)
Tiny
HMAC300
  • MECHANIC
  • 48,601 POSTS
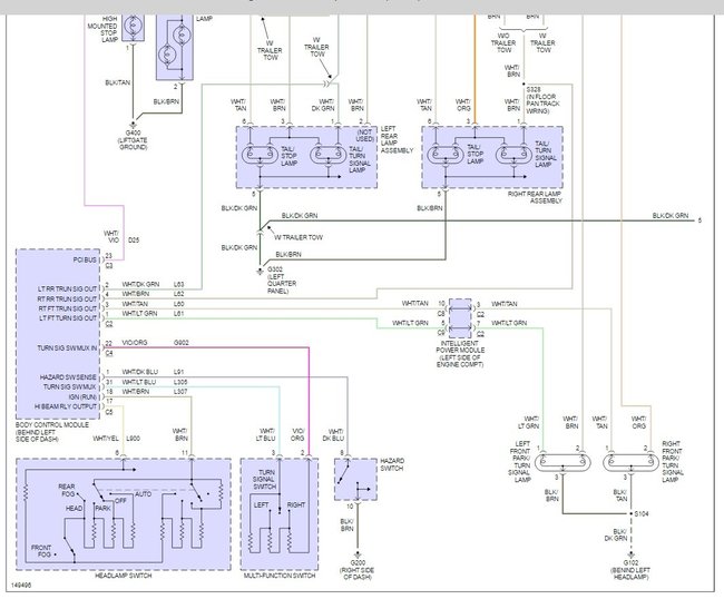
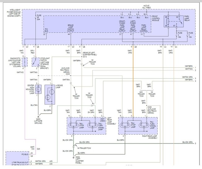
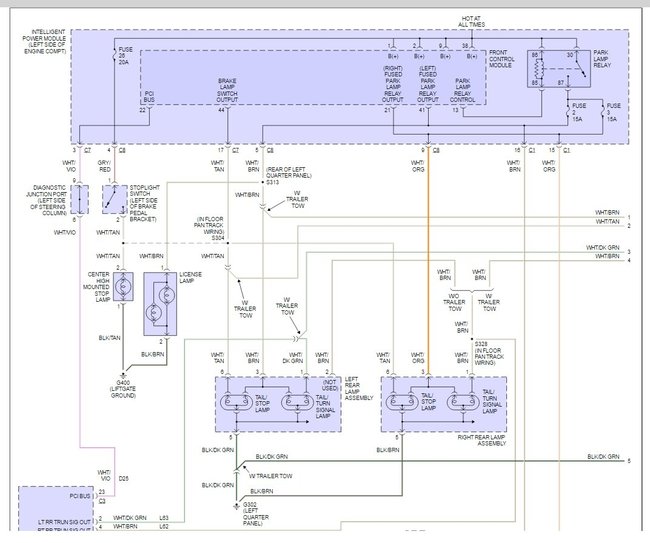
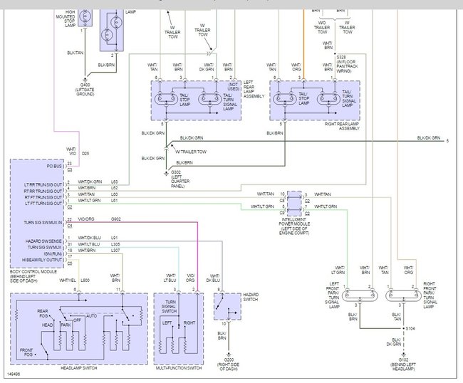
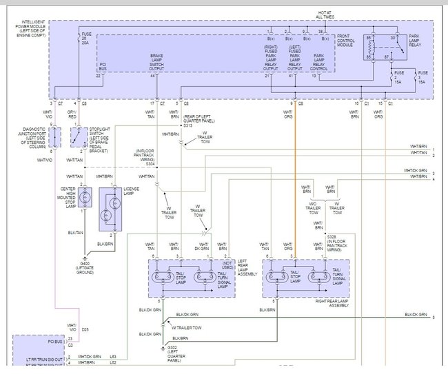
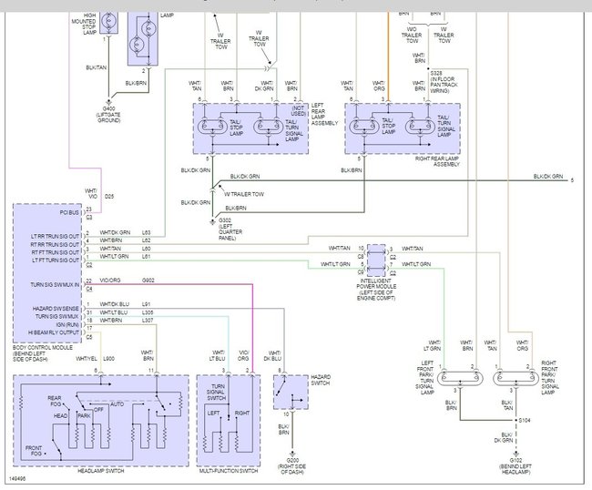
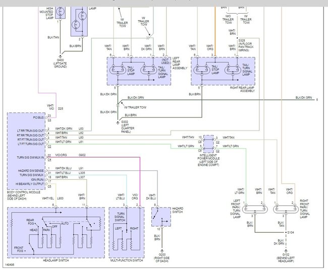
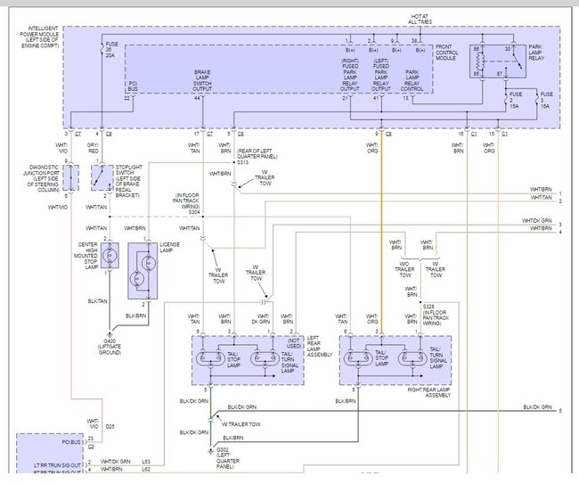
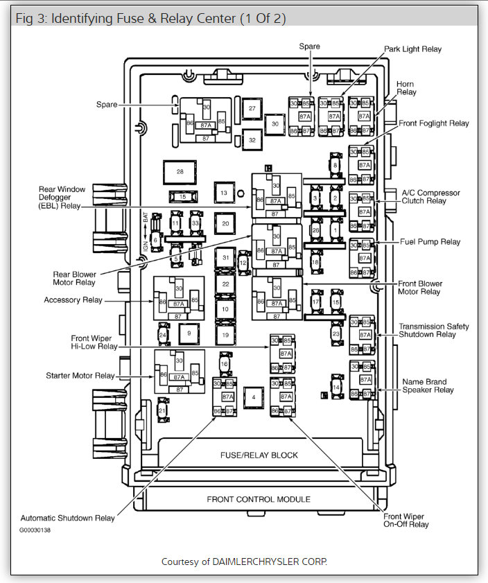
There are 4 relays in left rear quarter panel check those first pic only shows three because of space. When you put wires back together use solder and shrink tube to protect it then if you can buy some conduit use that and cover ends with tape because if you live in northern climate snow will accumalte there. Also tie up with wire ties to frame if you can. Second pic shows color of wire that deals with brake lights. Also to check relays go to our how to repair site-electrical- how to check a relay to see if they are any good or working. You should use 14 or 16 gauge wire not 18 it' s to small to carry the load. See pics.
Was this
answer
helpful?
Yes
No
Monday, October 29th, 2018 AT 12:48 PM (Merged)
Tiny
JOWOODS1999
  • MEMBER
  • 15 POSTS
I inspected the wires to the trailer tow lights, all seemed to be working great. I did that this morning, since I have checked every fuse that I have, changed the brake light switch, even changed the bulbs. The top middle light comes on but the bottom to do not. I am at my wit's end with this.
Any more suggestions would be greatly appreciated.
Thank you,
Josh
Was this
answer
helpful?
Yes
No
Monday, October 29th, 2018 AT 12:48 PM (Merged)
Tiny
HMAC300
  • MECHANIC
  • 48,601 POSTS
If you didn't check the relays in the last reply I sent it could be those or a ground to the relays they have to operate in order for your brake lights to work. I see no mention of it in your reply. Also you will h ave to check your multi function switch as if that is bad your t/s or brake lights will not work. Also this is controlled by body module so a pro will h ave to scan it to see if module is bad or a poor connection like the harness isn't in all the way. It's under the lh side of dash so make sure it has a good connection prior to getting it scanned
Was this
answer
helpful?
Yes
No
Monday, October 29th, 2018 AT 12:48 PM (Merged)
Tiny
JOWOODS1999
  • MEMBER
  • 15 POSTS
I discovered the windshield washer switch in my turn signal switch is broken. So I tested the signal again and it has some issues. So I hope I'm right about this, ordered a new turn signal switch. I know it and the brakes are all on the same circuit. So hope that is going to fix it. The part will be here Tuesday. I'll post a reply as to what happened.
Was this
answer
helpful?
Yes
No
+1
Monday, October 29th, 2018 AT 12:48 PM (Merged)
Tiny
HMAC300
  • MECHANIC
  • 48,601 POSTS
If not then it's probably your body module as all t/s brake lights go through that, a pro scanning it will tell quickly
Was this
answer
helpful?
Yes
No
+1
Monday, October 29th, 2018 AT 12:48 PM (Merged)
Tiny
BRANDIWEBER12
  • MEMBER
  • 1 POST
  • 2000 DODGE CARAVAN
  • AUTOMATIC
  • 200,000 MILES
I have no tail lights or running lights- but I do have brake lights
The directionals do not work- but I have working hazards
The dash lights do not work- but the digital odometer works and so does the radio

We have replaced the light dimmer switch
We have checked both inside and under the hood fuse boxes and relays
Was this
answer
helpful?
Yes
No
+1
Monday, October 29th, 2018 AT 12:48 PM (Merged)
Tiny
JACOBANDNICKOLAS
  • MECHANIC
  • 110,194 POSTS
Have you checked for ground issues? If you supply a ground to the lights, do you get power?
Was this
answer
helpful?
Yes
No
Monday, October 29th, 2018 AT 12:48 PM (Merged)
Tiny
JOWOODS1999
  • MEMBER
  • 15 POSTS
So I changed the blinker switch, no change to the lights. So I did a pro scan as Hmac300 suggested. It showed my right front ABS sensor was damaged. So I ordered and just replaced that this afternoon, still no change. The running lights still work, the third brake light works but when the brakes are applied the bottom two still don't light up. I'm getting really close to being beyond what I can do on my own.
I needed to reset the IOD, so I am in the process of that now. Taking out the fuse, removing the neg cable from the battery and waiting. As my sliding doors won't lock automatically. So in some weird hope, that the reset might fix the lights. Yet, I doubt it. I am at a complete lost, I have no idea how to do the wiring. What else have I missed that I may be able to fix. Hopefully I won't have to buy anymore parts. I'm down to 12 before the inspection is due and I'm lost. Thanks in advance for any help. Had a friend mention something about the circuit board?
Was this
answer
helpful?
Yes
No
-1
Monday, October 29th, 2018 AT 12:48 PM (Merged)
Tiny
HMAC300
  • MECHANIC
  • 48,601 POSTS
From your replies your STILL haven't checked the relays like I said. That was in my very first reply if the relays are bad you arent' going to have rear lights the pic is in the first reply and even shows where they are located. You can go to our how to repair site and look under electrical and how to check a relay.
Was this
answer
helpful?
Yes
No
-1
Monday, October 29th, 2018 AT 12:48 PM (Merged)
Tiny
JOWOODS1999
  • MEMBER
  • 15 POSTS
Okay so I got to ask the stupid question. How to access behind the left rear quarter panel?
Was this
answer
helpful?
Yes
No
Monday, October 29th, 2018 AT 12:48 PM (Merged)
Tiny
HMAC300
  • MECHANIC
  • 48,601 POSTS
Instructions are from a 2005 but they don't have any for 2002 so yours should be similar. No pics in this.
Was this
answer
helpful?
Yes
No
Monday, October 29th, 2018 AT 12:48 PM (Merged)
Tiny
JOWOODS1999
  • MEMBER
  • 15 POSTS
So this is where I am at. I've opened up the left rear quarter panel. Still haven't reach any relays but I'm still digging. This is new for me I've never went threw the quarter panel to find relays, so I'm learning as I go here.
I did however notice this wire in the pic. It is taped with black tape to the wires around it. It has a plug for a harness but so far can't find a harness that is missing anything.
So not sure if that may be the problem, I still can't find the relays.
Thanks!
Was this
answer
helpful?
Yes
No
+1
Monday, October 29th, 2018 AT 12:48 PM (Merged)
Tiny
JOWOODS1999
  • MEMBER
  • 15 POSTS
Could this be in the BCM under the dash?
Was this
answer
helpful?
Yes
No
Monday, October 29th, 2018 AT 12:48 PM (Merged)

Please login or register to post a reply.