Engine overheating?

Tiny
J.STIEG
  • MEMBER
  • 2002 CHEVROLET VENTURE
  • 13,400 MILES
Working on a overheating 2002 chevy venture 3400. Cooling fans do not come on. Fuses are good and the fan motors themselves are in working condition. Also the fan relay does not seem to be getting ground from computer. What can I try to further troubleshoot this problem? Thanks
Monday, April 25th, 2011 AT 6:08 PM

37 Replies

Tiny
RASMATAZ
  • MECHANIC
  • 75,992 POSTS
Try checking the coolant temperature sensor, if it checks out could be a wiring or computer problem this guide can help us find the problem

https://www.2carpros.com/articles/engine-overheating-or-running-hot

Please run down this guide and report back.
Was this
answer
helpful?
Yes
No
-2
Monday, April 25th, 2011 AT 6:16 PM
Tiny
JDL
  • MECHANIC
  • 16,098 POSTS
Any applicable trouble codes? Temp wise in degrees F, what is the temp reading? What about the coolant temp sensor? Did you use a voltage tester at the fan relay?
Was this
answer
helpful?
Yes
No
-1
Monday, April 25th, 2011 AT 6:26 PM
Tiny
WRENCHTECH
  • MECHANIC
  • 20,761 POSTS
I don't believe there is anything wrong with the system. You are expecting it to come on before it is really supposed to. Low speed doesn't come on until 223 degrees and high speed at 230.
Was this
answer
helpful?
Yes
No
+3
Monday, April 25th, 2011 AT 6:47 PM
Tiny
J.STIEG
  • MEMBER
  • 361 POSTS
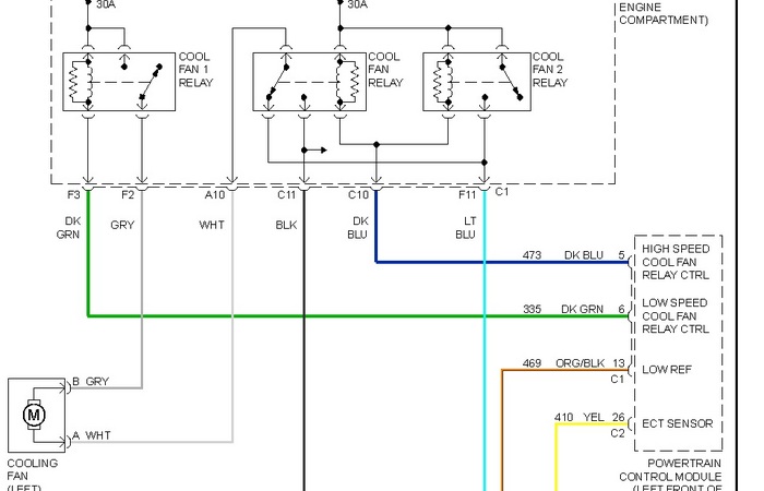
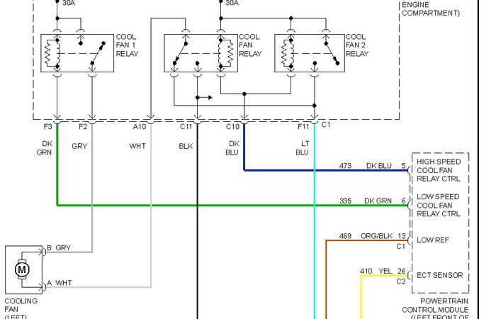
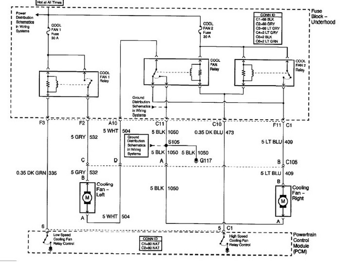
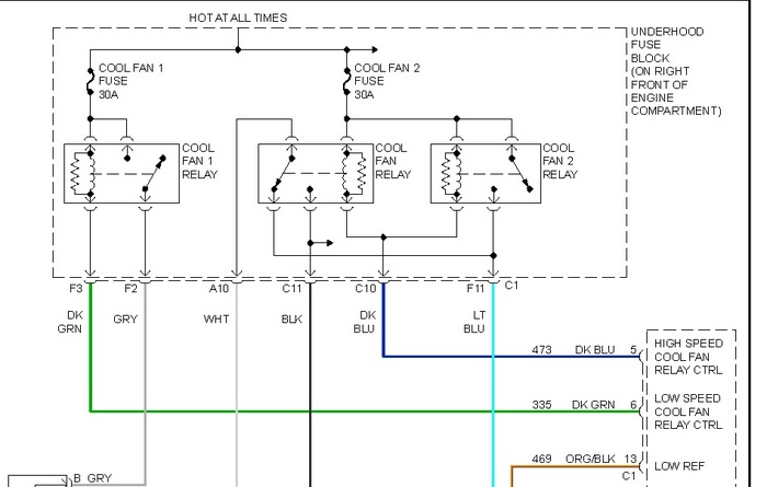
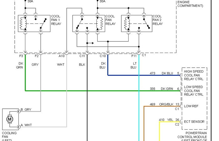
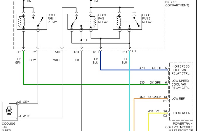
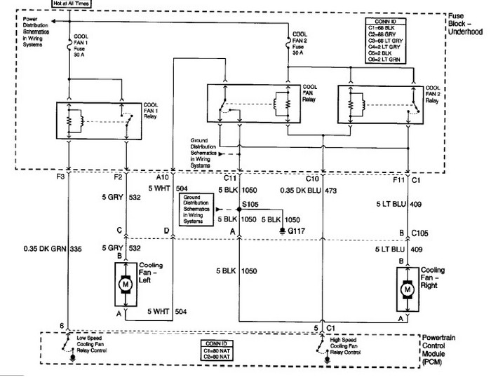
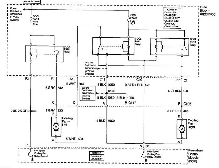
Yes, I checked voltage at the fan relay. All relays have +supply to them. I found out that the cooling fan relay 1 is clicking relay, but fan is not coming on, that would indicate the temp sensor and computer is working. I need more wiring diagrams. Thanks
Was this
answer
helpful?
Yes
No
Monday, April 25th, 2011 AT 7:56 PM
Tiny
WRENCHTECH
  • MECHANIC
  • 20,761 POSTS
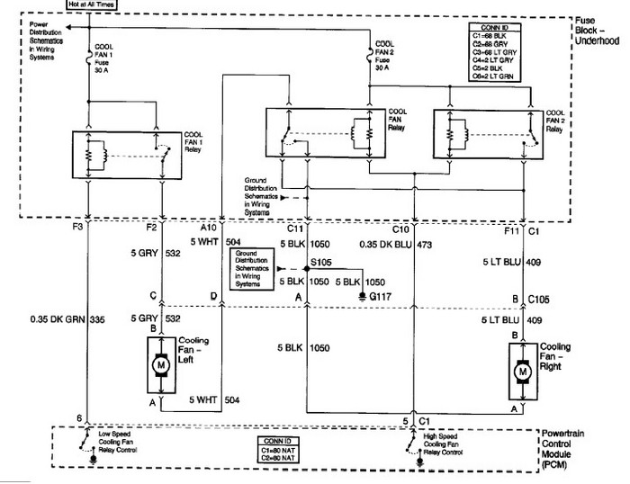
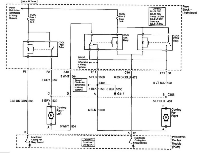
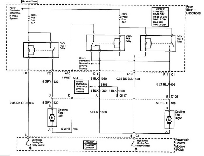
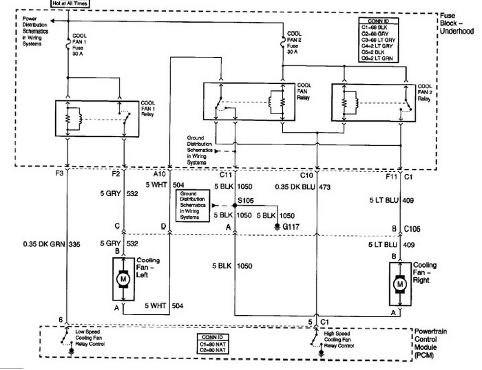
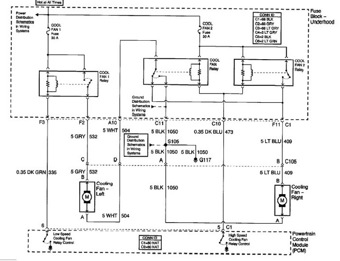
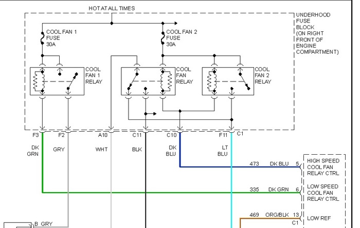
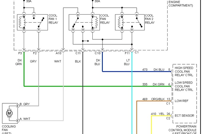
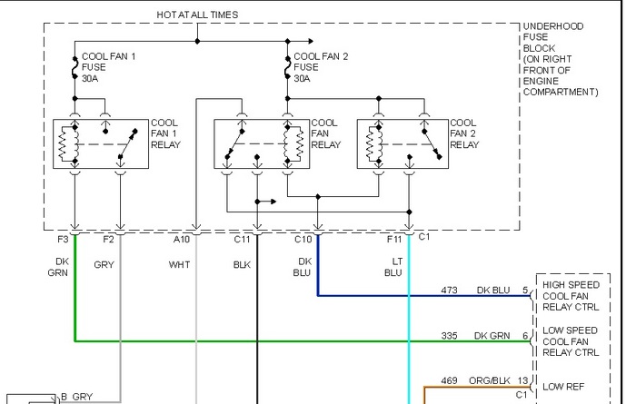
See if this is more complete.
Was this
answer
helpful?
Yes
No
+4
Monday, April 25th, 2011 AT 8:00 PM
Tiny
JDL
  • MECHANIC
  • 16,098 POSTS
I can't get the whole diagram in one picture and make it readable.
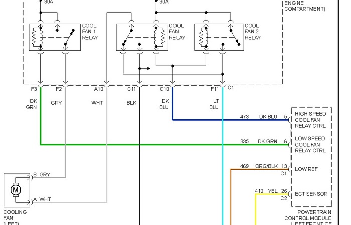
To fan number one, gray wire is voltage, white wire is ground. You see the center relay, when that relay is not energized, the ground goes through that relay. See the blue wire, that goes through the second fan motor to chassis ground.
Was this
answer
helpful?
Yes
No
Monday, April 25th, 2011 AT 8:12 PM
Tiny
WRENCHTECH
  • MECHANIC
  • 20,761 POSTS
My post shows the complete diagram
Was this
answer
helpful?
Yes
No
+4
Monday, April 25th, 2011 AT 8:15 PM
Tiny
J.STIEG
  • MEMBER
  • 361 POSTS
I have it working now and automatically responding. I found two things (not very common) that was keeping it from working. First I saw there was no ground at right cooling fan black wire. I think there should be ground there all the time. Second I found that there was a bad relay at cooling fan relay 1, bad contacts. Diagrams really helped.
Was this
answer
helpful?
Yes
No
Tuesday, April 26th, 2011 AT 12:17 AM
Tiny
WRENCHTECH
  • MECHANIC
  • 20,761 POSTS
No, there shouldn't be a ground there all the time. That is the trigger wire connected to the PCM which controls the relay through that wire. There is nothing wrong with your fan. Disconnect the wire and let it run. The fan will cycle on and off without it going into the red zone. That is the way it's supposed to work.
Was this
answer
helpful?
Yes
No
Tuesday, April 26th, 2011 AT 12:21 AM
Tiny
J.STIEG
  • MEMBER
  • 361 POSTS
I understand that the ground for the fan relay is completed by the -trigger ouput from PCM. I was talking about "5 BLK 1050" big thick black wire down by the right fan. It didn't have cotinuity to ground, so I tapped in and put a ground wire. Its responding automatically and shutting off. Just curious why that one big thick black wire was not grounded, its not like it went through a relay, I looked at the diagram. I followed that big BLK wire to the bottom of dist box and did not have cotinuety there ether.
Was this
answer
helpful?
Yes
No
+1
Tuesday, April 26th, 2011 AT 3:33 AM
Tiny
WRENCHTECH
  • MECHANIC
  • 20,761 POSTS
If you look at the diagram, you will see that the ground for the left cooling fan is controlled by the #2 relay. That is how it gets 2 speeds. It runs the ground through the second fan to split the power between the 2 fans.
Was this
answer
helpful?
Yes
No
+1
Tuesday, April 26th, 2011 AT 11:18 AM
Tiny
J.STIEG
  • MEMBER
  • 361 POSTS
Yes the ground goes through one of the relays
Was this
answer
helpful?
Yes
No
Tuesday, April 26th, 2011 AT 3:27 PM
Tiny
WRENCHTECH
  • MECHANIC
  • 20,761 POSTS
And then through the other motor when the relay is at rest.
Was this
answer
helpful?
Yes
No
+2
Tuesday, April 26th, 2011 AT 4:52 PM
Tiny
KNIGHT2001
  • MEMBER
  • 3 POSTS
  • 2002 CHEVROLET VENTURE
Engine Cooling problem
2002 Chevy Venture 4 cyl Two Wheel Drive Automatic

Van will redline when driving around town, but wont blow hot air through vents. If I speed up very rapidly the temp goes down and starts to blow hot air. None of this happens when driving on the highway. Checked for coolant in the oil(NONE Present) and no visible leaks. Any help would be MUCH APPRECIATED Thanks
Was this
answer
helpful?
Yes
No
Friday, August 21st, 2020 AT 11:47 AM (Merged)
Tiny
WRENCHTECH
  • MECHANIC
  • 20,761 POSTS
Is the cooling fan coming on and cycling back off.
Was this
answer
helpful?
Yes
No
Friday, August 21st, 2020 AT 11:47 AM (Merged)
Tiny
KNIGHT2001
  • MEMBER
  • 3 POSTS
Yes the fan starts up when the temp increases and then shuts down when temp gauge returns to normal.
Was this
answer
helpful?
Yes
No
Friday, August 21st, 2020 AT 11:47 AM (Merged)
Tiny
WRENCHTECH
  • MECHANIC
  • 20,761 POSTS
The symptoms seem to be pointing toward a blown head gasket. You are getting combustion gases into the cooling system.
Was this
answer
helpful?
Yes
No
Friday, August 21st, 2020 AT 11:47 AM (Merged)
Tiny
KNIGHT2001
  • MEMBER
  • 3 POSTS
Ok Thanks for your Help! I will check it out
Was this
answer
helpful?
Yes
No
Friday, August 21st, 2020 AT 11:47 AM (Merged)
Tiny
PAMELA1962
  • MEMBER
  • 1 POST
  • 2002 CHEVROLET VENTURE
  • 6 CYL
  • 4WD
  • AUTOMATIC
  • 118,000 MILES
My temperature guage goes way up (3/4) when idling or in stop and go traffice. It remains normail (3/8) on the freeway. Is this normail or do I have problem?

Pam Freis
Was this
answer
helpful?
Yes
No
Friday, August 21st, 2020 AT 11:47 AM (Merged)
Tiny
DMHOOT
  • MEMBER
  • 10 POSTS
Sounds like a problem to me. I have the same year venture as you do. My Temp rarely goes past the 1/2 mark and I live in Phoenix. I would check a few things right off the bat.

1. Have you changed your coolent recently? What mixture % is it? Parts store sell testers cheap to test your coolent.

2. Check the 2 fans that are attached to the radiator to make sure their running. I'm thinking if the fan's are not working properly, you would see the overheating issue idle/parked/stopped. But when driving on the freeway their may be enough airflow from your speed to keep the engine cool.

I would start their. A bad thermostat possible as well, but I would expect that to make the eninge overheat after a few minutes of driving and not cool back down unless it's sticking.
Was this
answer
helpful?
Yes
No
+1
Friday, August 21st, 2020 AT 11:47 AM (Merged)

Please login or register to post a reply.