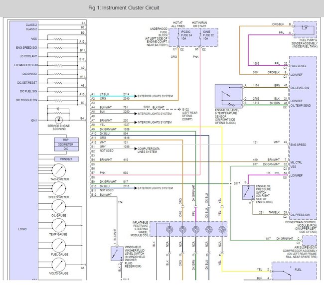
Sunday, November 13th, 2011 AT 1:19 AM
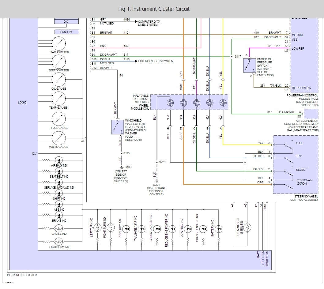
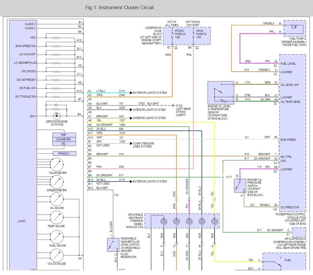
I thought I could be the ignition switch which I tested and was bad replaced that but did work for the lights for the gear indicator or the odometer. The light use to come on sometimes. But now not at all. Just two more question if they both come from the same source why would it only effect the dash light (Gear indicator and the Odometer) and not the headlights? Like I said everything else works just fine just not those two. Is there a fuse or a wire to test to see if it is the switch?



