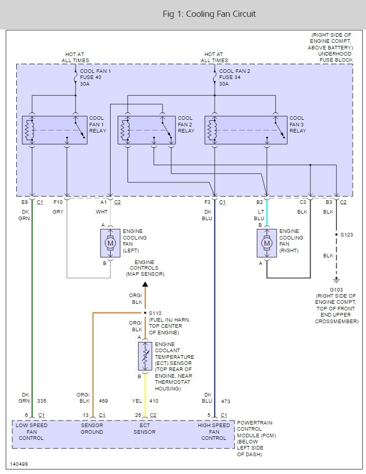
Okay so problem is the cooling fans won't come on even when the ac is engaged but they do come on when I disconnect the temperature sending unit so I thought that was the problem so I replaced it but no go I've replace all my relays to the fans still no go I replaced the thermostat and again nothing so I don't know where to go from here
After a flush and fill on the cooling system and messing around I noticed my fans did come on but at the instrument cluster it shows I'm out of the normal range just a little under the dot right before the red and that's when the engine temperature's at 220 so I'm guessing my clusters not accurate and I do hear two clicks and all the needles move to those click's so what's the best way for a repair or should I just replace the whole cluster?
me I got the book from GM and have been doing my home work but still can't find the problem any advice would be awesome and greatly appreciated
Monday, September 9th, 2013 AT 4:29 PM
