Thursday, September 10th, 2020 AT 6:18 AM
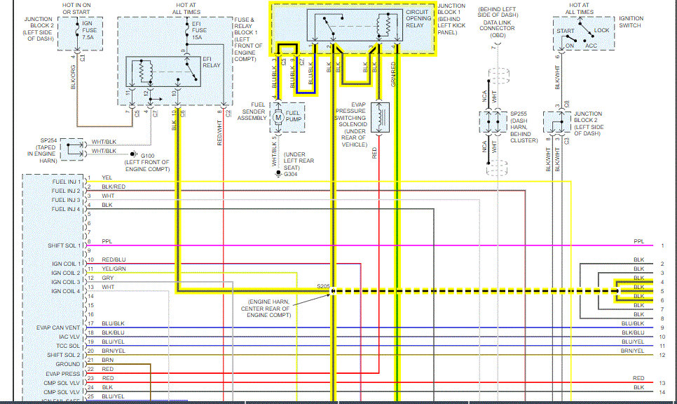
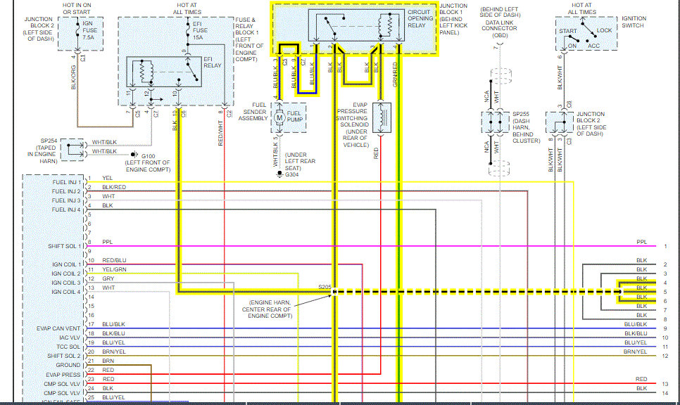
I parked my car for a little over a month to sell it. Battery was drained when I tried to start. Old battery so I replaced it. With new battery in the vehicle I tried to start it, it turned over and fires, it's just not getting fuel. And when I spray starter fluid into the air intake the vehicle is able to start and as long as I spray in there it will run, as soon as I stop it cuts off. All relays and fuses to be good so I changed the fuel pump and the mesh bag that was also on the fuel pump assembly. Same thing when I tried to start the vehicle. It was at this time I realized when I turn the key I do not hear the fuel pump initialize I don't believe I was hearing it before either. Any suggestions guys? I need to sell this car so I can work on my Mustang.





