If it has to do with the anti theft... find the fuse for it a take it out. Should be under the driver dash. See if it starts.
Is your check or service engine light in?
Please post responses here.....[/quote:97f5814da2]
Hey guys,
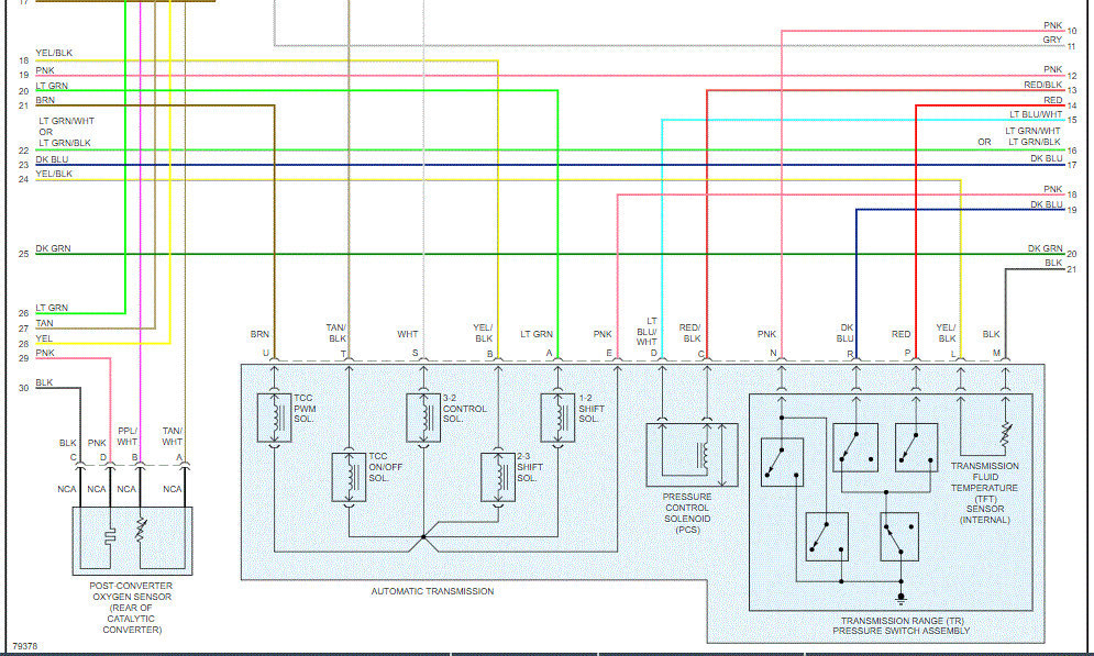
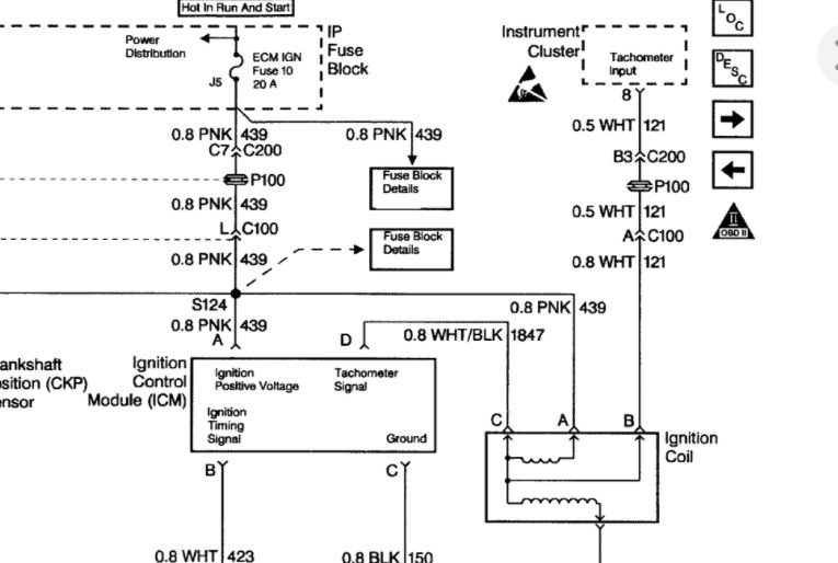
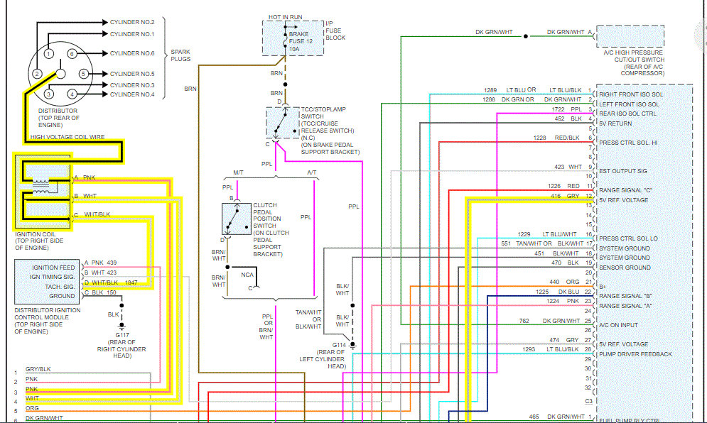
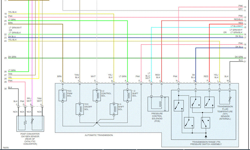
My name is Tony. I need help along the same lines as this guy. My 2001 chevy blazer is doing the exact same thing. It spuddered to a stop the other day and will not start. It cranks over and spudders for a second. I can hear the pump turn on. Another thing is before all the if my engine is cold it kind of hesitates at low rpms, but seems fine if I stomp on the gas. But now it will not start up. I have tried, new, coil, dist. cap, rotor, plugs and wires also I have a full tank of gas. I will check the fuel pressure today. I was thinking since I live in florida and we have really humid morinings maybe moisture is building up somewhere, however when my engine stopped yesterday it had been running for an hour.
thanks,
tony
Email is ltblazer2001@yahoo.com
(941) 456 0628.
Appreciate any help.
Very respectfully,
TOny Smith

Wednesday, October 14th, 2020 AT 2:36 PM
(Merged)