Thursday, July 30th, 2015 AT 1:51 PM
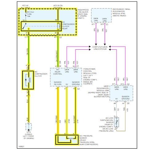
AC blows then stops and my service ac light comes on. I have replaced the whole A/C kit (compressed, clutch, etc.). Recently replaced my lower sensor last time my service ac light came on (2 weeks ago). Now it blows when I first start up and in about 10 minutes my service ac light comes on. If you can help that would be great. Thanks!


