Sunday, December 4th, 2016 AT 3:59 PM
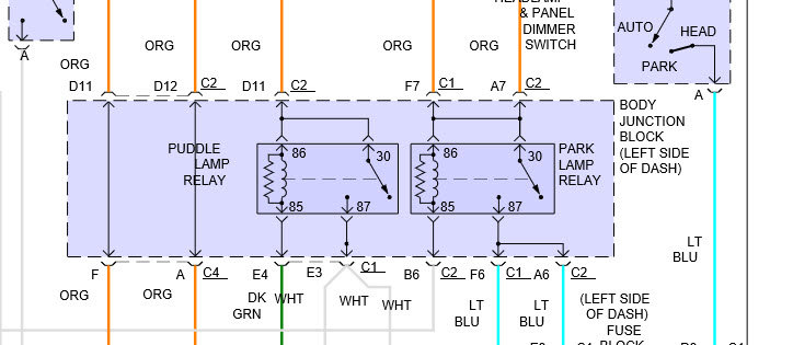
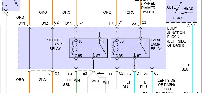
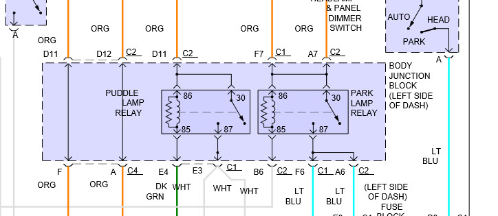
When my auto headlights turn on as it gets darker out, the dash lights go out. The radio, clock, and tail lights are out too. I can use the manual switch and all works fine. I have tested the light sensor on the dash and it cycles to light and dark conditions just fine. I can even hear a click when it cycles. All fuses are fine after testing. Hope someone can help. Thanks


