HOME
ASK A QUESTION
REPAIR GUIDES
BECOME A MEMBER
LOG IN
Login with Facebook
OR
Remember me
NOT A MEMBER?
FORGOT PASSWORD?
CONTACT US
PRIVACY POLICY
TERMS AND CONDITIONS
☰
Home
Mitsubishi
Montero
Exterior Light
Turn Signal
Not Working
Turn signals do not work
501BOB
MEMBER
2000 MITSUBISHI MONTERO
120,000 MILES
This is the Sport model. Turn signals do not work. Do you know where the flasher is? Hazard lights are working.
Monday, June 11th, 2012 AT 7:35 PM
4 Replies
KHLOW2008
MECHANIC
41,814 POSTS
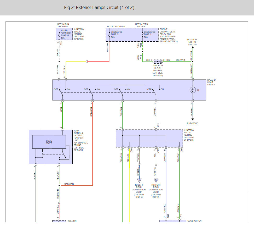
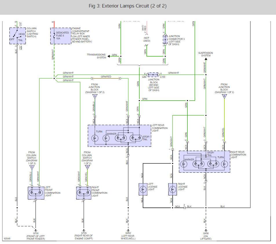
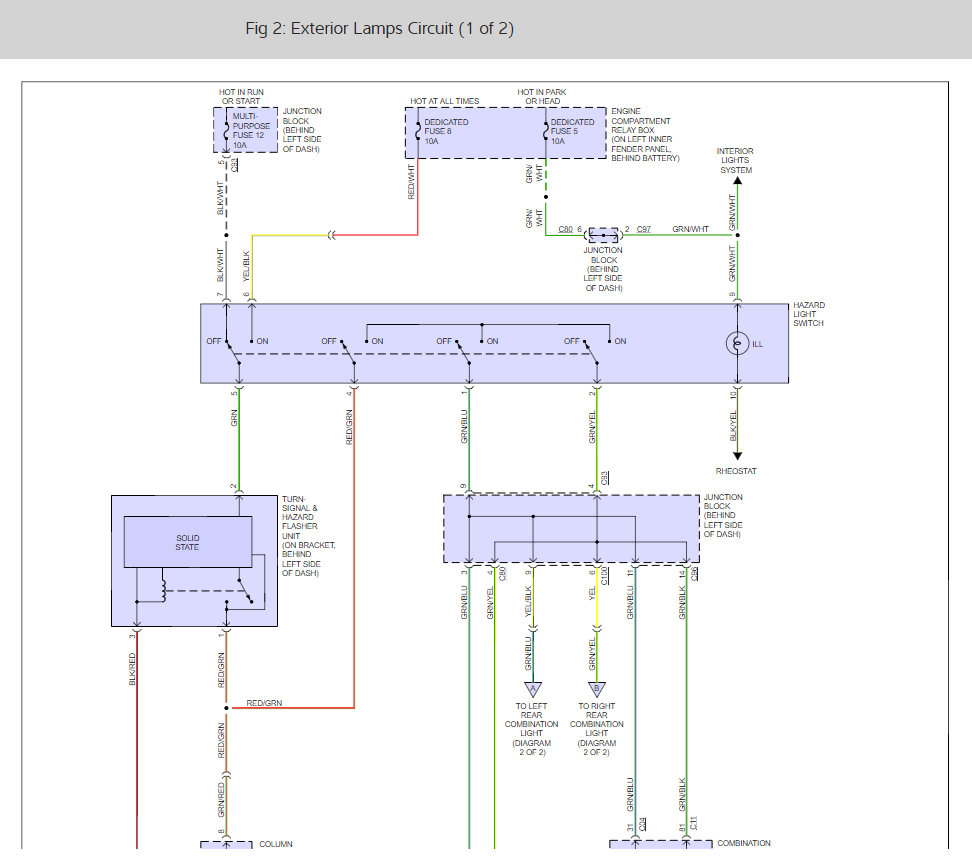
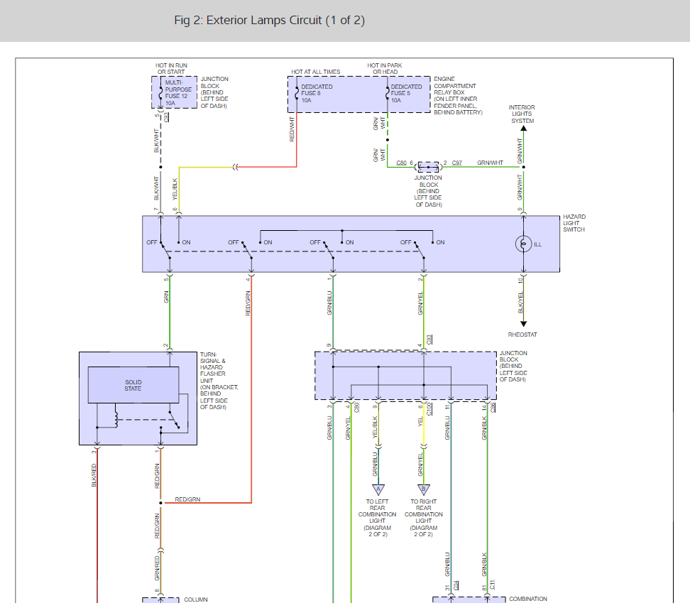
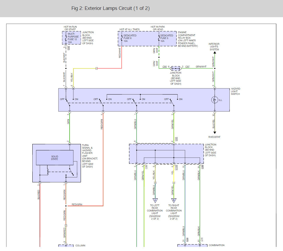
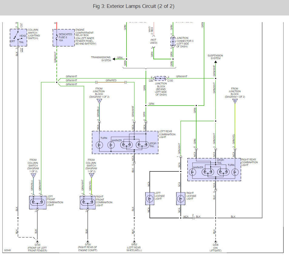
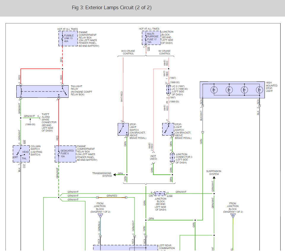
The flasher location is under the dash on the drivers side. H in the 3 diagrams over.
Here is a diagram of the flasher location and the fuse box:
https://www.2carpros.com/articles/how-to-check-a-car-fuse
Please let us know what happens so it will help others.
Cheers
Images (Click to make bigger)
Was this
answer
helpful?
Yes
No
+2
Tuesday, June 12th, 2012 AT 6:02 PM
501BOB
MEMBER
4 POSTS
Nailed it! Thanks I replaced the flasher and it worked perfect. I love fixing things myself. Thanks guys
Was this
answer
helpful?
Yes
No
+1
Wednesday, June 13th, 2012 AT 8:32 PM
KHLOW2008
MECHANIC
41,814 POSTS
Nice work, we are here to help. Please use 2CarPros anytime.
Was this
answer
helpful?
Yes
No
+8
Thursday, June 14th, 2012 AT 1:57 PM
KEN L
MASTER CERTIFIED MECHANIC
55,227 POSTS
Hey 501BOB,
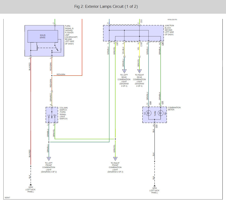
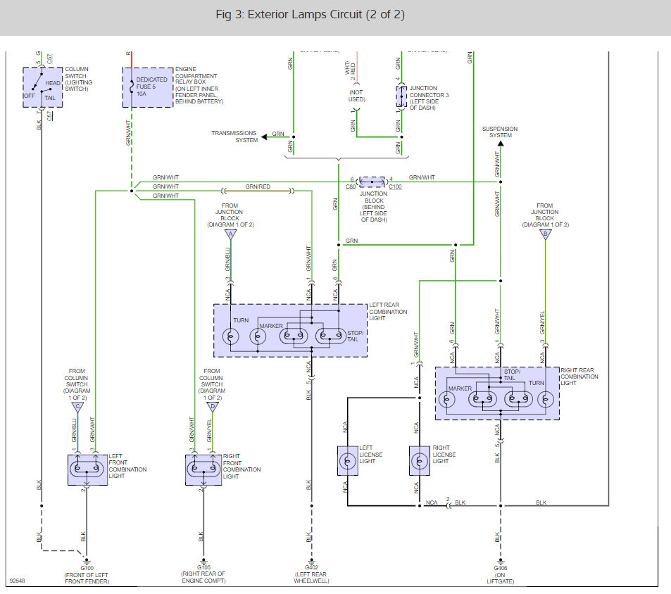
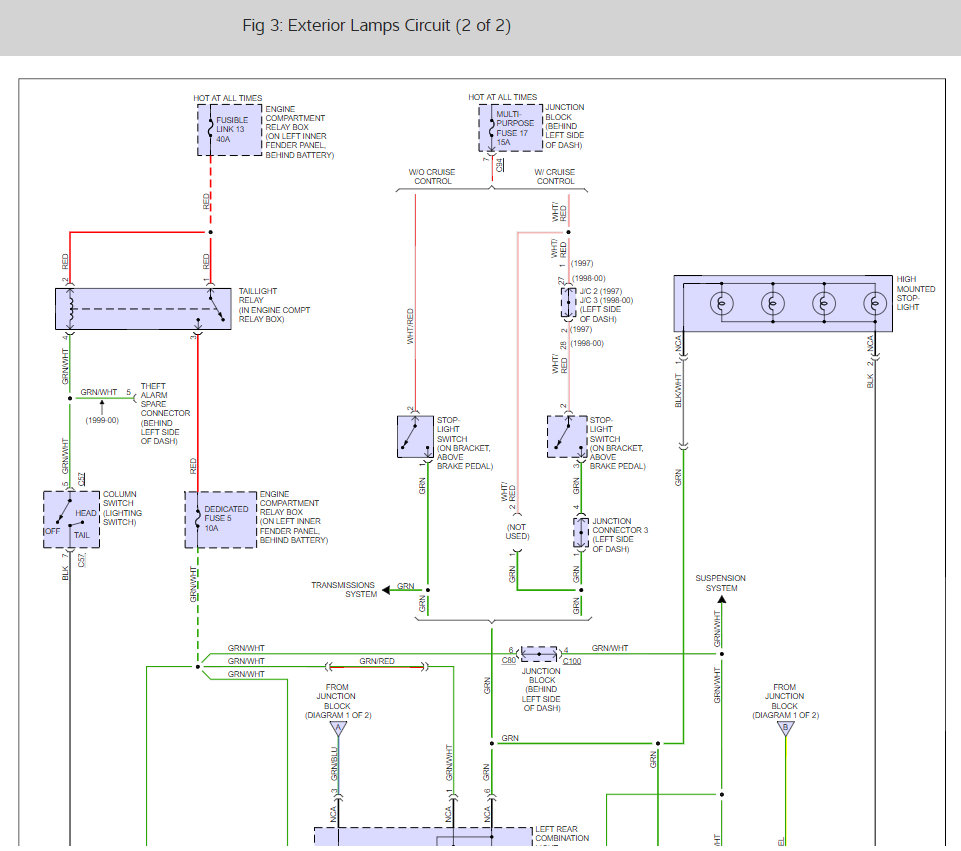
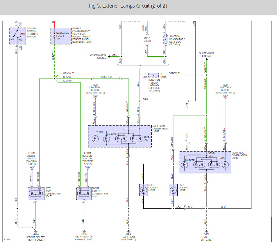
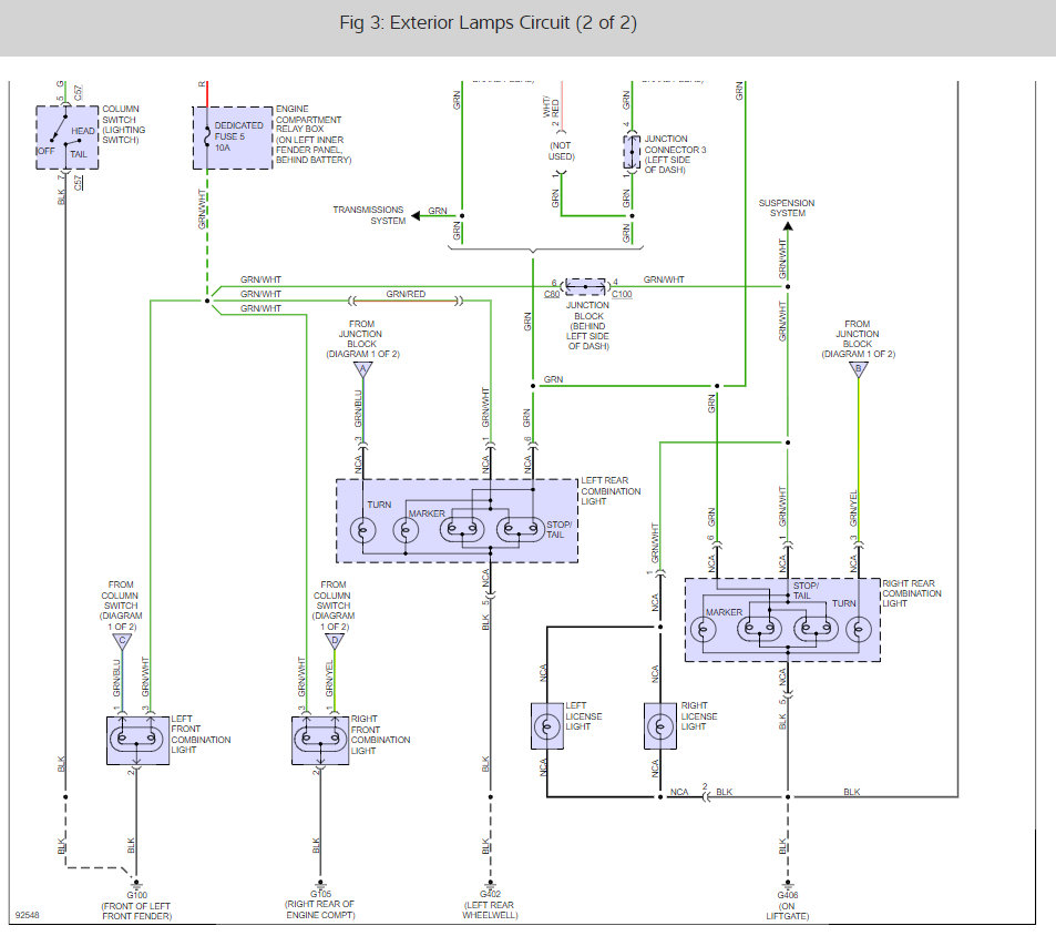
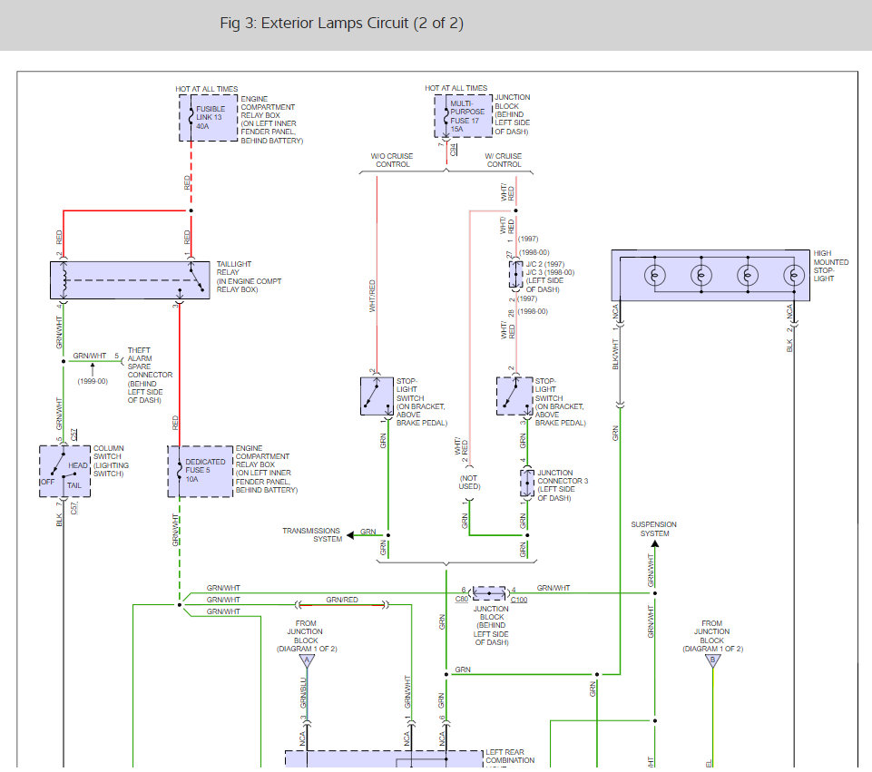
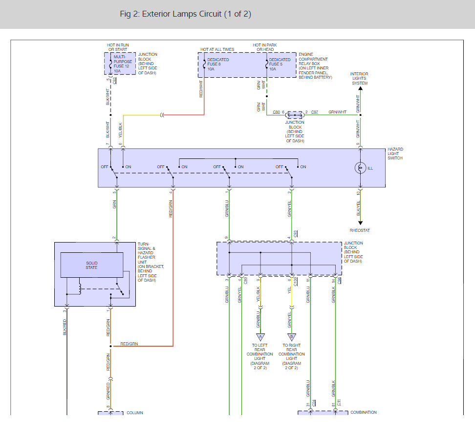
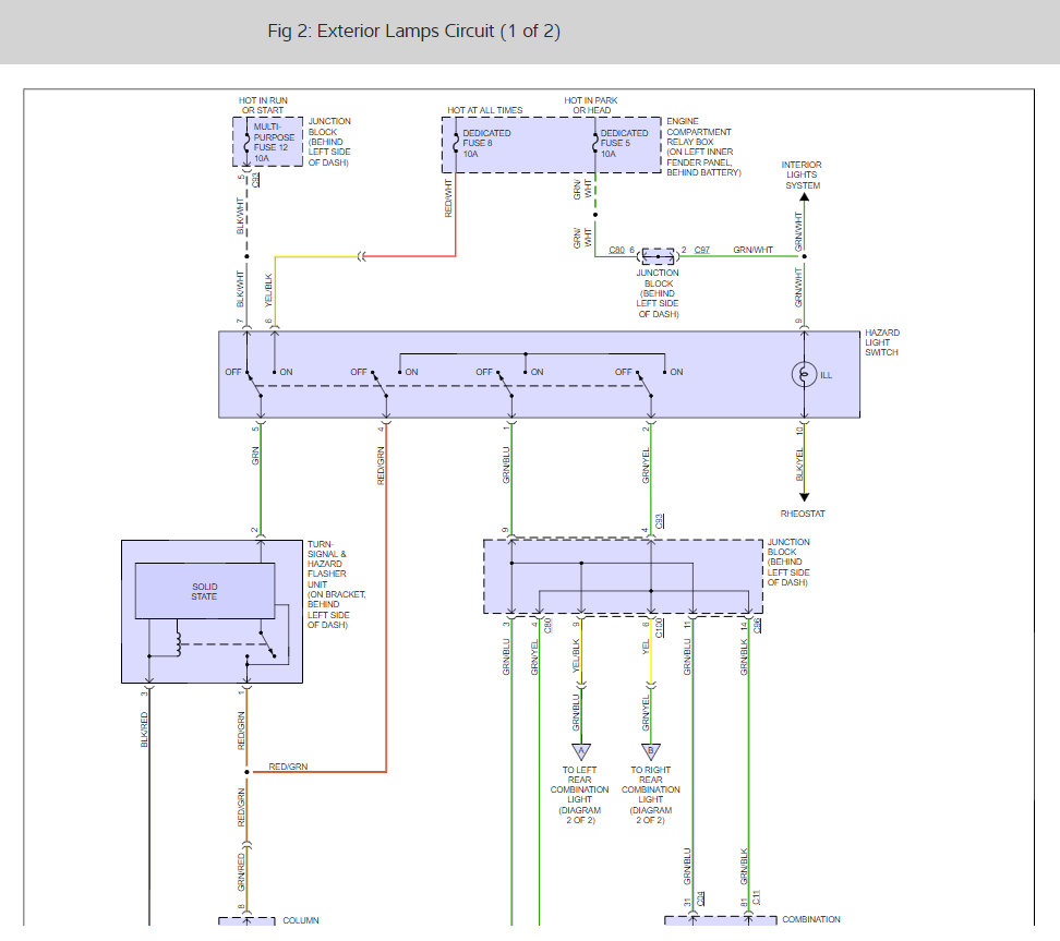
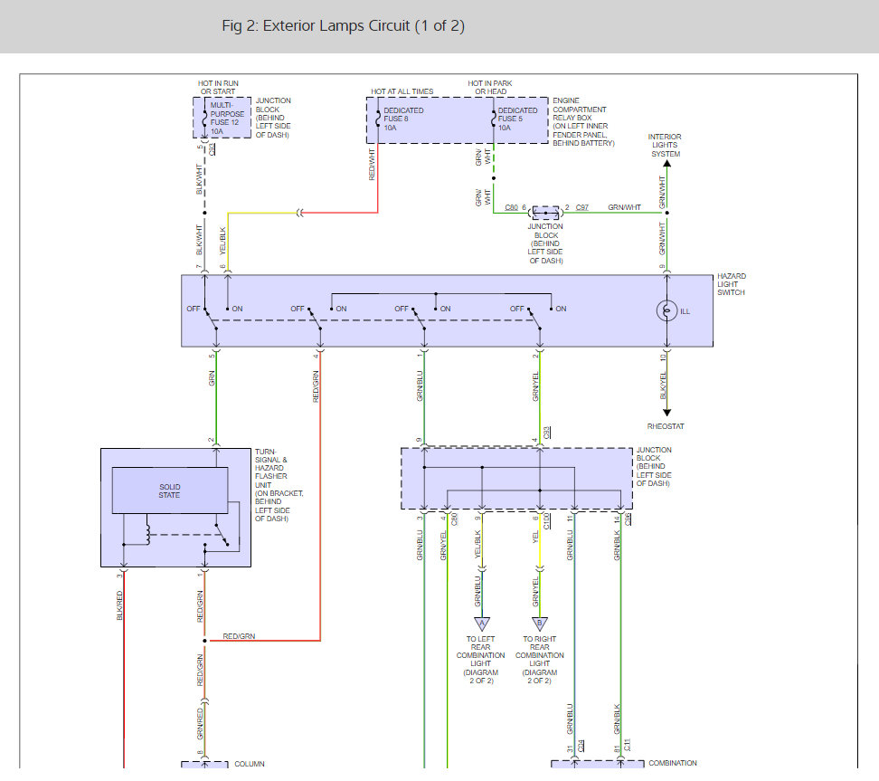
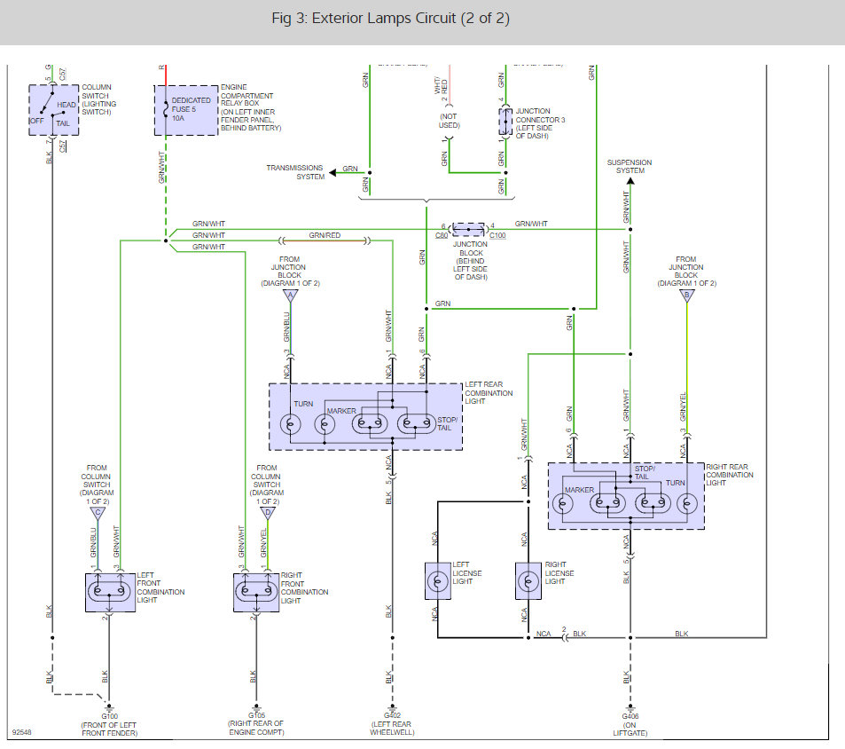
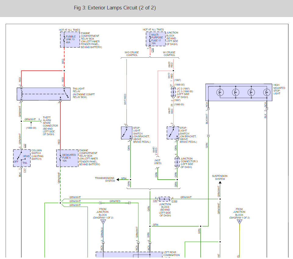
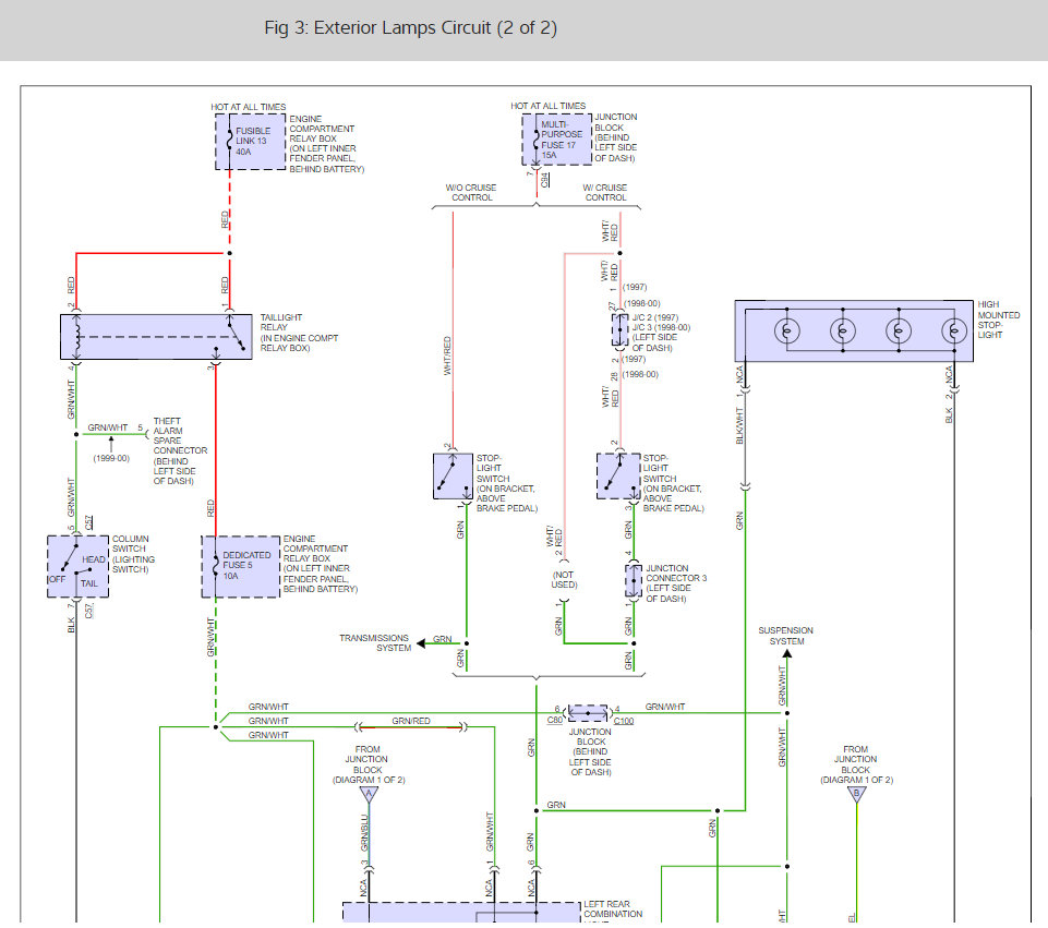
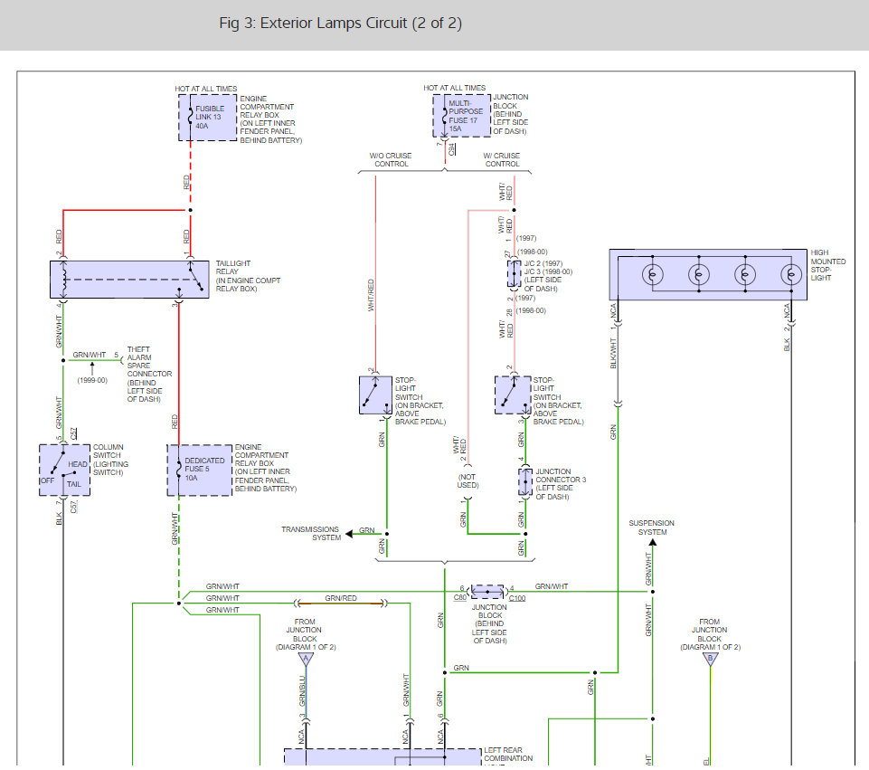
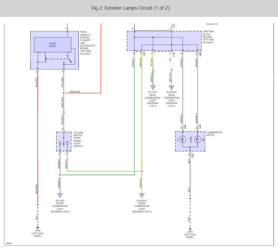
If you need to test the the turn signal switch to see if it has gone bad here is a wiring diagram for you:
https://www.2carpros.com/articles/how-to-use-a-test-light-circuit-tester
Please let us know what you find.
Cheers, Ken
Images (Click to make bigger)
Was this
answer
helpful?
Yes
No
+2
Friday, May 6th, 2016 AT 2:40 PM
Please
login
or
register
to post a reply.
Related Turn Signal Not Working Content
Turn Signal Not Working
My Left Turn Signal Will Not Turn On. My Hazard Lights However Do Work. How Do I Fix This Problem?
Asked by
daylani
·
3 ANSWERS
3 IMAGES
1997
MITSUBISHI MONTERO
GUIDE
Turn Signal Problems
Turn signals are intended to help inform surrounding drivers of the vehicle's intended change in direction. Although there are a few different causes for signal failure...
2000 Mitsubishi Montero Turn Signal.....
Please Explain The Best Approach To Access The Rh Front Turn Signal Bulb. It Seems To Be Obscured Inside The Fender. The Way I See It...
Asked by
fabricgator
·
3 ANSWERS
2000
MITSUBISHI MONTERO
2000 Mitsubishi Montero Turn Signals Inside And...
All Of My Inside And Outside Turn Signals Quit Working. All Of The Rest Of The Inside And Outside Lights Work. I Checked The Fuse And It...
Asked by
vici102854
·
1 ANSWER
2000
MITSUBISHI MONTERO
2001 Mitsubishi Montero Turn Signals And Lites
I Have Just Developed An Unusual Problem With Signal Lamps. When I Use The Turn Signals With The Headlights Off, Everything Works Fine....
Asked by
mikesLTD2001
·
15 ANSWERS
3 IMAGES
2001
MITSUBISHI MONTERO
1991 Mitsubishi Montero Turn Signal
My Right Turn Signal Works But My Left Turn Signal Comes On And Stays On It Doesn't Blink
Asked by
MIZZ
·
3 ANSWERS
1991
MITSUBISHI MONTERO
VIEW MORE
Ask a Car Question. It's Free!
Turn Signals Blink Fast
How to Use a Test Light
Have a Dim Headlight? - Try Replacing This!