2001 Mitsubishi Montero turn signals and other lites

Tiny
MIKESLTD2001
  • MEMBER
  • 2001 MITSUBISHI MONTERO
  • 6 CYL
  • 4WD
  • MANUAL
  • 120,000 MILES
I have just developed an unusual problem with signal lamps. When I use the turn signals with the headlights off, everything works fine. When I turn on my running lights or my headlights, the left turn signal light on the dash comes on and stays on steady. Outside the car the left turn signal in the front and the back are lit and on steady. The left headlight is on but the right headlight is out. If I use my left turn signal with the headlights on, I get a slight bit of blinking but also the navagation screen in the center of the dash also gets brighter and dimmer along with the signal. I know the right headlamp works because if I pull the turn signal lever towards me to turn the brights on and hold it and then twist the lever to turn the headlights on, both headlights do come on.
Strange group of happenings. Any suggestions? I have not taken the car into the dealer yet for a scan of the lighting controls. My standard OMD II scanner does not give any faults.
Thanks to anyone who can respond.
Mike
The answer needs to be more than just get it scanned.
Sunday, July 18th, 2010 AT 3:58 PM

15 Replies

Tiny
EDWARD.S
  • MECHANIC
  • 166 POSTS
Hi, First Thing I'd Check Would Be The Grounds To The Lights That Are Out. If They Checked Out Ok, I'd Replace The Multi function Switch. The Headlights And Turn Signals All Go Thru that Switch.

Hope This Helps You,
Good Luck
Edward S.
Was this
answer
helpful?
Yes
No
Sunday, July 18th, 2010 AT 4:12 PM
Tiny
MIKESLTD2001
  • MEMBER
  • 17 POSTS
Hi,

I have checked all of the grounds and they are good. I just received my new multifunction switch and am ready to put it in. The service manual has a parts breakdown but it is not clear whether I need to remove the steering wheel to change the switch.

Thanks
Mike
Was this
answer
helpful?
Yes
No
Monday, July 26th, 2010 AT 3:13 PM
Tiny
EDWARD.S
  • MECHANIC
  • 166 POSTS
Hi, First Thing to Do Mike Is disconnect The battery. If Your Radio Is theft Protected Get the code First. Or Your radio may not Turn On when we are Done. Next Carefully Take Both Plastic Covers off Around The Steering Wheel. Now Look At the new switch To See How It mounts. About Two Or three Screws Hold it in Place. Now the Question is Can you remove All the screws Without removing the steering wheel, And Airbag.I can't answer that Cause I'm not there, And every car Is different.I've Installed many of these Switches, Without Removing The wheel, But some you Will have to. So look at it carefully. Another thing Is Some Of the cars Use a Inverted Torx socket to remove the screws, And some don't. Look at the screws And Make Sure you can get them out, And reuse them again. One More Thing You Need To Pay attention to Is A Little White Or black Button that sticks up on the right side of the switch. That button, is for the cancel cam, when you make a turn with the turn signal on, then you straighten the wheel, that shuts off the turn signal, or cancels it. Look at the old switch and the new switch so you know where that button is. Now when you remove the old switch, shine a light in around that button to see if it's pushed down, and look as you remove the switch, so you understand how the button is sitting. The reason i'm telling you this is because some people have jammed the switch in there and broke off the button, now the turn signals don't cancel. So the new switch is junk. There are a few connectors you will have to remove also. If after You Take the covers off, and you Find that It's Too Much For You then stop, And Take It To a mechanic.

Hope This Helps You,
Good Luck
Edward S.
Was this
answer
helpful?
Yes
No
+1
Monday, July 26th, 2010 AT 7:42 PM
Tiny
MIKESLTD2001
  • MEMBER
  • 17 POSTS
Thanks,

I got the new switch in with no problem. I reetartedthe car and the problem is still the same. The left headlight is the only one that comes on. When you turn the left turn signal on the indicator on the dash stays lit and the outside lights stay lit constantly and only blink very slightly. With the headlights off the left turn signal works ok but each time they blink, all the rest of the dash lights blink on and off.

Any ideas where to go from here.

Mike
Was this
answer
helpful?
Yes
No
Monday, July 26th, 2010 AT 8:13 PM
Tiny
EDWARD.S
  • MECHANIC
  • 166 POSTS
Hi, Does This Car Have Daytime running lights?If The turn signal indictor is Staying Lit on The dash, and Not blinking That means the Ground Is loose Or bad. The Same Goes For The headlight. If you take a Jumper Wire From Battery Negative Cable To Ground On Turn Signal socket Thats out, Will should Light Then. Same For headlight. Also look For A Square White Plastic cover With a Few Black wires going into it. And a piece of metal that screws on the body of the car. There may be a few of these under the hood. Look at that white cover, these are your grounds. Carefully remove the screw that goes to the body of the car. Clean that area with sandpaper. Then put back . Do not remove the wires from the grounding block. Do the wires look clean inside the block?I will Try To get More Info For you About this.

Hope This Helps you,

Edward S.
Was this
answer
helpful?
Yes
No
Tuesday, July 27th, 2010 AT 5:25 AM
Tiny
MIKESLTD2001
  • MEMBER
  • 17 POSTS
I will work on this more today and let you know. Let me know if you find out any more. I know there is some kind of scanner that the dealers have MUT? Do you think it is worth having them scan it to determine the fault?
Thanks
Mike
Was this
answer
helpful?
Yes
No
Tuesday, July 27th, 2010 AT 6:54 AM
Tiny
EDWARD.S
  • MECHANIC
  • 166 POSTS
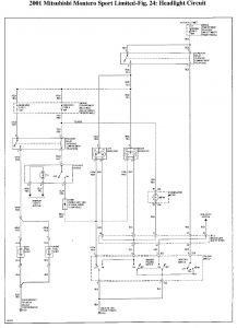
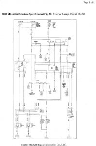
Hi, Was Anything Installed recently ,Like a Radio,or A alarm? Here Are the Circuit diagrams They Show You Where the grounds are ,And Wiring. I Wish I Could be more help, but i'm not there .Sounds Like a Ground Problem .Also Check all your Bulbs Make Sure They Are The Right For that car .Also look At the turn signal Bulb That the filaments in the bulb Are Not shorted together.

Hope This Helps You,
Good Luck
Edward S.


https://www.2carpros.com/forum/automotive_pictures/551386_1_1.jpg



https://www.2carpros.com/forum/automotive_pictures/551386_2_1.jpg



https://www.2carpros.com/forum/automotive_pictures/551386_3_1.jpg

Was this
answer
helpful?
Yes
No
Tuesday, July 27th, 2010 AT 7:37 PM
Tiny
MIKESLTD2001
  • MEMBER
  • 17 POSTS
Thank you I will start checking these. Actually I had my 4 volume Mitsubishi service manual out last night looking for these so this is very helpful. Actually almost a year ago I switched the headlights for a Euro Effects EFX HID with all of their ballasts and such. They have worked perfectly until now. I was thinking that after I check all of the grounds, I would start disconnecting the headlights and other offending parts until the problem changes. Any other suggestions?

Thanks
Mike
Was this
answer
helpful?
Yes
No
Wednesday, July 28th, 2010 AT 7:27 AM
Tiny
EDWARD.S
  • MECHANIC
  • 166 POSTS
Hi, Try Taking the grounds off the hid lights, temporary and see if things work again.

Good Luck,
Edward S.
Was this
answer
helpful?
Yes
No
Wednesday, July 28th, 2010 AT 7:18 PM
Tiny
MIKESLTD2001
  • MEMBER
  • 17 POSTS
OK Here is some updated info. I have tested the HID lights further and found that one of the ballasts had gone bad. I moved it to the other side and the dead headlight moved. So now the one headlight out has nothing to do with the problem. My guess is that when the ballast went out it may have caused these other problems? I have both of the ballasts out and I am in the process of removing the other parts of the HID setup. So now the problem remains that my signals work fine with the headlights off but if I turn the running lights or the headlights on, the left turn signal indicator lights up and the left turn signals front and back stay lit constantly.

Mike
Was this
answer
helpful?
Yes
No
Saturday, July 31st, 2010 AT 10:02 AM
Tiny
EDWARD.S
  • MECHANIC
  • 166 POSTS
Hi, Looking at Diagram three. Look At Joint Connector Three At left side Of dash. Also Look At column switch, These two wires Leading down to Joint connector Three. Orange/blue wire and Green/white wire. See If these Wires Are Fused Together Somewhere Along The way. Also Look for Fused wires At that Joint Connector three.

Hope This Helps You,
Good Luck
Edward S.
Was this
answer
helpful?
Yes
No
Saturday, July 31st, 2010 AT 7:05 PM
Tiny
MIKESLTD2001
  • MEMBER
  • 17 POSTS
The wiring diagrams that you sent in your response are very small and when I enlarge them I cannot read them. Are you able to send them to me via email. My email address is
mkassoc1@hotmail. Com

I think you can do it on this site also using the "upload and insert picture"

Thanks
Mike
Was this
answer
helpful?
Yes
No
Sunday, August 1st, 2010 AT 5:29 PM
Tiny
MIKESLTD2001
  • MEMBER
  • 17 POSTS
As far as I can tell, those wires are fine. This circuit goes through the ETACS ECU. Do you think that this could be the problem? It says it is under the drivers dash but I cannot seem to locate it. I see the relays and it says it is behind those but the relay board does not seem to be removable.

Mike
Was this
answer
helpful?
Yes
No
Sunday, August 1st, 2010 AT 6:08 PM
Tiny
EDWARD.S
  • MECHANIC
  • 166 POSTS
Hi, I sent them To you Via Email.I don't see any Ecu on My Diagram.

Hope This Helps You,
Edward S.
Was this
answer
helpful?
Yes
No
Monday, August 2nd, 2010 AT 5:29 AM
Tiny
MIKESLTD2001
  • MEMBER
  • 17 POSTS
I got the diagrams fine. These are nothing like mine. I have the Mitsubishi shop manual set and my drawings are quite different. I noticed that your drawing said Montero Sport but mine is a regular Montero LTD.
Was this
answer
helpful?
Yes
No
Monday, August 2nd, 2010 AT 8:48 PM

Please login or register to post a reply.