Turn signal not working

Tiny
DAYLANI
  • MEMBER
  • 1997 MITSUBISHI MONTERO
  • 6 CYL
  • 4WD
  • AUTOMATIC
  • 120,000 MILES
My left turn signal will not turn on. My hazard lights however do work. How do I fix this problem?
Friday, February 6th, 2009 AT 11:08 AM

3 Replies

Tiny
BLUELIGHTNIN6
  • MECHANIC
  • 16,542 POSTS
Hello,

Suspect faulty turn signal flasher. It is located in the front seating area, driver side, under dash, mounted on upper part of fuse block on kick panel. If flasher is okay, signal switch will need replaced on steering column.

Thanks for using 2CarPros. Com!
Was this
answer
helpful?
Yes
No
+1
Friday, February 6th, 2009 AT 12:29 PM
Tiny
99MONTEROSPORT
  • MEMBER
  • 1 POST
1998 Montero Sport LS.
I have checked the bulbs, I have changed the relays and the turn signal switch and my turn signals still don't work. What is the issue?
Was this
answer
helpful?
Yes
No
+2
Thursday, April 30th, 2020 AT 10:48 PM
Tiny
KEN L
  • MASTER CERTIFIED MECHANIC
  • 55,227 POSTS
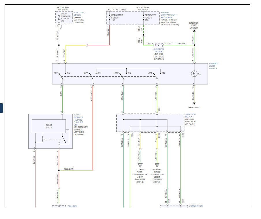
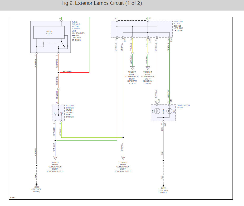
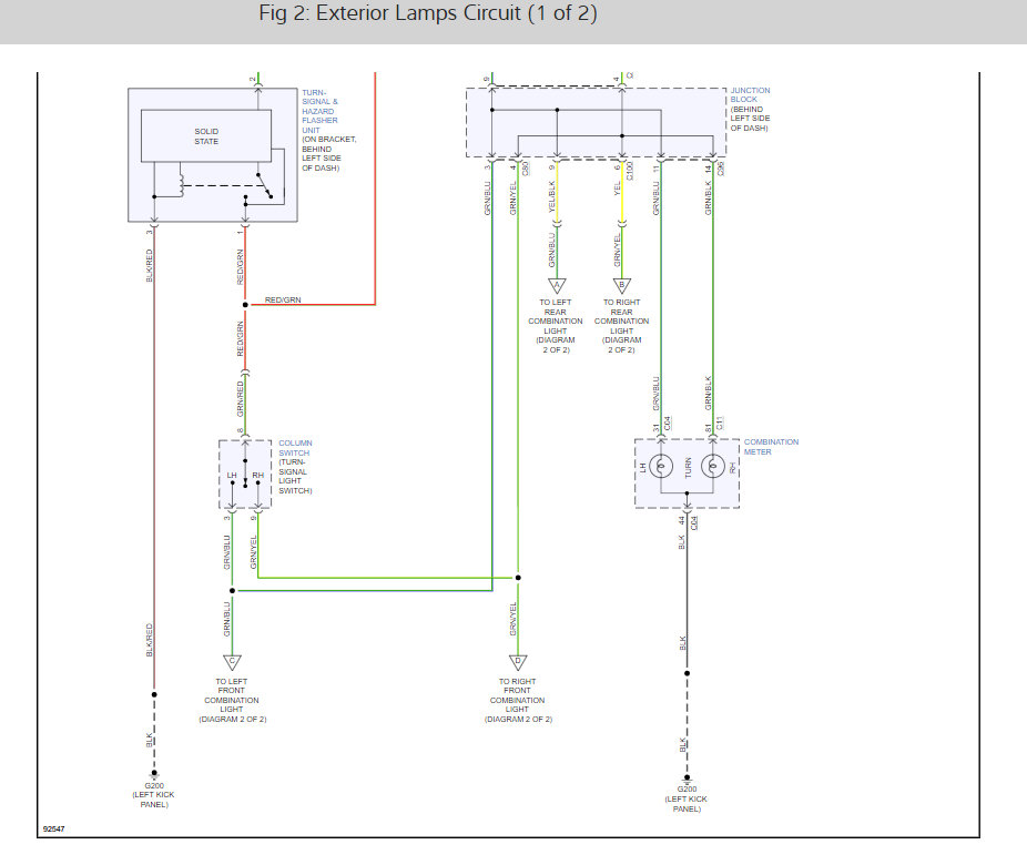
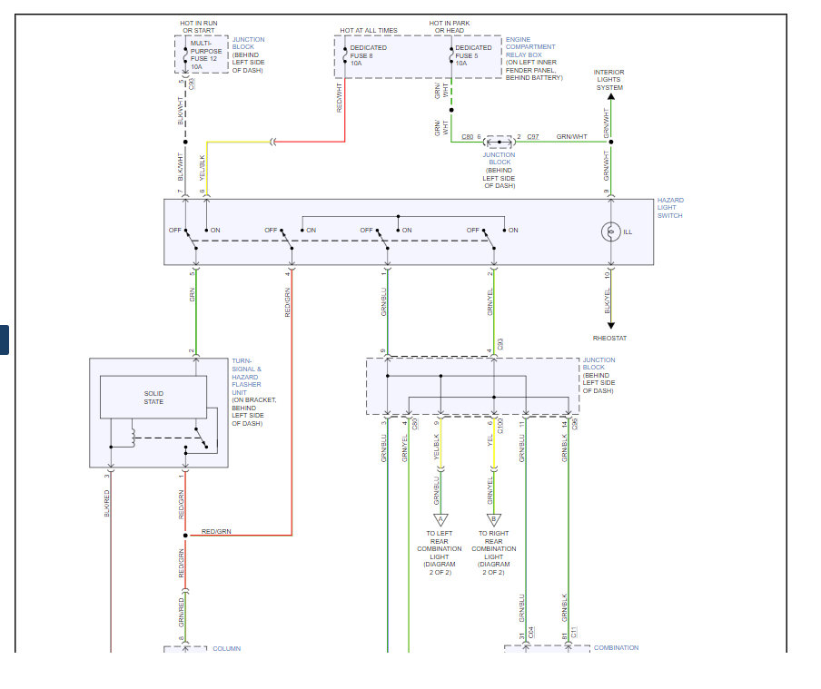
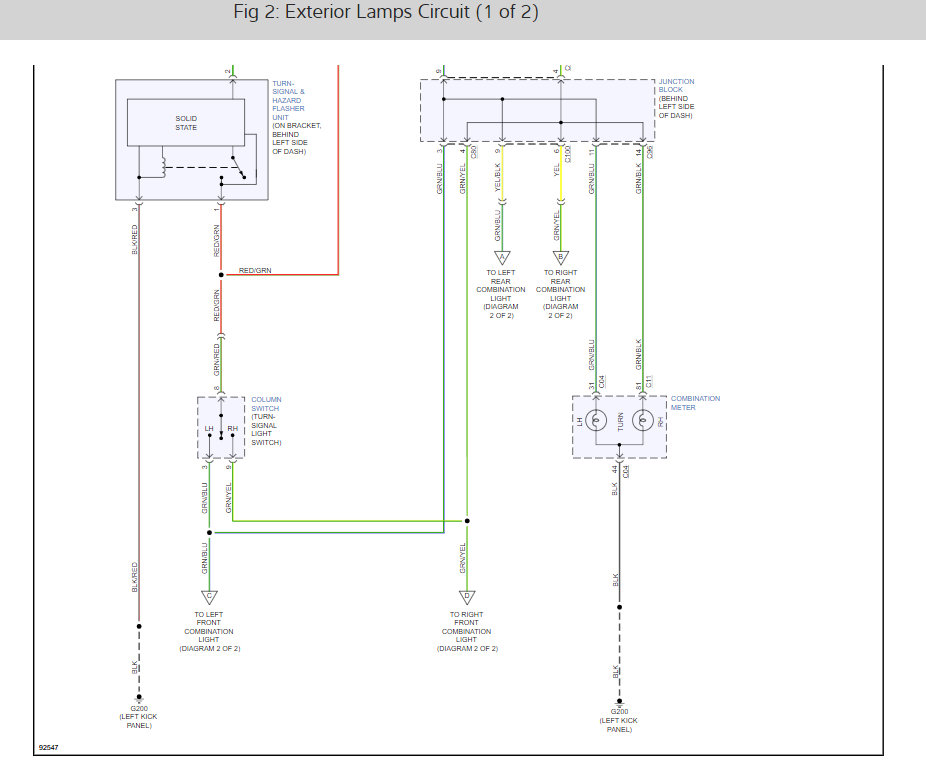
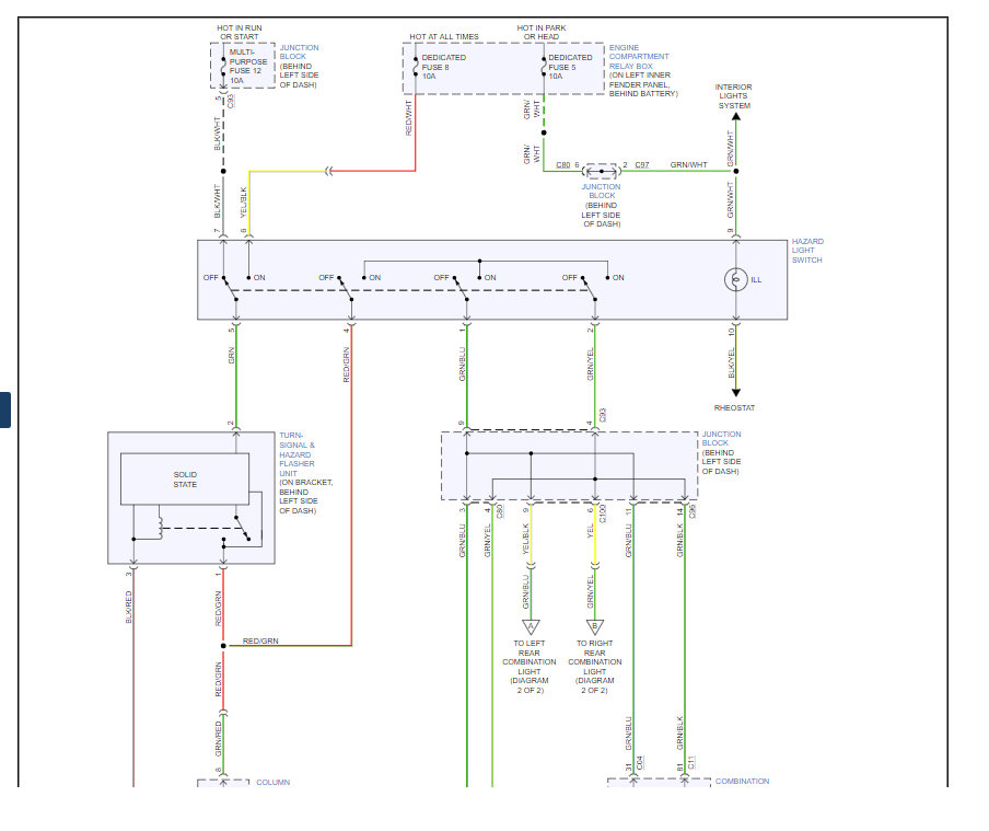
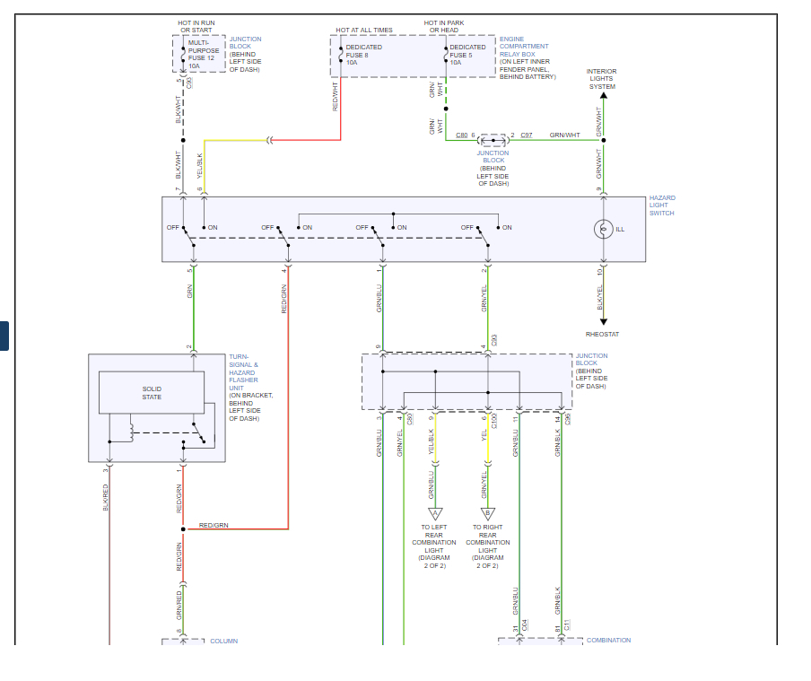
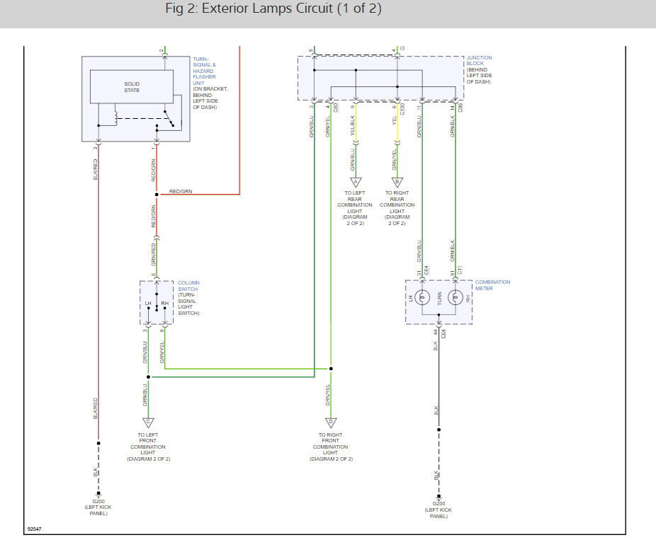
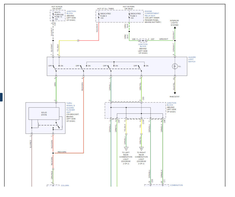
It sounds like you lost power or ground. here is the wiring diagrams so you can see how the system works and which wires to test. I would test through the flasher they go out all the time.

https://www.2carpros.com/articles/how-to-use-a-test-light-circuit-tester

Check out the diagrams (below). Please let us know what happens.

Was this
answer
helpful?
Yes
No
+1
Friday, May 1st, 2020 AT 10:50 AM

Please login or register to post a reply.