Flasher location please

Tiny
BUDDY WRIGHT
  • MEMBER
  • 2000 LINCOLN NAVIGATOR
  • 200,000 MILES
No blinkers where is the flasher for the blinkers located?
Saturday, January 7th, 2012 AT 11:12 PM

7 Replies

Tiny
WRENCHTECH
  • MECHANIC
  • 20,761 POSTS
It's under the dash near the steering column.
Was this
answer
helpful?
Yes
No
+5
Sunday, January 8th, 2012 AT 12:05 AM
Tiny
MIKE SUP
  • MEMBER
  • 1 POST
  • 2001 LINCOLN NAVIGATOR
  • 85,000 MILES
Turn signals do not work I was told it could be either a fuse or the flasher relay Any other suggestions if that does not work
Was this
answer
helpful?
Yes
No
+1
Sunday, July 28th, 2019 AT 11:47 AM (Merged)
Tiny
KENSMO
  • MEMBER
  • 1 POST
  • 1998 LINCOLN NAVIGATOR
Electrical problem V8 Four Wheel Drive Automatic 109000 miles

All of my turn signals just stopped working. Is there a fuse for this and if so, where exactly is it located in the fuse box? If it's not the fuse, what could be the problem?
Was this
answer
helpful?
Yes
No
+4
Sunday, July 28th, 2019 AT 11:47 AM (Merged)
Tiny
2CARPRO JACK
  • MECHANIC
  • 11,533 POSTS
Hello,

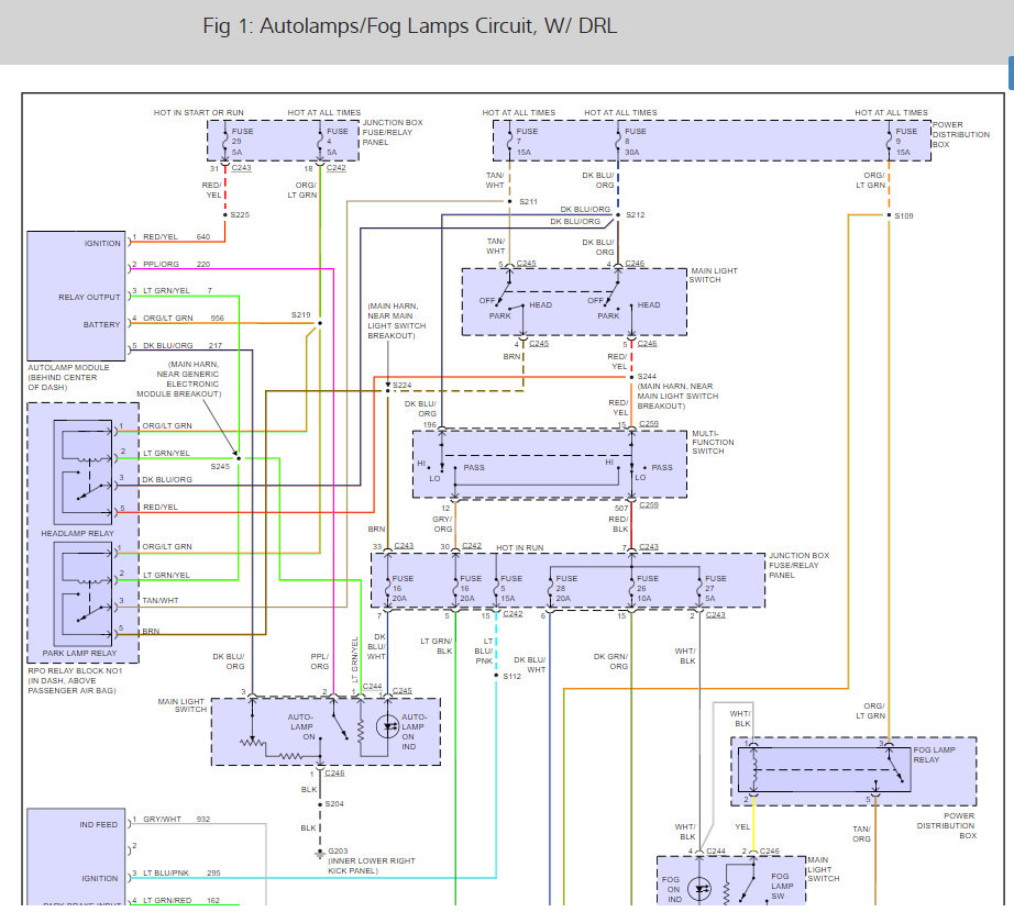
There is a relay and fuses that need to be checked to see whats going on. Here are guides the headlight wiring diagrams and fuse locations to help you get the job done.

https://www.2carpros.com/articles/how-to-check-a-car-fuse

and

https://www.2carpros.com/articles/how-to-check-an-electrical-relay-and-wiring-control-circuit

Check out the diagrams (Below)

Please run some tests and get back to us.

Cheers
Was this
answer
helpful?
Yes
No
+5
Sunday, July 28th, 2019 AT 11:47 AM (Merged)
Tiny
KENSMO
  • MEMBER
  • 1 POST
It was the relay thanks for your help saved me cash for sure I love this site.
Was this
answer
helpful?
Yes
No
Sunday, July 28th, 2019 AT 11:47 AM (Merged)
Tiny
MHERRINGTON1983
  • MEMBER
  • 1 POST
  • 1999 LINCOLN NAVIGATOR
  • 5.4L
  • V8
  • 2WD
  • AUTOMATIC
  • 345,000 MILES
Vehicle: 1999 Lincoln navigator

original problem: turn signal intermittent problems. Would turn it on and it would blink a few times and either stop all together or "stick" on.

Action: I replaced the multi-function switch.

Current problem: after replacing the multifunction switch, there are now a couple problems. The rear flasher (only the rear) constantly blink. They do stop blinking when I either 1) hit the brakes 2) turn the right or left turn signal on. When I turn the left turn signal on, it works fine. When I turn the right signal on, it only works find as long as I do hit the brakes. As soon as I hit the brakes, it "sticks" on

action: I replaced the turn signal flasher (relay). This didn't make a difference. I still have the same problem.

Any thoughts?
Was this
answer
helpful?
Yes
No
Sunday, July 28th, 2019 AT 11:47 AM (Merged)
Tiny
HMAC300
  • MECHANIC
  • 48,601 POSTS
A local guy would have tolook at this it may be a problem with the switch you installed or I fyou have a trailer wiring it may be in there.
Was this
answer
helpful?
Yes
No
-2
Sunday, July 28th, 2019 AT 11:47 AM (Merged)

Please login or register to post a reply.