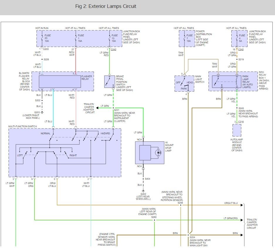
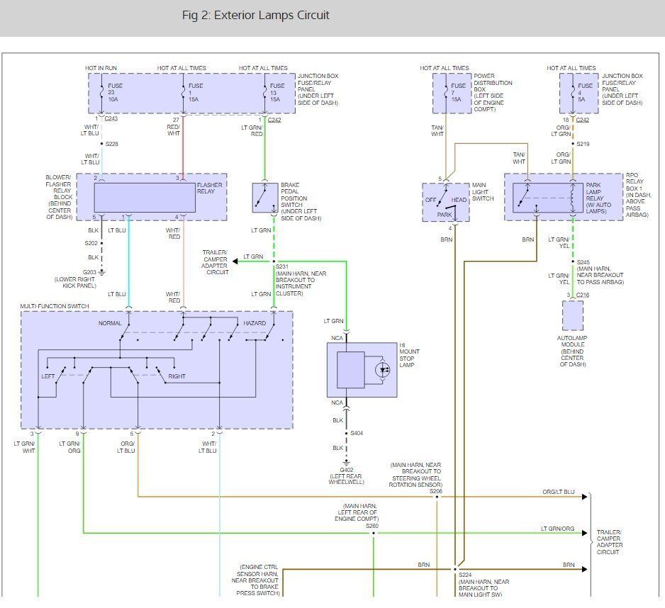
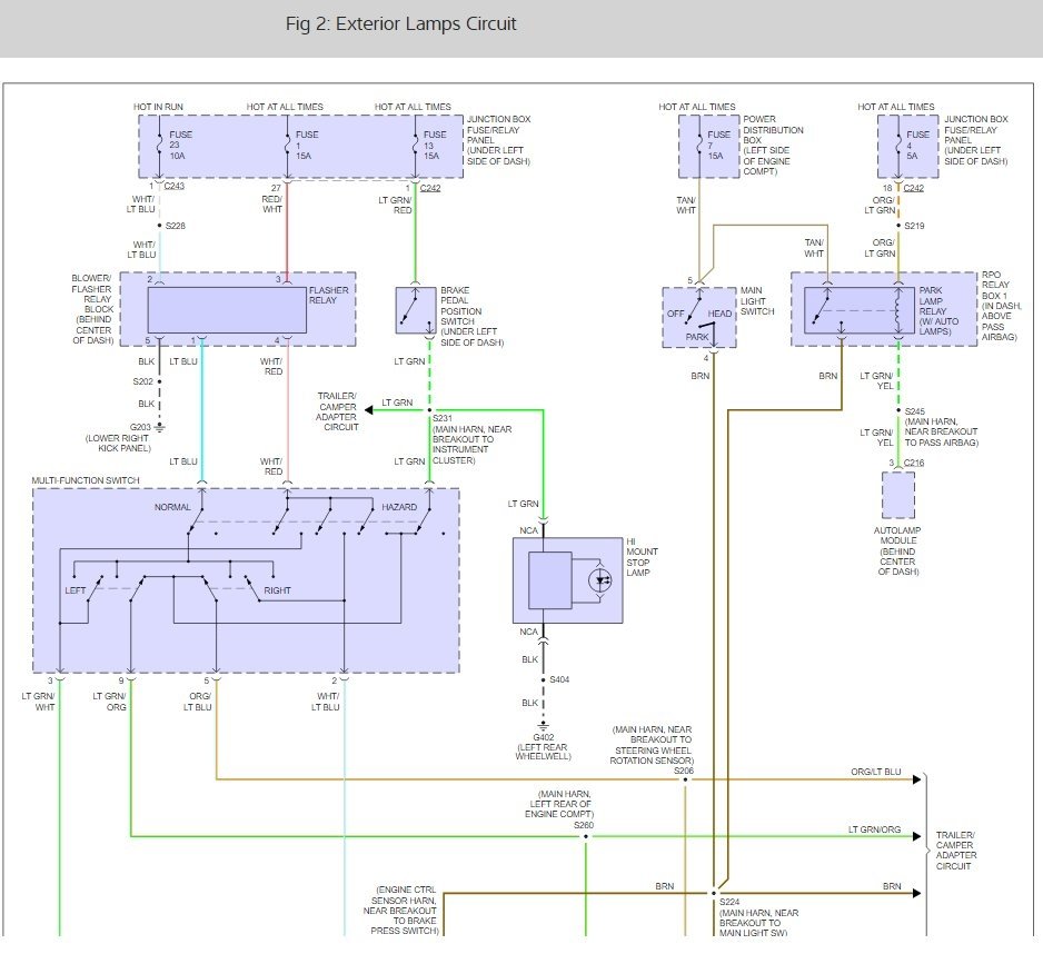
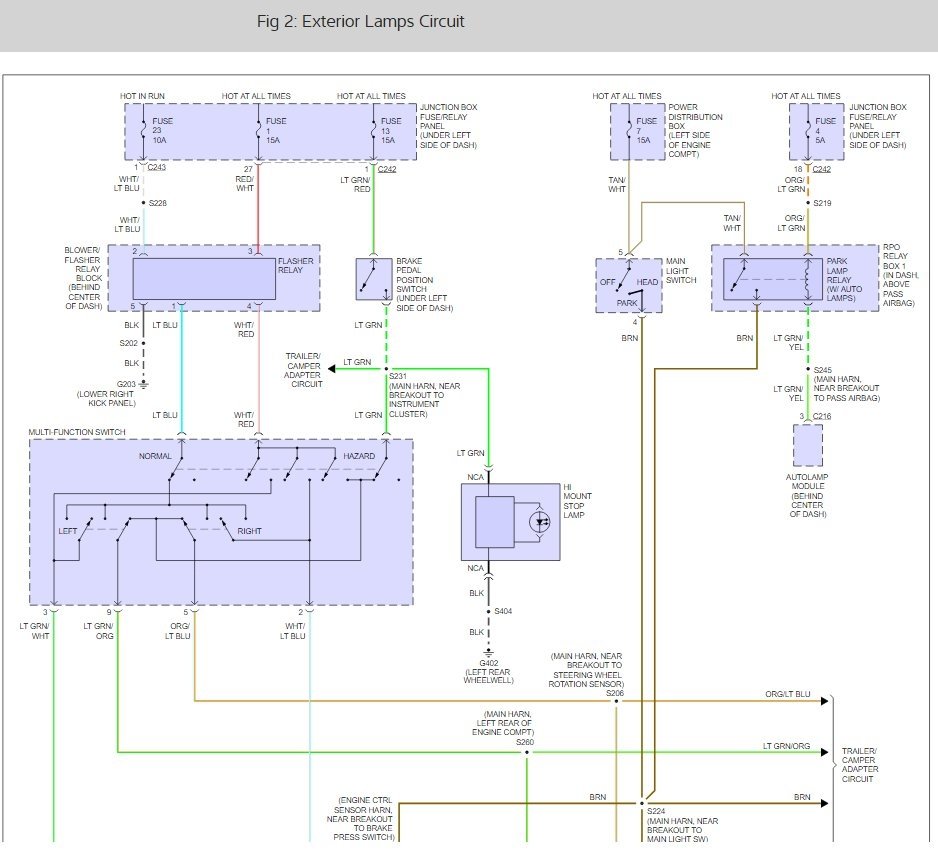
Friday, June 23rd, 2017 AT 8:08 PM
When I turn on my right turn signal every once in a while the hazard lights turn on then the taillights are fading and my right turn signal in my dash does not work. If anyone knows what this is please help!



