HOME
ASK A QUESTION
REPAIR GUIDES
BECOME A MEMBER
LOG IN
Login with Facebook
OR
Remember me
NOT A MEMBER?
FORGOT PASSWORD?
CONTACT US
PRIVACY POLICY
TERMS AND CONDITIONS
☰
Home
Infiniti
Q45
Engine
Starter
Replace/Remove
Starter replacement
ANONYMOUS
MEMBER
2000 INFINITI Q45
140,000 MILES
How to remove and replace the starter on my car? Can you please help me. I love this site.
Monday, December 31st, 2012 AT 12:40 AM
1 Reply
KEN L
MASTER CERTIFIED MECHANIC
55,522 POSTS
You will need to disconnect the battery and raise the car up safely. Here are a couple of guides to help you get the job done.
https://www.2carpros.com/articles/how-to-replace-a-car-battery
and
https://www.2carpros.com/articles/jack-up-and-lift-your-car-safely
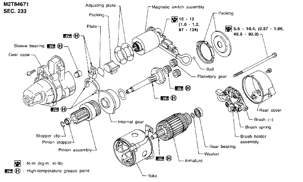
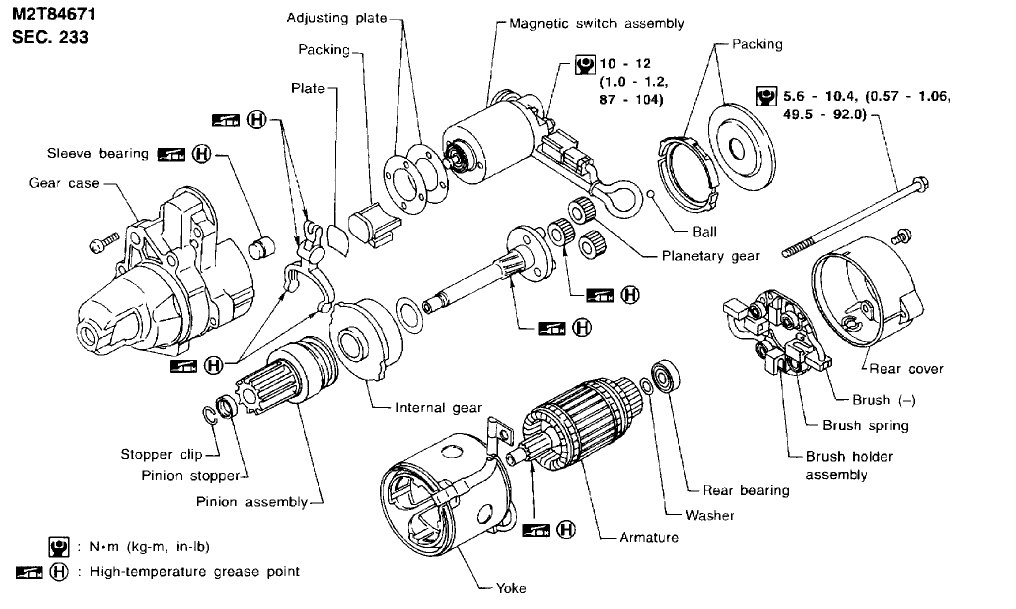
Next the starter is a little tight to get out but hang in there and you can do it. Here is another guide to show you what you are in for when doing the job. Also some diagrams (below). The starter must come out from the bottom.
https://www.2carpros.com/articles/how-to-replace-a-starter-motor
Here is the Denso starter on Amazon for 176.00
https://www.amazon.com/gp/product/B000PWWM2M/ref=as_li_qf_sp_asin_il_tl?ie=UTF8&tag=2carprcom-20&camp=1789&creative=9325&linkCode=as2&creativeASIN=B000PWWM2M&linkId=d8f3bf98a824f09eeec4d28850ad7fa2
Please let us know if you need anything else to get the problem fixed.
Cheers, Ken
Images (Click to make bigger)
Was this
answer
helpful?
Yes
No
Tuesday, September 19th, 2017 AT 1:21 PM
Please
login
or
register
to post a reply.
Related Starter Replace/Remove Content
Had All Four Belts Replaced In October, But Now I...
Had All Four Belts Replaced In October, But Now I Crunk Up Left Work And My Battery And Brake Light Came On. By The Time I Got Home Looked...
Asked by
Anonymous
·
1 ANSWER
2000
INFINITI Q45
VIDEO
Starter Replacement
Instructional repair video
GUIDE
Starter Motor Replacement
A starter motor is a high torque motor that utilizes a small pinion gear to contact the flywheel and a starter solenoid to initiate the electrical connection when the...
Correct Name For Part
I Have A 1994 Infiniti Q45 And Is This Fuel Injector Wiring Harness The Correct Part Name? I'm Having A Hard Time Searching And Locating...
Asked by
plampkin
·
8 ANSWERS
7 IMAGES
1994
INFINITI Q45
Timing Belt
Where Is The Belt Located?
Asked by
David Blount
·
3 ANSWERS
1995
INFINITI Q45
1998 Infiniti Q45 - Trouble Accelerating Past 40 Mph...
I Have An 1998 Infiniti Q45. Today, As I Was Getting Off The Highway Onto An Exit Ramp My Car Started To Jerk. I Had Sloweddown To 40 Mph...
Asked by
cardigramz
·
9 ANSWERS
1998
INFINITI Q45
Hi Could U Please Tell Me What Oxygen Sensors I Need...
Hi Could U Please Tell Me What Oxygen Sensors I Need To Purchase For My Vehicle Thank U
Asked by
paulette2013
·
4 ANSWERS
1999
INFINITI Q45
VIEW MORE
Ask a Car Question. It's Free!
Starter Replacement
Starter Replacement
Starter Motor Replacement