Passenger Side Power Window Does Not Respond to Switches

Tiny
JIMMER24
  • MEMBER
  • 16 POSTS
Just tested blue wire with black stripe on passenger side PW switch connector and it registered 12.4 volts with ignition in on position. Will now test the other 2 wires with switch attached.
Was this
answer
helpful?
Yes
No
+1
Monday, March 11th, 2019 AT 5:12 PM
Tiny
SATURNTECH9
  • MECHANIC
  • 30,869 POSTS
Alright keep me posted.
Was this
answer
helpful?
Yes
No
Monday, March 11th, 2019 AT 5:12 PM
Tiny
JIMMER24
  • MEMBER
  • 16 POSTS
I was able to put the pointer of the multimeter into the wire slot for both wires to check voltage for up and down commands.
Here are the results:

1. Blue Wire with White Stripe registered 12.25 volts while in down position AND at rest.

2. Blue Wire with Yellow Stripe registered 12.25 volts while in up position AND at rest.
Was this
answer
helpful?
Yes
No
Monday, March 11th, 2019 AT 5:12 PM
Tiny
JIMMER24
  • MEMBER
  • 16 POSTS
Do I need to test any specific wires on the master switch while it's connected and get a reading while the passenger PW lever is engaged up and down?
Was this
answer
helpful?
Yes
No
Monday, March 11th, 2019 AT 5:12 PM
Tiny
SATURNTECH9
  • MECHANIC
  • 30,869 POSTS
Were still on the passenger side switch if the blue wire with a white strioe and the blue wire with a yellow stripe both had power without operating the switch then those werent the switch output wires.I posted a wire diaqgram to show you where the correct wires are. Pins 1 and pins 4 on the connector. It shows those two colors going to the motor in the diqagram.
Was this
answer
helpful?
Yes
No
+1
Monday, March 11th, 2019 AT 5:12 PM
Tiny
JIMMER24
  • MEMBER
  • 16 POSTS
Thanks for the schematic. Will check again.
Was this
answer
helpful?
Yes
No
Monday, March 11th, 2019 AT 5:12 PM
Tiny
SATURNTECH9
  • MECHANIC
  • 30,869 POSTS
Your welcome keep me posted.
Was this
answer
helpful?
Yes
No
Monday, March 11th, 2019 AT 5:12 PM
Tiny
JIMMER24
  • MEMBER
  • 16 POSTS
Well - the mystery is over. The original PW switches that I thought were permanently fried by the rain have completely dried out and now work. The used ones I bought were discovered to be 20002 versions rather than 2000. Turned out to be incompatible with tmy 2000 wiring. Please accept my apology for this snafu. Your time is precious and I feel bad that I wasted it. On the bright side, I learned a lot about testing wires via the multimter and I owe you thanks for tgat new knowledge. Best Always, Jimmer24
Was this
answer
helpful?
Yes
No
Monday, March 11th, 2019 AT 5:12 PM
Tiny
SATURNTECH9
  • MECHANIC
  • 30,869 POSTS
Your welcome thats what were here for dont feel bad even the pros can make compatibiity mistakes. Glad to hear you got it fugured out though.
Was this
answer
helpful?
Yes
No
Monday, March 11th, 2019 AT 5:12 PM
Tiny
JSTNKBOARD
  • MEMBER
  • 1 POST
Hey guys, I know this was discussed in 2012, but I was wondering about mine as well, altough mine is a 2002, but same problem no CTRL via passenger/driver CTRL window switches. Thanks in advance
Was this
answer
helpful?
Yes
No
Monday, March 11th, 2019 AT 5:12 PM
Tiny
KEN L
  • MASTER CERTIFIED MECHANIC
  • 55,297 POSTS
Hello,

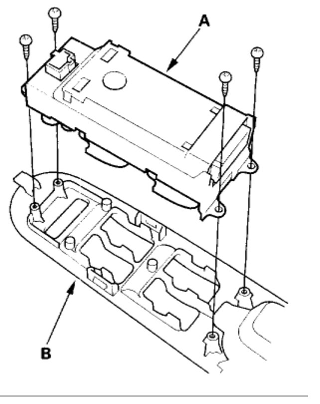
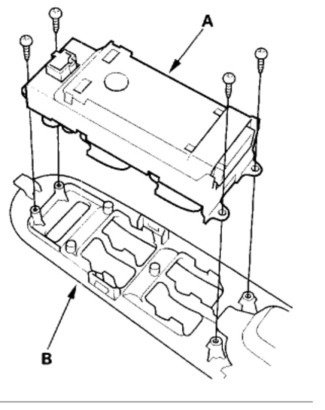
It sounds like the main switch (drivers side) is out which controls the entire system. Here is a guide that will help you see what you are in for when changing the switch.

https://www.2carpros.com/articles/electric-window-repair

and

https://youtu.be/HBFBcJrdym4

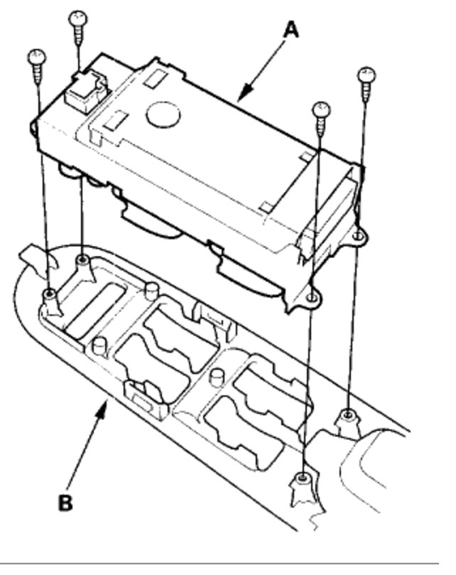
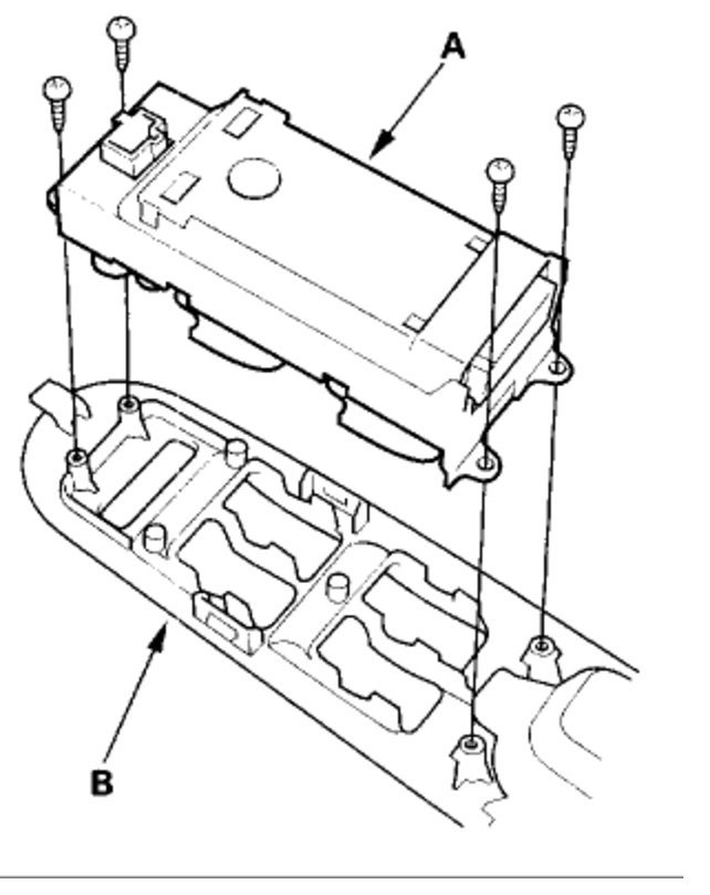
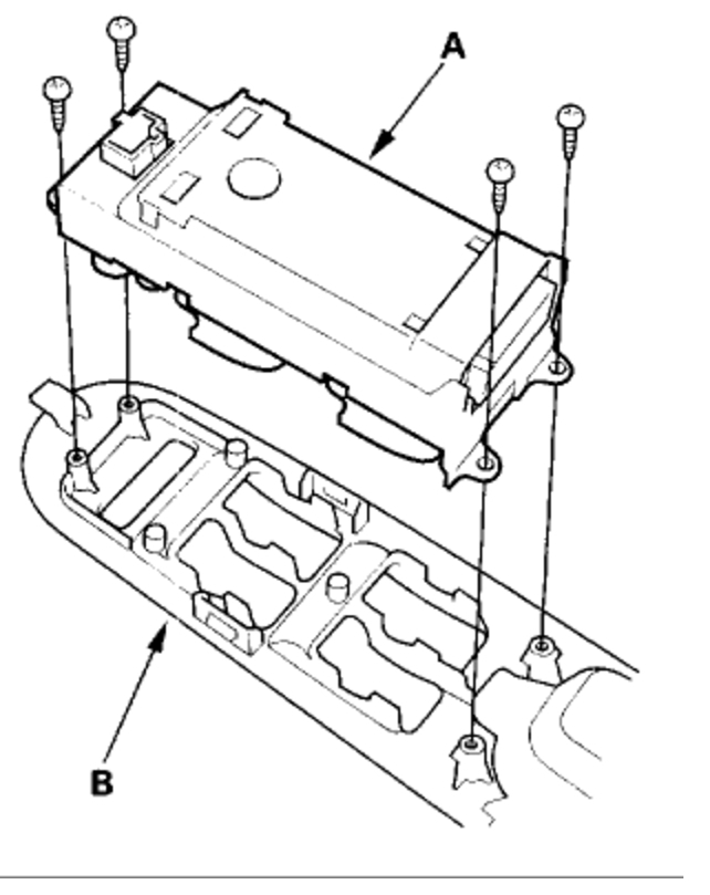
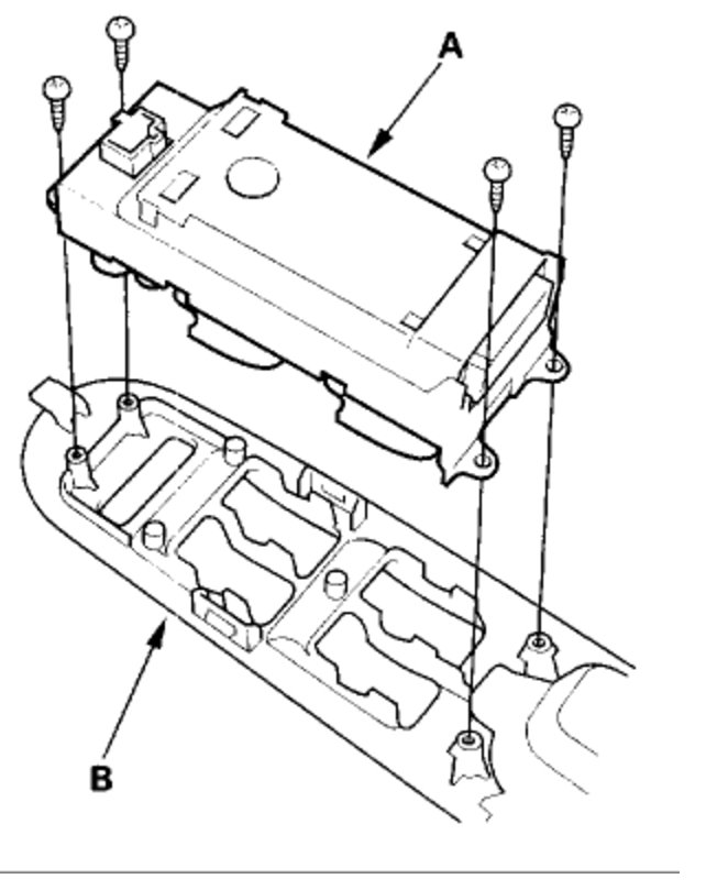
Here are some diagrams (below)

Please let us know what happens, we are interested to see what it is.

Cheers, Ken
Was this
answer
helpful?
Yes
No
+2
Monday, March 11th, 2019 AT 5:12 PM

Please login or register to post a reply.