Sunday, October 31st, 2021 AT 12:15 PM
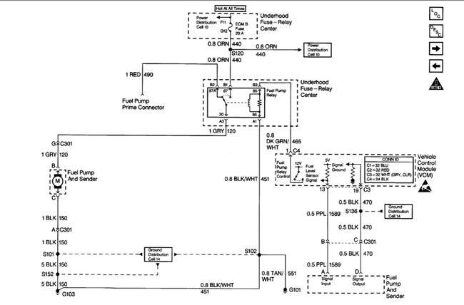
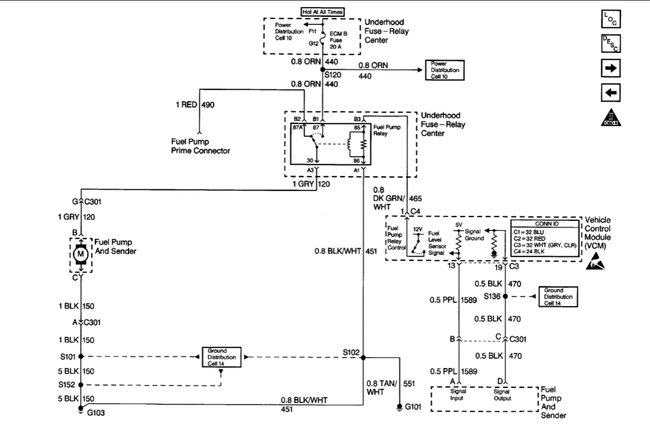
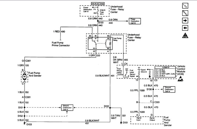
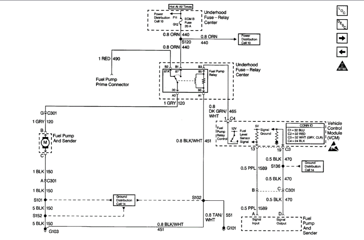
Vehicle listed above is a 3500.I recently installed a new fuel pump and it has run for a few hundred miles. My guy was driving it and pulled to make a right turn, the engine stopped, and all systems stopped. I was able to start it with starting spray, but it wouldn't run without the spray. Suspected maybe a bad pump and bought a new one to try. No power to the pump. Tired scanning and it won't connect. Checked for spark and no spark. I have replaced the fuel pressure regulator because prior to the original fuel pump replacement the fuel would bleed back to the tank, and it would take forever to bring the fuel pressure back up. I have changed the relay and checked every fuse and diode with all being okay. I have confirmation of ground to the pin A1 The engine Control Module Ground to the block. I don't have power to pin B1 which is the fuse output battery. I have 12 volts to the all the fuses in the box under the hood. I don't know where else to look or what it could be.













