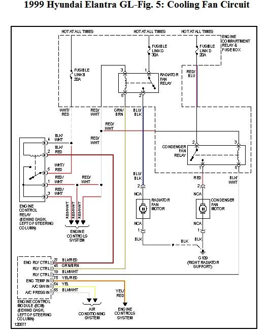
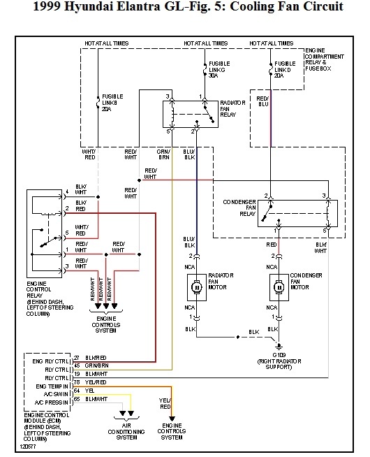
Friday, September 27th, 2013 AT 11:44 AM
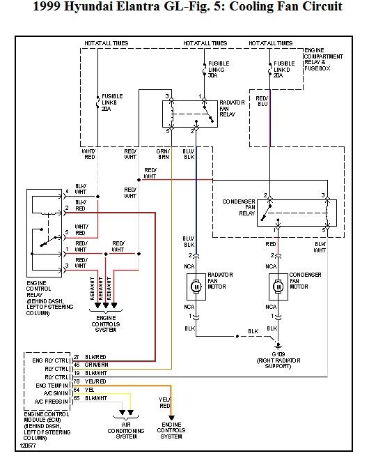
I have a 99 hyndai elantra and it keeps overheating. I changed the water pump, radiator, thermostat, even took the thermostat out and ran it like that. Any suggestions? Bottom rad hose is still cold also.


