No starter? It is not cranking the engine over?

Tiny
CIVICCHIC78
  • MEMBER
  • 4 POSTS
  • 1998 HONDA CIVIC
  • 4 CYL
  • FWD
  • MANUAL
  • 135,000 MILES
I have a civic that wont start. When you turn it over it does nothing. I replaced the ignition switch and still nothing. I bypassed the clutch safety switch and still nada. I can use a wire to go from the starter to the battery and it will crank up. Any help would be great.
Was this
answer
helpful?
Yes
No
Monday, January 4th, 2021 AT 11:45 AM (Merged)
Tiny
RASMATAZ
  • MECHANIC
  • 75,992 POSTS
Your probable causes here could be the security control unit,security starter cut relay, and starter cut relay


https://www.2carpros.com/forum/automotive_pictures/12900_honda_3.jpg

Was this
answer
helpful?
Yes
No
Monday, January 4th, 2021 AT 11:45 AM (Merged)
Tiny
CIVICCHIC78
  • MEMBER
  • 4 POSTS
Is there a place where I can print that pic out that might be bigger and how do I test them?
Was this
answer
helpful?
Yes
No
Monday, January 4th, 2021 AT 11:45 AM (Merged)
Tiny
RASMATAZ
  • MECHANIC
  • 75,992 POSTS
Give me your email addy and I'll send thru there-you can swap relays with like ones testing it requires a multimeter and basic knowledge of electrical /electronic skills
Was this
answer
helpful?
Yes
No
Monday, January 4th, 2021 AT 11:45 AM (Merged)
Tiny
CIVICCHIC78
  • MEMBER
  • 4 POSTS
Thanks a bunch. Civicchic78@gmail. Com
Was this
answer
helpful?
Yes
No
Monday, January 4th, 2021 AT 11:45 AM (Merged)
Tiny
RASMATAZ
  • MECHANIC
  • 75,992 POSTS
Your diagram just left a few secs ago -Good Luck
Was this
answer
helpful?
Yes
No
Monday, January 4th, 2021 AT 11:45 AM (Merged)
Tiny
CIVICCHIC78
  • MEMBER
  • 4 POSTS
I havent recieved it yet. Can you try and send it again. Civicchic78@gmail. Com
Was this
answer
helpful?
Yes
No
Monday, January 4th, 2021 AT 11:45 AM (Merged)
Tiny
DSETDEWEY
  • MEMBER
  • 1 POST
  • 1998 HONDA CIVIC
  • 4 CYL
  • FWD
  • AUTOMATIC
  • 127,000 MILES
Sometimes my car will not start in park or neutral.
Will start by moving the gear shift to neutral and back to park sometimes starts in park sometimes starts in neutral, sometimes not at all.
Told by mechanic that it is a switch where the gear shift is located. Not sure if that is it and if so how do I check that?
Was this
answer
helpful?
Yes
No
Monday, January 4th, 2021 AT 11:45 AM (Merged)
Tiny
RASMATAZ
  • MECHANIC
  • 75,992 POSTS
You should be picking it up any secs now
Was this
answer
helpful?
Yes
No
Monday, January 4th, 2021 AT 11:45 AM (Merged)
Tiny
KHLOW2008
  • MECHANIC
  • 41,814 POSTS
Hi dsetdewey,

A/T gear position Switch is located under the console of the gear shift. If the switch is bad, the gear position indicator in the meter would not indicate when ignition is turned on.

This switch seldom fails for Honda vehicles and less likely to fail for both park and neutral simultaneousy. Do you need to wiggle the gear shift to get the indicators in dash to illuminate? If yes, the cable couldbe out of adjustment.
Was this
answer
helpful?
Yes
No
Monday, January 4th, 2021 AT 11:45 AM (Merged)
Tiny
BILL E FAULKNER
  • MEMBER
  • 1 POST
  • 1998 HONDA CIVIC
  • 250,000 MILES
Replaced starter will not crank. Starter is good.
Was this
answer
helpful?
Yes
No
Monday, January 4th, 2021 AT 11:45 AM (Merged)
Tiny
HMAC300
  • MECHANIC
  • 48,601 POSTS
If battery is good and has been tested then try a security system reset. if this car uses key try another key not a new one. See link.
https://www.2carpros.com/articles/how-to-reset-a-security-system
Was this
answer
helpful?
Yes
No
Monday, January 4th, 2021 AT 11:45 AM (Merged)
Tiny
MALAGUGURL
  • MEMBER
  • 3 POSTS
  • 1998 HONDA CIVIC
  • 1,230,000 MILES
Honda civic 98 lx automatic wont start? Jump it it still wont start has a click sound when u try to start it
Was this
answer
helpful?
Yes
No
Monday, January 4th, 2021 AT 11:46 AM (Merged)
Tiny
BMRFIXIT
  • MECHANIC
  • 19,053 POSTS
Suspect and check the starter
Was this
answer
helpful?
Yes
No
Monday, January 4th, 2021 AT 11:46 AM (Merged)
Tiny
CAVAN. JAGO
  • MEMBER
  • 1 POST
  • 1998 HONDA CIVIC
  • 1.6L
  • 2WD
  • AUTOMATIC
  • 86,000 MILES
Parked up to pop into my local shop, when I came out the car wouldn't start. Turned the key and no clicking from the starter. Checked battery charge which was low so put new battery on, still nothing! Ran wire from battery to starter, this time engine turned over. But still didn't fire up!
Couldn't see any blown fuses, my friend said he can hear the fuel pump running. Any ideas what else we can try? I don't want the expense of towing to a garage then the fees or calling out a mobile mechanics
Please help
Was this
answer
helpful?
Yes
No
Monday, January 4th, 2021 AT 11:46 AM (Merged)
Tiny
KEN L
  • MASTER CERTIFIED MECHANIC
  • 55,420 POSTS
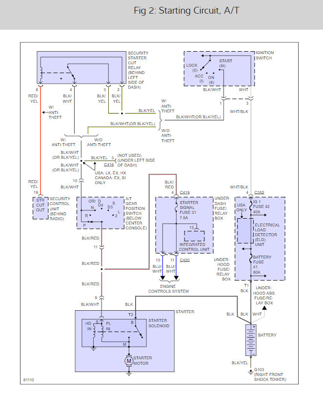
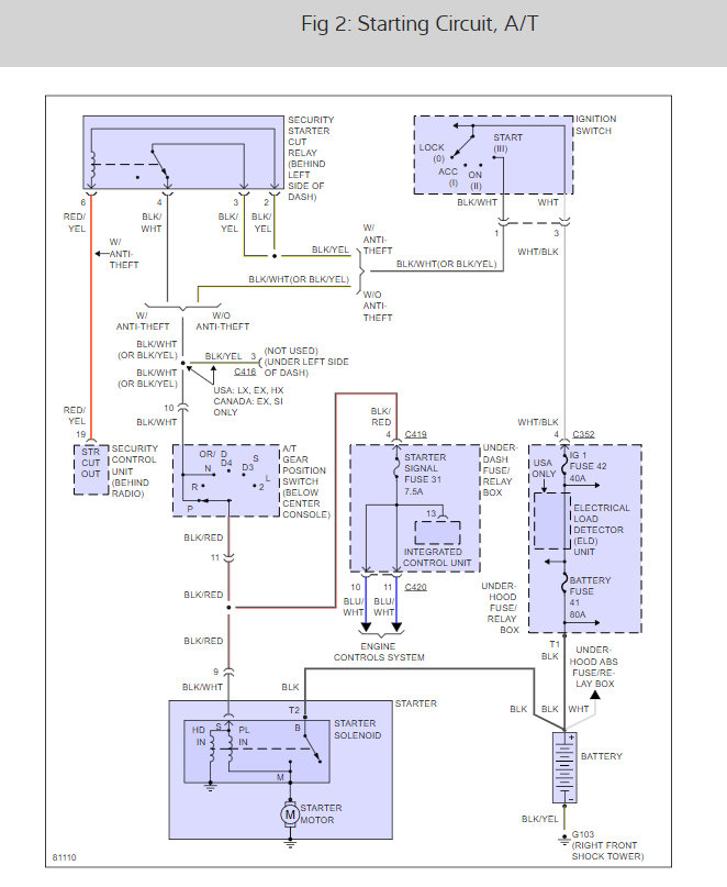
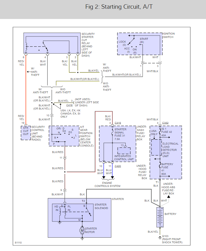
When you hot wire the starter was the ignition key on? It sounds like the starter cut relay is out but to be sure lets use this guide to test it. Also, I have included the starter wiring diagrams so you can see how the system works and a guide to test the starter and relay location as well:

https://www.2carpros.com/articles/how-to-check-an-electrical-relay-and-wiring-control-circuit

and

https://www.2carpros.com/articles/starter-not-working-repair

Check out the diagrams (below). Please let us know what you find. We are interested to see what it is.
Was this
answer
helpful?
Yes
No
Monday, January 4th, 2021 AT 11:46 AM (Merged)

Please login or register to post a reply.