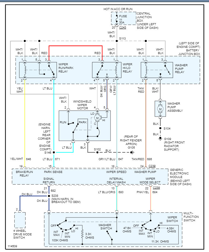
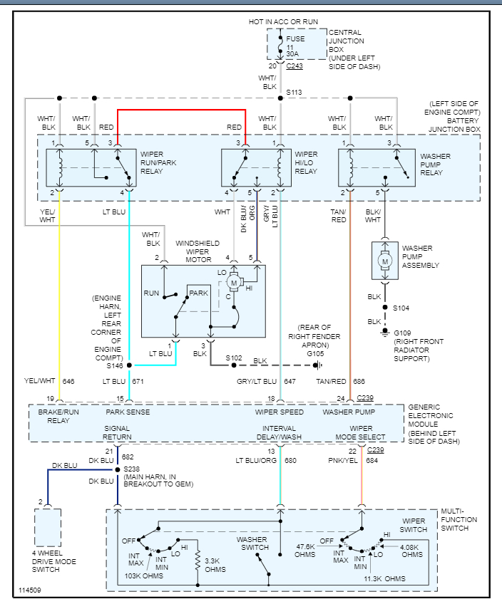
Thursday, January 6th, 2011 AT 1:46 AM
I was trying to figure out what is wrong with my 4 wheel drive I took the switch on the fly switch out and and for some reason thought that I could just cross the connection. When I did that I must have ground it out because. I heard a popping sound and my dome light went out and I lost the use of my power windows and wipers. And also when I shut the truck off the radio will come back on.



