Battery won't charge

Tiny
DOWELLBJT
  • MEMBER
  • 1999 FORD F-250
  • V8
  • 4WD
  • AUTOMATIC
  • 130,000 MILES
I've replaced the alternator on my 1999 Ford F250, I know my battery is good and all visible fuses are good but it still won't charge?
Friday, July 22nd, 2011 AT 2:32 AM

1 Reply

Tiny
KASEKENNY
  • MECHANIC
  • 18,907 POSTS
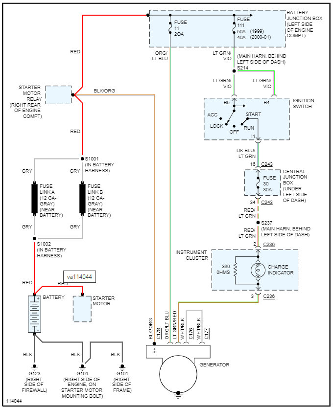
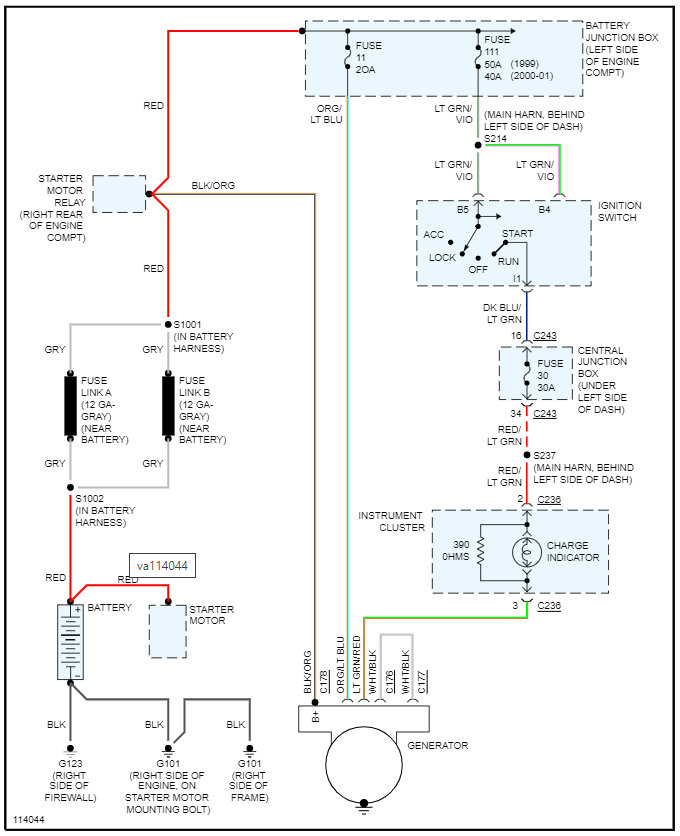
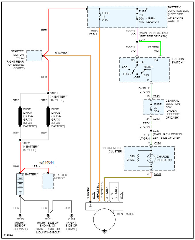
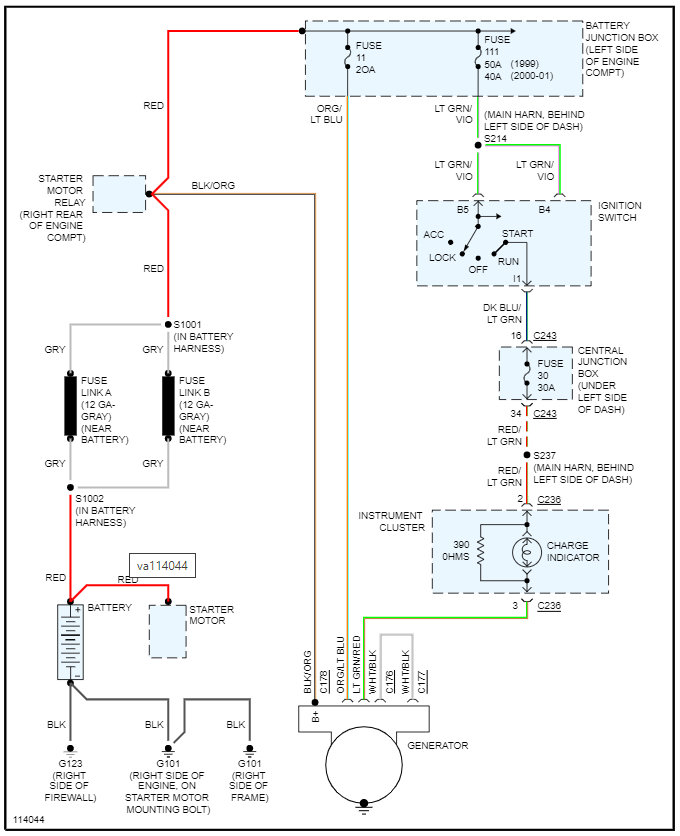
If the alternator is not charging, then we need to check the voltage at each of the pins on the alternator.

Here is a guide that will help with checking the voltage. Along with the wiring diagram below.

https://www.2carpros.com/articles/how-to-check-wiring

You should have 12 volts at the B+ wire and the orange/light blue wire.

I suspect there is an issue with the wiring, but we need to start with making sure you have 12 volts, and we can go from there.

If you don't have 12 volts, then we need to check the resistance of the wiring from the battery to the alternator and make sure the fusible link is not draining the voltage.

This guide shows how to check the resistance:

https://www.2carpros.com/articles/how-to-use-a-voltmeter

The next thing we need to check is if the belt is tight. Sounds basic but it is a common thing to cause under charge conditions.

https://www.2carpros.com/articles/serpentine-belt-tensioner-replacement

Please run through this info and let us know what you find.

Thanks
Was this
answer
helpful?
Yes
No
Monday, February 7th, 2022 AT 3:49 PM

Please login or register to post a reply.