HOME
ASK A QUESTION
REPAIR GUIDES
BECOME A MEMBER
LOG IN
Login with Facebook
OR
Remember me
NOT A MEMBER?
FORGOT PASSWORD?
CONTACT US
PRIVACY POLICY
TERMS AND CONDITIONS
☰
Home
Ford
Five Hundred
Fuel System
Tank
Replace/Remove
Fuel tank on 1999 Ford Taurus
MAXW1441
MEMBER
1999 FORD FIVE HUNDRED
6 CYL
1999 Ford Taurus need to replace the pan mounted below the gas tank, but don't know what it is called so I can order one.
Sunday, June 5th, 2011 AT 6:21 PM
3 Replies
RASMATAZ
MECHANIC
75,992 POSTS
Sounds like you're talking about a skid or protective plate for the fuel tank-
Was this
answer
helpful?
Yes
No
Sunday, June 5th, 2011 AT 6:30 PM
MAXW1441
MEMBER
2 POSTS
Thank you I'll try to locate the part with that description.
Was this
answer
helpful?
Yes
No
Sunday, June 5th, 2011 AT 6:42 PM
BMRFIXIT
MECHANIC
19,053 POSTS
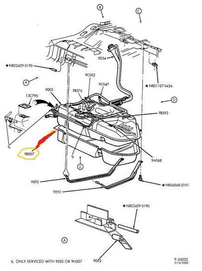
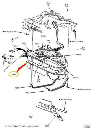
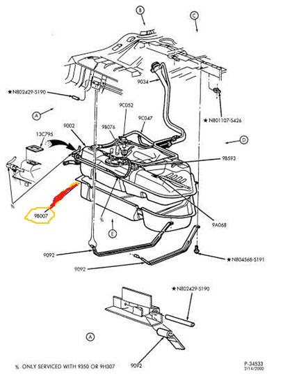
Part Number 9B007
Description Fuel Pump Shield
Image (Click to make bigger)
Was this
answer
helpful?
Yes
No
Tuesday, June 7th, 2011 AT 10:34 AM
Please
login
or
register
to post a reply.
Related Fuel System Tank Replace/Remove Content
Motorcraft Carb Linkage
I Have A 70' F-250 3/4 Ton With A Big Block 360, 3 Speed Auto, 2 Wd - Had An Edelbrock 750 Performer On It When I Bought It - Obviously Way...
Asked by
volksnut2074
·
2 ANSWERS
1970
FORD FIVE HUNDRED
Ask a Car Question. It's Free!
Fuel Pump Replacement
Fuel Filter Replacement
Fuel Pump Pressure Test