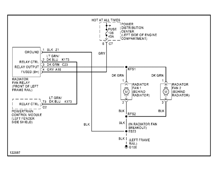
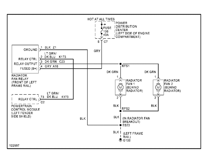
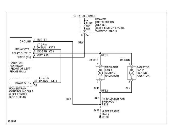
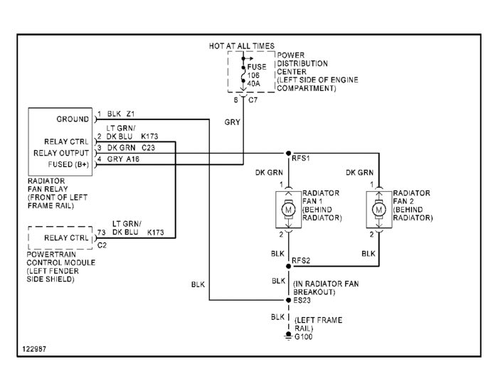
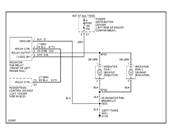
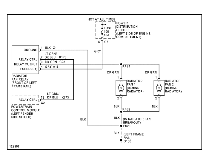
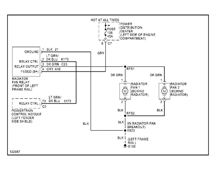
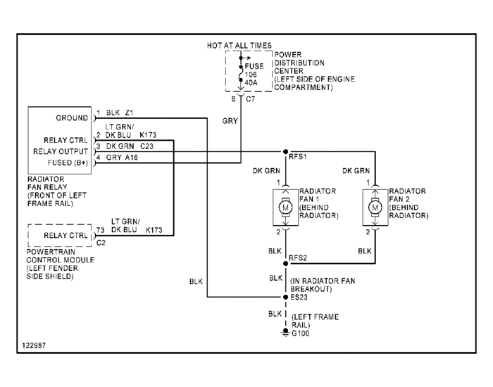
The heat comes out the passenger side just fine, but only cold air blows out the driver side. A/C works normally so I only noticed it when it got cold here. Same thing in auto or manual settings.
I put the heater on manual, 90 degrees and high fan, then directed the airflow out of either the lower vents or the dash vents. Either way, the air coming out of the driver's side vents is unheated. The passenger side is blowing hot air both ways.
I'm thinking that there is a separate heater core on driver's side that is not getting hot water.
Monday, November 15th, 2010 AT 2:47 PM






