Apr 27, 2020 at 12:42 PM
(Merged)
no heater?
1999 BUICK PARK AVENUE
Repair Safety Notice:
This information is for general instructional purposes only. Vehicle repair can be dangerous.
Verify all information, follow manufacturer service procedures, use proper tools and safety equipment,
and consult a qualified repair shop when needed.
Advertisement
The blower will not come on. Does it maybe have anything to do with the climate control buttons? I noticed last night when I first got in the car I just pushed the heater button and nothing. But if I put it on Auto after a hesitation, it kicked on.
wont work in any speed? what if you sit there and keep hitting the button on and off?
might be a bad relay. do you know where it is located? when did you first notice this problem start to occur.
does the clicking noise seem like a light tick when you push the button. kinda like the noise you hear when you turn on the rear defrosters?
might be a bad relay. do you know where it is located? when did you first notice this problem start to occur.
does the clicking noise seem like a light tick when you push the button. kinda like the noise you hear when you turn on the rear defrosters?
Apr 27, 2020 at 12:42 PM
(Merged)
Advertisement
No, I will sit and push all the buttons and all they do is light up, but nothing kicks on. If I just leave it on and proceed to drive, the clicking I hear sounds like it is coming from somewhere on the passenger side of the car.
The problem first started about a week and a half ago. It seems like it has a mind of it's own and just wants to come on whenever the car has been off for a long period of time.
Unforunately, the car did not come with a manual and I am kinda unsure what all the buttons do. I typically just use the Auto and Heat button.
The problem first started about a week and a half ago. It seems like it has a mind of it's own and just wants to come on whenever the car has been off for a long period of time.
Unforunately, the car did not come with a manual and I am kinda unsure what all the buttons do. I typically just use the Auto and Heat button.
Apr 27, 2020 at 12:42 PM
(Merged)
get ready to test!
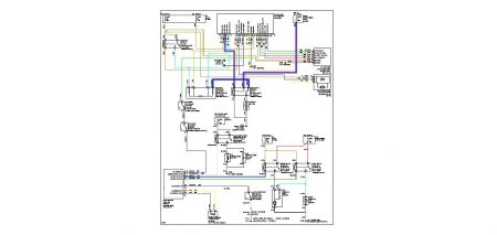
BLOWER MOTOR TEST
unplug blower motor connector turn ign switch to run. set ac mode selector to vent and blower in high. use a meter and measure voltage between blower connector purple wire and ground. if batt volt present go to next step. if none check purple for open circuit. if purple wire is good perform blower relay test and blower switch test explained later.
check for batt voltage between purple and black wires. if batt voltage is present but no blower motor replace motor. if voltage is present check black for open circuit. insure good clean tight ground.
BLOWER RELAY TEST
remove blower relay from relay panel on center of firewall. turn ignition switch to run and set ac mode select to vent and blower switch to low. measure voltage between relay connector red wire and ground. if batt present go to next step. if not present check red wire for open circuit to fuse block
measure voltage between relay connector dark blue wire and ground. if voltage exists go next step. if not check dark blue for open circuit. if wire is good perform blower motor resistor test. if we get that far well go over it later.
measure voltage between orange wire and ground. if batt volt present go next step. if not check orange wire for open circuit if orange wire ok perform blower switch test. if all listed is good and you got good on last step replace relay.
BLOWER SWITCH TEST
unplug blower moor resistor connector. turn ignition to run and ac mode to vent. put blower switch in M1 position.
measure voltage between blower motor resistor tan wire and ground on the connector. if volt present go to next step. if nothing check tan wire for open. if tan wire ok replace blower switch.
set blower switch m2 positioin measure voltage between blower motor resistor connector light blue wire and ground. if volt not present check light blue wire for open circuit. if wire is good replace blower switch.
set blower to high. reasure voltage between high speed relay connector orange wire and ground. if voltage present switch is ok. if batt voltage is not present check orange wire for open. if wire is ok replace blower switch.
hers a a/c mode selector test. turn ign. to run. set ac mode selector to vent. with control panel connected measure the voltage between connect c1 brown wire and ground. if you have batt voltage proceed if not check brown wire for open circuit to heater a/c fuse
measure voltage between gray and black wire on c3 connector and ground. if batt voltage isnt present check gray black for open circuit. if good replace control panel.
BLOWER MOTOR TEST
unplug blower motor connector turn ign switch to run. set ac mode selector to vent and blower in high. use a meter and measure voltage between blower connector purple wire and ground. if batt volt present go to next step. if none check purple for open circuit. if purple wire is good perform blower relay test and blower switch test explained later.
check for batt voltage between purple and black wires. if batt voltage is present but no blower motor replace motor. if voltage is present check black for open circuit. insure good clean tight ground.
BLOWER RELAY TEST
remove blower relay from relay panel on center of firewall. turn ignition switch to run and set ac mode select to vent and blower switch to low. measure voltage between relay connector red wire and ground. if batt present go to next step. if not present check red wire for open circuit to fuse block
measure voltage between relay connector dark blue wire and ground. if voltage exists go next step. if not check dark blue for open circuit. if wire is good perform blower motor resistor test. if we get that far well go over it later.
measure voltage between orange wire and ground. if batt volt present go next step. if not check orange wire for open circuit if orange wire ok perform blower switch test. if all listed is good and you got good on last step replace relay.
BLOWER SWITCH TEST
unplug blower moor resistor connector. turn ignition to run and ac mode to vent. put blower switch in M1 position.
measure voltage between blower motor resistor tan wire and ground on the connector. if volt present go to next step. if nothing check tan wire for open. if tan wire ok replace blower switch.
set blower switch m2 positioin measure voltage between blower motor resistor connector light blue wire and ground. if volt not present check light blue wire for open circuit. if wire is good replace blower switch.
set blower to high. reasure voltage between high speed relay connector orange wire and ground. if voltage present switch is ok. if batt voltage is not present check orange wire for open. if wire is ok replace blower switch.
hers a a/c mode selector test. turn ign. to run. set ac mode selector to vent. with control panel connected measure the voltage between connect c1 brown wire and ground. if you have batt voltage proceed if not check brown wire for open circuit to heater a/c fuse
measure voltage between gray and black wire on c3 connector and ground. if batt voltage isnt present check gray black for open circuit. if good replace control panel.
Apr 27, 2020 at 12:42 PM
(Merged)
There's no heat in my vehicle. Think it's a wiring issue, as none of the controls for A/C nor heat activate anything. What is the solution?
Apr 27, 2020 at 12:42 PM
(Merged)
Will need to scan the ECM to see if it stored any codes pertaining to the hesitating. Has it ever been tuned up? fuel filter especially. Sounds like air in the cooling system. Check the fluid level and see if it is low, if so need to find the leak and fix it
Apr 27, 2020 at 12:42 PM
(Merged)
Thank you so much for the info. I have printed this off and will take home to have someone check it out for me. Your help is greatly appreciated
Apr 27, 2020 at 12:42 PM
(Merged)
no problem. just take your time! glad to help. get back to me with what you find. we appreciate your time to ask a question and for the donation!
Apr 27, 2020 at 12:42 PM
(Merged)
Climate control system has good fuse, but display dark. buttons beep when pressed, but no heat, fan etc.
Where do I look to get it going? Heater display does not work, so no way to read codes.
Where do I look to get it going? Heater display does not work, so no way to read codes.
Apr 27, 2020 at 12:42 PM
(Merged)
Ok lets see if it will go into a self diagnostic mode and tell us what is happening. It is simple all you need is the key's to the car and the car and a few moments ok.
Turn key on engine off and then press the off and warmer button together. Now press the high button once now it should give you numbers these are codes use the low button to scroll the codes if there is any. Now when you are done then you press the low button 3 times it should show 03 and then the low button again and now it should show 01 now press the high button once now it should show temp in the display now codes are cleared you are done. Get me the codes if there is any and we will see what is going on.
Turn key on engine off and then press the off and warmer button together. Now press the high button once now it should give you numbers these are codes use the low button to scroll the codes if there is any. Now when you are done then you press the low button 3 times it should show 03 and then the low button again and now it should show 01 now press the high button once now it should show temp in the display now codes are cleared you are done. Get me the codes if there is any and we will see what is going on.
Apr 27, 2020 at 12:42 PM
(Merged)
No power, fuse OK, beeps when buttons are pressed but nothing on display, so cannot read codes. Heater does not work.
Apr 27, 2020 at 12:42 PM
(Merged)
Ok well with that said it seems that the controler is bad. So I would call around to the salvage or wrecking yards and find one and replace it. If you would like you can do one more test with a volt meter and verify this. Unplug the Control unit and check for votage from the orange wire to ground if there is voltage then check the brown wire to ground if there is voltage there then check for voltage between the brown wire and the black wire and if there is voltage then the control unit (panel) is bad and needs to be replaced. Now these tests are done with the key on engine off. Here is a pic of the connector to help.

Apr 27, 2020 at 12:42 PM
(Merged)
I have no idea where to look for the control unit.
Apr 27, 2020 at 12:42 PM
(Merged)
It is the part you use to push the buttons on. Looks like this.

Apr 27, 2020 at 12:42 PM
(Merged)