Sunday, October 16th, 2011 AT 10:17 PM
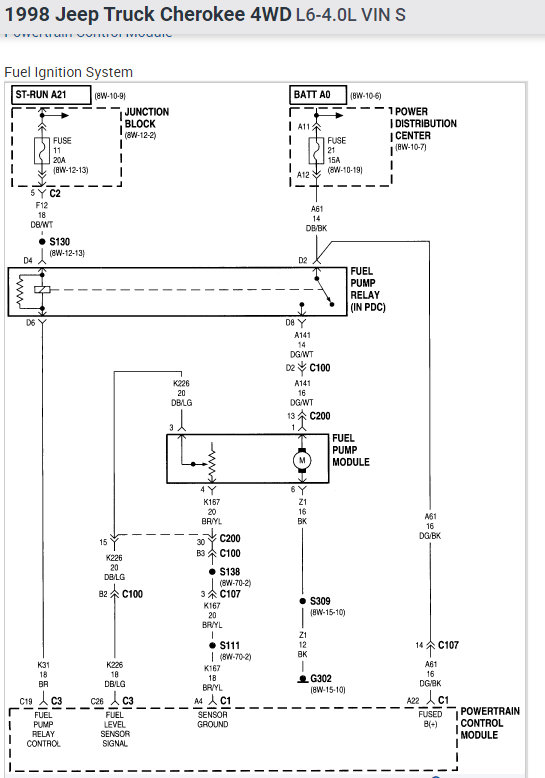
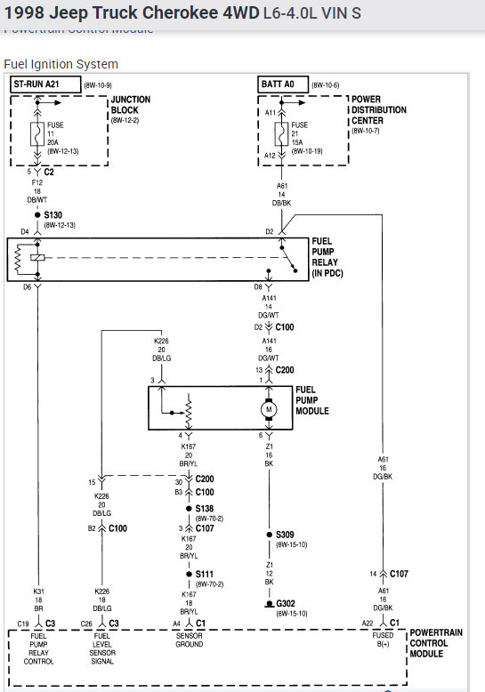
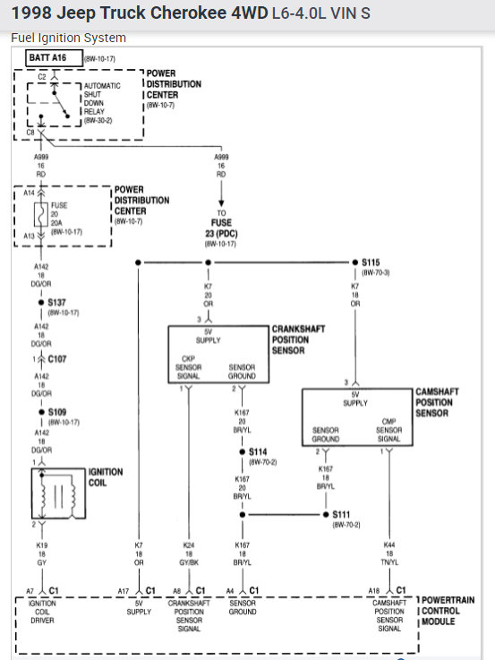
I have no spark when cranking engine. I dont have fuel pump working wth key on, I can jump fuel relay and make fuel pump work. I have traced all wiring but I am getting power throught the ground block on the engine by the alternator, and have power through the green wire with orange tracer. Need help






