Friday, August 10th, 2012 AT 7:41 PM
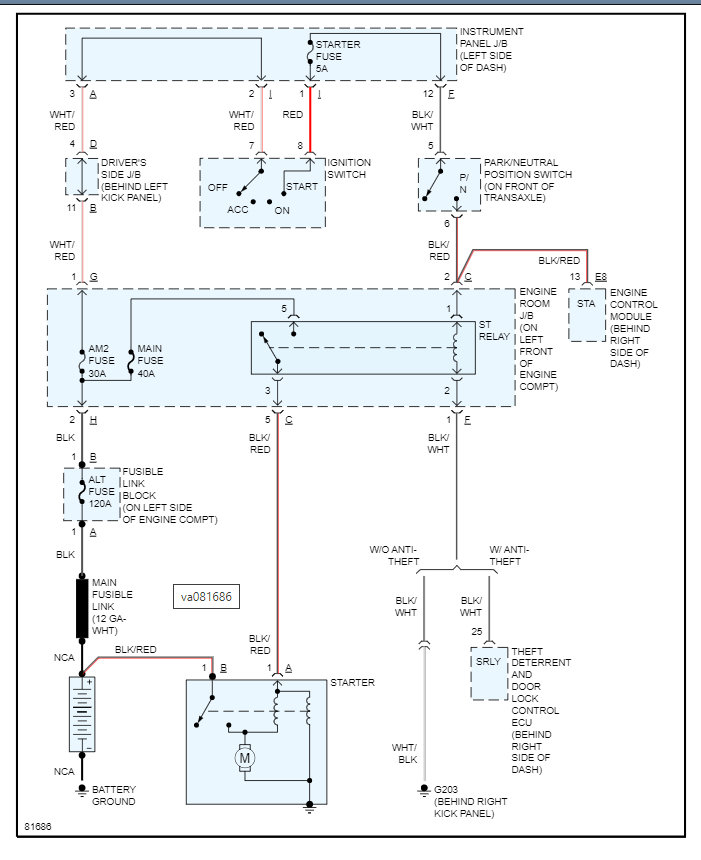
One day my engine wouldn't start up, I got it jumped and 2 minutes later it shut off. I did it again and it shut off. So, I was guessing it was the alternator. So, I bought a new alternator and installed it. Now I tried to jump it again the engine started for like a minute and then I turned the headlights on and it shut off. I did a battery tester and it says the battery is fully charged but the engine won't start. When I turn the key, it makes multiple clicks over and over again. Can you please help me?




