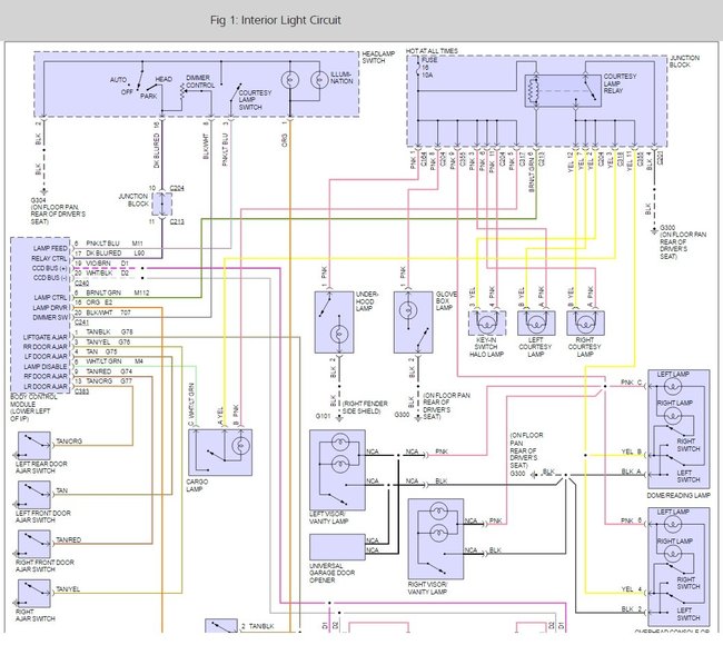
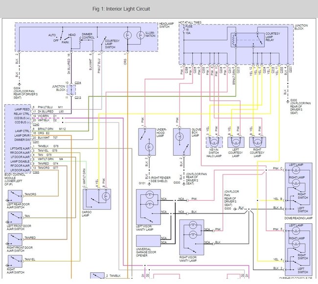
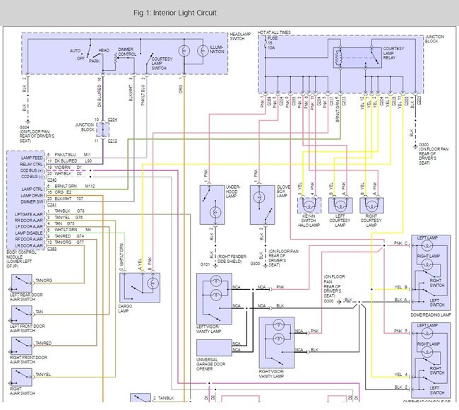
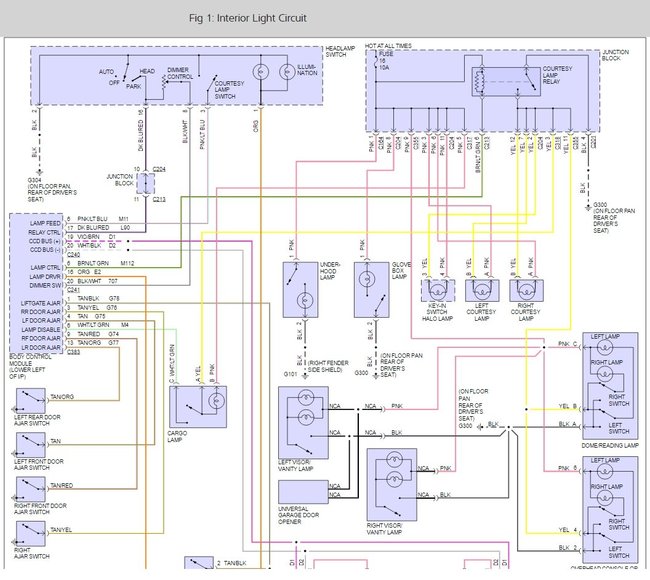
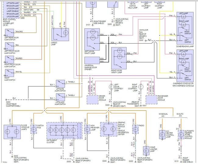
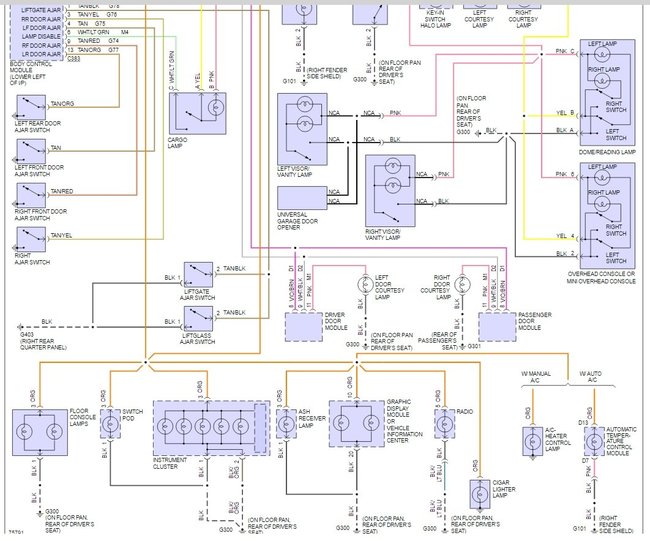
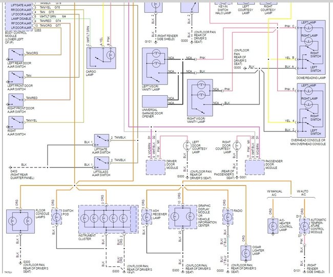
When I turn my Jeep off, there is a clicking noise that occurs under the glovebox. If I turn the lights on, the clicking stops, when I move the lights position back to off, the clicking starts again. My battery is now dead and I can't start the car - the clicking noise (which I believe is an electrical malfunction in connection with the car lighting) is draining my battery.
the clicking also stops if I turn on an interior light as well - and commences as soon as I turn it off.
any ideas of what to do to troubleshoot this?
the battery is brand new, starter turns over with strength (when trying to jump car).
Well, it's the same clicker that occurs when the turn signal is activated. As I said though, it seems to be tied in with the lighting system because any activation of the lighting system and the clicking stops.
thanks!
Seth
Wednesday, December 29th, 2010 AT 6:40 PM





