2002 Acura MDX Battery always dead

2002 ACURA MDX
193,000 MILES
Avatar
JESSICACHRIST
  • MEMBER
  • 1 POST
I got my transmission rebuilded 2 months ago, since then Once i turn my car off, after 10 minutes my car wont start. I always have to jump it and starts the engine in 1 minute or less. Battery is new , alternator and starter working fine too.
mechanic said first it was my radio or navigation system consuming battery when the car is off so they disconnected both, but then the problem continues, then the said is my A/C. I don't have a/c and the problem continues.
What could be?
The last diagnostic was the transmission solenoid a are consuming battery. Could this be true?
Jul 31, 2013 at 12:12 PM
Advertisement
Repair Safety Notice: This information is for general instructional purposes only. Vehicle repair can be dangerous. Verify all information, follow manufacturer service procedures, use proper tools and safety equipment, and consult a qualified repair shop when needed.
Avatar
CJ MEDEVAC
  • AUTOMOTIVE REPAIR CONTRIBUTOR
  • 11,004 POSTS
I HAVE A FRIEND NAMED RICK, HE HAS A 2009 FORD F-250.....AND A '86 JEEP CJ 7 (WHICH IS THE BEST VEHICLE ANYONE COULD HAVE)

HIS F-250 STARTED DRAINING BOTH OF IT'S BATTERIES OVERNIGHT

AFTER A WEEK OF RECHARGING EACH DAY, HE WAS READY TO TAKE IT TO THE DEALER.....THEN HE TALKED WITH ME

WHAT HE HAD, WAS A "PARASITIC DRAIN"...MEANING, SOMETHING IS DRAWING POWER (ACTUALLY DRAWING MORE), MORE THAN NORMAL...THERE ARE "NORMAL" PARASITIC DRAINS---LIKE THE MEMORY FOR YOUR RADIO...OTHER LITTLE STUFF TOO

IF YOU WILL LOOK UP "PARASITIC DRAIN" ON "YOU TUBE", YOU WILL SEE A FEW WAYS TO SEARCH FOR THE PROBLEM......MAINLY PULLING FUSES/ DISCONNECTING STUFF....EVEN A BAD ALTERNATOR CAN BE A "DRAW"

BEING THAT HE HAD A DIESEL USING 2 BATTERIES, WE SORTA TOOK THE CLAMPS LOOSE FROM ONE BATTERY AND "JUMPER WIRED" THEM TO THE OTHER BATTERY'S CLAMPS

............ALL OF THIS IS NOT NECESSARY WITH HAVING JUST ONE BATTERY IN A VEHICLE

WE REMOVED THE NEGATIVE CLAMP FROM THE REMAINING "STILL HOOKED UP BATTERY" WE THEN SET THE VOLTMETER TO THE PROPER SETTING...."MILLIAMPS"----AND USING ALLIGATOR TYPE JUMPERS---WE HOOKED ONE VOLTMETER LEAD TO THE NEG BATTERY POST----THE OTHER VOLTMETER LEAD GOT HOOKED ON THE "HANGING" NEG BATTERY CLAMP

SO....ANYTHING ELECTRIC DRAWING OFF OF THE BATTERY MUST GO THRU THE VOLTMETER--NOW ACTING LIKE A BATTERY CABLE

NOTE----THE VOLTMETER HAS SMALL GAUGE WIRE---IT CANNOT HANDLE SOMETHING DONE "STUPIDLY"--LIKE TRYING TO CRANK UP THE VEHICLE!!!.....SO DON'T!

THE METER IS PRESENTLY DETECTING SMALL POWER DRAWS----SINCE THE CAR IS "OFF" WHEN THE DRAIN OCCURS, LEAVE THE KEY IN THE "OFF POSITION" ........SHUT THE DOORS....TAKE OUT OR DISCONNECT THE BULB UNDER YOUR HOOD (IF YOU HAVE ONE)

EVERYBODY'S METHOD ON YOU TUBE HAS THEIR OWN #'S AS TO "ACCEPTABLE DRAW", IF YOU HAVE A NON-NORMAL DRAW, IT'S PROBABLY GONNA BE A "1." SOMETHING OR GREATER ( EX 1.2 , 1.4 , 2.3)

OK WE WE'RE ALL HOOKED UP---WE REMOVED RICK'S HOOD LAMP AND DOME LIGHT IN THE CAB, AS THEY DRAW TOO! (WE HAD TO HAVE THE HOOD AND DOOR OPEN THE WHOLE TIME TO ACCESS "BOTH" OF HIS FUSE PANELS)......THERE WERE OVER 75 FUSES IN THIS TRUCK!

HIS DRAW WAS SORTA WEIRD??????....IT WOULD DRAW---THEN IT WOULD STOP---OVER AND OVER CONTINUOUSLY

WE STARTED PULLING FUSES---THIS SHOULD "MAKE IT DROP TO NORMAL LEVEL", ONCE WE PULL THE RIGHT ONE, WHICH HAS SOMETHING DRAWING ON THAT --SPECIFIC--CIRCUIT

...............BUT I DIDN'T MAKE IT THAT FAR!

---I FELT A CIRCUIT BREAKER CLICKING ON AND OFF WITH MY FINGER AS I MESSED WITH THE FUSES

WE INVESTIGATED IT---THE CIRCUIT BREAKER WAS FOR THE POWER SEAT.......CIRCUIT!!! (SEVERAL THINGS ARE IN THE CIRCUIT)

WE FOUND THAT, EVEN THOUGH IT WAS SOOOO MINUTE, THE SEAT WAS ALREADY AS FAR REARWARD AS IT WOULD TRAVEL

......BUT THE RELAY DIDN'T CARE!

THE RELAY'S CONTACTS HAD SORTA "WELDED" THEMSELVES TOGETHER (STUCK TOGETHER) INSIDE THE RELAY. THEY SHOULD ONLY TOUCH WHEN THE SWITCH IS ACTIVATED, IN OTHER WORDS THE RELAY WAS BROKE IN IT'S "ON POSITION"---INSTEAD OF THE "OFF POSITION"

SOOO...WHAT WAS HAPPENING WAS---THE SEAT WAS BACK, AS FAR AS IT WOULD GO---THE RELAY MADE THE MOTOR TRY TO SHOVE IT FURTHER (ABSOLUTLY NOTHING WOULD HAPPEN--NO NOISE--NO MOVEMENT)---THE MOTOR WOULD HEAT THE CIRCUIT ('CAUSE IT WAS IN A BIND)--THE CIRCUIT BREAKER WOULD TRIP (MILLIAMPS WOULD DROP) IT WOULD COOL OFF---CIRCUIT BREAKER WOULD COME BACK ON...HENCE, THE "WEIRD" OFF/ON DRAW----THEN IT WOULD START OVER AGAIN TRYING TO SHOVE THE SEAT BACK

YOU COULD NOT HEAR THE SEAT MOTOR AS IT COULD NOT TURN AT ALL .......MAYBE IF I THUMPED THE RELAY, IT WOULD HAVE COME "UN-STUCK"???? (I DIDN'T TRY) I HAPPENED TO FEEL THE FAINT CLICK OF THE BREAKER

I UNPLUGGED THE SEAT MOTOR AND THE DRAW AND CLICKING BREAKER CEASED

WE SORTA NARROWED IT TO EITHER THE SWITCH OR THE RELAY----THE RELAY WAS CHEAPER AND EZier TO INSTALL

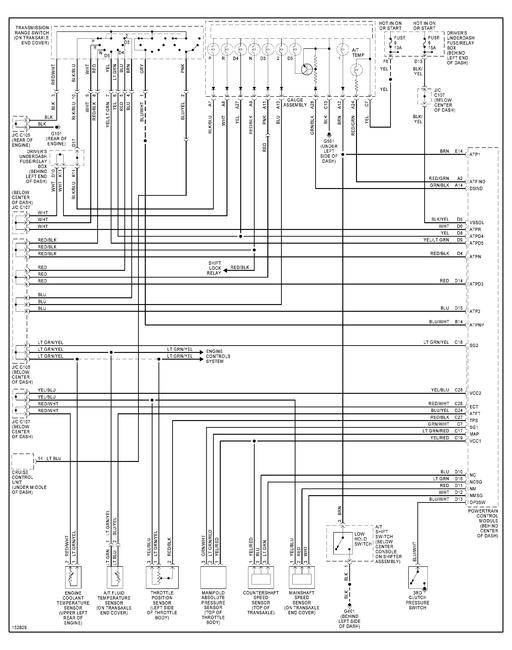
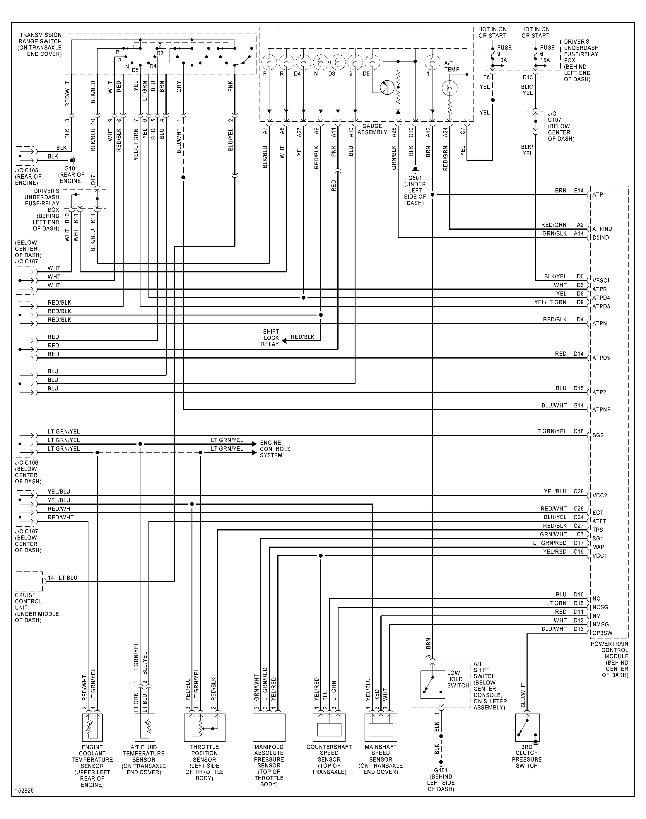
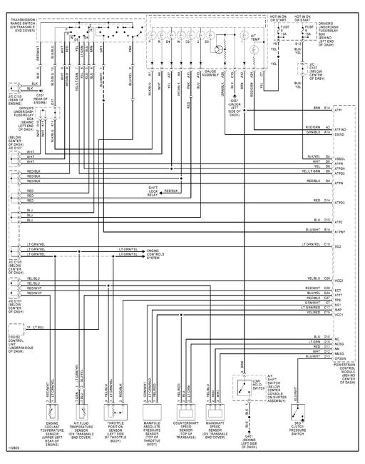
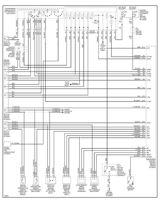
I GRABBED SOME WIRING DIAGRAMS FROM "MITCHELL I" SO THAT I COULD SEE EVERYTHING THAT WAS IN THAT PARTICULAR CIRCUIT

WE WE'RE RIGHT WITH THE CALL!

I'M NOT SAYING THIS IS YOUR PROBLEM---JUST SHOWING YOU HOW COMPLICATED THINGS CAN BE! IT MAY BE A SIMPLE AS THE HOOD LIGHT NOT GOING OFF WHEN YOU SHUT THE HOOD!
.
.
.I'M NOT REAL "UP" ON THESE NEWER VEHICLES......I'M MORE OF AN OLDER JEEP AND FORD KINDA GUY

I DID GLANCE OVER THESE DIAGRAMS

JUST FROM KNOWING "JACK" SOMEWHAT, MAYBE YOUR TRANNY SOLENOID IS DOING THE "DRAWING".....MUCH LIKE WHEN I UNPLUGGED RICK'S SEAT MOTOR......IT STOPPED....BUT WAS NOT THE "FIX"

MAYBE IT IS A RELAY OR A SWITCH BEFORE IT GETS INTO THE TRANNY????

I GRABBED YOU "1 OF 2" AND "2 OF 2" TRANSMISSION DIAGRAMS FOR YOUR CAR FROM "MITCHELL I"..........ALTHOUGH THE "PLAIN JANE MDX" AND THE "TOURING" MAY OR MAY NOT HAVE THE SAME DIAGRAMS....................I WENT WITH THE "PLAIN JANE MDX", WHEN I LOOKED THESE UP

IF THIS IS WAY OVER YOU......MAYBE THESE DIAGRAMS WILL AID YOUR MECHANIC SEARCH THE CIRCUITS

PLEASE RETURN WITH A BIG OLE GRIN!

LET ME KNOW HOW IT GOES

THE MEDIC
Jul 31, 2013 at 9:17 PM
Avatar
HONDATECH1983
  • AUTOMOTIVE REPAIR CONTRIBUTOR
  • 109 POSTS
You should check your battery connections (positive and negative). Check the battery post connections to make sure they're clean and tight. Check the battery ground that bolts onto a bracket on the lower part of the transmission as this has to be taken off when the transmission has to come out. After you've done that get back with us and we can help you determine the best route to take. Check the basics first.
Nov 18, 2013 at 7:27 AM
Advertisement