Number eight radio fuse keeps blowing out

Tiny
ROYCAR71
  • MEMBER
  • 1997 FORD EXPEDITION
  • 5.4L
  • V8
  • 2WD
  • AUTOMATIC
  • 290,000 MILES
I have checked for shorts in circuit and not find what keeps blowing the fuse.
Saturday, October 27th, 2018 AT 6:44 PM

9 Replies

Tiny
JACOBANDNICKOLAS
  • MECHANIC
  • 110,194 POSTS
Hi and thanks for using 2CarPros. Com.

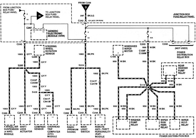
If you are referring to the 5 amp fuse #8, there may be a water issue. There is a component under the dash called a general (generic) electronic module (GEM). Fuse 5 powers the radio, main light light switch, and remote anti-theft module. Over the years, I have found that when this type of problem occurs, it usually is related to the GEM. What I have found is this. The GEM is located under the dash on the driver's side. If there are any water leaks from the windshield, the component and connections will corrode. The result is failure of the GEM and continuous blown fuses. Take a look at the removal directions I have attached. I am not suggesting you remove it at this point, but rather check to see if there is any indication of excessive corrosion or any indication of water getting to it.

I have attached pictures which correlate with these directions. When disconnection the battery (if you remove it) make sure to start with the negative terminal. I do not like how the directions are written and may be confusing. Do not reconnect the battery until any disconnected connectors are reconnected to the GEM.

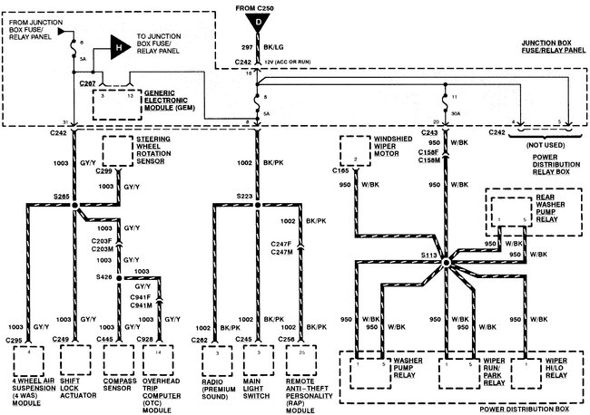
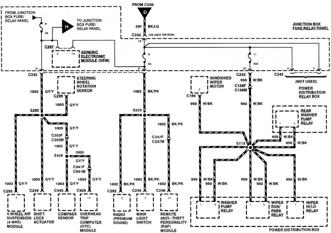
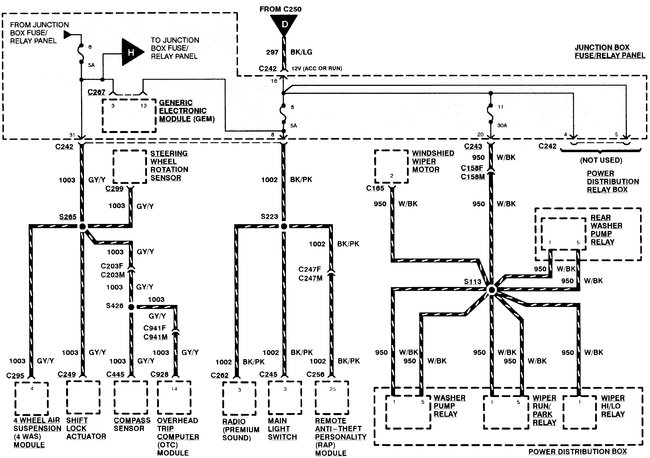
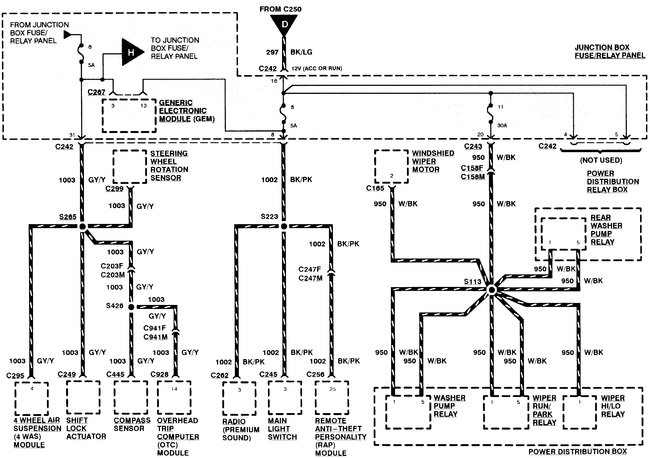
The last picture I attached is a schematic of the system related to your problem. If you take a look at it, you will see how the GEM is related. Note: The GEM is responsible for other components, but the power to it is supplied via other circuits.

___________________________

PROCEDURES
REMOVAL
1. Disconnect the positive or both battery cables.

2. Remove the cover from the instrument panel fuse junction panel.
3. Remove the lower instrument panel steering column cover.
1. Remove the six lower instrument panel steering column cover bolts.
2. Remove the lower instrument panel steering column cover.
4. Remove the two (A) bulkhead electrical connectors from the (B) instrument panel fuse junction panel.
5. Remove the two (A) instrument panel fuse junction panel bolts and remove the two (B) interior fuse junction panel nuts.
6. Disconnect the three (A) GEM electrical connectors from the (B) GEM.
7. Remove the three GEM screws and the GEM.

INSTALLATION
1. To install, reverse the removal procedure. Check for proper operation.
2. Install the lower instrument panel steering column cover.
Position the lower instrument panel steering column cover.
Install the six screws.

NOTE: When the battery is disconnected and reconnected, some abnormal drive symptoms may occur while the vehicle relearns its adaptive strategy. The vehicle may need to be driven 16 km (10 mi) or more to relearn the strategy.
Was this
answer
helpful?
Yes
No
Sunday, October 28th, 2018 AT 7:51 PM
Tiny
ROYCAR71
  • MEMBER
  • 363 POSTS
Thanks for responding. Before I replace could there be another fault? Do I have to get new GEM Module reprogrammed once replaced?
Was this
answer
helpful?
Yes
No
Wednesday, October 31st, 2018 AT 11:09 AM
Tiny
JACOBANDNICKOLAS
  • MECHANIC
  • 110,194 POSTS
Hi:
Before replacing the component, inspect it for possible water damage. As far as other things, there could be a short in the wiring which will require tracing and inspecting the wiring to the radio.

Keep in mind, the radio itself can be the problem. Disconnect the power supply to the radio and see if the fuse still blows. As far as the GEM, I do not recommend arbitrarily replacing it. It needs inspected first. I mentioned it because I have seen similar problems in the past. And it doesn't require programming.

Let me know if I can help or if you have other questions.

Joe
Was this
answer
helpful?
Yes
No
Wednesday, October 31st, 2018 AT 7:59 PM
Tiny
ROYCAR71
  • MEMBER
  • 363 POSTS
Thanks for your help. After some troubleshooting.I inspected around GEM area where fuse panel sits. Everything is dry. Power windows, windshield wiper front and rear, interior lights seem to work okay. I narrowed it down to blue wire with white strip. Which I had to power amp tied with red accessory wire. The stereo powers on with no sound with just radio red wire and car red accessory together. But tied with bl/w amp wire it blows fuse #8. I have checked Mach amp fuse under hood. That is not blown.
Was this
answer
helpful?
Yes
No
Saturday, November 3rd, 2018 AT 12:51 AM
Tiny
JACOBANDNICKOLAS
  • MECHANIC
  • 110,194 POSTS
Is it possible to supply power to the amp via another power source and place an inline fuse in that wire? It sounds like the amp is causing the problem. I have no idea how much power the amp draws, but fuse 8 may not be able to handle the load.

Let me know.
Was this
answer
helpful?
Yes
No
Saturday, November 3rd, 2018 AT 4:05 PM
Tiny
ROYCAR71
  • MEMBER
  • 363 POSTS
I can look for another source of power. But, out of the blue it just start happening with same stereo. I just checked all speaker connections and unplugged them to check if amp will blow fuse. It still blew. Is there a sub woofer to check while I am looking another power source?
Was this
answer
helpful?
Yes
No
Saturday, November 3rd, 2018 AT 6:00 PM
Tiny
JACOBANDNICKOLAS
  • MECHANIC
  • 110,194 POSTS
Disconnect all speaker wires from the amp and see if it still blows the fuse. I have a feeling it's the amp itself or a shorted wire to the amp.
Was this
answer
helpful?
Yes
No
Saturday, November 3rd, 2018 AT 8:22 PM
Tiny
ROYCAR71
  • MEMBER
  • 363 POSTS
Okay, tried disconnecting speakers. But same result. I went to salvage yard and pulled another amp and installed it. While testing it before putting everything back together. Stumbled on something else. The same fuse blew. But when disconnecting the console connector the fuse did not blow and I got sound from speakers and amp worked. It still a mystery why all of sudden, console connector does this. For right now, I have solved problem minus console not being plugged in. I do not have use for CD changer and stock radio.
Was this
answer
helpful?
Yes
No
Thursday, November 15th, 2018 AT 4:17 AM
Tiny
JACOBANDNICKOLAS
  • MECHANIC
  • 110,194 POSTS
It could be the plug itself. Make sure nothing has melted or been rubbed through.

Let me know if I can help.

Joe
Was this
answer
helpful?
Yes
No
Thursday, November 15th, 2018 AT 6:15 PM

Please login or register to post a reply.