REMOVAL
1. Disconnect the battery ground cable.
2. Drain the radiator. Refer to: "Engine, Cooling and Exhaust : Cooling System : Service and Repair" See: Engine, Cooling and Exhaust Cooling System Service and Repair
3. Remove the instrument panel. Refer to: "Body and Frame : Interior Trim : Dash Board : Service and Repair" See: Body and Frame Interior Moulding / Trim Dashboard / Instrument Panel Service and Repair

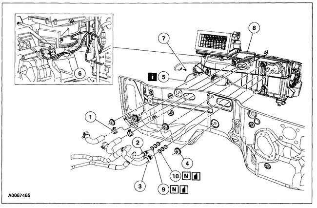
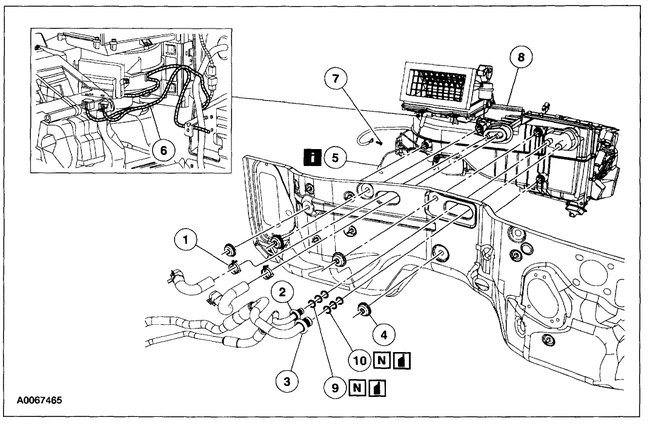
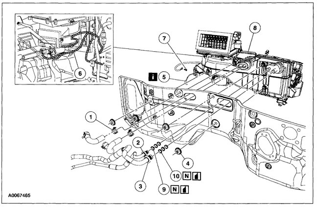
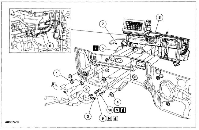
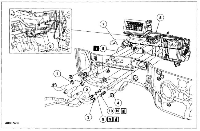
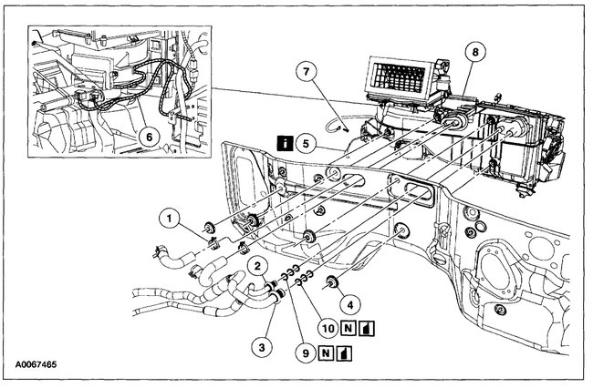
4. Compress the holding tabs and disconnect the heater water hoses at the heater core.

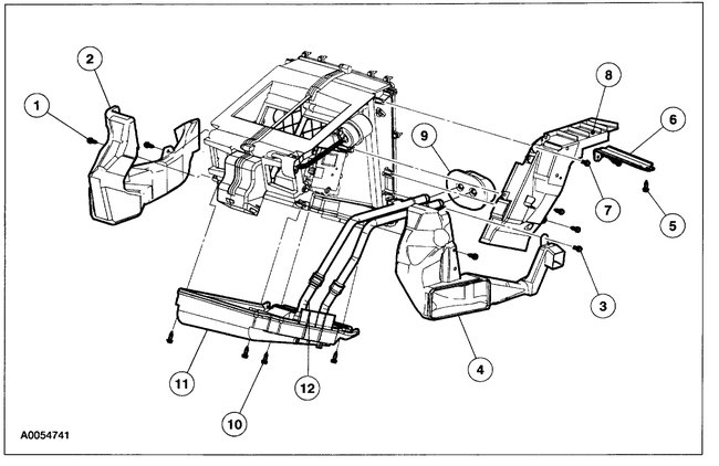
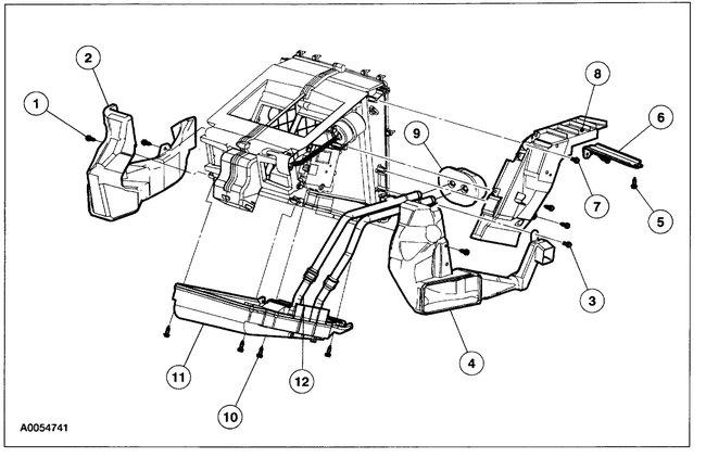
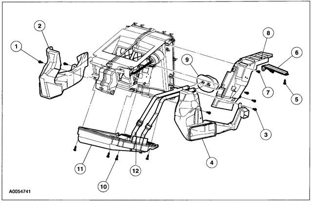
5. Remove the A/C plenum demister adapter.
1 Remove the screw.
2 Remove the A/C plenum demister adapter.

6. Disconnect the vacuum line.

7. Remove the heater core bracket.
1 Remove the two screws.
2 Remove the bracket.

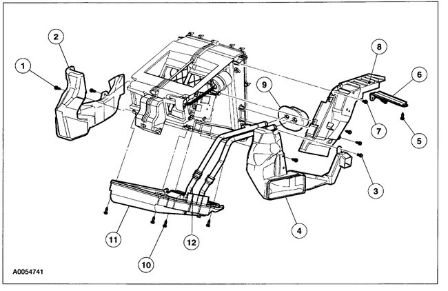
8. Remove the plenum chamber top.
1 Remove the 13 screws.
2 Remove the plenum chamber top.
9. Remove the blend door assembly from the case.

10. Remove the heater core.
INSTALLATION



1. Follow the removal procedure in reverse order.
Friday, November 9th, 2018 AT 5:34 PM
(Merged)