Tail light wiring

Tiny
MELISSAHURD
  • MEMBER
  • 1997 CHEVROLET SUBURBAN
  • V8
  • AUTOMATIC
  • 188,000 MILES
Can I get a tail light wiring schematic please? My tail lights are not working?
Sunday, January 30th, 2011 AT 10:09 PM

34 Replies

Tiny
JDL
  • MECHANIC
  • 16,098 POSTS
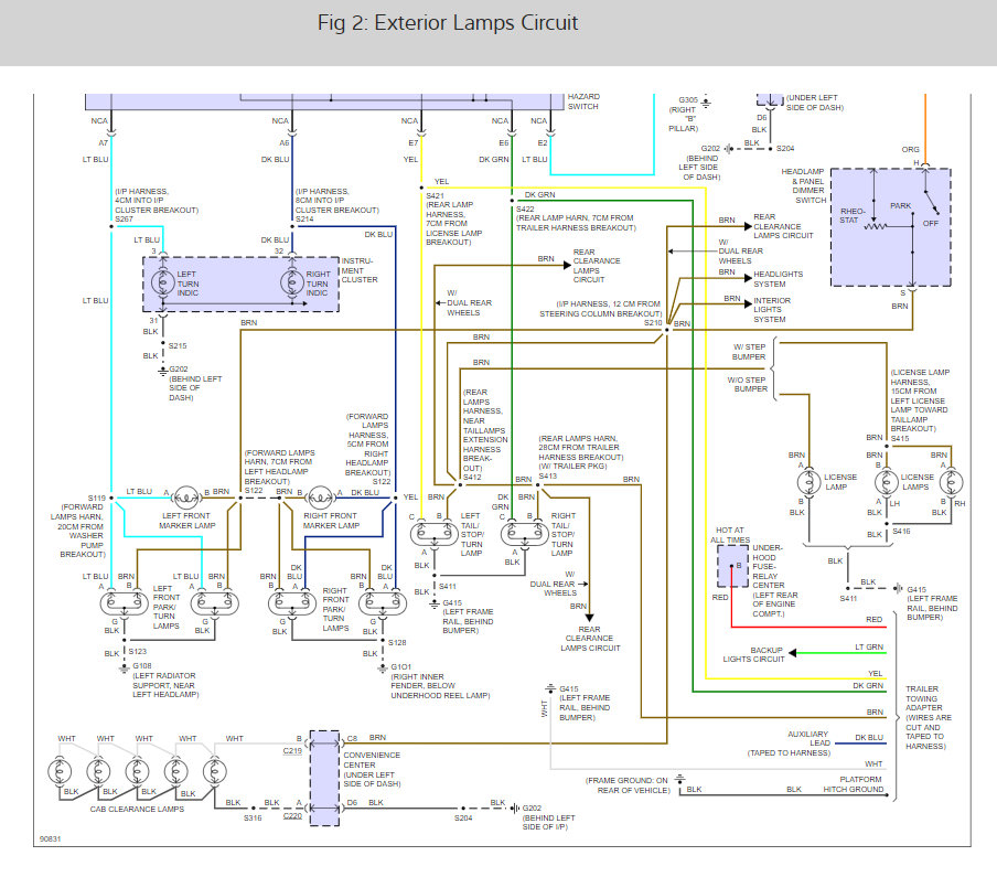
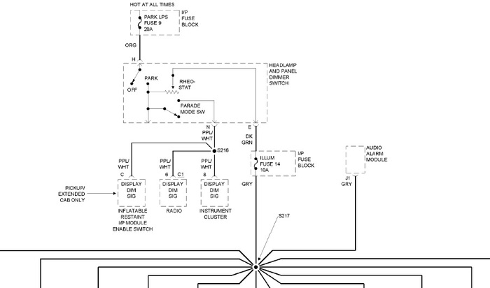
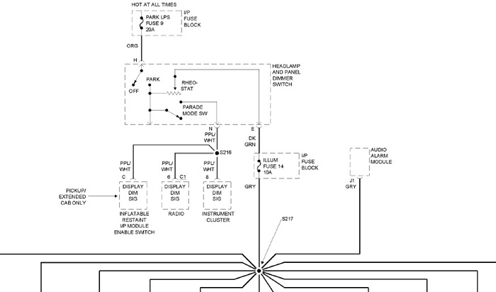
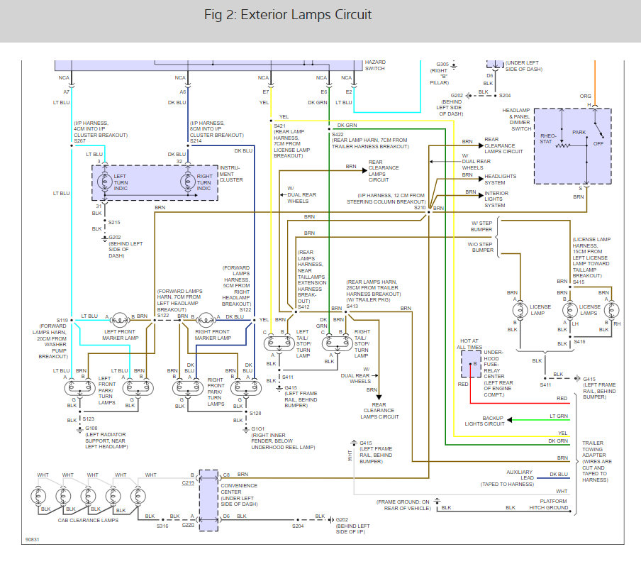
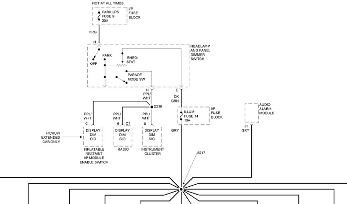
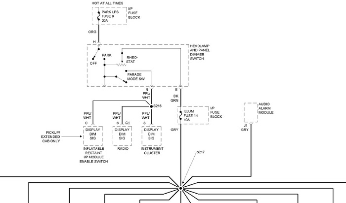
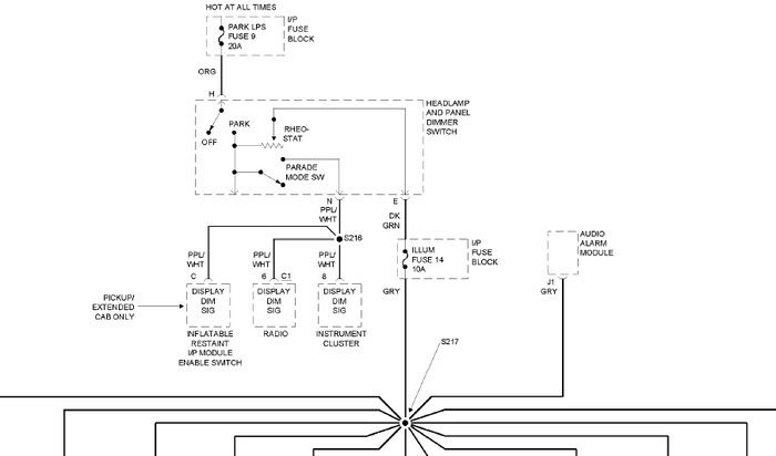
In the diagram, the brown wire is voltage for head lamps. Goes hot when you turn on the headlamp switch. Here is a guide to help you test the wiring with the tail light wiring diagrams below.

https://www.2carpros.com/articles/how-to-check-wiring

Check out the diagrams (Below). Please let us know if you need anything else to get the problem fixed.
Was this
answer
helpful?
Yes
No
-2
Monday, March 7th, 2011 AT 9:57 PM
Tiny
CHEVYBLAZER1976
  • MEMBER
  • 1 POST
  • 1993 CHEVROLET SUBURBAN
  • V8
  • 2WD
  • AUTOMATIC
  • 170,000 MILES
Took a Suburban 1993 from United Kingdom to The Netherlands. Prolably because the law there, they messed up the wiring to the taillights. The brake-lights couldn't do the turn-signal. Instead they put amber bulbs in the reardrive place and these gave the turnsignal. Now I switched back the wiring under the steering-colum. The taillights, brake and turnsignal lights are ok now. But where can I get the juice for my white reardrive-lights? Can't find wiring diagrams on the internet.
Was this
answer
helpful?
Yes
No
Thursday, March 7th, 2019 AT 11:06 AM (Merged)
Tiny
JDL
  • MECHANIC
  • 16,098 POSTS
Lite green wire is voltage. Black is ground.
Was this
answer
helpful?
Yes
No
-2
Thursday, March 7th, 2019 AT 11:06 AM (Merged)
Tiny
DESTERDICK
  • MEMBER
  • 1 POST
  • 1995 CHEVROLET SUBURBAN
  • 180,000 MILES
I'm looking more for pointers to good resources than an actual detailed answer. I'm installing front and rear strobe lights in a 1995 Chevy Suburban and need to route the wires through the vehicle. Suggestions on placement of the strobe controller and wiring into the fuse panel would be helpful, but I can figure that out. What I really need before I undertake the install is knowing how to route the wires and what I'll have to take apart and reassemble for access. Diagrams with an exploded view would be great.

Thanks in advance,

Mark
Was this
answer
helpful?
Yes
No
Thursday, March 7th, 2019 AT 11:06 AM (Merged)
Tiny
JACOBANDNICKOLAS
  • MECHANIC
  • 110,192 POSTS
We don't have any specific information on this aftermarket part. All I can recommend is to keep wiring away from foot traffic and I recommend the purchase of wire loom to protect any wiring that is on the exterior of the vehicle.
Was this
answer
helpful?
Yes
No
Thursday, March 7th, 2019 AT 11:06 AM (Merged)
Tiny
CADIEMAN
  • MECHANIC
  • 3,544 POSTS
Is this gonna be in or out of the cabin?
Was this
answer
helpful?
Yes
No
Thursday, March 7th, 2019 AT 11:06 AM (Merged)
Tiny
2CP-ARCHIVES
  • MEMBER
  • 4,540 POSTS
  • 1997 CHEVROLET SUBURBAN
  • 137,000 MILES
I have no tail lights or dash lights all others work fine
Was this
answer
helpful?
Yes
No
+1
Thursday, March 7th, 2019 AT 11:06 AM (Merged)
Tiny
JDL
  • MECHANIC
  • 16,098 POSTS
Did you check for voltage at the tail-lamp bulb socket or wiring. You may have to get at the wiring for headlamp switch and do some testing.
Was this
answer
helpful?
Yes
No
Thursday, March 7th, 2019 AT 11:06 AM (Merged)
Tiny
JDL
  • MECHANIC
  • 16,098 POSTS
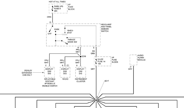
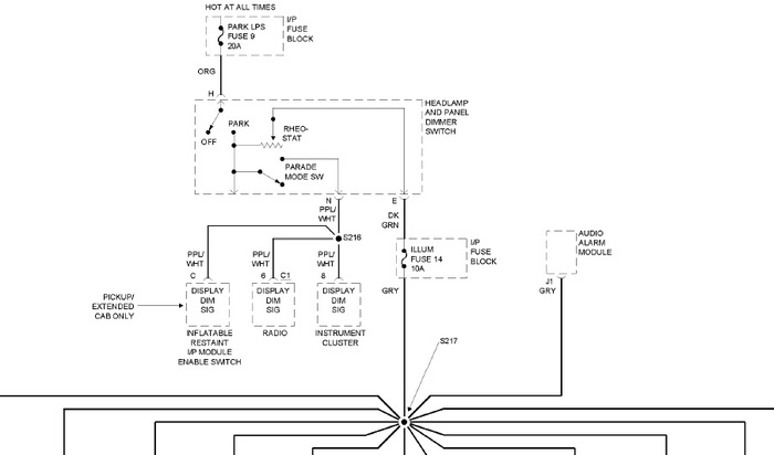
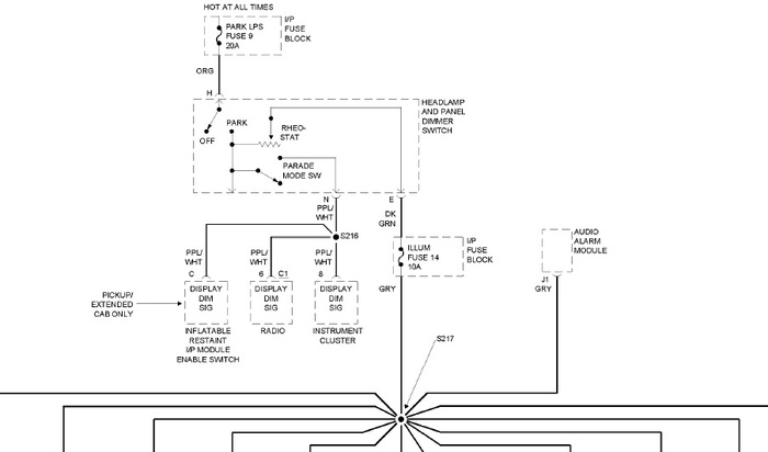
The brown wire has voltage for tail-lamp.

The diagram is for instrument cluster. See if illumination fuse is hot with headlamp switch on.
Was this
answer
helpful?
Yes
No
Thursday, March 7th, 2019 AT 11:06 AM (Merged)
Tiny
MIKE31
  • MEMBER
  • 2 POSTS
  • 1997 CHEVROLET SUBURBAN
  • V8
  • 4WD
  • AUTOMATIC
  • 97,000 MILES
The paking light fuse blows as soo as I turn on the switch
Was this
answer
helpful?
Yes
No
Thursday, March 7th, 2019 AT 11:06 AM (Merged)
Tiny
BOWTIE BABY
  • MEMBER
  • 101 POSTS
You most likely have a wire grounding out some where in the system. Check to make sure you have the correct fuse in the correct spots and check the relay. Trace wiring to look for bare wires, wires that have melted together, etc. If you have a towing kit on it check the wiring for that also.
Was this
answer
helpful?
Yes
No
Thursday, March 7th, 2019 AT 11:06 AM (Merged)
Tiny
TNMAMA
  • MEMBER
  • 2 POSTS
I am having the same issue. I keep replacing the 20amp fuse #9, and it keeps blowing. I lose the dash lights, running lights, and trailer lights.
I'm going to start checking the wires tomorrow - Will let you know if I find anything.
Was this
answer
helpful?
Yes
No
Thursday, March 7th, 2019 AT 11:06 AM (Merged)
Tiny
MIKE31
  • MEMBER
  • 2 POSTS
I have found the problem and it was in the power mirrors thanx hope you are able to find your problem it all runs through the switch on the driver side door
Was this
answer
helpful?
Yes
No
Thursday, March 7th, 2019 AT 11:06 AM (Merged)
Tiny
TNMAMA
  • MEMBER
  • 2 POSTS
I found a tiny section of exposed wire behind the passenger side parking lamp. It appears as though it was hitting metal and shorting out. I have covered the wire with electrical tape, and the fuse has not blown since.
Thanks All!
Was this
answer
helpful?
Yes
No
+1
Thursday, March 7th, 2019 AT 11:06 AM (Merged)
Tiny
BOWTIE BABY
  • MEMBER
  • 101 POSTS
Good, glad to help, all of your votes and feedback are appreciated.
Was this
answer
helpful?
Yes
No
Thursday, March 7th, 2019 AT 11:06 AM (Merged)
Tiny
TRS90STANG
  • MEMBER
  • 3 POSTS
  • 1997 CHEVROLET SUBURBAN
Electrical problem
1997 Chevy Suburban V8 Four Wheel Drive Automatic

I replaced the drivers rear tail light circuit board due to it not working. I picked up the parts from Advance Auto parts, part# 70001. Everything works fine until the headlight switch is turned on. When it's turned on, the reverse lights on the passenger side along with the parking lights and brake lights come on, and on the drivers side, just the reverse light comes on and it's dim. I'm not sure if it would be a grounding issue being everything works fine until the headlight switch is turned on. I'm thinking it would be the headlight switch. I'm a mechanic in the Army, and with our HMMWVs, this type of thing happens and we replace the headlight switch and everything is fine. I would just like to make sure the switch would be the problem before I buy the part and replace it and find out that's not the issue. I have checked the wires at the taillight to make sure they were not grounding out. Thank you for any help with this issue.
Was this
answer
helpful?
Yes
No
Thursday, March 7th, 2019 AT 11:06 AM (Merged)
Tiny
JDL
  • MECHANIC
  • 16,098 POSTS
Did you check for voltage on the proper wires? The left rear lower lites, brown is for tail-lites wired through the headlite switch. The lower brake lites and turn, yellow, use the same circuit, not at the same time. Black is ground. Sometimes if the ground is faulty it can cause some funny issues.
Was this
answer
helpful?
Yes
No
Thursday, March 7th, 2019 AT 11:06 AM (Merged)
Tiny
TRS90STANG
  • MEMBER
  • 3 POSTS
Thanks jdl123, I will check that out. I didn't even think about checking that.
Was this
answer
helpful?
Yes
No
Thursday, March 7th, 2019 AT 11:06 AM (Merged)
Tiny
COOL4CATS
  • MEMBER
  • 1 POST
  • 1995 CHEVROLET SUBURBAN
  • 5.9L
  • V8
  • 2WD
  • AUTOMATIC
  • 295,000 MILES
Turn signals work brake lights work reverse lights work all bulbs are good no blown fuses but tail lights won't come on or dash display lights
Was this
answer
helpful?
Yes
No
+1
Thursday, March 7th, 2019 AT 11:07 AM (Merged)
Tiny
HMAC300
  • MECHANIC
  • 48,601 POSTS
Check the brown wire leading to the back to see if it's getting powr. If you have a circuit borad on back of frame see if all the connections are good. Same brown wire to cluster on dash.
Was this
answer
helpful?
Yes
No
Thursday, March 7th, 2019 AT 11:07 AM (Merged)

Please login or register to post a reply.