Running lights at the top and middle bulb not working

Tiny
HIGHWATER
  • MEMBER
  • 1996 CHEVROLET SUBURBAN
  • 6.5L
  • V8
  • TURBO
  • 4WD
  • AUTOMATIC
  • 250,000 MILES
My running, stop and turn work. My back up lights went out on the drivers rear only. Thinking it was bulbs, I replaced them. I now have back up, turn signal, and stop action at the middle bulb, but no running lights at the top and middle bulb, while the other side works fine. I check the fuses in the cab not thinking they were the problem and they were not. I also scraped the contacts the best I could.

Should I attempt to get what I am guessing is dried out dielectric gel completely out of there? What is the best way to do that? Will solvents melt the housing?

Where do I go from here? Or is this easier just to take to the shop to trace the wire back on a diagram?
Monday, January 26th, 2015 AT 11:46 PM

1 Reply

Tiny
ASEMASTER6371
  • MECHANIC
  • 52,796 POSTS
Good evening,

Did you check for voltage at the socket? I I would verify power to the wire before replacing the socket.

https://www.2carpros.com/articles/how-to-check-wiring

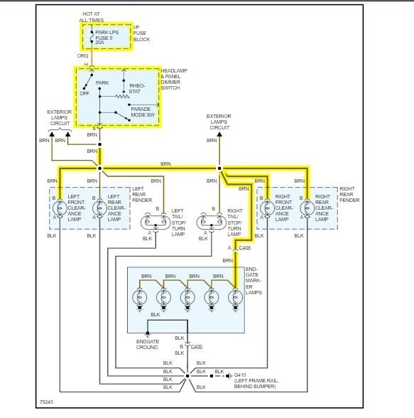
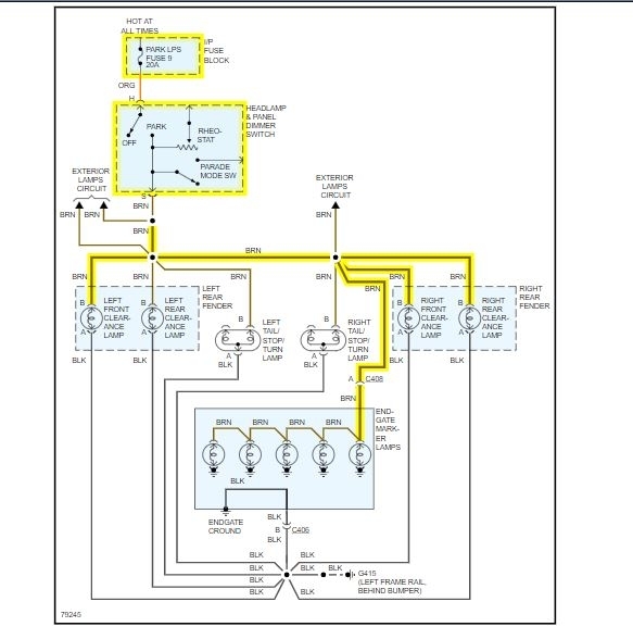
I attached a wiring diagram for you to view. Check that brown wire for power.

Roy
Was this
answer
helpful?
Yes
No
Monday, March 30th, 2020 AT 4:25 PM

Please login or register to post a reply.