Fuel Tank Selector Valve?

Tiny
HMAC300
  • MECHANIC
  • 48,601 POSTS
Hmm just seeing pic first page didn't show up hope this one is better but it can also be the valve
Was this
answer
helpful?
Yes
No
-1
Saturday, May 29th, 2021 AT 11:20 AM (Merged)
Tiny
HMAC300
  • MECHANIC
  • 48,601 POSTS
Let's see if this one works. Sorry about this.
Was this
answer
helpful?
Yes
No
Saturday, May 29th, 2021 AT 11:20 AM (Merged)
Tiny
GORD RAYMER
  • MEMBER
  • 1 POST
  • 1994 FORD F-150
  • 300,000 MILES
I cannot find the check valve unit on my truck, it's a 2 wheel drive, 5 speed standard, 300 6 cylinder. When I switch to the rear tank, it pushes the fuel into the front tank, overfilling it, the gas pours out of the filler on the front tank.
Was this
answer
helpful?
Yes
No
Saturday, May 29th, 2021 AT 11:20 AM (Merged)
Tiny
ASEMASTER6371
  • MECHANIC
  • 52,796 POSTS
Good afternoon,

The fuel tank switching valve is where the valve is located. You need to replace the valve. That is the one where all the lines come together under the truck.

I attached a picture of the new valve and the location for you to view.

Roy

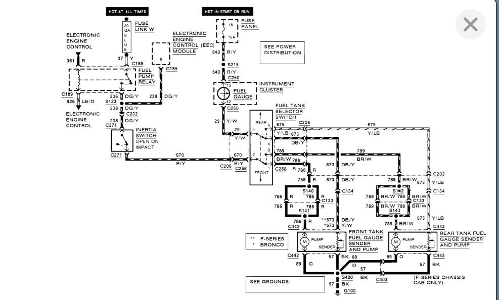
PURPOSE
The fuel tank selector switch is a driver controlled device that controls which fuel tank the vehicle is operating from. It also controls the switching between the fuel gauge senders in the tanks.

OPERATION
Voltage from fuse 6 is supplied to the fuel tank selector switch when the ignition switch is in START or RUN. The position of the fuel tank selector switch determines the direction in which the fuel tank selector valve motor will move. It also determines which fuel tank sender will control the fuel gauge operation.
Was this
answer
helpful?
Yes
No
+1
Saturday, May 29th, 2021 AT 11:20 AM (Merged)
Tiny
MSTRAWDER
  • MEMBER
  • 24 POSTS
  • 1992 FORD F-150
  • 236,000 MILES
It also has the dual tanks. I have seen so many conflicting statements about the components of the fuel system on this truck since I am experiencing a problem where when I use the front fuel tank (rear fuel pump is not working), fuel is running back into the rear tank and causing it to overflow. This truck has a fuel pump in each tank and another along the rail if I read everything correctly. However, what I'm unsure of is whether or not this truck has a fuel tank selector valve, or just the switch on the dash and the 3 pumps. Also, whether or not this issue would be solved by replacing the rear pump, which I believe has the check valves inside them.
Was this
answer
helpful?
Yes
No
Saturday, May 29th, 2021 AT 11:20 AM (Merged)
Tiny
FREEMBA
  • MECHANIC
  • 1,152 POSTS
Your truck has a Fuel Selector Valve. ($65 or so)
if your rear tank isn't working and you don't plan on using it, just plug the line which lead from the front tank to the fuel selector valve [not the one which send fuel to the engine.

Otherwise you need to replace the rear pump and the fuel selector valve.
Was this
answer
helpful?
Yes
No
+5
Saturday, May 29th, 2021 AT 11:20 AM (Merged)
Tiny
MSTRAWDER
  • MEMBER
  • 24 POSTS
Thanks for the quick reply. Where is it located at? According to the parts store sites, it's on the left rail behind the driver door. The ONLY thing along that entire rail other than fuel lines that I can see is a standard fuel filter. I do plan on replacing the pump to be able to use the rear tank. When you flip the switch on the dash, you get nothing on 'rear', but the front pump buzzes like a champ when you switch to 'front'.
Was this
answer
helpful?
Yes
No
+4
Saturday, May 29th, 2021 AT 11:20 AM (Merged)
Tiny
FREEMBA
  • MECHANIC
  • 1,152 POSTS
I fouund out that there is no fuel selector valve on this truck (because of the year model and the fact that you have a switch on the dash). Anyway repalcing the rear pump should cure the problem. As I understand it the pump assembly have a check valve which prevents fuel from flowing into the tank through the fuel line from the other tank. So replacing the rear tank's fuel pump assembly should cure the problem.
Was this
answer
helpful?
Yes
No
+6
Saturday, May 29th, 2021 AT 11:20 AM (Merged)
Tiny
MSTRAWDER
  • MEMBER
  • 24 POSTS
Nice to hear that from an expert. That's what I thought after having done quite a bit of reading, but the fact that they sell that valve for my truck and conflicting info from several sites really made me wonder. You just saved me $65.00. Donation to the site always worth it.
Was this
answer
helpful?
Yes
No
+2
Saturday, May 29th, 2021 AT 11:20 AM (Merged)
Tiny
FREEMBA
  • MECHANIC
  • 1,152 POSTS
Sorry about the mix up. I called a buddy who works at a very good auto parts store and he said that they sold one for your truck, which led to the confusion. Please let me know how this all turns out. And of course, let us know if you need any more assistance.
Was this
answer
helpful?
Yes
No
+1
Saturday, May 29th, 2021 AT 11:20 AM (Merged)
Tiny
JIM JORDAN2
  • MEMBER
  • 1 POST
  • 1991 FORD F-150
  • 5.0L
  • 130,000 MILES
With front tank full drive about twenty miles front tank empty back tank full, when gas returns from engine it goes to rear tank instead going to front tank. Why?
Was this
answer
helpful?
Yes
No
Saturday, May 29th, 2021 AT 11:20 AM (Merged)
Tiny
ASEMASTER6371
  • MECHANIC
  • 52,796 POSTS
Good morning.

There is a switching valve for the tanks. It directs fuel to the front as well as the return.

This vehicle does not use an external fuel tank switching valve. A supply check valve in the fuel pump assembly opens when the outlet pressure from the energized fuel pump exceeds the opposing check valve spring force.

It may be tough finding one considering the year of the truck.

Roy
Was this
answer
helpful?
Yes
No
Saturday, May 29th, 2021 AT 11:20 AM (Merged)
Tiny
CVSTREETT
  • MEMBER
  • 1 POST
  • 1990 FORD F-150
  • 5.0L
  • V8
  • 2WD
  • AUTOMATIC
  • 190,000 MILES
I have dual gas tanks. When I try to switch from back to front I get nothing. The manual says it is the fuel reservoir and that its located on the left side on the frame but I cannot find it. Any ideas? Also I'm having a problem with my idle. It will either idle to fast or to slow. Any help you can give will be greatly appreciated. Thanks cvstreett
Was this
answer
helpful?
Yes
No
Saturday, May 29th, 2021 AT 11:20 AM (Merged)
Tiny
HMAC300
  • MECHANIC
  • 48,601 POSTS
Try cleaning throttle plate on both sides and iac hole with choke cleaner. If it continues check fuel pressure with a gauge and for a vacuum leak. See pic for location
Was this
answer
helpful?
Yes
No
+1
Saturday, May 29th, 2021 AT 11:20 AM (Merged)
Tiny
WAYNE TRAMMELL
  • MEMBER
  • 1 POST
  • 1990 FORD F-150
I was driving and my engine just quit. I poured fuel in the intake and it runs for a short time. The fuel pump doesnt come on with key. I have twin tanks and neither works so I ruled out the fuel pumps. I got a wireing diagram and checked the Relay Inertia switch and the tank switch and they all had 6.5 volts. Shouldnt it be 12v? I think maybe the fused link could be half blown. Does this sound logical and if so where is it?
Was this
answer
helpful?
Yes
No
Saturday, May 29th, 2021 AT 11:20 AM (Merged)
Tiny
MERLIN2021
  • MECHANIC
  • 17,250 POSTS
It sounds like the fuel selector valve is bad here is the location in the diagrams below.


https://www.2carpros.com/forum/automotive_pictures/62217_150fuel_1.jpg



https://www.2carpros.com/forum/automotive_pictures/62217_150dt_1.jpg



https://www.2carpros.com/forum/automotive_pictures/62217_f150_1.jpg

Was this
answer
helpful?
Yes
No
+3
Saturday, May 29th, 2021 AT 11:20 AM (Merged)
Tiny
PKNUPSNIPS
  • MEMBER
  • 1 POST
  • 1990 FORD F-150
My f 150 wont start. It has spark at the plugs. Fuel isn't getting to the fuel rails. The truck has two fuel tanks and I tried to start it using both tanks. It wont start with either tank. I replaced the fuel filter on the frame rail. I don't think its possible for both of the fuel pumps to go bad at the same time. Why isn't it getting fuel?

No I don't here the fuel pumps they are in the fuel tanks. I do here a relay click once right after I turn the key on.
Was this
answer
helpful?
Yes
No
Saturday, May 29th, 2021 AT 11:20 AM (Merged)
Tiny
KEN L
  • MASTER CERTIFIED MECHANIC
  • 55,054 POSTS
Hello,

Those trucks had a big problem with the switch valve down on the frame rail between the tanks. Here is a diagram (below) of what the valve looks like.

Please let us know if you need anything else to get the problem fixed.

Cheers, Ken
Was this
answer
helpful?
Yes
No
+1
Saturday, May 29th, 2021 AT 11:20 AM (Merged)
Tiny
DAVEDUTTON
  • MEMBER
  • 1 POST
How can I ensure when ordering a fuel pump assembly for my 1995 F250 5.8L truck I get one with the shuttle valve selector in it. I don't have the fuel selector valve by driver's door.
Was this
answer
helpful?
Yes
No
Tuesday, February 14th, 2023 AT 4:19 PM
Tiny
KEN L
  • MASTER CERTIFIED MECHANIC
  • 55,054 POSTS
When you buy the pump, it will ask which system you have. I would go to ROCKAuto. Com and do a search. Let me know what you find.
Was this
answer
helpful?
Yes
No
Friday, February 17th, 2023 AT 2:19 PM

Please login or register to post a reply.