Fuel Tank Selector Valve?

1996 FORD F-150
2WD • AUTOMATIC
Avatar
CMAB1
  • MEMBER
  • 1 POST
I have dual tanks and we are having problems trying to find the fuel tank selector valve (if it even has one) so we can replace it and try to fix the problem.
Jul 6, 2011 at 7:15 PM
Advertisement
Avatar
DOCFIXIT
  • CERTIFIED EXPERT
  • 18,828 POSTS
Hello,

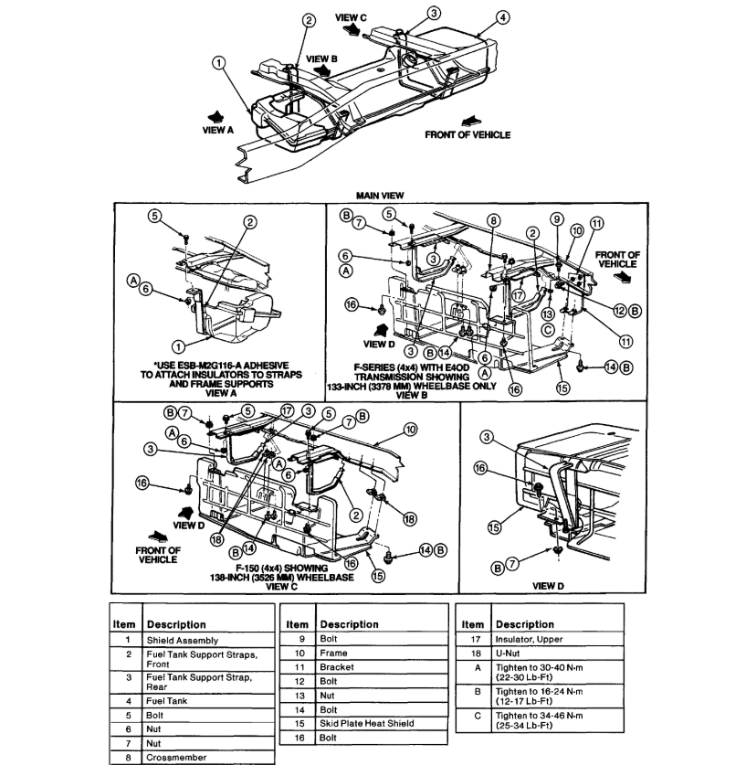
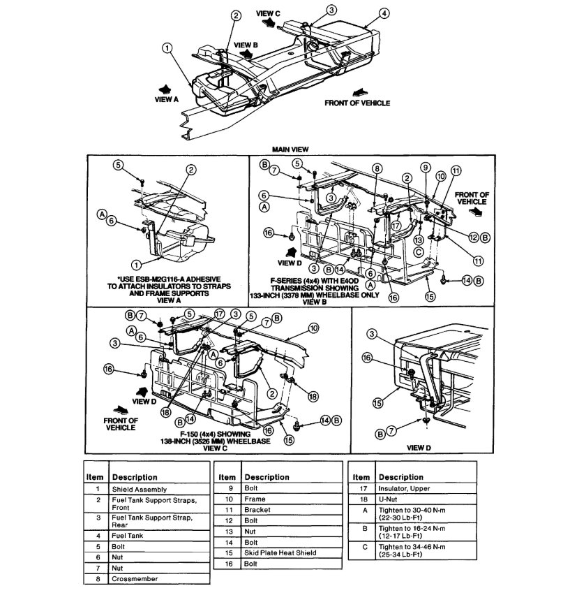
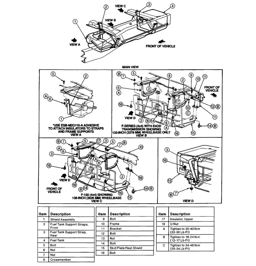
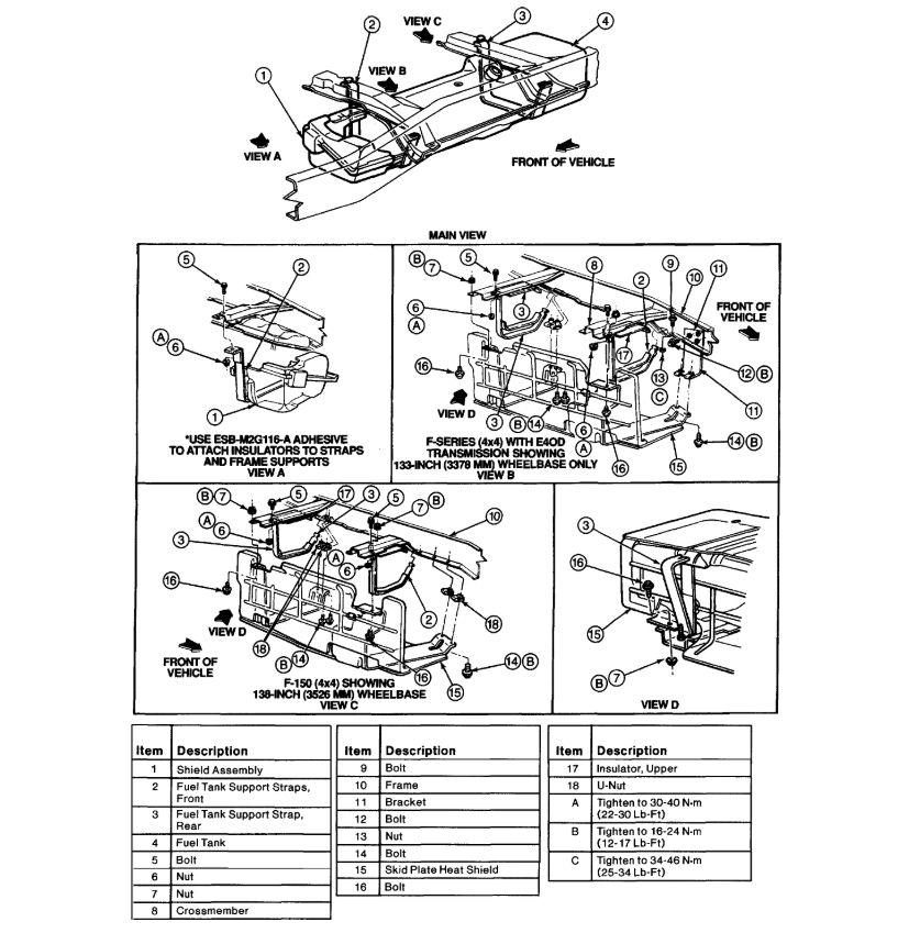
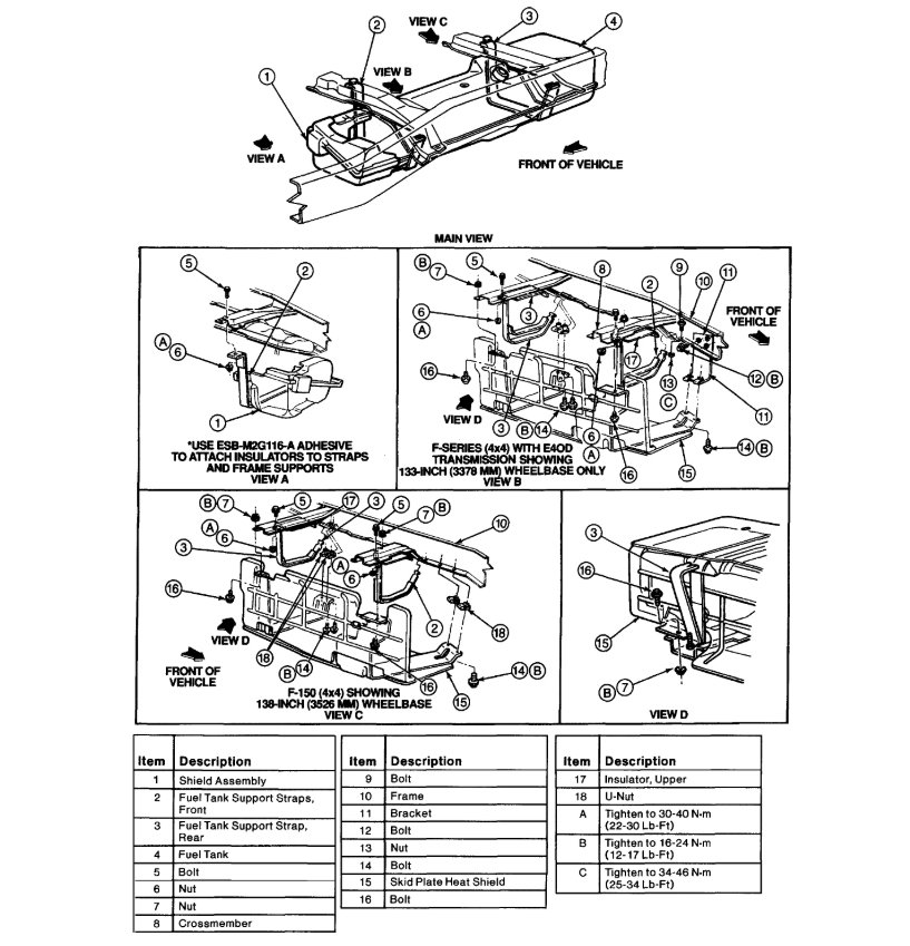
The fuel switching valve is on the side of the frame rail here are instructions and diagrams to show you how to change it out. Check out the diagrams (Below). Please let us know if you need anything else to get the problem fixed.

Jul 6, 2011 at 7:24 PM
Avatar
HERCULES275863
  • MEMBER
  • 1 POST
Fuel transfering from 1 tank 2 the other when driving just replaced both pump assemblies.
May 29, 2021 at 11:18 AM (Merged)
Advertisement
Avatar
ASEMASTER6371
  • CERTIFIED EXPERT
  • 52,796 POSTS
Good afternoon,

The fuel switching valve by the rear tank is stuck open allowing fuel to transfer. It should allow fuel from one tank only to the front, not transferring. I attached the location of the valve and the description.

Roy
May 29, 2021 at 11:18 AM (Merged)
Avatar
WINEMAN262
  • MEMBER
  • 2 POSTS
Have the truck listed above Eddie Bauer regular bed dual tank. I get fuel pumping from front tank to rear only. Runs fine on both tanks but seems the front pumps either it's return to the rear or pumps to the rear tank.Thought it might be the dual tank selector valve, but did not appear to be one along the chassis rail. Not sure if it is the fuel pump check valve problem in either tank or what. Ford says that it has a F1UZ9B263B fuel tank valve. But I can't seem to locate it anywhere. Can't find a schematic diagram of its location. Seems like both tanks T off main line to each tank. Assume same for the return line. Thanks for any help.
May 29, 2021 at 11:18 AM (Merged)
Avatar
JACOBANDNICKOLAS
  • CERTIFIED EXPERT
  • 110,175 POSTS
Hi,

I think I know what is happening. There is a fuel tank reservoir valve under the vehicle that is the likely problem. If you look under the driver's side door on the inside of the frame, there should be a black canister/fuel reservoir. See pic 1.

Check for that first. If it is there, you have two choices. You can purchase them on Amazon or eBay or you can try fixing the one you have.

What you will need to do is remove it from the vehicle, and remove the (I think 8) 10mm bolts from the top of it. When removed, there will be an orange diaphragm with one screw holding it in place. Remove the screw to expose a steel round plate. See pic 2.

I circled the part I am referring to in the pic. That is the item that determines if the front or rear tank is being used. Now, that steel plate can move up and down. When down, the front tank is being used. When down, the rear is used. What happens is the two steel slide rods attached to the round plate get dirty and no longer freely move up and down. As a result, fuel goes to different tanks when it shouldn't.

Take a good penetrating fluid and spray along the slides that hold the round plate and work it up and down until if feels free and moving smoothly.

Next, put it back together. Because there is fuel pressure in the reservoir, make sure to use a good sealant designed for fuel and heat when you reseal the top.

Let me know if you find it and if this helps. I've done it before because of the cost of replacement parts and it has worked fine. However, I can't guarantee it will do the job in all cases.

Take care,
Joe

May 29, 2021 at 11:18 AM (Merged)
Avatar
STRAILER
  • CERTIFIED EXPERT
  • 53,854 POSTS
Yours might not have a valve because it was a mid year shift. the reason the tank fills is because the check valve on the pump has gone bad. We used to replace both fuel pump assemblies when this happened which fixed the problem, but you may be able to locate the bad valve if you pull the front tank down. Here are the instructions in the diagrams below to help you fix the problem.

Fuel Pressure Check Valve Locations Components - COMPONENTS - Mounted on the In-Tank Fuel Pump.
May 29, 2021 at 11:18 AM (Merged)
Avatar
WINEMAN262
  • MEMBER
  • 2 POSTS
Thanks Ken. This is a big help. As you probably know Ford does not really support the older vehicles. These forums are about the only reliable source for information like this. Really appreciate this. This is what I assumed happened to this year. Thanks again
May 29, 2021 at 11:18 AM (Merged)
Avatar
STRAILER
  • CERTIFIED EXPERT
  • 53,854 POSTS
You are welcome please let us know what you find. Use 2CarPros anytime, we are here to help. Please tell a friend.
May 29, 2021 at 11:18 AM (Merged)
Avatar
DKIEFER774
  • MEMBER
  • 1 POST
when i depress my rear tank switch my truck instantally dies. so i took it to a repair shop they replaced the rear fuel pump and the front /rear dashboard switch. and it still dont work ? ant suggestions . Thankyou
May 29, 2021 at 11:18 AM (Merged)
Avatar
DAVE H
  • CERTIFIED EXPERT
  • 13,384 POSTS
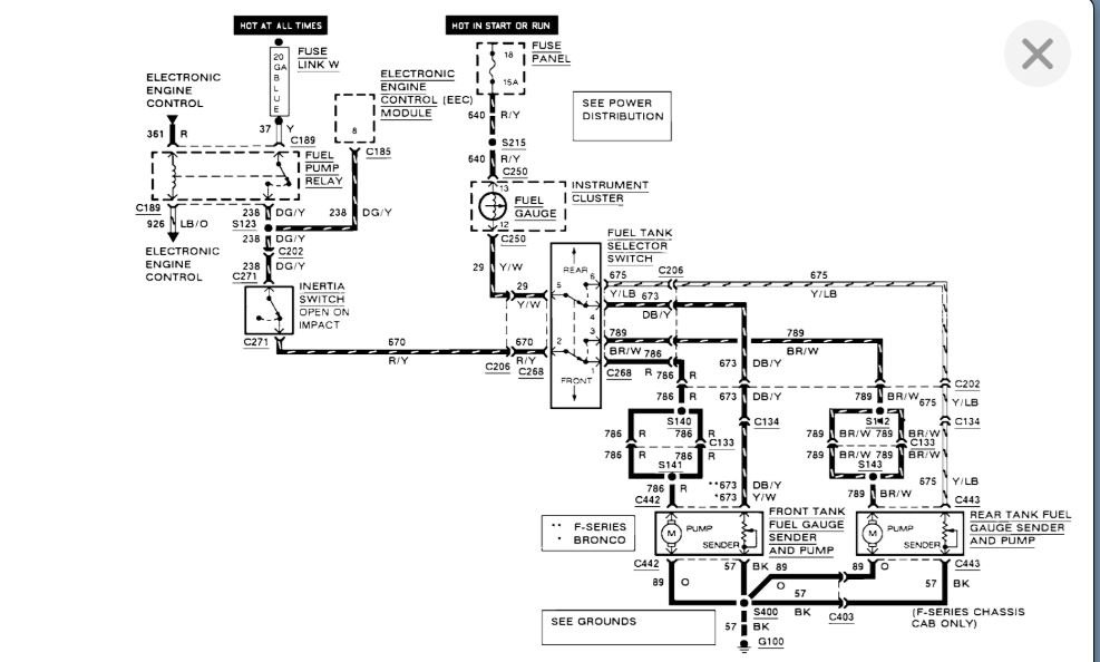
Hello .. thanks for the donation ..much appreciated Use a voltmeter to check you are getting a hot feed to the pump .. did the shop replace the whole FDA unit or just the pump .. the sender unit handles the tank switching ? Fuel Delivery Assembly (FDA) The FDA consists of a fuel pump inside a reservoir that is attached to the pump and sender assembly. See Fig. 1 . In a 2-tank system, there is one FDA per tank. Fuel sender assembly handles the fuel switching through internal valves. Fuel reservoir is used to prevent fuel flow interruptions during extreme vehicle maneuvers when fuel tank level is low. Reservoir is located in-tank and is either molded or welded into fuel tank or is part of FDA. Shuttle valve opens fuel return line to fuel tank when fuel pressure on shuttle diaphragm exceeds opposing check valve spring force. When pump is de-energized, supply check valve closes to maintain pump prime and fuel supply line pressure. A portion of high pressure flow from the pump is diverted to operate the venturi jet pump. The jet pump draws fuel from the tank into the FDA. This ensures adequate fuel supply during extreme vehicle maneuvers and steep vehicle attitudes when fuel level is low. If FDA is defective, it must be replaced as an assembly.


https://www.2carpros.com/forum/automotive_pictures/266999_150_7.jpg

hope this help's


https://www.2carpros.com/forum/automotive_pictures/266999_AAA2_654.png

May 29, 2021 at 11:18 AM (Merged)
Avatar
OLE GLORIOUS
  • MEMBER
  • 1 POST
Front pump works and rear does not.. front pump was replaced two years ago and ever since the return fuel feeds to the rear and not the front tank, is there a way to switch the return fuel feed back to the front?

To add to the description based on my diagnostic checks, I checked the fuel selector switch and fuses associated with the switch, checked the fuel pump fuse at the relay box. Checked for any obvious shorts in the power supply to the rear pump. Everything appears to be fine in those areas. I do not want to crime the return line to the rear tank so I was thinking maybe a way to disable the rear tanks power would tell the engines sensors to send it back to the front tank. Is this possible? If so then why would it send the return to a faulty fuel pump anyway?
May 29, 2021 at 11:18 AM (Merged)
Avatar
STEVE W.
  • CERTIFIED EXPERT
  • 15,113 POSTS
The return line is connected to both tanks. The only way to make sure it returns fuel only to the front tank would be to modify the return line so it only goes to the front tank. The system does not know the pump is bad as it does not monitor the pumps other than turning them on and watching the fuel pressure.
May 29, 2021 at 11:18 AM (Merged)
Avatar
CARL1125
  • MEMBER
  • 2 POSTS
on my 1996 f150? it starts fine and run good then it has no acceleration,like its running out of gas
May 29, 2021 at 11:20 AM (Merged)
Avatar
KHLOW2008
  • CERTIFIED EXPERT
  • 41,814 POSTS
You would need to test the switch or check the fuel pump operations when you toggle the switch.

Poor acceleration should not be due to a bad switch. If it is due to lack of gas, it could be a clogged filter.

Checking the pressure will help with this.

https://www.2carpros.com/articles/how-to-check-fuel-system-pressure-and-regulator

If the MIL is indicating, you need to get a scan done to retrieve the trouble codes and proceed from there.

Here is a guide that will help with this:

https://www.2carpros.com/articles/checking-a-service-engine-soon-or-check-engine-light-on-or-flashing

Let us know what you find. Thanks
May 29, 2021 at 11:20 AM (Merged)
Avatar
CARL1125
  • MEMBER
  • 2 POSTS
it was a bad fuel tank selector valve thank you for the help
May 29, 2021 at 11:20 AM (Merged)
Avatar
KEALEYS_DAD
  • MEMBER
  • 1 POST
My F150 is equipped with dual tanks. When I switch from the rear tank to the front tank it seems to 'starve' the engine of fuel for 1/2 a second or so.
Yesterday, when I switched from the rear tank to the front tank, there was simply no fuel being delivered to the engine. When I switched back, everything was fine. I think it could be a fuel pump issue from the front tank...but not sure. Hopefully you guys know what the deal is.
May 29, 2021 at 11:20 AM (Merged)
Avatar
DAVE H
  • CERTIFIED EXPERT
  • 13,384 POSTS
FUEL DELIVERY System Types Electric fuel delivery systems differ in design depending on model. System designs use one of the following configurations: Single tank with a single fuel pump. Single tank with one Fuel Delivery Assembly (FDA). See Fig. 2 . Dual tank with one FDA per tank. Fuel Delivery Assembly (FDA) The FDA consists of a fuel pump inside a reservoir that is attached to the pump and sender assembly. See Fig. 2 . In a 2-tank system there is one FDA per tank. Fuel sender assembly handles the fuel switching through internal valves. Fuel reservoir is used to prevent fuel flow interruptions during extreme vehicle maneuvers when fuel tank level is low. Reservoir is located in-tank and is either molded or welded into fuel tank or is part of FDA. Shuttle valve opens fuel return line to fuel tank when fuel pressure on shuttle diaphragm exceeds opposing check valve spring force. When pump is de-energized, supply check valve closes to maintain pump prime and fuel supply line pressure. A portion of high pressure flow from the pump is diverted to operate the venturi jet pump. The jet pump draws fuel from the tank into the FDA. This ensures adequate fuel supply during extreme vehicle maneuvers and steep vehicle attitudes when fuel level is low. If FDA is defective, it must be replaced as an assembly.


https://www.2carpros.com/forum/automotive_pictures/266999_pump_10.jpg

May 29, 2021 at 11:20 AM (Merged)
Avatar
CAPTAIN DAVE
  • MEMBER
  • 1 POST
Shut truck off while running on front tank. Five minutes later would not start. Started on rear tank, and would quit when switched back to front tank. Just put gas in both tanks, and read 1/2 each, will not run on front tank. This is my son's truck which he purchased a month ago, had been sitting quite a bit, though has been running fine since purchased. I do know history though don't know if old recalls were dealt with.
May 29, 2021 at 11:20 AM (Merged)
Avatar
HMAC300
  • CERTIFIED EXPERT
  • 48,601 POSTS
see pic on how to diagnose this system..it's apdf file.
May 29, 2021 at 11:20 AM (Merged)
Avatar
STRAILER
  • CERTIFIED EXPERT
  • 53,854 POSTS
Hello, We had a truck in the shop the other day had the same problem, it ended up being the tank switching valve was bad, we replaced it and the problem was fixed. These valves are difficult to test or I would have you check it out.

Please let us know if this fixes your problem.

Best, Ken
May 29, 2021 at 11:20 AM (Merged)
Avatar
HMAC300
  • CERTIFIED EXPERT
  • 48,601 POSTS
hmm just seeing pic first page didn't show up hope this one is better but it can also be the valve
May 29, 2021 at 11:20 AM (Merged)
Avatar
HMAC300
  • CERTIFIED EXPERT
  • 48,601 POSTS
let's see if this one works..............sorry about this.
May 29, 2021 at 11:20 AM (Merged)
Avatar
GORD RAYMER
  • MEMBER
  • 1 POST
I cannot find the check valve unit on my truck, it's a 2 wheel drive, 5 speed standard, 300 6 cylinder. when I switch to the rear tank, it pushes the fuel into the front tank, overfilling it, the gas pours out of the filler on the front tank.
May 29, 2021 at 11:20 AM (Merged)
Avatar
ASEMASTER6371
  • CERTIFIED EXPERT
  • 52,796 POSTS
Good afternoon,

The fuel tank switching valve is where the valve is located. You need to replace the valve. That is the one where all the lines come together under the truck.

I attached a picture of the new valve and the location for you to view.



Roy

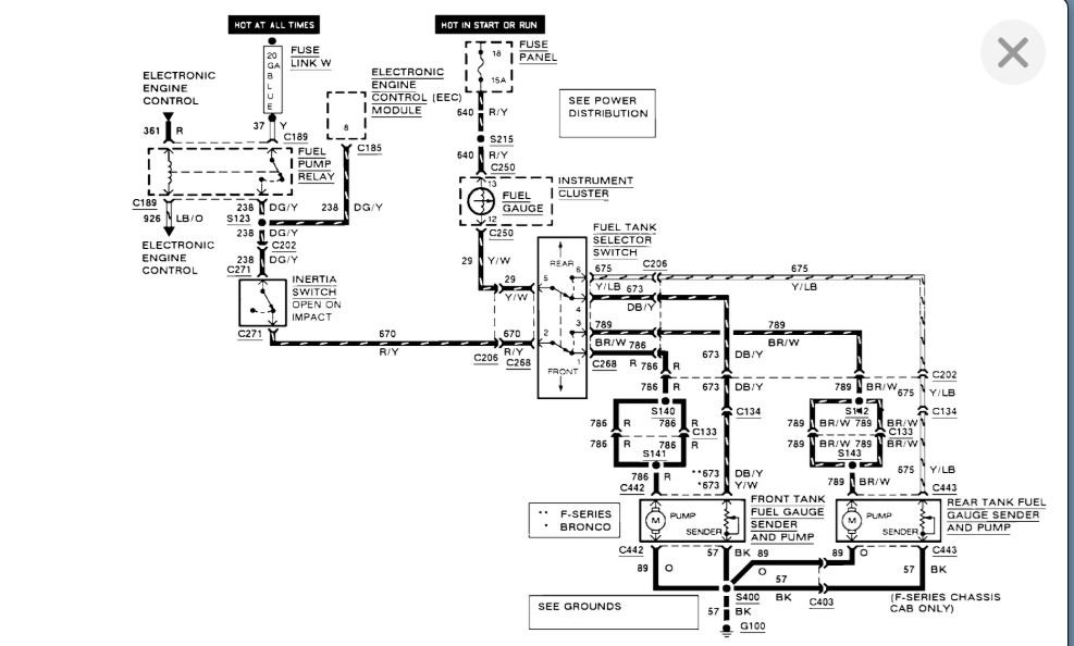
PURPOSE
The fuel tank selector switch is a driver controlled device that controls which fuel tank the vehicle is operating from. It also controls the switching between the fuel gauge senders in the tanks.

OPERATION
Voltage from fuse 6 is supplied to the fuel tank selector switch when the ignition switch is in START or RUN. The position of the fuel tank selector switch determines the direction in which the fuel tank selector valve motor will move. It also determines which fuel tank sender will control the fuel gauge operation.
May 29, 2021 at 11:20 AM (Merged)
Avatar
MSTRAWDER
  • MEMBER
  • 24 POSTS
It also has the dual tanks. I have seen so many conflicting statements about the components of the fuel system on this truck since I am experiencing a problem where when I use the front fuel tank (rear fuel pump is not working), fuel is running back into the rear tank and causing it to overflow. This truck has a fuel pump in each tank and another along the rail if I read everything correctly. However, what I'm unsure of is whether or not this truck has a fuel tank selector valve, or just the switch on the dash and the 3 pumps. Also, whether or not this issue would be solved by replacing the rear pump, which I believe has the check valves inside them.
May 29, 2021 at 11:20 AM (Merged)
Avatar
FREEMBA
  • CERTIFIED EXPERT
  • 1,152 POSTS
your truck has a Fuel Selector Valve. ($65 or so)
if your rear tank isn't working and you don't plan on using it, just plug the line which lead from the front tank to the fuel selector valve [not the one which send fuel to the engine.

otherwise you need to replace the rear pump and the fuel selector valve.
May 29, 2021 at 11:20 AM (Merged)
Avatar
MSTRAWDER
  • MEMBER
  • 24 POSTS
Thanks for the quick reply. Where is it located at? According to the parts store sites, it's on the left rail behind the driver door. The ONLY thing along that entire rail other than fuel lines that I can see is a standard fuel filter. I do plan on replacing the pump to be able to use the rear tank. When you flip the switch on the dash, you get nothing on 'rear', but the front pump buzzes like a champ when you switch to 'front'.
May 29, 2021 at 11:20 AM (Merged)
Avatar
FREEMBA
  • CERTIFIED EXPERT
  • 1,152 POSTS
I fouund out that there is no fuel selector valve on this truck (because of the year model and the fact that you have a switch on the dash). Anyway repalcing the rear pump should cure the problem. As i understand it the pump assembly have a check valve which prevents fuel from flowing into the tank through the fuel line from the other tank. so replacing the rear tank's fuel pump assembly should cure the problem.
May 29, 2021 at 11:20 AM (Merged)
Avatar
MSTRAWDER
  • MEMBER
  • 24 POSTS
Nice to hear that from an expert. That's what I thought after having done quite a bit of reading, but the fact that they sell that valve for my truck and conflicting info from several sites really made me wonder. You just saved me $65.00. Donation to the site always worth it.
May 29, 2021 at 11:20 AM (Merged)
Avatar
FREEMBA
  • CERTIFIED EXPERT
  • 1,152 POSTS
Sorry about the mix up. I called a buddy who works at a very good auto parts store and he said that they sold one for your truck, which led to the confusion. Please let me know how this all turns out. And of course, let us know if you need any more assistance.
May 29, 2021 at 11:20 AM (Merged)
Avatar
JIM JORDAN2
  • MEMBER
  • 1 POST
With front tank full drive about twenty miles front tank empty back tank full, when gas returns from engine it goes to rear tank instead going to front tank. Why?
May 29, 2021 at 11:20 AM (Merged)
Avatar
ASEMASTER6371
  • CERTIFIED EXPERT
  • 52,796 POSTS
Good morning.

There is a switching valve for the tanks. It directs fuel to the front as well as the return.

This vehicle does not use an external fuel tank switching valve. A supply check valve in the fuel pump assembly opens when the outlet pressure from the energized fuel pump exceeds the opposing check valve spring force.

It may be tough finding one considering the year of the truck.

Roy
May 29, 2021 at 11:20 AM (Merged)
Avatar
CVSTREETT
  • MEMBER
  • 1 POST
I have dual gas tanks. When I try to switch from back to front I get nothing. The manual says it is the fuel reservoir and that its located on the left side on the frame but I cannot find it. Any ideas? Also I'm having a problem with my idle. It will either idle to fast or to slow. Any help you can give will be greatly appreciated. Thanks cvstreett
May 29, 2021 at 11:20 AM (Merged)
Avatar
HMAC300
  • CERTIFIED EXPERT
  • 48,601 POSTS
try cleaning throttle plate on both sides and iac hole with choke cleaner. if it continues check fuel pressure with a gauge and for a vacuum leak. see pic for location
May 29, 2021 at 11:20 AM (Merged)
Avatar
WAYNE TRAMMELL
  • MEMBER
  • 1 POST
I was driving and my engine just quit. I poured fuel in the intake and it runs for a short time. The fuel pump doesnt come on with key. I have twin tanks and neither works so I ruled out the fuel pumps. I got a wireing diagram and checked the Relay Inertia switch and the tank switch and they all had 6.5 volts. Shouldnt it be 12v? I think maybe the fused link could be half blown. Does this sound logical and if so where is it?
May 29, 2021 at 11:20 AM (Merged)
Avatar
MERLIN2021
  • CERTIFIED EXPERT
  • 17,250 POSTS
It sounds like the fuel selector valve is bad here is the location in the diagrams below.


https://www.2carpros.com/forum/automotive_pictures/62217_150fuel_1.jpg


https://www.2carpros.com/forum/automotive_pictures/62217_150dt_1.jpg


https://www.2carpros.com/forum/automotive_pictures/62217_f150_1.jpg

May 29, 2021 at 11:20 AM (Merged)
Avatar
PKNUPSNIPS
  • MEMBER
  • 1 POST
My f 150 wont start. It has spark at the plugs. Fuel isn't getting to the fuel rails. the truck has two fuel tanks and i tried to start it using both tanks. it wont start with either tank. I replaced the fuel filter on the frame rail. I don't think its possible for both of the fuel pumps to go bad at the same time...Why isn't it getting fuel?

No I don't here the fuel pumps they are in the fuel tanks. I do here a relay click once right after I turn the key on.
May 29, 2021 at 11:20 AM (Merged)
Avatar
STRAILER
  • CERTIFIED EXPERT
  • 53,854 POSTS
Hello,

Those trucks had a big problem with the switch valve down on the frame rail between the tanks. Here is a diagram (below) of what the valve looks like.

Please let us know if you need anything else to get the problem fixed.

Cheers, Ken
May 29, 2021 at 11:20 AM (Merged)
Avatar
DAVEDUTTON
  • MEMBER
  • 1 POST
How can I ensure when ordering a fuel pump assembly for my 1995 F250 5.8L truck I get one with the shuttle valve selector in it. I don't have the fuel selector valve by driver's door.
Feb 14, 2023 at 4:19 PM
Avatar
STRAILER
  • CERTIFIED EXPERT
  • 53,854 POSTS
When you buy the pump, it will ask which system you have. I would go to ROCKAuto.com and do a search. Let me know what you find.
Feb 17, 2023 at 2:19 PM