Monday, June 19th, 2017 AT 8:48 PM
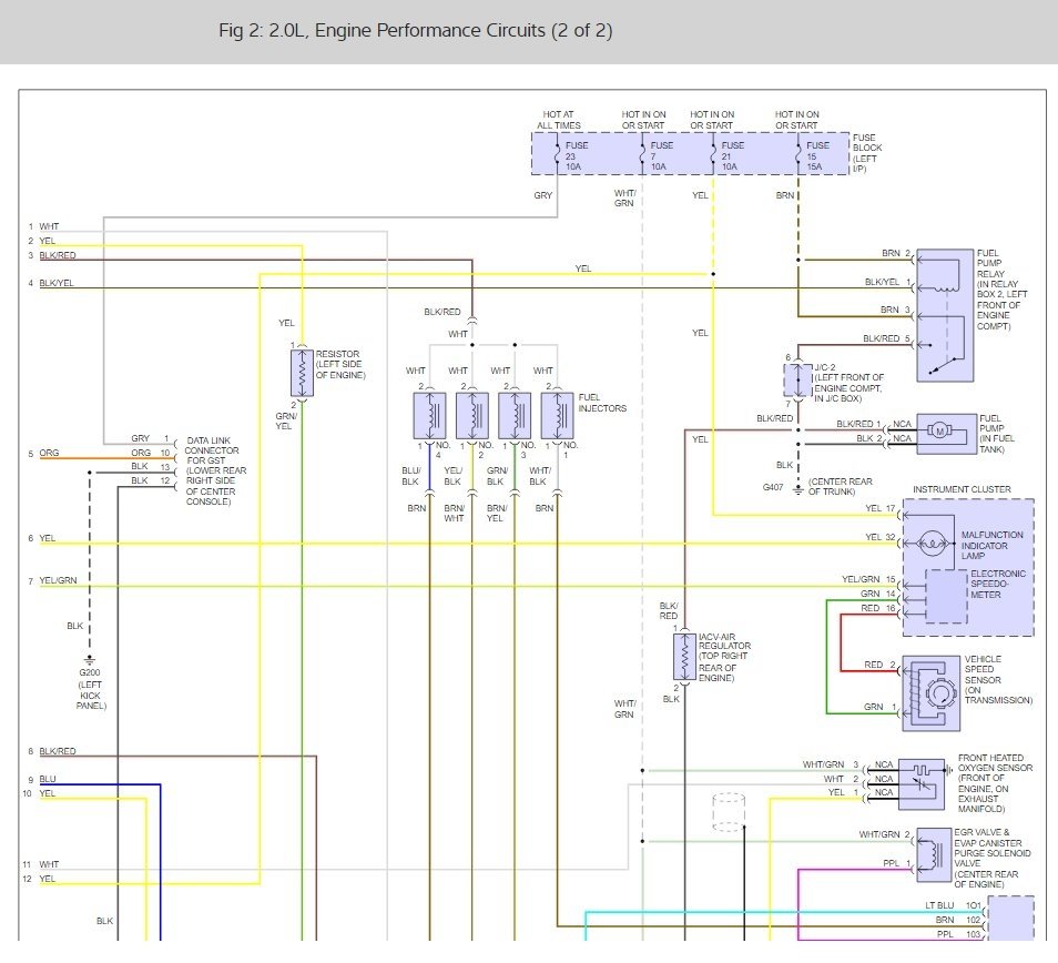
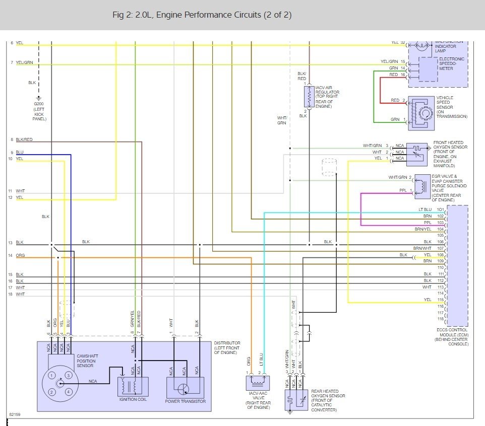
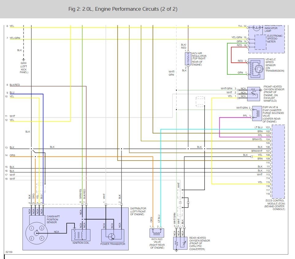
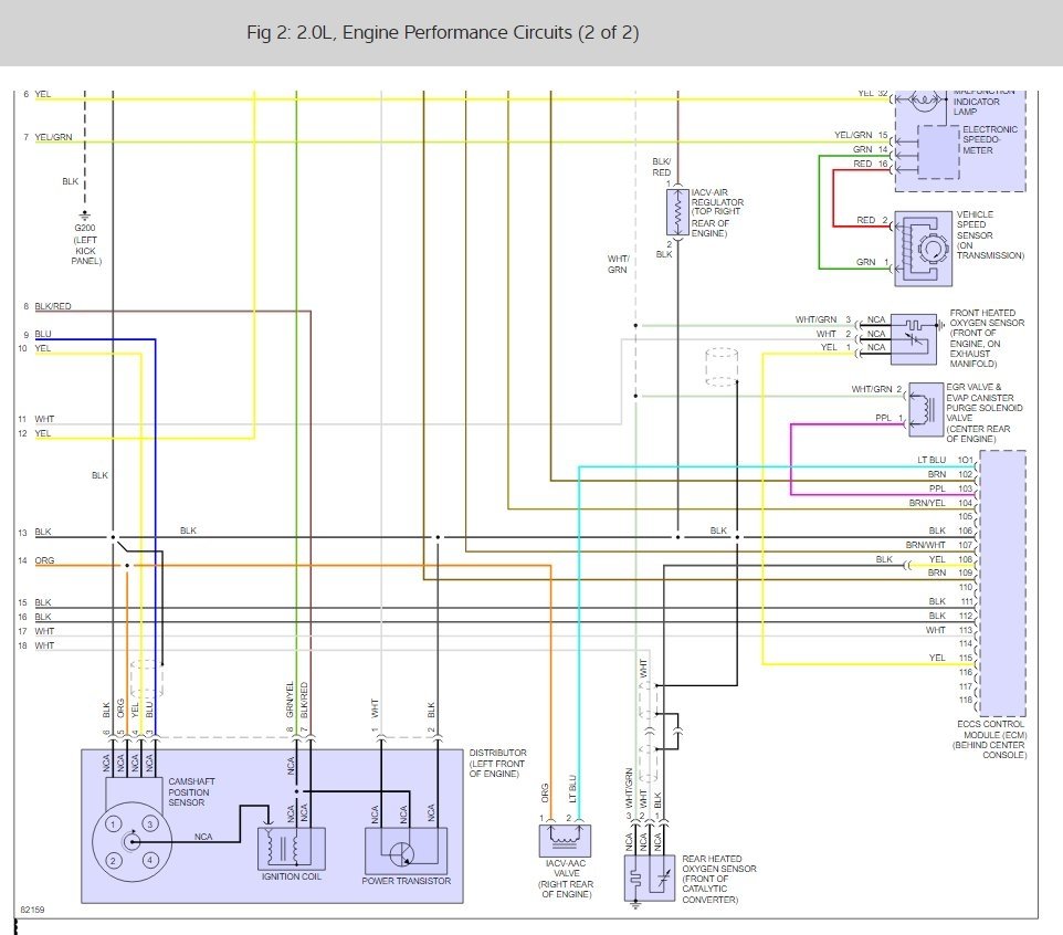
My car turned off of me while driving in the middle of the highway. Right before I got on the highway, the radio started to turn off and on. When I got on the highway, after reaching sixty mph, the lights on the dashboard got very bright, the high beams went on, the horn honked, and then the car completely shut off. I changed the battery since I saw it was leaking some water, mind you the batter is less than a year old but was under warranty so I was able to swap it out for free. The old battery was at fifty percent so the car apparently would not with that low of a charge. After changing the battery, the car still does not start. It cranks, but the engine does not start. My friend tests the spark plugs and there is no spark coming from them. Help!







