Starter Replacement Instructions

Tiny
WDISLEY
  • MEMBER
  • 1995 CADILLAC DEVILLE
  • V8
  • FWD
  • AUTOMATIC
  • 46,000 MILES
I would like to know how to replace my starter?
Friday, June 3rd, 2011 AT 8:02 PM

25 Replies

Tiny
KEN L
  • MASTER CERTIFIED MECHANIC
  • 54,860 POSTS
Hello,

Here is a guide and some diagrams to show you how to get the job done, you will need to jack the car up first.

https://www.2carpros.com/articles/how-to-replace-a-starter-motor

and

https://www.2carpros.com/articles/jack-up-and-lift-your-car-safely

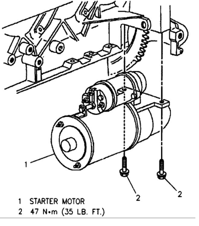
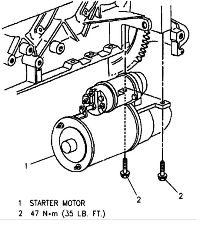
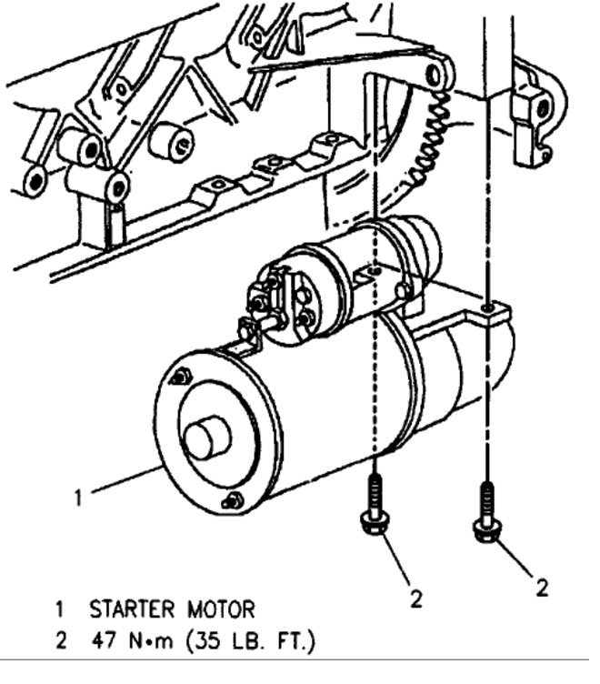
NOTE:On the 4.9L engine, the starter assembly is externally mounted and located on the right side of engine block.

Disconnect negative battery cable. Raise and support vehicle. As required, remove nuts from A/C compressor, exhaust system and/or engine braces, adjacent to starter. On M/T models, remove bending brace from around starter (if equipped). On all models, remove other items that may interfere with removal of starter.

If necessary, remove nut from engine cross brace. Using pry bar between upper engine mount and engine, pry rearward and support engine.

If necessary, remove oil filter, air induction tube and cooling fan. Remove flywheel inspection cover (if equipped). Remove starter solenoid terminal "S" nut and battery cable nut. Separate wiring from starter. Remove starter mounting bolts and any shims. Remove starter.

Please let me know if you need anything else to get the problem fixed.

Best, Ken
Was this
answer
helpful?
Yes
No
-1
Sunday, April 9th, 2017 AT 11:06 AM
Tiny
JOEBROWN1488
  • MEMBER
  • 10 POSTS
I need to know what wires to hook up on this Starter, can someone send me a link of a step by step guide or video on what wires go where. Thanks
Was this
answer
helpful?
Yes
No
+1
Thursday, April 5th, 2018 AT 1:07 PM
Tiny
KEN L
  • MASTER CERTIFIED MECHANIC
  • 54,860 POSTS
All wires that have a large eyelet go one the top lug, the one other wire with the small eyelet goes on the small lug with the nut on it (closest to the engine block).
Was this
answer
helpful?
Yes
No
+1
Thursday, April 5th, 2018 AT 5:11 PM
Tiny
JOEBROWN1488
  • MEMBER
  • 10 POSTS
Well I hooked up everything like you said, and then hooked up my battery and it started sparking real bad and a lot of smoke appeared down below by the fuse box. I then went down underneath to check it out and I seen that one of the wires that went to the starter done burnt up and stripped it. So no I didn't have any luck. So I gave up
Was this
answer
helpful?
Yes
No
+1
Friday, April 6th, 2018 AT 6:16 PM
Tiny
JOEBROWN1488
  • MEMBER
  • 10 POSTS
Along with this apply above here, that wire that burned up, it's black and leads to the fuse box down underneath so I'm guessing that's the ground wire. So what size gauge wire of amps would I have to get for the replacement of the ground wire that goes to the starter on my 92 Cadilliac El dorado?
Was this
answer
helpful?
Yes
No
Saturday, April 7th, 2018 AT 6:58 AM
Tiny
JOEBROWN1488
  • MEMBER
  • 10 POSTS
OH and by the way, this isn't a 95 Cadilliac Deville, this is a 92 Cadilliac Eldorado. So it's slightly different
Was this
answer
helpful?
Yes
No
Saturday, April 7th, 2018 AT 7:06 AM
Tiny
KEN L
  • MASTER CERTIFIED MECHANIC
  • 54,860 POSTS
Sorry about the trouble, pictures really help in these situations. Anyway it sounds like you burned up the fusible links which will need to be replaced.
Was this
answer
helpful?
Yes
No
Saturday, April 7th, 2018 AT 12:14 PM
Tiny
JOEBROWN1488
  • MEMBER
  • 10 POSTS
I checked all the fuses, and their all good. It was just the ground wire, which I replaced already. So is there any photos you can send me showing the type of starter solenoid my 92 Cadilliac Eldorado takes on the wiring so can get this right?
Was this
answer
helpful?
Yes
No
Monday, April 9th, 2018 AT 8:43 AM
Tiny
KEN L
  • MASTER CERTIFIED MECHANIC
  • 54,860 POSTS
I don't have a picture but here is the starter wiring diagram. You can see there are only two style of wires large eyelet and small. Please send me a picture of your hook up before you attach the battery cable.

Check out the diagrams (Below)

Please let us know what happens.

Cheers, Ken
Was this
answer
helpful?
Yes
No
Monday, April 9th, 2018 AT 10:59 AM
Tiny
JOEBROWN1488
  • MEMBER
  • 10 POSTS
Here's is the Starter Solenoid and the wires that go on it. I havnt hooked it up yet but maybe this will help with guiding me into the right direction
Was this
answer
helpful?
Yes
No
Monday, April 9th, 2018 AT 11:18 AM
Tiny
KEN L
  • MASTER CERTIFIED MECHANIC
  • 54,860 POSTS
I have drawn a blue arrow please tell me where this wire goes, and check any that go directly to ground. The yellow connector looks like the small trigger wire which is the only wire going to the small terminal on the solenoid. The rest go to the large lug but before connecting the blue arrow let me know.

Always connect the battery slowly by just touching it then letting off should only be a small spark.
Was this
answer
helpful?
Yes
No
Monday, April 9th, 2018 AT 3:57 PM
Tiny
JOEBROWN1488
  • MEMBER
  • 10 POSTS
That wire you see that has a arrow pointing to, is the black cable that goes to the negative side of the battery, you have the red one for the positive cable for and the black negative cable. They both go onto the starter solenoid. I do know that the positive side goes onto the bigger terminal on the starter.
Was this
answer
helpful?
Yes
No
Monday, April 9th, 2018 AT 6:41 PM
Tiny
KEN L
  • MASTER CERTIFIED MECHANIC
  • 54,860 POSTS
The one with the arrow is a ground cable and cannot be connected to the starter is should go to the engine block close to the starter.
Was this
answer
helpful?
Yes
No
+1
Tuesday, April 10th, 2018 AT 10:24 AM
Tiny
JERRYBE
  • MEMBER
  • 1 POST
  • 1991 CADILLAC DEVILLE
  • V8
  • FWD
  • AUTOMATIC
  • 17,000 MILES
What is the process for changing the starter motor?

Step by step would be sincerely appreciated

Thank you,

Jerry
Was this
answer
helpful?
Yes
No
Monday, February 25th, 2019 AT 2:26 PM (Merged)
Tiny
BLUELIGHTNIN6
  • MECHANIC
  • 16,542 POSTS


https://www.2carpros.com/forum/automotive_pictures/261618_Noname_630.jpg



https://www.2carpros.com/forum/automotive_pictures/261618_Graphic_63.jpg

Was this
answer
helpful?
Yes
No
+1
Monday, February 25th, 2019 AT 2:26 PM (Merged)
Tiny
GIZMOBEN
  • MEMBER
  • 6 POSTS
  • 1992 CADILLAC DEVILLE
As soon as I replace the starter it cranks and runs good, 2 days later cut it off run in a store and come back to start the car up and I get nothing.
Was this
answer
helpful?
Yes
No
+1
Monday, February 25th, 2019 AT 2:26 PM (Merged)
Tiny
JACOBANDNICKOLAS
  • MECHANIC
  • 110,189 POSTS
Check to make sure the starter and flywheel are meshing properly. Also, if you are getting a click or anything when it stops.
Was this
answer
helpful?
Yes
No
Monday, February 25th, 2019 AT 2:26 PM (Merged)
Tiny
GIZMOBEN
  • MEMBER
  • 6 POSTS
How would you check to see if it's meshing properly? I've never heard the typical flywheel sound on this car.
Was this
answer
helpful?
Yes
No
Monday, February 25th, 2019 AT 2:26 PM (Merged)
Tiny
JACOBANDNICKOLAS
  • MECHANIC
  • 110,189 POSTS
Check the flywheel and starter gears for damage or uneven wear. It could be putting too much of a strain on the starter. If you are getting remanufacturered starters, they could be bad. Also, when it doesn't start, try this. Have a helper turn the key to the start position while you check for voltage at the smaller wire on the starter. You should have 12 volts. If you do, the starter is bad. If there isn't 12 volts, check wiring, grounds, starter relay.
Was this
answer
helpful?
Yes
No
Monday, February 25th, 2019 AT 2:26 PM (Merged)
Tiny
GIZMOBEN
  • MEMBER
  • 6 POSTS
Which grounds do you suggest I check?
Was this
answer
helpful?
Yes
No
Monday, February 25th, 2019 AT 2:26 PM (Merged)

Please login or register to post a reply.