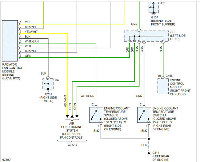
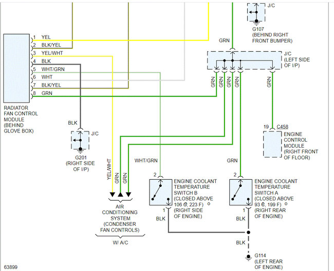
I recently installed some new parts in my car listed above ex -coupe. A 1. New radiator, 2. New thermostat, 3. New ect sensor (located under the distributor), 4. New fan switch a ( located on the thermostat housing) and new fan switch b ( located at the housing where upper radiator hose connects to the housing). All because part of my radiator cap broke off and fell inside the radiator and I had to thoroughly flush out the whole coolant system.
Everything seems to run ok except the fan does not turn on when the car is turned off (after driving )- in the past the fan used to run for 15-20 minutes after the car is shut off to cool the engine down. As per reading other stuff on the internet, it seems that fan switch b supposed to control that function --i.E to run the fan for 15-20 mins after the car is shut off. I have tested the new fan switch b in the hot water - its working fine and it does turn on at high temp ( 0 resistance).
However, when I jumped the electrical connector with the paper clip it does not turn any of the fans [ as opposed to when I jump the electrical connector on the fan switch a then both fans are turned on].
Do I have a faulty electrical connector to the fab switch b? Is there any way to test it ? Would I need to replace the connector wire and socket?
If someone can help me out how to diagnose the electrical issues with fan switch b and how to fix ( step by step)
Would greatly appreciate any kind suggestions
Thank you.
Regards
Monday, July 5th, 2021 AT 4:23 PM



