Monday, October 10th, 2011 AT 10:40 PM
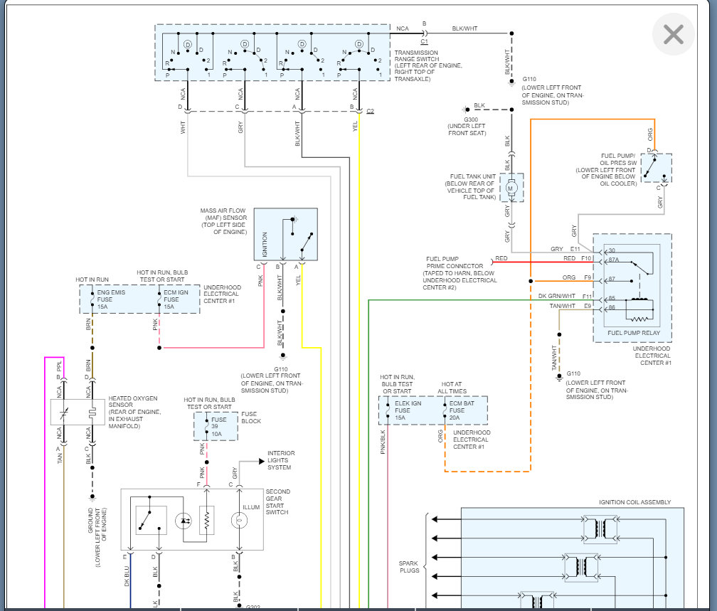
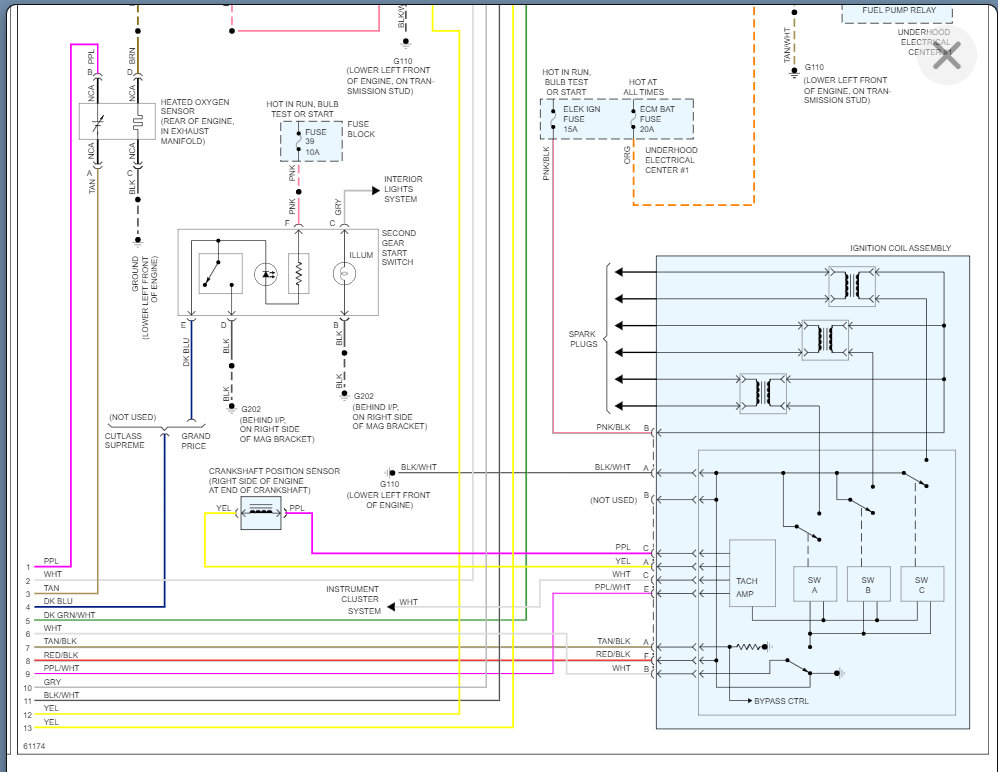
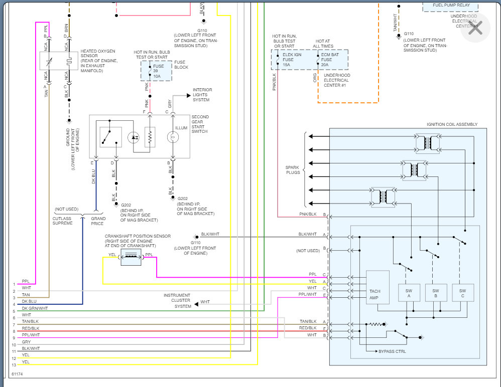
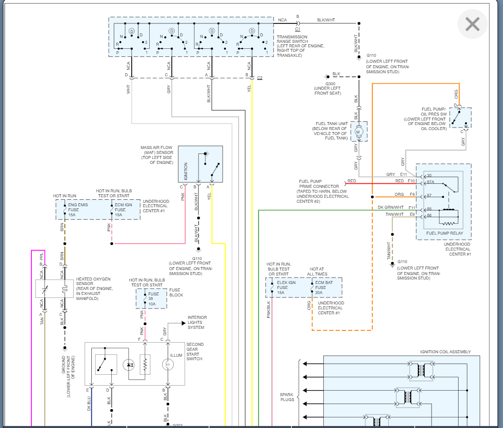
My van lumina 94 engine 3.8, I wait 10min. And turn back on and test ignition module, crankshaft sensor and wiring connections. I walk several miles, turn it off and then it does not turn on I wait a few minutes and it turns back on, sometimes it turns off driving





