Monday, July 21st, 2014 AT 7:07 PM
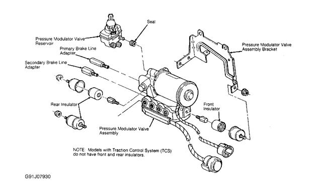
Brakes locked up all wheels. Disconnected the ABS Controller and the fuse for it. Drove it across Colorado w/no problems *drove cautiously." Replaced the ABS controller and it locked up again almost immediately. Disconnected it, let car cool and drove home. Did it again with controller disconnected. Had new brakes installed. Drove it again and locked up in hot weather. Mechanic released the brakes for me and drove home. What could be causing this? I have to transport vehicle across Colorado again and I don't have the money to buy a Pressure Modulator Motor. How do I keep it from locking up just to get it moved across the state so I can wait until I have enough money to have it fixed.


