HOME
ASK A QUESTION
REPAIR GUIDES
BECOME A MEMBER
LOG IN
Login with Facebook
OR
Remember me
NOT A MEMBER?
FORGOT PASSWORD?
CONTACT US
PRIVACY POLICY
TERMS AND CONDITIONS
☰
Home
Buick
Park Avenue
Brakes
Wheel Cylinder
1994 Buick Park Avenue altonater
CBVCNGCMHNVB
MEMBER
1994 BUICK PARK AVENUE
Electrical problem
1994 Buick Park Avenue 6 cyl Two Wheel Drive Automatic
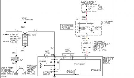
i need a diagram to rewire my altonater
Friday, August 20th, 2010 AT 1:47 PM
2 Replies
WRENCHTECH
MECHANIC
20,761 POSTS
What exactly are you trying to do?
Was this
answer
helpful?
Yes
No
Friday, August 20th, 2010 AT 1:55 PM
JDL
MECHANIC
16,098 POSTS
I found this diagram, below. I didn't see your post, wrenchtech, have a good day.
Was this
answer
helpful?
Yes
No
Friday, August 20th, 2010 AT 2:02 PM
Please
login
or
register
to post a reply.
Related Wheel Cylinder Content
1997 Buick Park Avenue Fuel Bomb
Engine Mechanical Problem 1997 Buick Park Avenue 6 Cyl Front Wheel Drive Automatic How Many Lbs Need The Fuel Bomb For Work Good
Asked by
hebreo
·
1 ANSWER
1997
BUICK PARK AVENUE
GUIDE
Wheel Cylinder Replacement
A brake system wheel cylinder is used to push against a set of brake shoes to help stop the car.
1994 Buick Park Avenue Excessive Brake Pedal Effort
Replaced Front Pads, Rotors, And Caliper Pins To Start. Pedal Got Firmer But Just As Heavy To Operate. Pedal Is Not Rock Hard So Booster...
Asked by
gregjyoung
·
7 ANSWERS
1994
BUICK PARK AVENUE
Repair
94 Buick Park Ave Right Rear Turn Signal Lights But Doesn't Blink, And The Right Rear Brake Light Does Not Go On When Brake Pedal Pressed....
Asked by
roger capron
·
1 ANSWER
1 IMAGE
1994
BUICK PARK AVENUE
1992 Buick Park Avenue Brake Pedal Down
Brake Pedal Goes To Floor When Pushed But Can Be Pumped Several Times To Get Car To Stop. No Leaks And Brake Fluid Level Is Ok. Guessing...
Asked by
hilreal
·
3 ANSWERS
1992
BUICK PARK AVENUE
Bleed An Abs System?
How Do You Bleed An Abs System
Asked by
widtrak77
·
2 ANSWERS
5 IMAGES
2000
BUICK PARK AVENUE
VIEW MORE
Ask a Car Question. It's Free!
Brake Shoe and Drum Replacement
Bleed your ABS Brake System Correctly Video
How to Bleed and Flush Your Vehicle Brakes