No digital fuel reading or climate control reading?

Tiny
DARKMAN1952
  • MEMBER
  • 1990 CADILLAC DEVILLE
  • 4.5L
  • V8
  • FWD
  • AUTOMATIC
  • 150,000 MILES
I get no digital fuel reading or climate control reading. Blower fan keeps turning on and can't turn off using control panel.
Thursday, January 15th, 2015 AT 2:02 PM

2 Replies

Tiny
CADIEMAN
  • MECHANIC
  • 3,544 POSTS
1 of the 2 panels is bad and may have a bad blower module also. Remove the dash wood grain panels then the 2 panels. Then unplug the a/c panel does the fuel center light up? If not plug it back in and disconnect the fuel center does the a/c panel light up? Replace the one that fails to light.
Was this
answer
helpful?
Yes
No
Thursday, January 15th, 2015 AT 3:20 PM
Tiny
KEN L
  • MASTER CERTIFIED MECHANIC
  • 55,538 POSTS
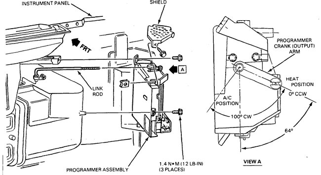
I have seen the HVAC digital programmer go out and cause this issue, here is the location so you can swap it out which should fix the problem. Check out the images (below). Let us know how it goes
Was this
answer
helpful?
Yes
No
Tuesday, October 29th, 2024 AT 5:15 PM

Please login or register to post a reply.