No fuel spray at injectors

Tiny
COLBY HELLER
  • MEMBER
  • 1989 DODGE RAMCHARGER
  • 5.2L
  • V8
  • 2WD
  • AUTOMATIC
  • 210,000 MILES
I have 14.5PSI fuel pressure. I've ohmed, continuity tested, and voltage drop tested all the wiring. I've checked ASD relay 12v all around. 2.5 ohms on low impedance injectors. I can manually pulse injectors and they fire with 9v. Any help needed. I have between 0.8v and 2v at injectors and I have injector pulse. Trying to find where my injector voltage is going.

Truck listed above is a 1989 Dodge d100 318 TBI.
Saturday, January 8th, 2022 AT 2:08 PM

4 Replies

Tiny
COLBY HELLER
  • MEMBER
  • 3 POSTS
I've also checked the pickup coil and it reads 0.5v and 5v.
Was this
answer
helpful?
Yes
No
Saturday, January 8th, 2022 AT 2:12 PM
Tiny
CARADIODOC
  • MECHANIC
  • 34,481 POSTS
The first thing to do is to check for spark.

https://www.2carpros.com/articles/how-to-test-an-ignition-system

By far most crank / no-starts are caused by a failure of both the fuel and ignition systems at the same time. I'm confused as to what kind of test you performed on the pick-up coil. If you have spark, the pick-up coil is working.

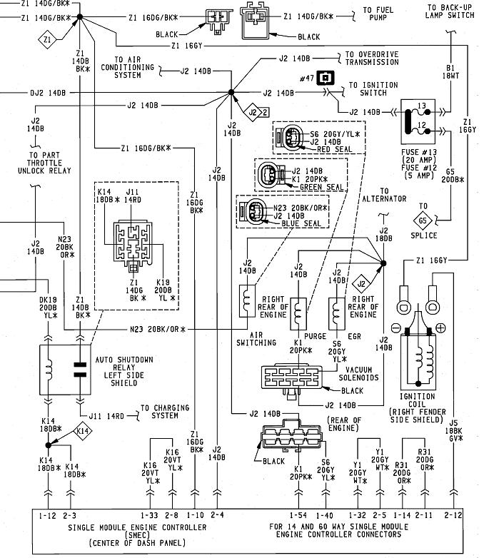
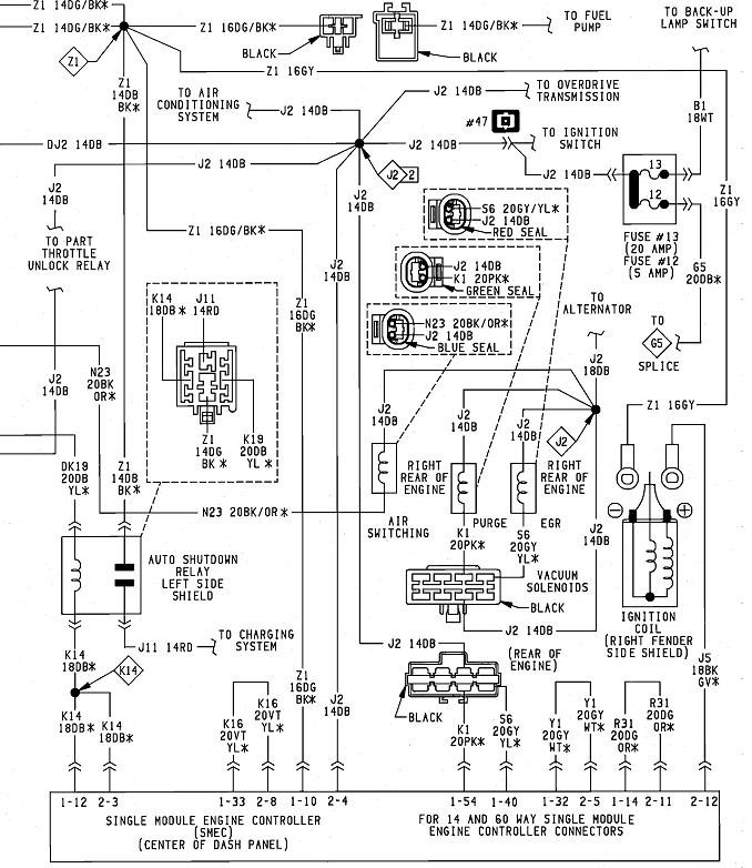
If spark is okay, that proves the automatic shutdown, (ASD) relay is turning on during engine rotation, (cranking). That relay supplies the 12 volts to the injectors as well as to the ignition coil. Since you have 2.0 volts or less at the injectors, there has to be a break in that supply circuit. A good suspect would be corroded terminals in the 8-pin connector I have circled in red.

Voltages in this circuit have to be measured while a helper is cranking the engine, so the ASD relay is on.

Let me know what you find.
Was this
answer
helpful?
Yes
No
Saturday, January 8th, 2022 AT 4:34 PM
Tiny
COLBY HELLER
  • MEMBER
  • 3 POSTS
Thank you for that picture. I fixed the wire and I have 11.98v to both injectors and an injector pulse with a Noid light. Now the injectors are firing correctly. But I lost fuel pressure, it went from 14.5 PSI while cranking to 10 PSI cranking. What could be a miss there? Because I have new fuel lines, fuel pump, sock and filter. I also have gas spraying out of the rubber hose to the return line when it is detached from the fuel line and put in a container. Not sure if it's supposed to do that or not.
Was this
answer
helpful?
Yes
No
Sunday, February 20th, 2022 AT 6:26 PM
Tiny
CARADIODOC
  • MECHANIC
  • 34,481 POSTS
The fuel pump moves about a gallon per minute. A tiny part of that gets diverted to go through the injectors into the engine. Most of that fuel goes through the fuel pressure regulator, then back into the tank. If it's that return line you disconnected and you're getting a lot of fuel during engine cranking, that verifies there's enough pressure to kick in the regulator.

Another test is to use a hose pinch-off pliers to block the return line. That should make fuel pressure jump up quite a bit. If it does, the pump is okay. If pressure remains too low, see what happens to it one or two seconds after you turn on the ignition switch without cranking the engine. During cranking, battery voltage is drawn down to as low as ten volts. That makes the fuel pump run slow during cranking. The pump speed will pick up once the engine is running and the starter has been turned off.
Was this
answer
helpful?
Yes
No
Monday, February 21st, 2022 AT 6:37 PM

Please login or register to post a reply.