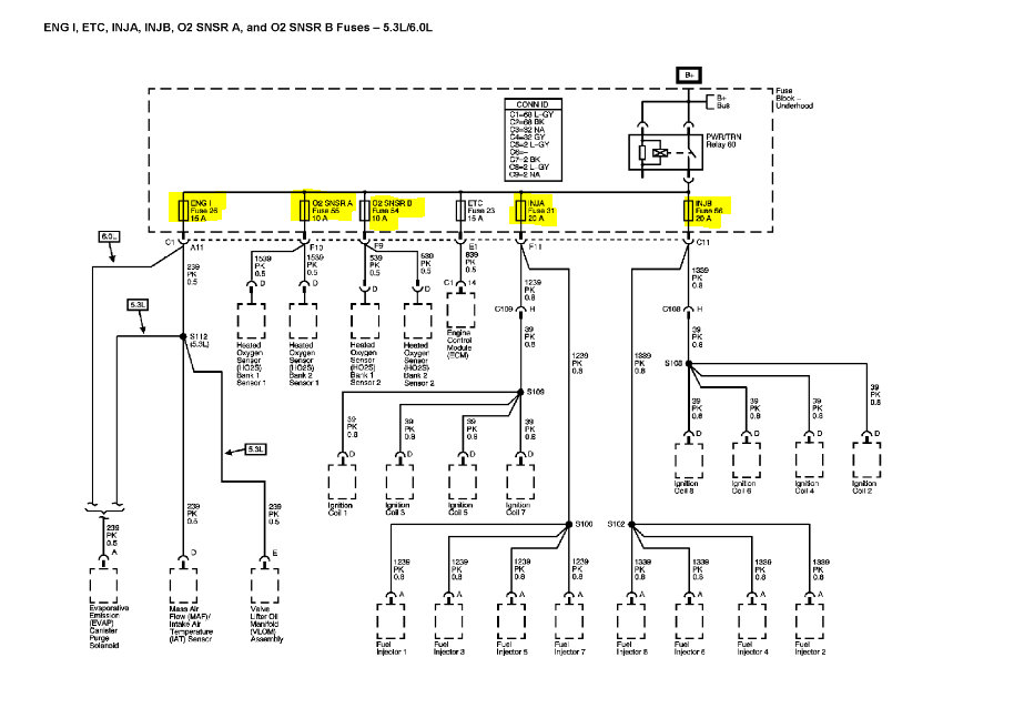
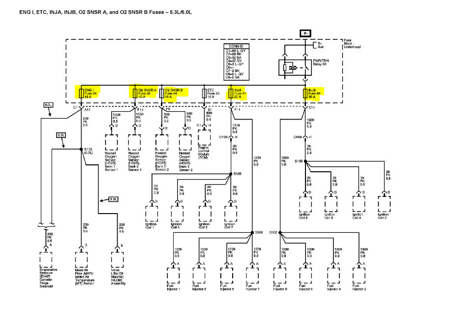
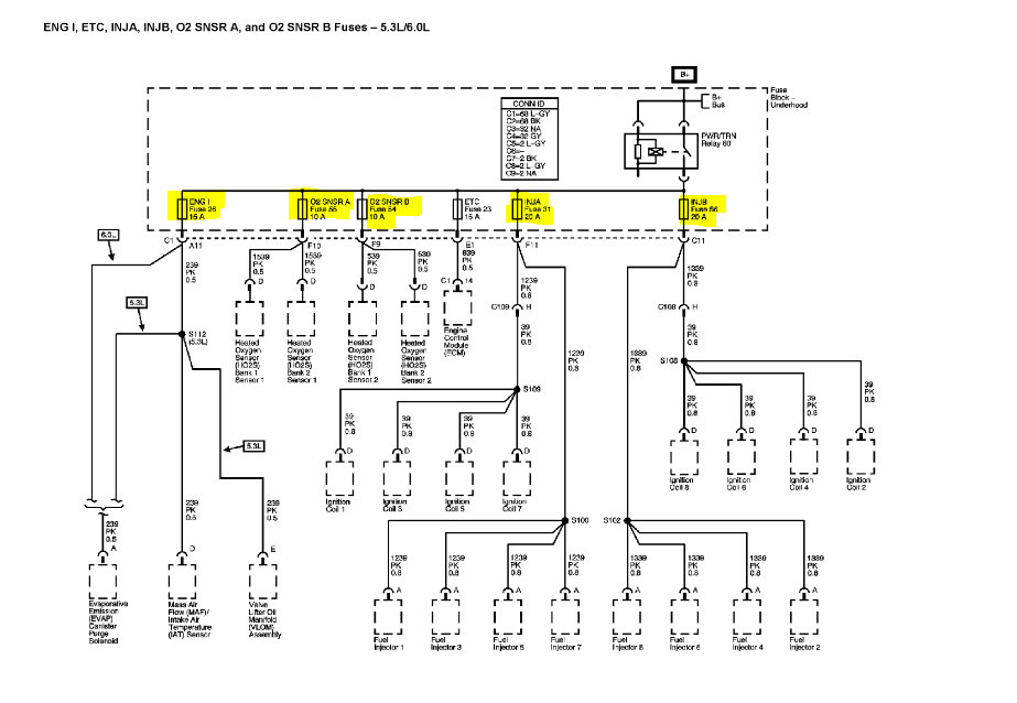
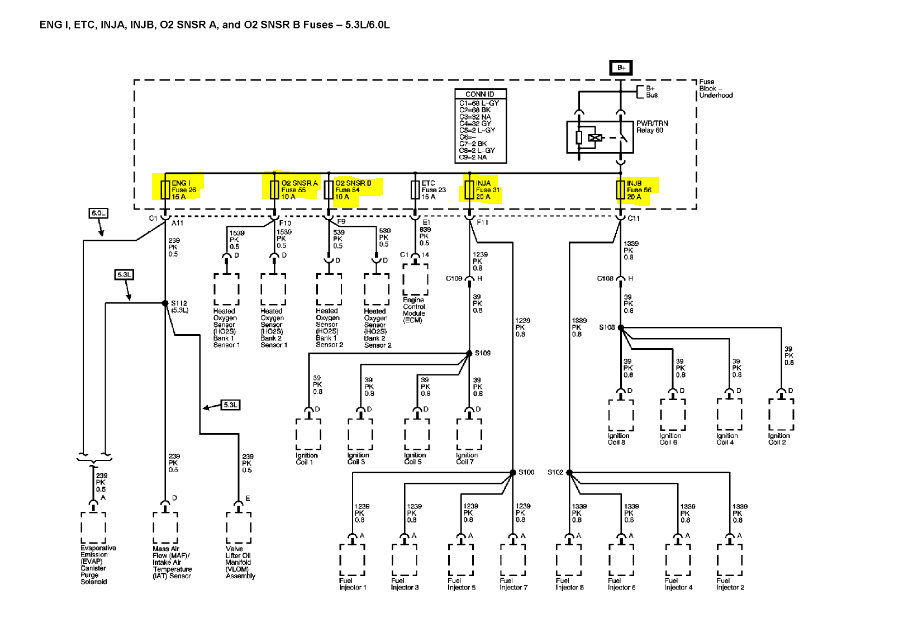
Friday, October 18th, 2019 AT 11:16 PM
I have the vehicle listed above that will crank but won’t start unless it wants to. I just put a brand new alternator in it, got the battery checked and it’s fine but nothing is working. As soon as I turn it off it starts doing it again. I took it to two places and seen what the check engine light was for and a bunch of codes said battery to ground or something like that, but I’m pretty sure I fixed that because the light went off. The people I bought it from said they took it to three different mechanics and non of them could figure out what was wrong.






























