No crank

Tiny
SA_BRINA
  • MEMBER
  • 2005 FORD EXPEDITION
  • V8
  • 2WD
  • AUTOMATIC
  • 180,000 MILES
I try to start my SUV but nothing happens. We replaced the battery and starter and it still will not start. Battery and starter both test good. I have a gas to lean code. I was told by a mechanic my camshaft sensors would need to be replaced but that is not what is causing this problem. Please help.
Sunday, December 9th, 2018 AT 2:46 PM

7 Replies

Tiny
HARRY P
  • MECHANIC
  • 2,296 POSTS
Hello and thanks for using 2CarPros. I would like to know if you have tried moving the shifter around while turning the key and even putting it in neutral. If this gets it to start, then the problem is in the range switch/sensor, which is bolted on to the transmission (see image below). That switch/sensor has the job of simply telling the computer what gear that the car is in. If the computer sees that the car is in any gear other than P or N, then it will not allow you to start the truck properly.

Also, here is a general guide that we have prepared on this subject: https://www.2carpros.com/articles/starter-not-working-repair

If that is not the issue, then I would suggest taking the key to the dealership and having it tested to make sure that there is not a problem with it. Try those and get back to us. We will go from there.
Was this
answer
helpful?
Yes
No
Sunday, December 9th, 2018 AT 8:00 PM
Tiny
SA_BRINA
  • MEMBER
  • 4 POSTS
The key turns just the engine will not do anything. I will check and let you know.
Was this
answer
helpful?
Yes
No
Sunday, December 9th, 2018 AT 8:15 PM
Tiny
KEN L
  • MASTER CERTIFIED MECHANIC
  • 55,481 POSTS
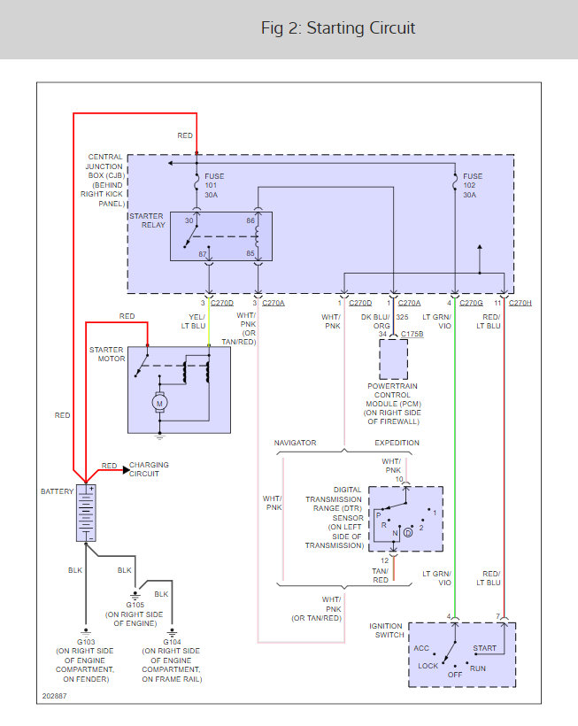
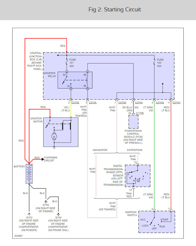
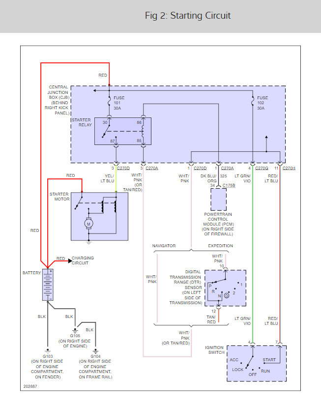
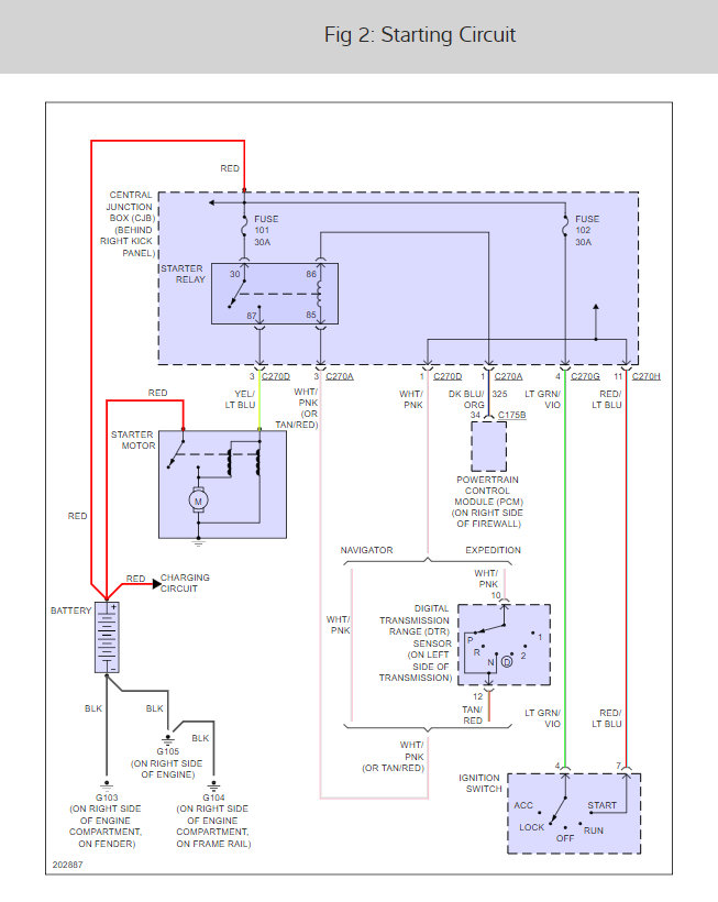
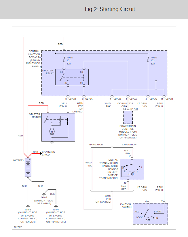
Is the security light flashing? If not I would check the starter relay. Here is a guide to help and the wiring diagrams so you can see how the system works and the location of the relay below:

https://www.2carpros.com/articles/how-to-check-an-electrical-relay-and-wiring-control-circuit

Check out the diagrams (below). Please let us know what you find. We are interested to see what it is.

Cheers, Ken
Was this
answer
helpful?
Yes
No
Friday, December 14th, 2018 AT 11:23 AM
Tiny
HARRY P
  • MECHANIC
  • 2,296 POSTS
The key can turn the ignition and still not be able to crank the engine, if there's a problem with the key, the security system, the ignition switch, or as Ken suggested the relay to the starter. I'm just trying to go through a diagnostic process to figure out what's going exactly, and then then we'll be able to get it fixed.
Was this
answer
helpful?
Yes
No
Friday, December 14th, 2018 AT 8:13 PM
Tiny
SA_BRINA
  • MEMBER
  • 4 POSTS
Thank you guys. My dad replaced a fuse but the car still wouldn't start. Turned out there was something disconnected under the hood. We did not disconnect it and are investigating vandalism. Again thank you so much.
Was this
answer
helpful?
Yes
No
Monday, December 17th, 2018 AT 9:24 AM
Tiny
HARRY P
  • MECHANIC
  • 2,296 POSTS
Oh God I've played that trick on people before. But mainly ones who didn't need to be driving because they were too drunk and insisting that they were okay. Anyways, I'm glad you got it figured out.
Was this
answer
helpful?
Yes
No
Tuesday, December 18th, 2018 AT 4:09 AM
Tiny
SA_BRINA
  • MEMBER
  • 4 POSTS
Yea, I have an idea who it is.
Was this
answer
helpful?
Yes
No
Tuesday, December 18th, 2018 AT 5:48 AM

Please login or register to post a reply.