HOME
ASK A QUESTION
REPAIR GUIDES
BECOME A MEMBER
LOG IN
Login with Facebook
OR
Remember me
NOT A MEMBER?
FORGOT PASSWORD?
CONTACT US
PRIVACY POLICY
TERMS AND CONDITIONS
☰
Home
Ford
Escort
Engine
Symptoms
Stall While Driving
Will not stay running
CBRICHINS
MEMBER
1992 FORD ESCORT
1.9L
FWD
MANUAL
100,000 MILES
I turn the key, engine starts, I release the key, engine stops running.
The injector line has fuel pressure. Always starts, does not continue running.
Wednesday, December 28th, 2016 AT 11:13 PM
1 Reply
KEN L
MASTER CERTIFIED MECHANIC
55,440 POSTS
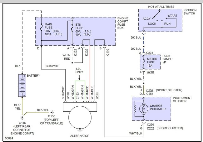
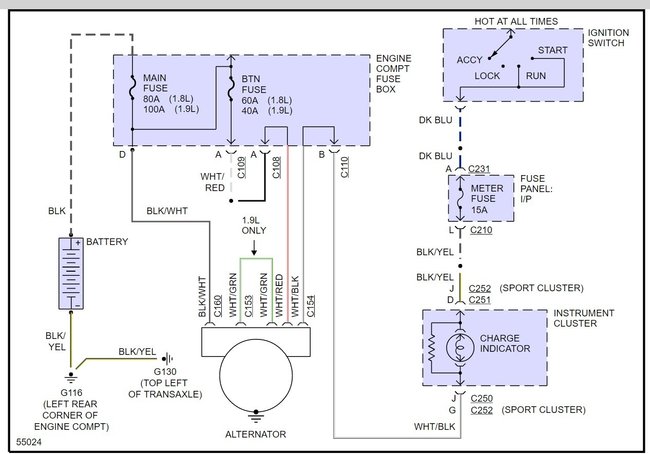
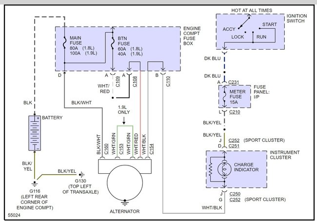
Hey CBRICHINS,
this sounds like you have an ignition switch that has gone bad, here is a wiring diagram and a guide so you can do some testing. Also check the fuses.
https://www.2carpros.com/articles/how-to-check-a-car-fuse
and
https://www.2carpros.com/articles/how-to-use-a-test-light-circuit-tester
Please let us know happens so it will help others.
Best, Ken
Images (Click to make bigger)
Was this
answer
helpful?
Yes
No
Tuesday, January 3rd, 2017 AT 12:32 PM
Please
login
or
register
to post a reply.
Related Engine Stall While Driving Content
1992 Ford Escort Engine Died At Highway Speed And...
While Driving Down The Highway At Approximately 60 Mpht He Car Died And Would Not Restart. It Turns Over But Doesn't Start. None Of The...
Asked by
CEWilsonjr
·
11 ANSWERS
1992
FORD ESCORT
VIDEO
How to Read Codes
Instructional repair video
GUIDE
Engine Stalls While Driving
An engine that stalls while driving and then starts back up again, either immediately or after a short time is different from an engine that just wont start or if the...
1992 Ford Escort It Just
I Had A Gentleman Start On Some Work Replacing And Fuse (100a) But He Never Finished. I Ended Up Doing It Myself And My Car Used To Both...
Asked by
confusedcarowner
·
1 ANSWER
1992
FORD ESCORT
1992 Ford Escort
My Car Stalled And The Dash Indicator Message Said Fuel Cut Out
Asked by
roger1950
·
3 ANSWERS
1 IMAGE
1992
FORD ESCORT
Car Shut Off While Driving, Now No Electric, Does...
Towed To Shop, At Garage, Put In New Brain, Still The Same, And They Don't Know What To Do, Could It Be A Fuse Or A In Line Fuse...
Asked by
jshultz
·
2 ANSWERS
1 IMAGE
1995
FORD ESCORT
1999 Ford Escort Car Noise While Driving And After...
Noises Problem 1999 Ford Escort Automatic 108771 Miles My Car Will Start Making A Squealing Or Squeeking Noise After It Has Been...
Asked by
anm81
·
1 ANSWER
1999
FORD ESCORT
VIEW MORE
Ask a Car Question. It's Free!
Is it Safe to Drive Check Engine Light?
Code Read Retrieval/Clear Honda
Code Read Retrieval/Clear