Replaced the starter, starter relay and battery, still will not crank?

Tiny
TRUPETWAY
  • MEMBER
  • 1997 GMC YUKON
  • 220,000 MILES
The battery meter on the dash shows 1/4 percent.
Saturday, December 9th, 2023 AT 7:11 AM

1 Reply

Tiny
KEN L
  • MASTER CERTIFIED MECHANIC
  • 55,322 POSTS
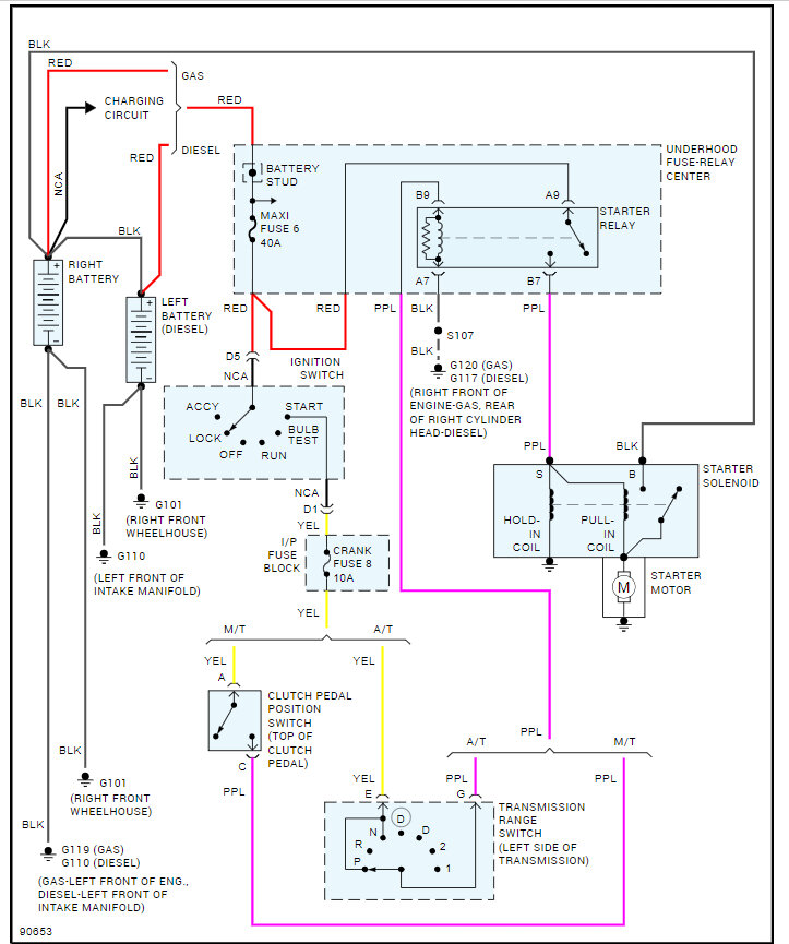
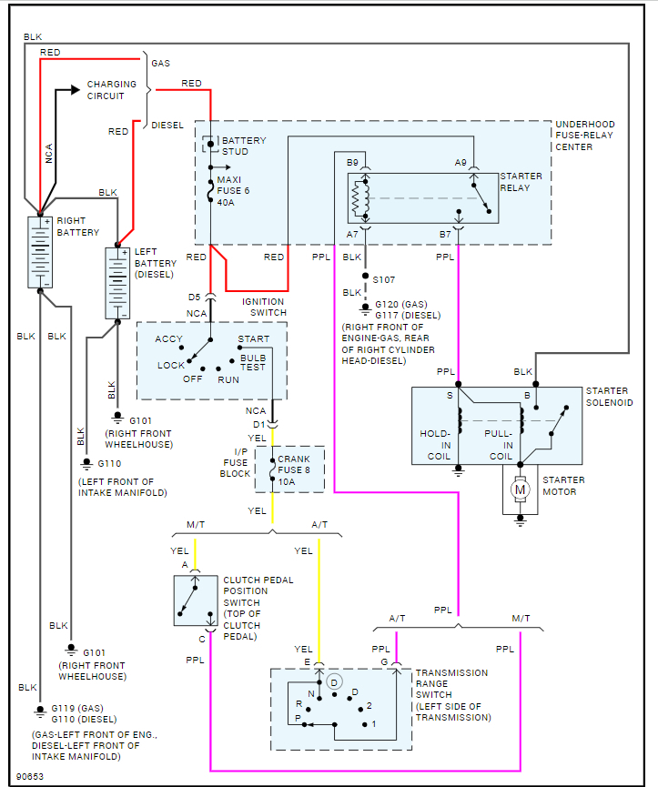
Will it crank over in neutral? If so, you have a bad gear range sensor on the transmission. I would see if the trigger wire is getting power when the key is in the crank position. If so, you have a defective starter motor, or the engine is locked up. Here is a guide to help us see what's going on and I have included the starter wiring diagrams below so show you how the system works:

https://www.2carpros.com/articles/starter-not-working-repair

and

https://www.2carpros.com/articles/engine-seized-test

Here is how to change out the gear range sensor in case it cranks in neutral. Check out the images (below). Please upload pictures or videos of the problem so we can see what's going on.

Was this
answer
helpful?
Yes
No
Saturday, December 9th, 2023 AT 10:06 AM

Please login or register to post a reply.