Will not start?

Tiny
AMY VELASQUEZ-ESTES
  • MEMBER
  • 2001 NISSAN PATHFINDER
  • 3.5L
  • 6 CYL
  • 4WD
  • AUTOMATIC
  • 225,000 MILES
I've replaced the starter, the alternator, and the battery and the car won't start. Every time I turn the key to start it blows my 7.5-amp elec ignition fuse under my dashboard.
Sunday, July 16th, 2023 AT 12:39 PM

23 Replies

Tiny
AL514
  • MECHANIC
  • 5,596 POSTS
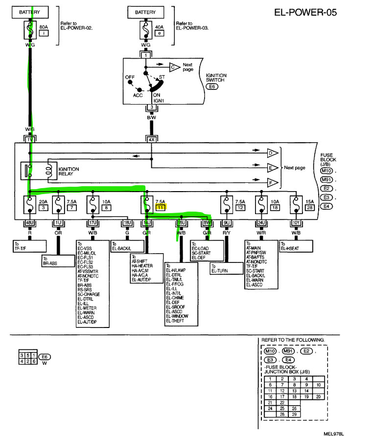
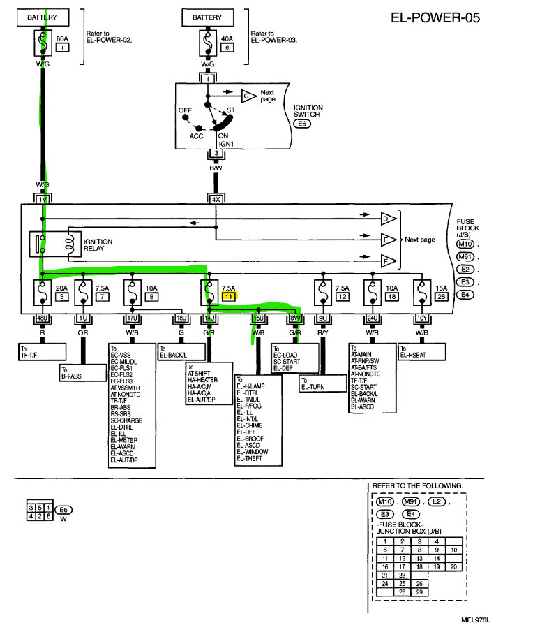
Hello, can you identify which 7.5-amp fuse it is from the Fuse panel diagram? Service info doesn't list exactly what fuse the Elec Ign Fuse is. This is the fuse panel under the dash.
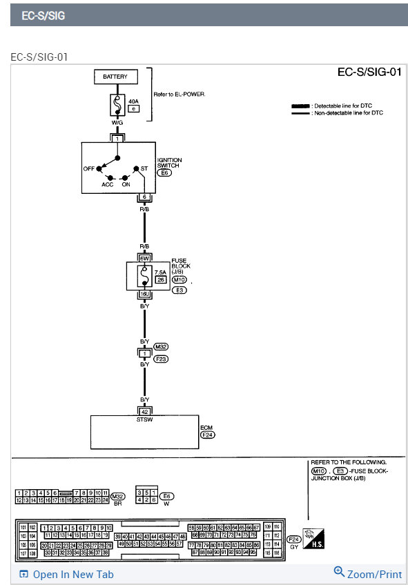
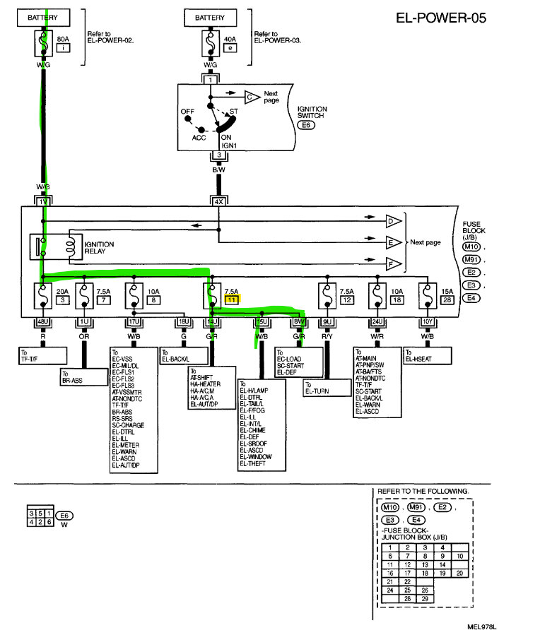
It looks like it might be Fuse 11 7.5a because that feeds the engine controls, starting, charging, and a host of other circuits that come off of that small fuse,
In the 2nd diagram below it's labelled EC-IGN Fuse 62 7.5a but this fuse is supposed to be in the engine compartment fuse panel.
Was this
answer
helpful?
Yes
No
Sunday, July 16th, 2023 AT 1:07 PM
Tiny
AL514
  • MECHANIC
  • 5,596 POSTS
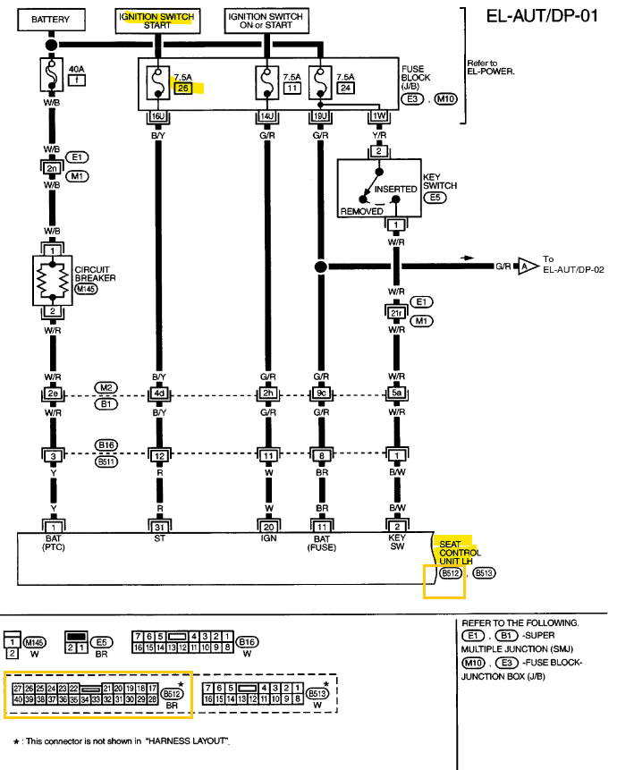
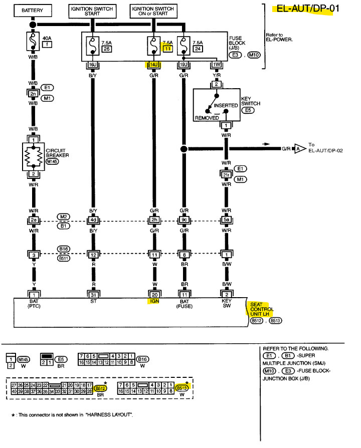
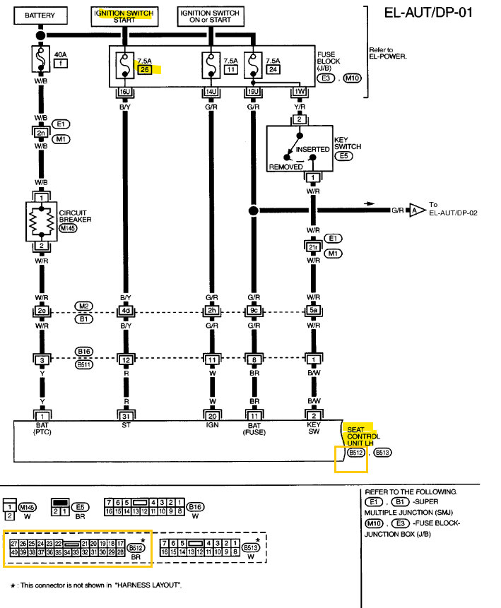
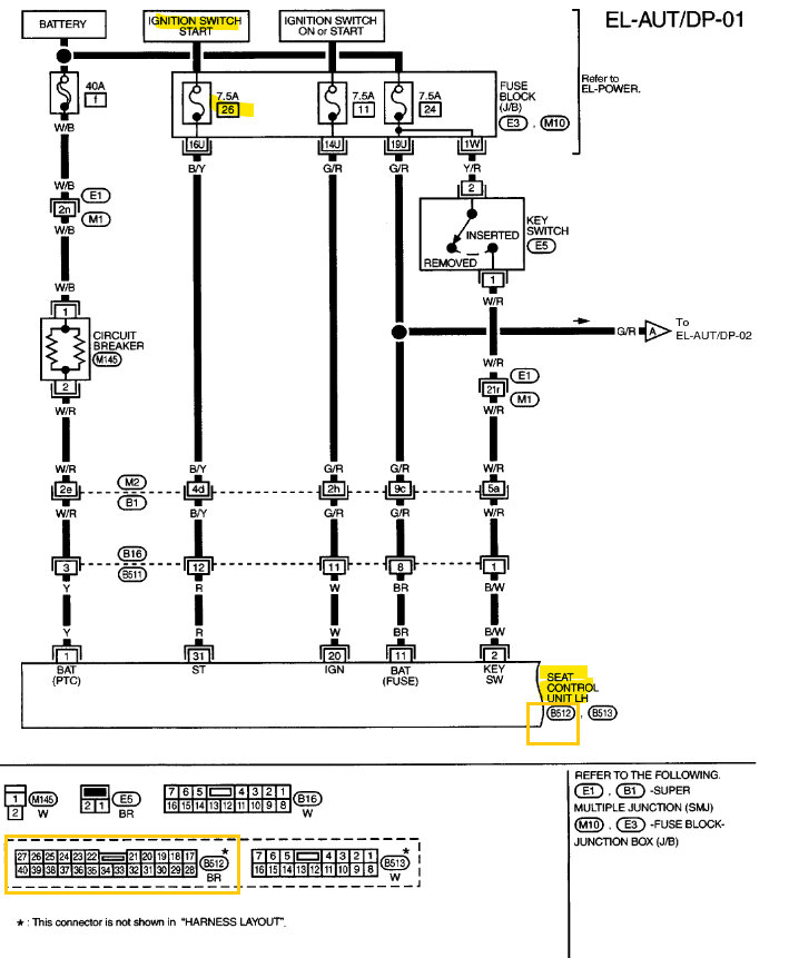
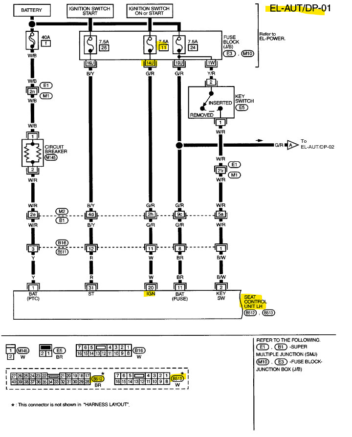
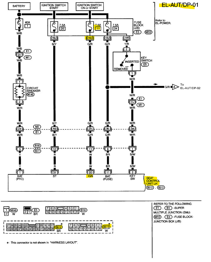
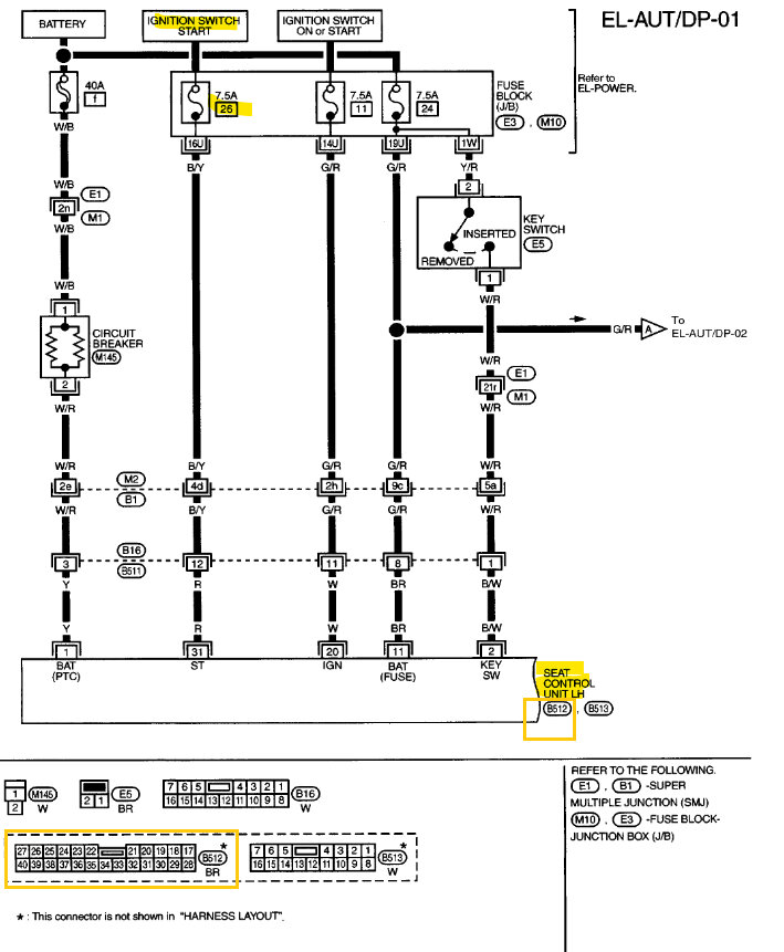
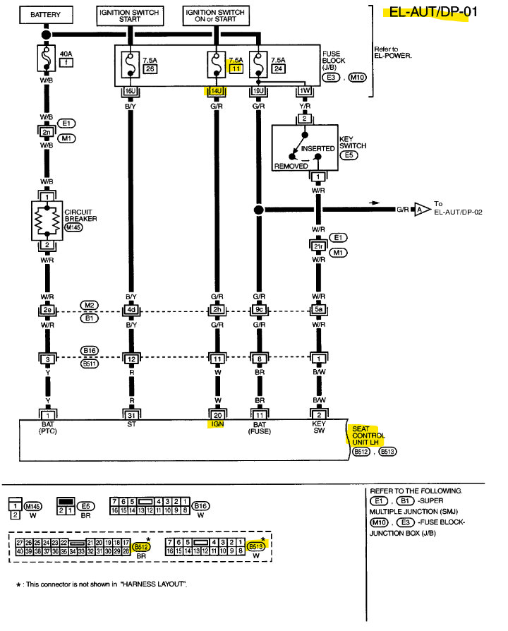
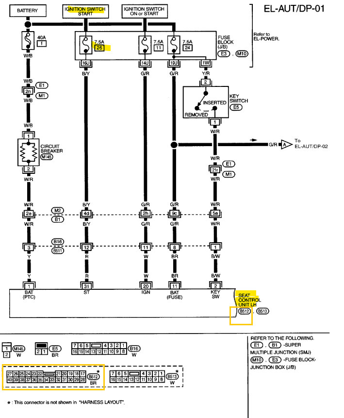
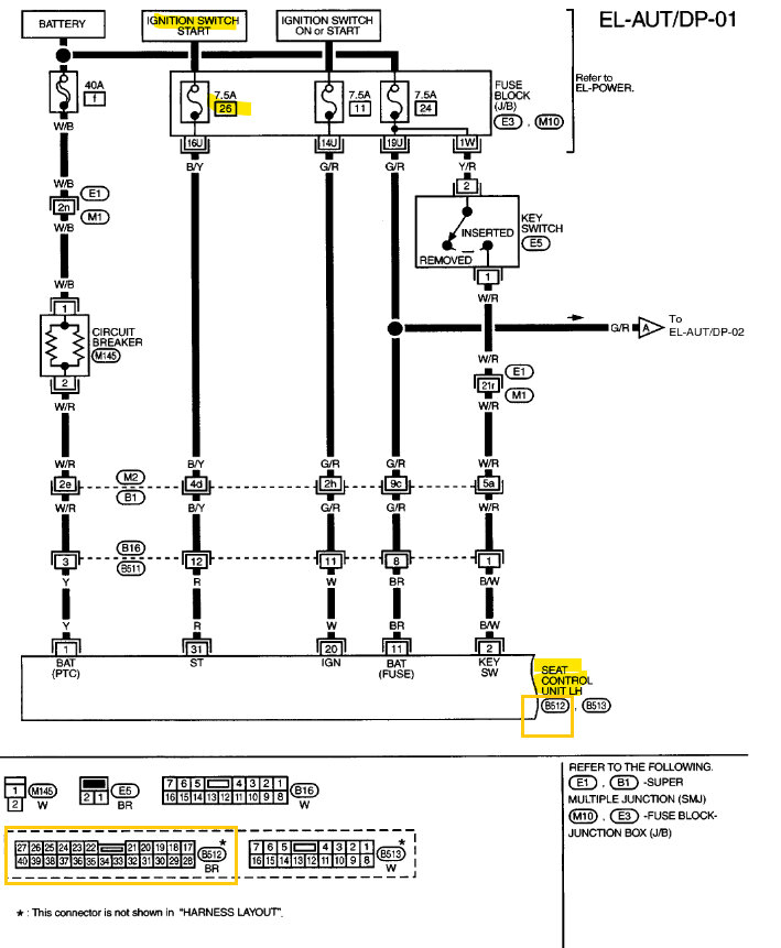
So, fuse 26 7.5-amp looks like the fuse that powers up when the key is in only the Start position, its signals the ECM a start signal, but also looks like it sends power to the Seat Control Module on U.S. Built models. You can try unplugging this connector in the 2nd diagram that is under the driver's seat. The 24-wire connector, I'm not sure why they designed it like this, but there can either be a short circuit in the seat control module or somewhere from the fuse panel to the ECM,
Also check under the driver seat for any wires that may have rubbed against the seat frame while being adjusted, you might find a wire with the insulation missing under there.
Was this
answer
helpful?
Yes
No
+1
Sunday, July 16th, 2023 AT 3:35 PM
Tiny
AMY VELASQUEZ-ESTES
  • MEMBER
  • 14 POSTS
So, it is fuse 11 that pops every time I turn the key and try to start the car.
Was this
answer
helpful?
Yes
No
Sunday, July 16th, 2023 AT 3:54 PM
Tiny
AMY VELASQUEZ-ESTES
  • MEMBER
  • 14 POSTS
After reading your response about the seat, possible beings my seat hasn't worked for a year now. I'll check that next. Saying that all checks out okay, where I would look next?
Was this
answer
helpful?
Yes
No
Sunday, July 16th, 2023 AT 4:30 PM
Tiny
AL514
  • MECHANIC
  • 5,596 POSTS
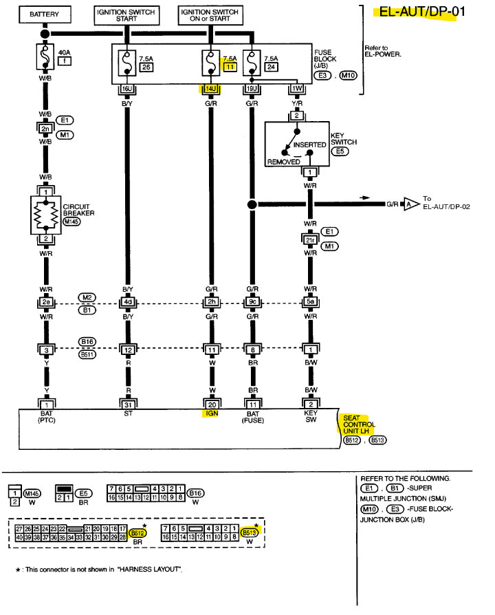
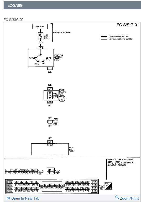
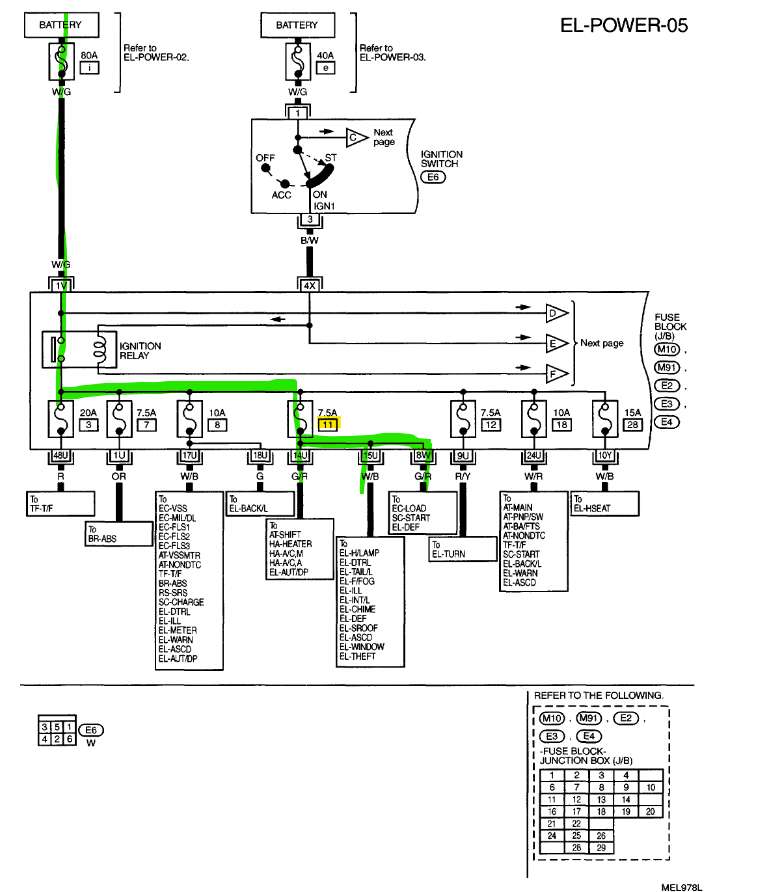
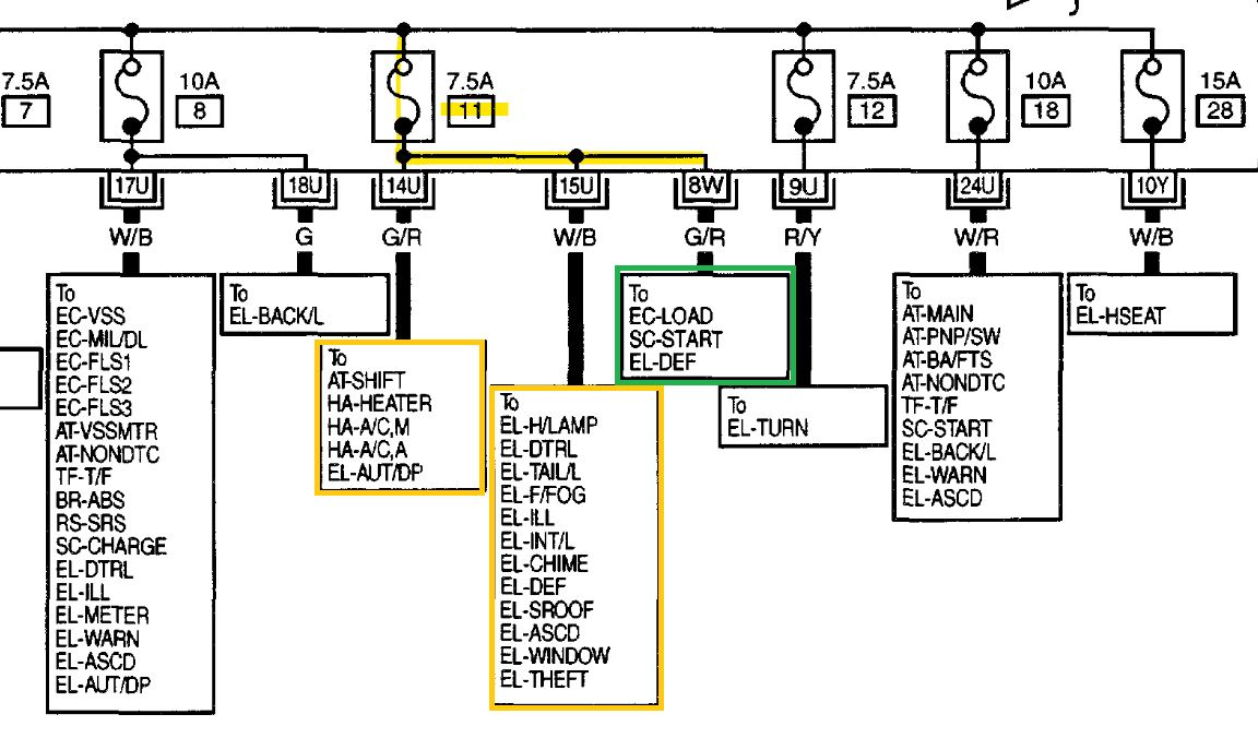
Okay, I will check on the circuits for Fuse 11. Nissan isn't the greatest when it comes to their service info. Some diagrams label things that are only for a US built vehicle but also put on their Canadian built circuits. I assume you are in the US. I'll post what I find for fuse 11 and we'll see if we can find this short. And you said it only happens in the Start position, not in the on/run position, is that correct? Fuse 11 looks to go to the Seat Control Unit as well in the On or Start position, but I'm sure it feeds other circuits as well.
The Seat Control unit under the driver's seat should have 2 connectors, one has 24 pins and the other has 16, so you want to unplug the 24 pin(wire) connector, or both I guess that doesn't matter if the seat doesn't work anyway
Do your daytime running lights work? Or any other components that you notice?

Something we can do, is if you have an automotive 12v test light, since that circuit is shorted to ground, we can take the fuse out, and use the side of the fuse that pops as a ground for the test light, and start to unplug components until the light goes out, that's the fastest way to find a short to ground, especially with a fuse that has this many components on it. If you go to your local auto parts store, you should be able to get a test light for under $10, you don't need anything special, and I can walk you through testing.
Also, what sub-model is this, LE, SE, XE?
And before you unplug anything under the seat, since there is a connector for the airbag module that I am just now seeing, let's try the test light first.

Or at least let me get a diagram up of the connectors under the driver seat before you disconnect anything, so you don't set off an airbag.

This diagram shows connectors under the Driver's Seat. You can see anything in Red has to do with the SRS(Airbag) system and you don't want to touch these at all. The connectors in Green have to do with the Seat Controls B16 and B7, I assume B16 is the connector with the 24 wires to it, but you can unplug these. I will try to find a diagram that shows the wire colors for those connectors, so you unplug the correct ones.
Was this
answer
helpful?
Yes
No
Monday, July 17th, 2023 AT 9:04 AM
Tiny
AL514
  • MECHANIC
  • 5,596 POSTS
Sorry for posting so much information at once, I'm just trying to find that best way to narrow down the components on Fuse 11.
There is a faster test we can do first. You will have to get to the back side of the JB Fuse panel that holds Fuse 11. The 1st diagram is the Front of that fuse panel, the 2nd is the back side connectors of the JB Fuse panel. With the Key Off and out of the ignition switch, Unplug the connector colored in green and see if it blows the fuse with the key On or Start.
If not, plug the green connector back in and unplug the connector colored in Yellow and see if it blows the fuse. This will divide up the circuits for us a little bit.
Then we will move on once we know which connector the issue is on.
Was this
answer
helpful?
Yes
No
Monday, July 17th, 2023 AT 10:05 AM
Tiny
AMY VELASQUEZ-ESTES
  • MEMBER
  • 14 POSTS
Okay, so, I have a power probe 3 to test but never used it before. Tell me what to do and I'll do it. Also, I am in the us my car is an le 4x4, n I didn't notice any other things wrong with it.
Was this
answer
helpful?
Yes
No
Monday, July 17th, 2023 AT 12:43 PM
Tiny
AL514
  • MECHANIC
  • 5,596 POSTS
Well, try unplugging the connector I colored in Green in the 2nd diagram above, it's a connector on the backside of the fuse panel that Fuse 11 sits in. Right now, fuse 11 should have a path to ground on one side of it, that's why it's blowing the fuse. I don't use a power probe, I use just regular test lights. A power probe will supply power (12v) when you push the button forward and supply Ground when you push the button back. We just need to see if the short goes away when you unplug either of the 2 connectors I have colored in on my last post. I suppose you could touch the power probe tip to both sides of the blown fuse. On side should have 12volts and the other 0volts (because of the short circuit). Then unplug the green colored in connector first and see if the short circuit disappears. Using a test light hooked to battery positive is just much easier.

With the power probe, I believe you'll need to push the button forward, giving the circuit 12-volts and the circuit breaker in the power probe should trip and beep. But the short is only occurring when you turn the key to On or Start, so you will have to hold the power probe on the fuse and turn the key at the same time.
But unplugging one of those connectors first will tell us which wires are possibly shorted to ground. There is one wire in the Green colored connector and 2 wires in the yellow-colored connector that come from Fuse 11.
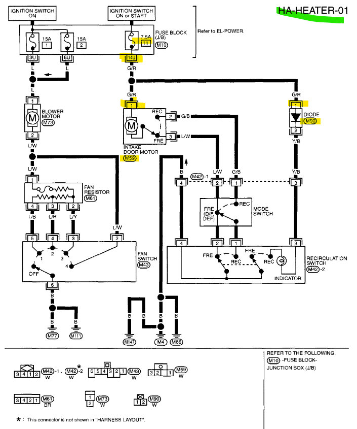
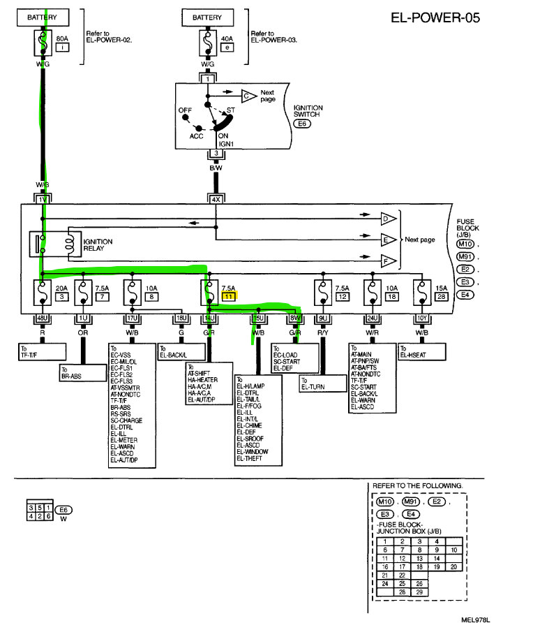
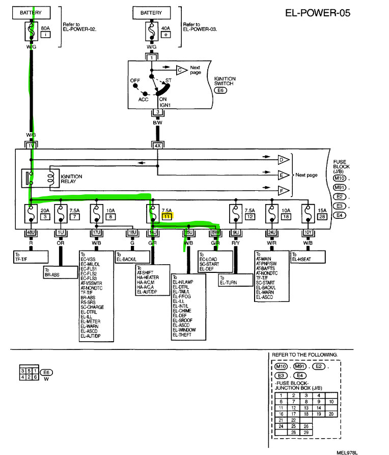
It would almost be easier if you have a few spare fuses, to just put one in, unplug a connector and turn the key On. And see what happens. You can see how many components get power from Fuse 11 in the 2nd and 3rd diagrams, it branches off into 3 other circuits.
Was this
answer
helpful?
Yes
No
Monday, July 17th, 2023 AT 4:11 PM
Tiny
AMY VELASQUEZ-ESTES
  • MEMBER
  • 14 POSTS
Okay, I just got my car towed back home. So, doing the things you are telling me will be much faster and easier. I'm going to just use the test light as suggested. As soon as I find which side it is I will get back to you.
Was this
answer
helpful?
Yes
No
Tuesday, July 18th, 2023 AT 5:15 PM
Tiny
AL514
  • MECHANIC
  • 5,596 POSTS
Okay, you could just leave the blown fuse in there, with a test light hooked to battery positive, only 1 leg of the fuse should light the test light. The other leg should still have 12v with the key On or Start, depending on when that short is really happening. There are a couple circuits that only receive power in the Start position and not in the on/run position. Looks like those might be some sort of wake-up signal, which is odd for a vehicle this age. So, if you know the fuse pops in the on/run position as well, that will change which circuit we chase down.
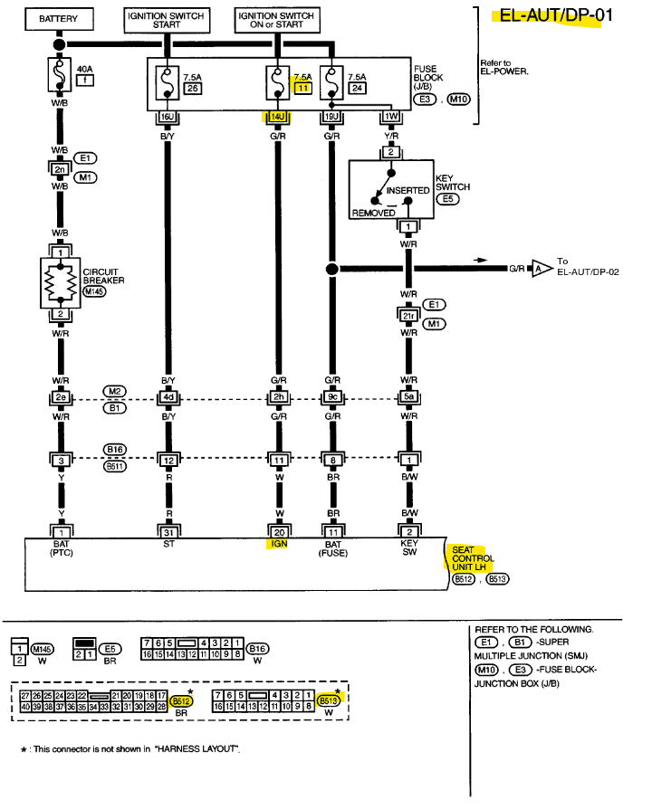
It looks like from the wiring diagrams that Fuse 11 is fed through the Ignition Relay, which is turned on from the Ignition Switch circuit J which is energized at On or Start positions.
This is the feed threw the Ignition Relay, its directly from battery power after the switch is turned on.

Does this have Daytime Running lights, (headlights)?
Was this
answer
helpful?
Yes
No
Tuesday, July 18th, 2023 AT 5:21 PM
Tiny
AL514
  • MECHANIC
  • 5,596 POSTS
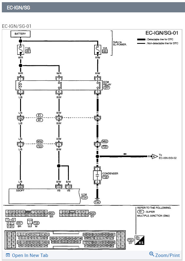
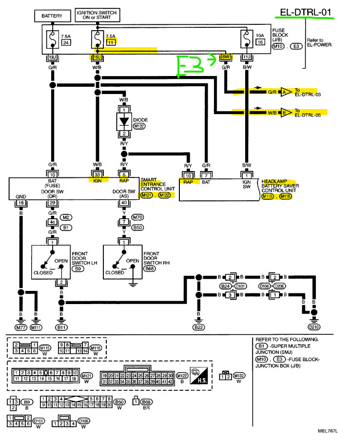
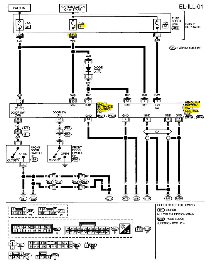
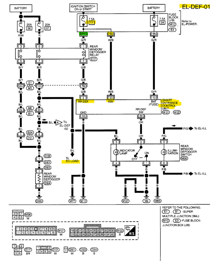
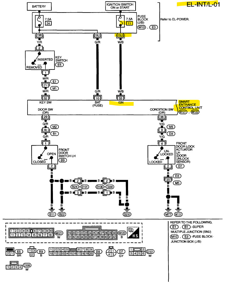
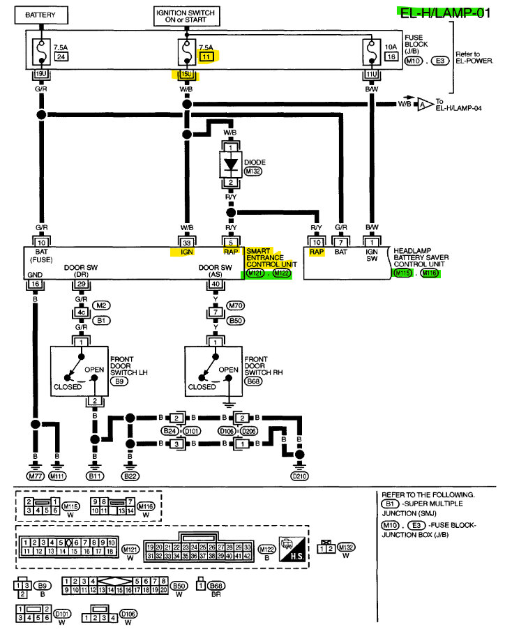
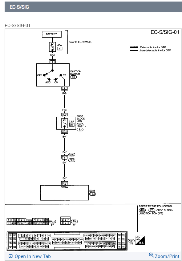
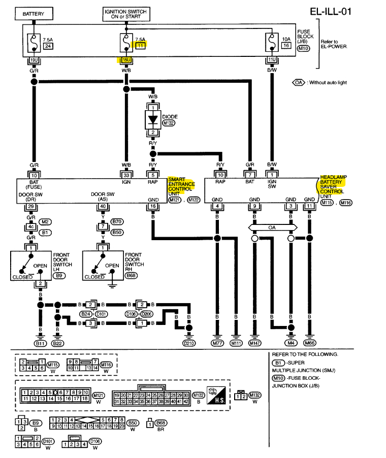
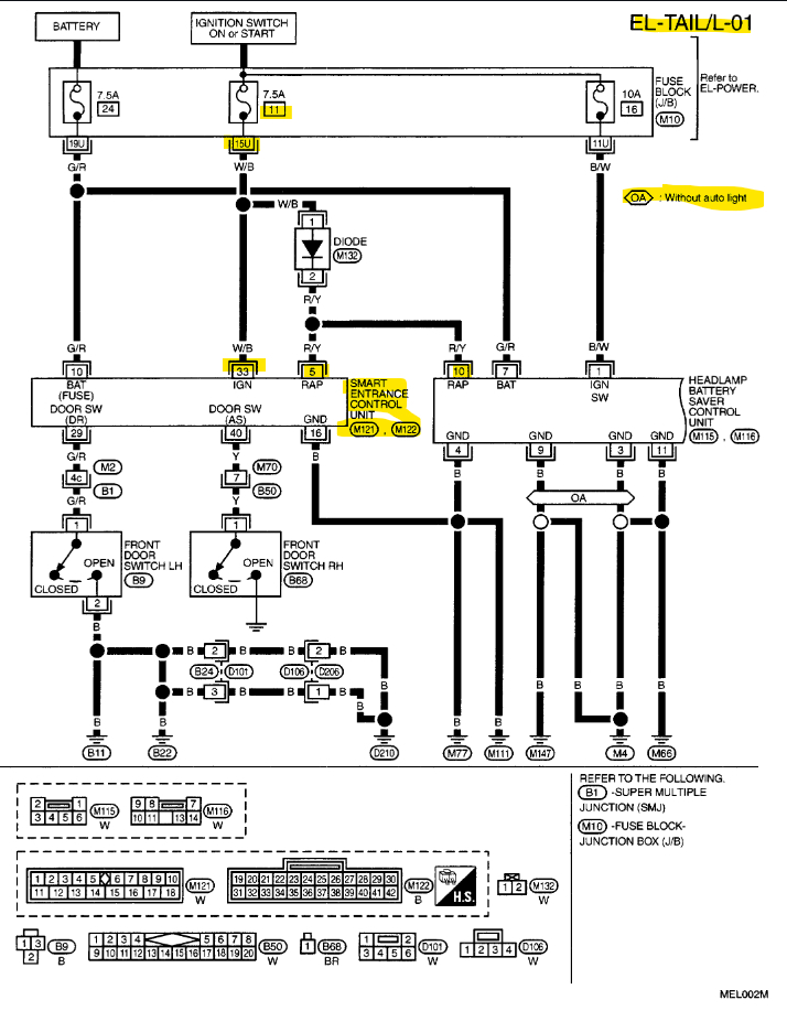
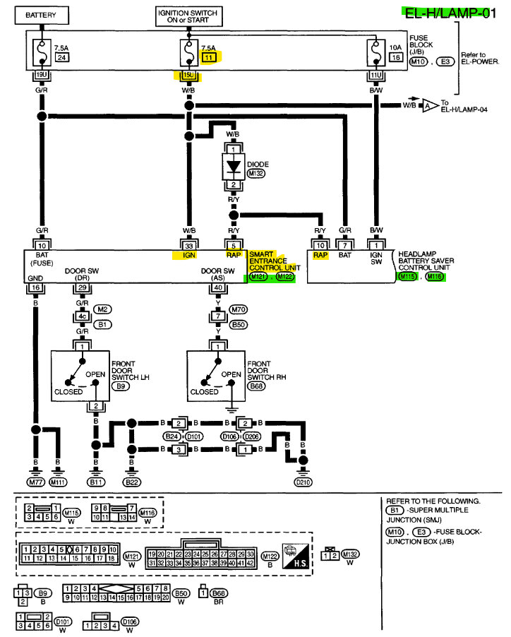
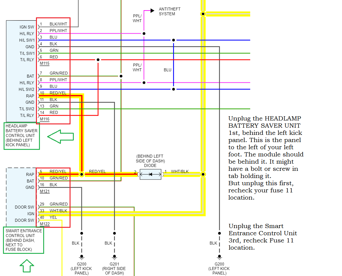
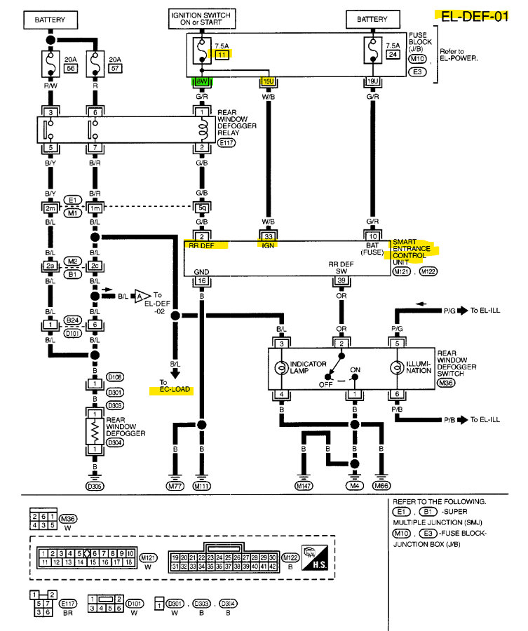
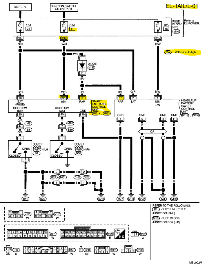
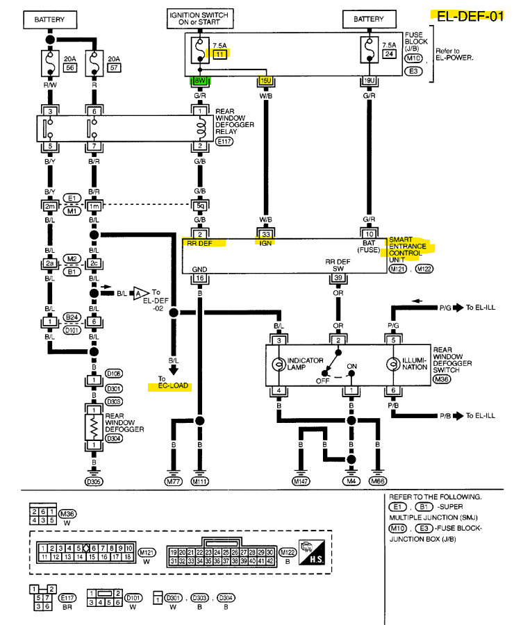
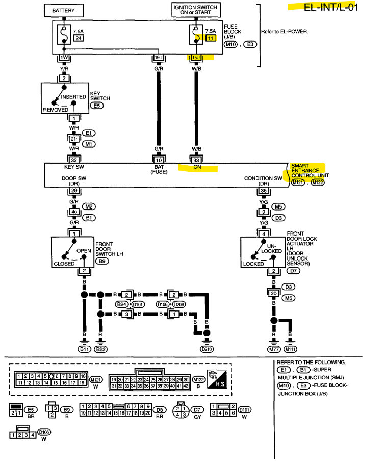
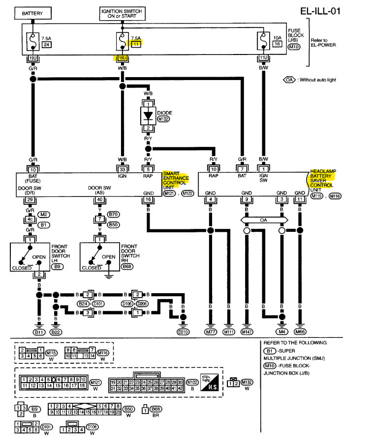
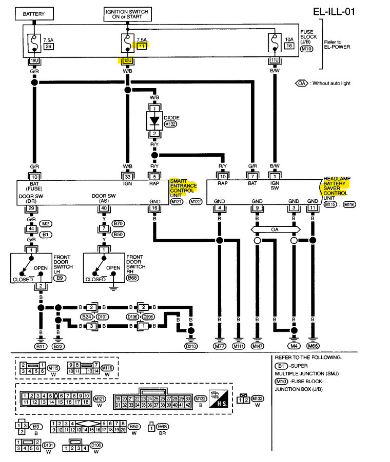
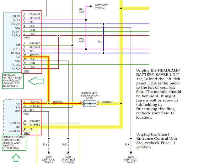
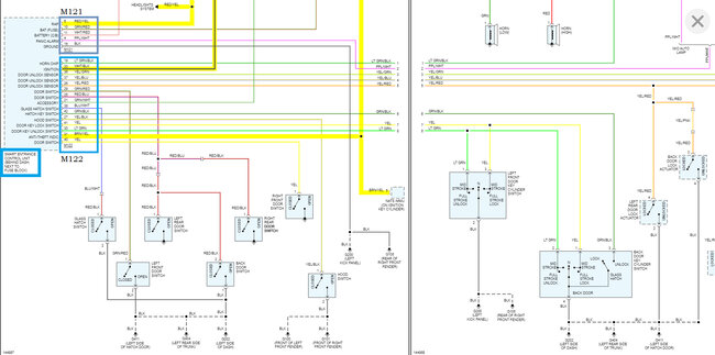
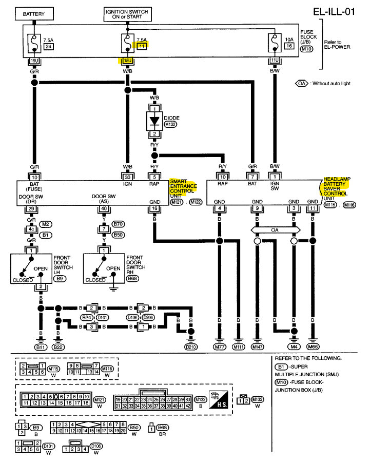
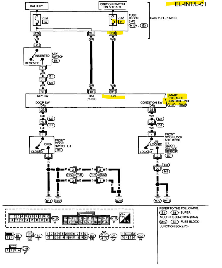
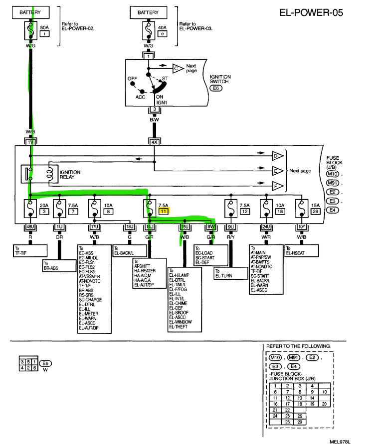
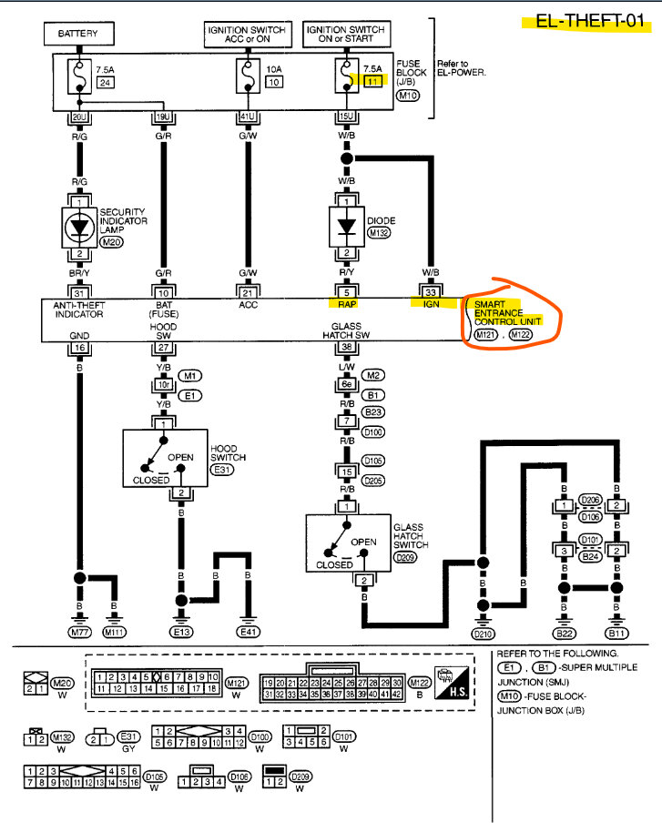
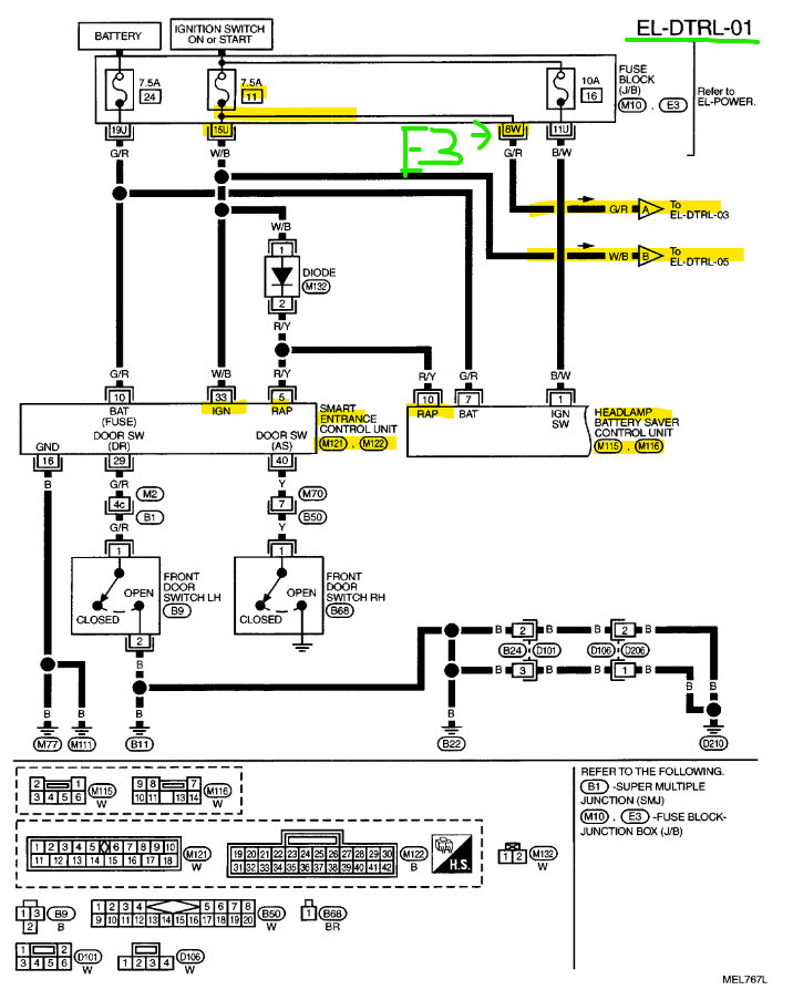
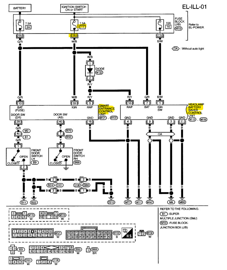
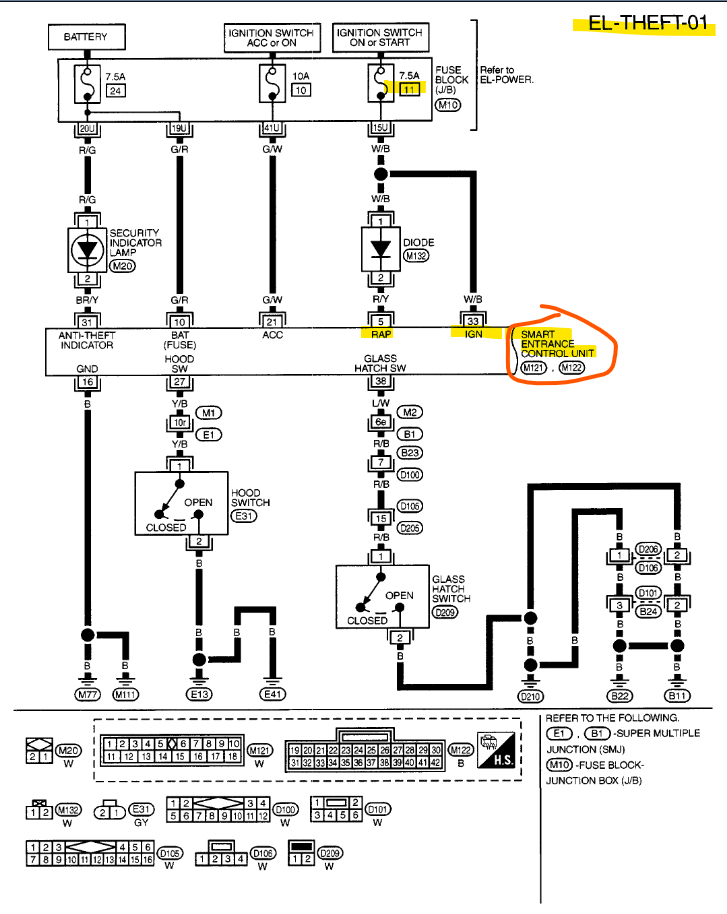
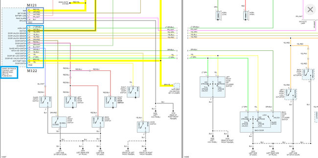
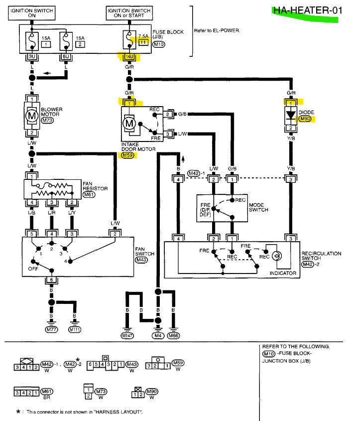
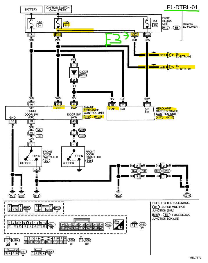
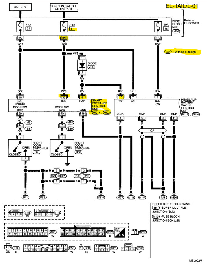
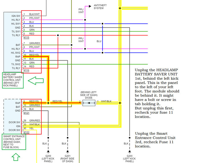
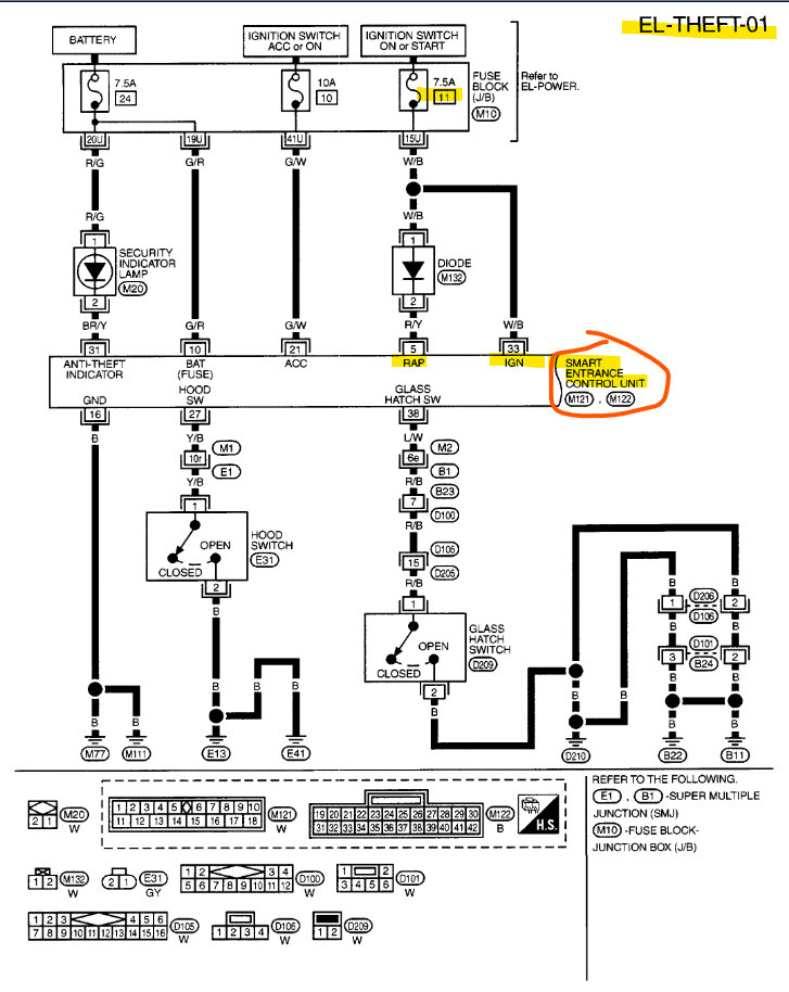
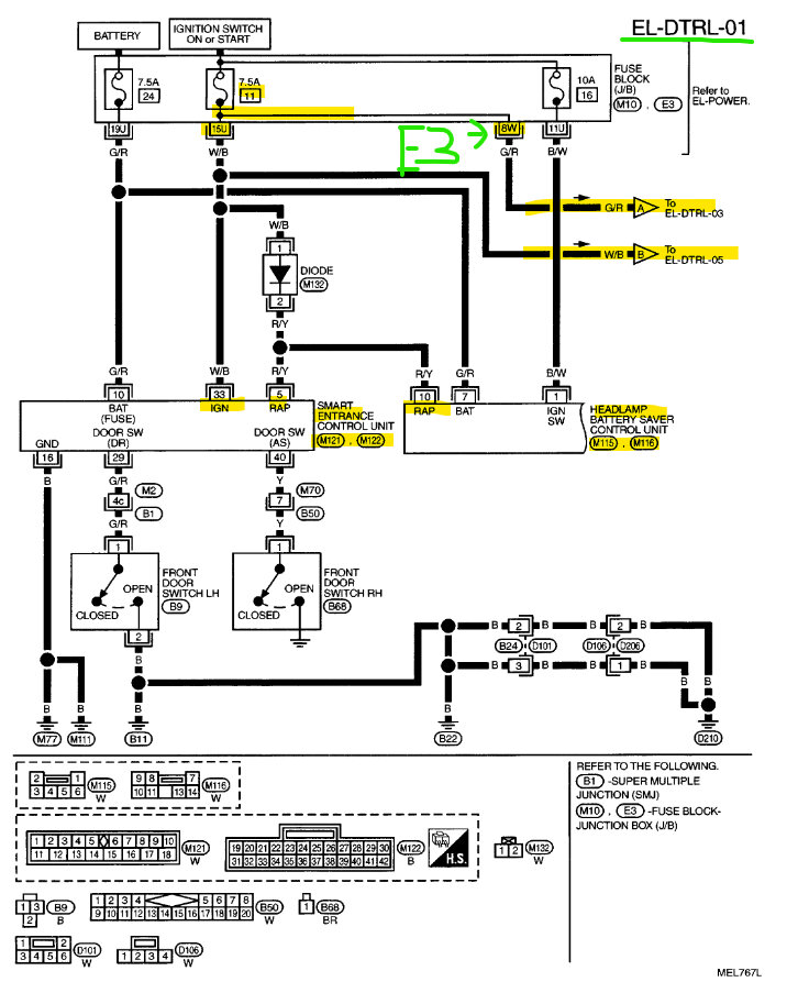
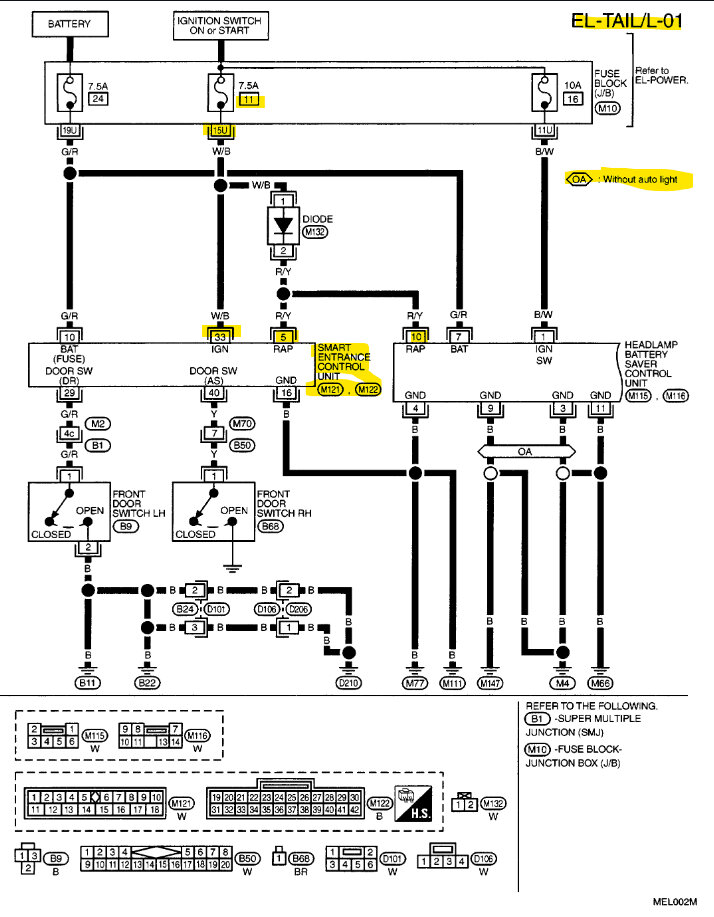
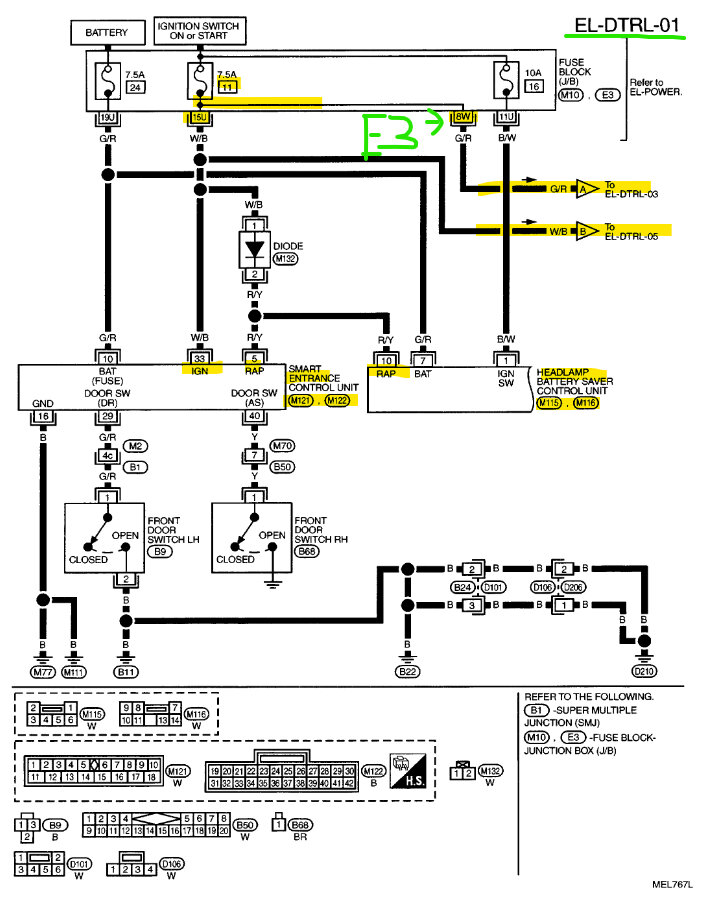
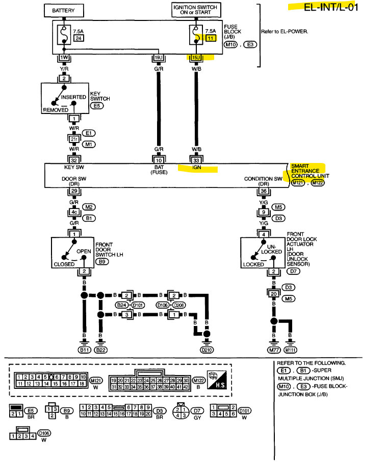
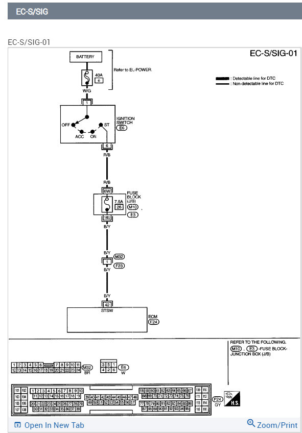
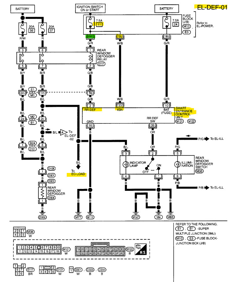
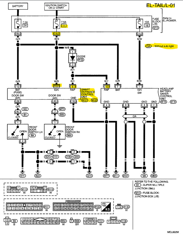
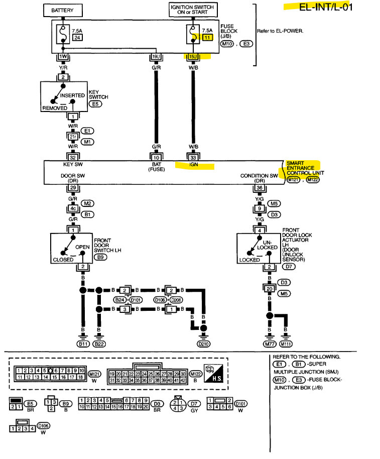
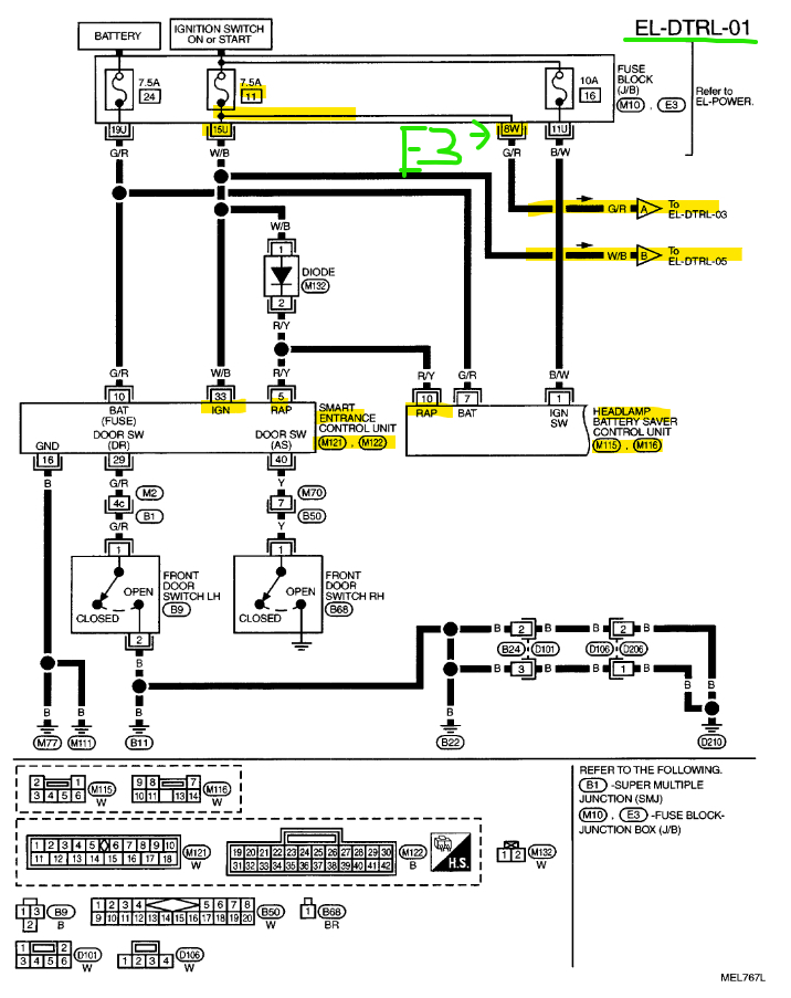
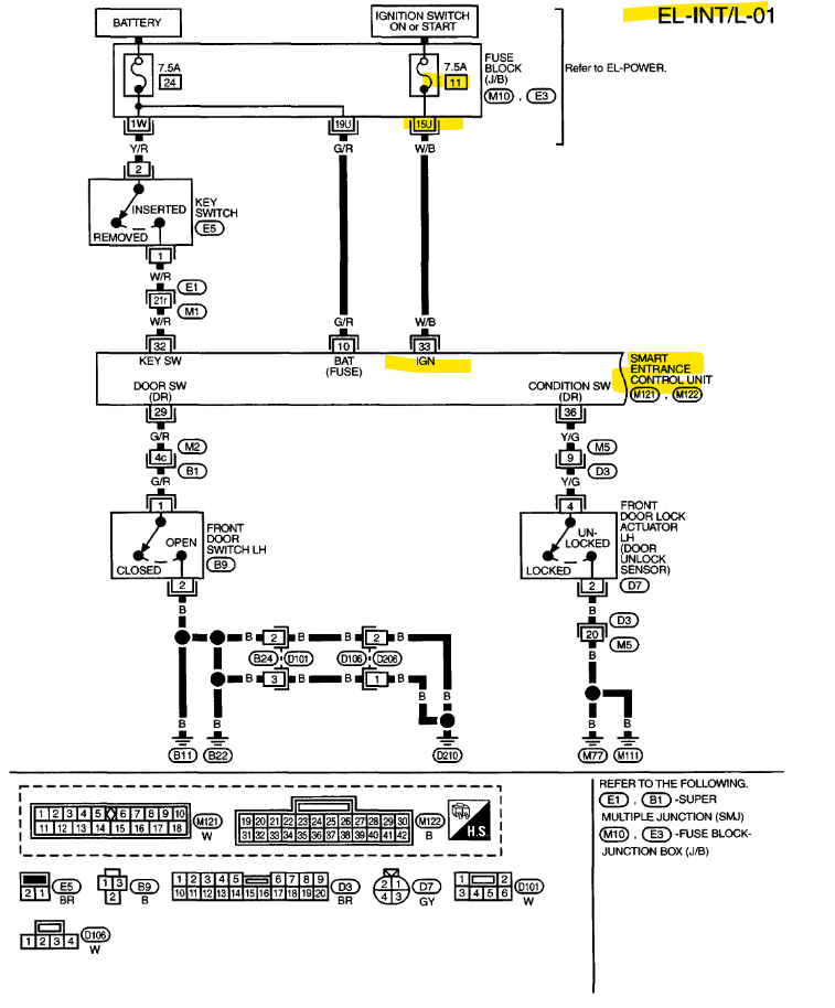
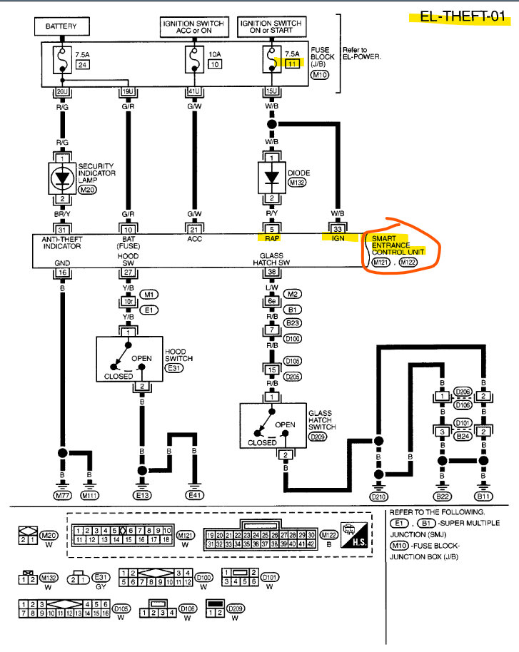
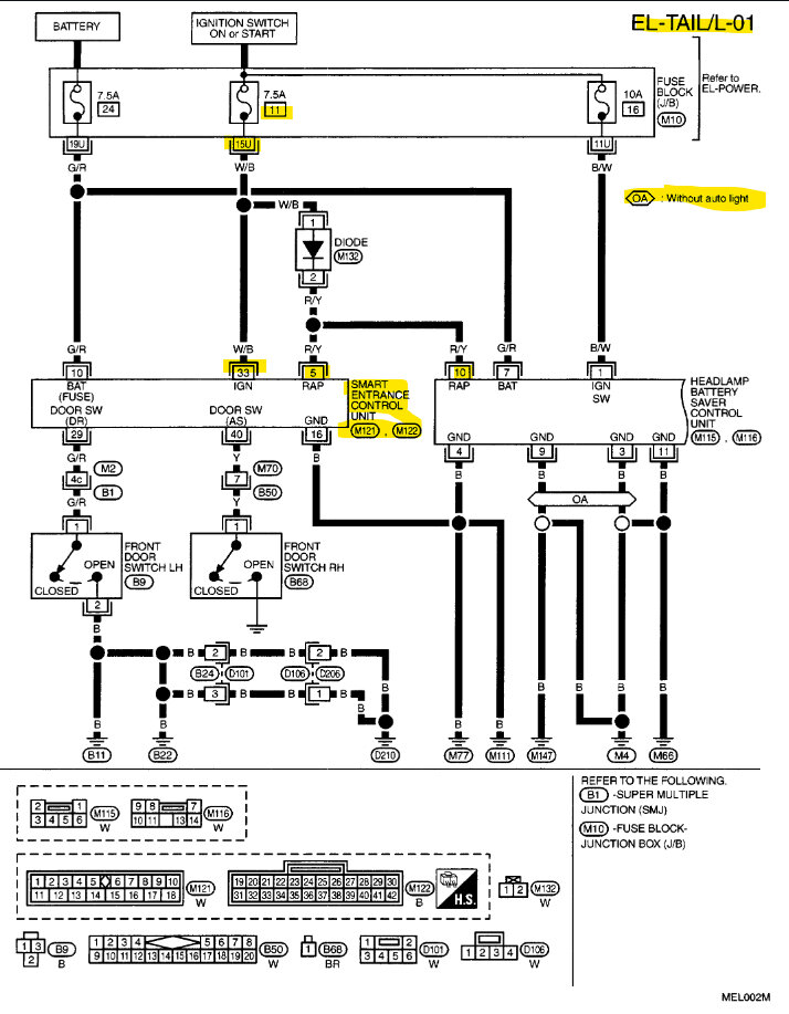
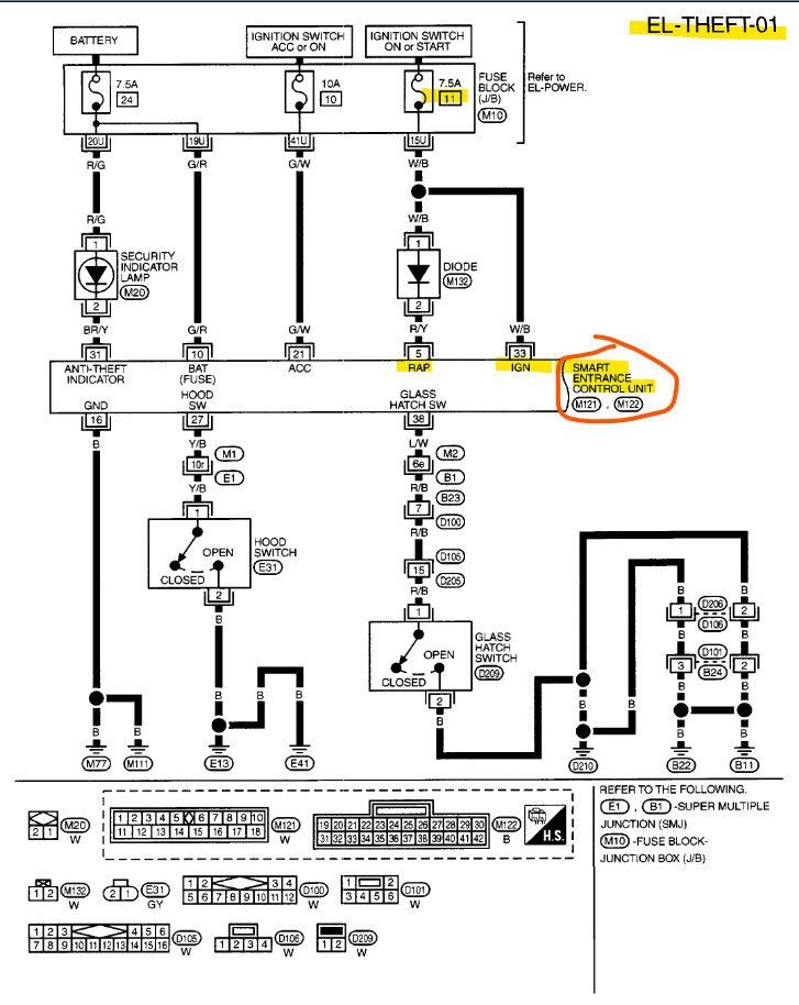
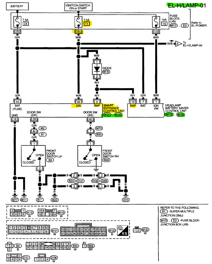
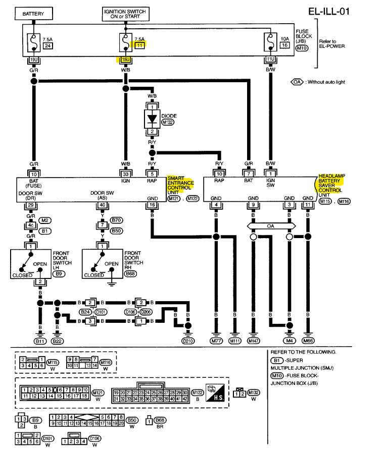
Okay, I have gone through about a 100 pages of service info and wiring diagrams, it's very difficult to determine how Fuse 11 is effecting the starting of the vehicle, except I did find some power feeds into this Smart Entrance Control Unit which has an ignition feed from fuse 11, and this Entrance Control unit is tied into the NATS which is the security system for the vehicle. So far that is the only way I can see fuse 11 effecting starting. Do you notice the security light blinking or staying on, before or after the fuse has blown? Or does the security light not work at all when the fuse has blown? I'm wondering if there is a short in the Smart Entrance control unit, besides the security system, it signals on the lights and such when you open the door, it is tied into many circuits in the vehicle, almost too many honestly. But let me know on the security light being on or blinking, I will post some of the diagrams I went over tomorrow, and maybe you can unplug this thing and see if it stops the fuse 11 issue.
This is the diagram that has the Smart Ent control unit and the NATS Immobilizer unit together.
Was this
answer
helpful?
Yes
No
Tuesday, July 18th, 2023 AT 7:14 PM
Tiny
AMY VELASQUEZ-ESTES
  • MEMBER
  • 14 POSTS
Okay, so, I hooked my scanner up about a week ago and it gave me the code P1614 NATS Malfunction. Also, my security light blinks. I'll check if it blinks w the fuse good or fuse blown but I have noticed how it always blinks but never did before.
Was this
answer
helpful?
Yes
No
Tuesday, July 18th, 2023 AT 8:33 PM
Tiny
AL514
  • MECHANIC
  • 5,596 POSTS
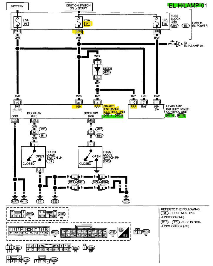
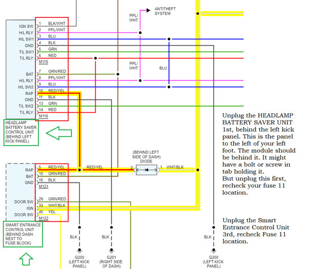
Okay, then that's the issue here. The NATS system and the Smart Entrance Control Unit (SECM) are linked together. The SECM receives an Ignition signal through Fuse 11. Thank you for mentioning the code, having a trouble code is a huge help in having some direction. I spent many hours last night going through every single circuit that comes of that fuse 11. I'll post a few and you can see that in almost every single diagram the SECM unit is included from fuse 11. So the short can either be in the wiring harness or is can be in that unit itself. The way to figure that out is to unplug the SECM unit, because the NATS security unit is part of the Ignition Switch, and then there is a wire that runs to the SECM unit that is labelled ANTI- THEFT INDIC which is for the security light. That means these two systems are tied together in some way.
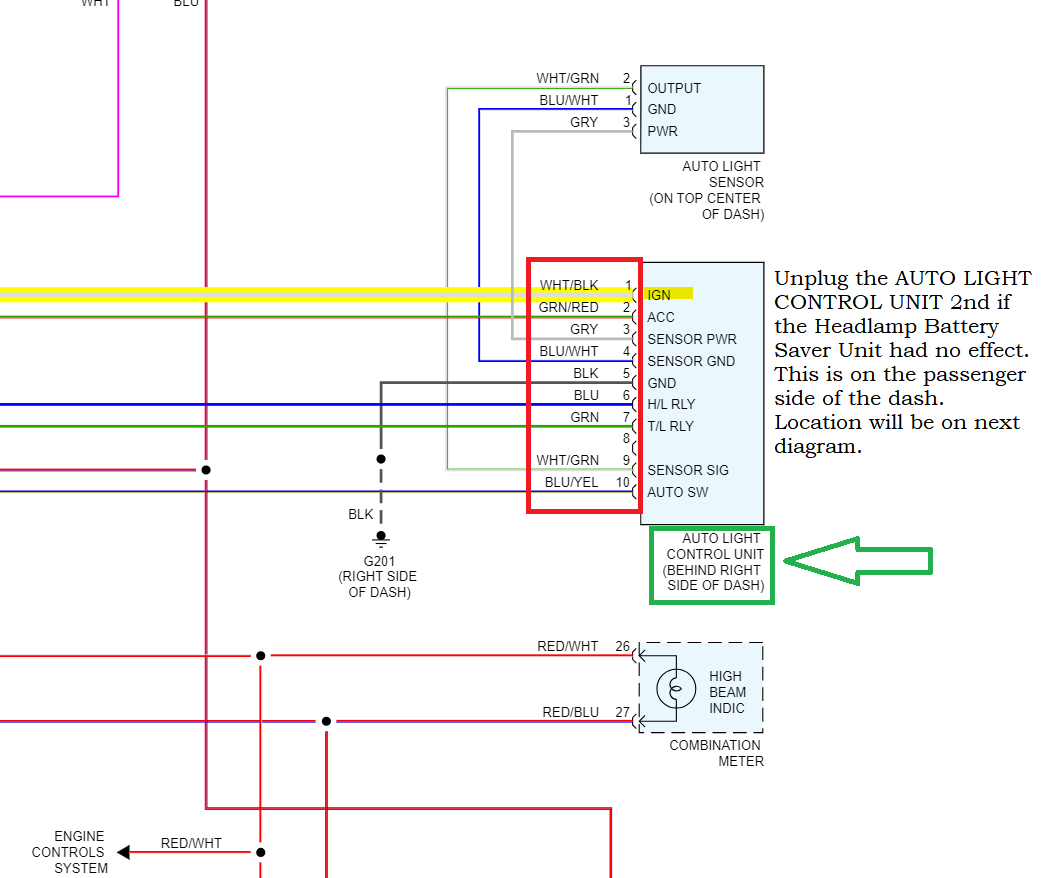
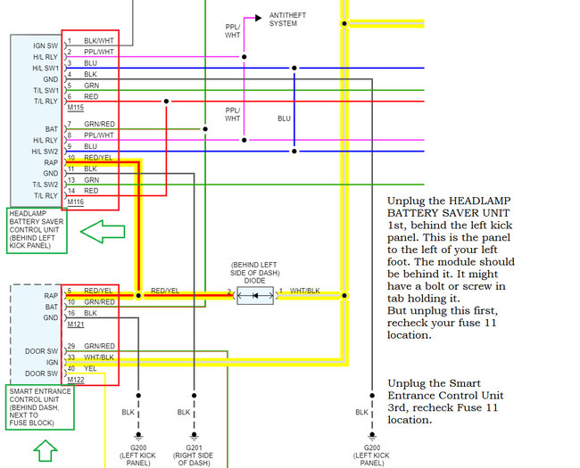
I assume when you go to unplug the smart entrance control unit, the vehicle is not going to start, but Id like to know if the short circuit is gone with this unit unplugged. If it is, then the short is through that unit, if the short is still there, the issue is in the harness or going to one of these other components, such as the Headlamp Battery Saver Control Unitor maybe the Seat Control Unit (driver side).
1. But I would start by unplugging one of those 2 connectors on the back side of the fuse panel, so we know which circuit to concentrate on. I will look up that code and see what the criteria is for it setting.
2. You can also check if the Security light stays on constantly when the key is in the on position. If it's just blinking all the time, it's not receiving a signal to turn off the Security system and it's staying active.
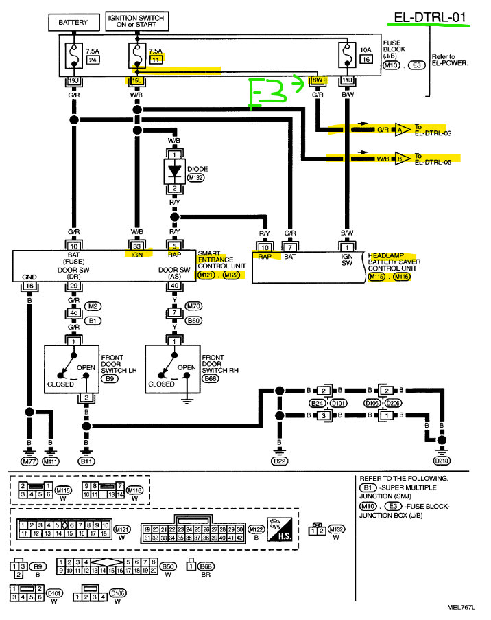
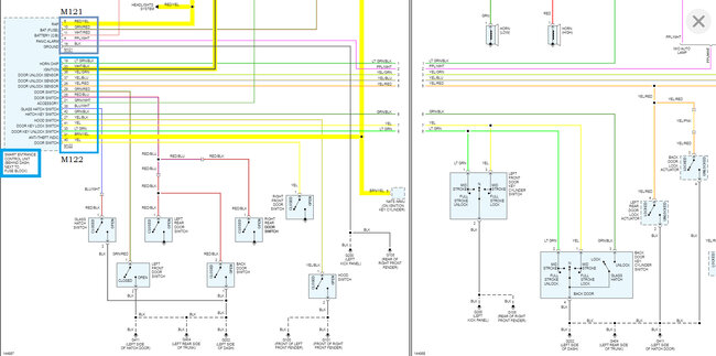
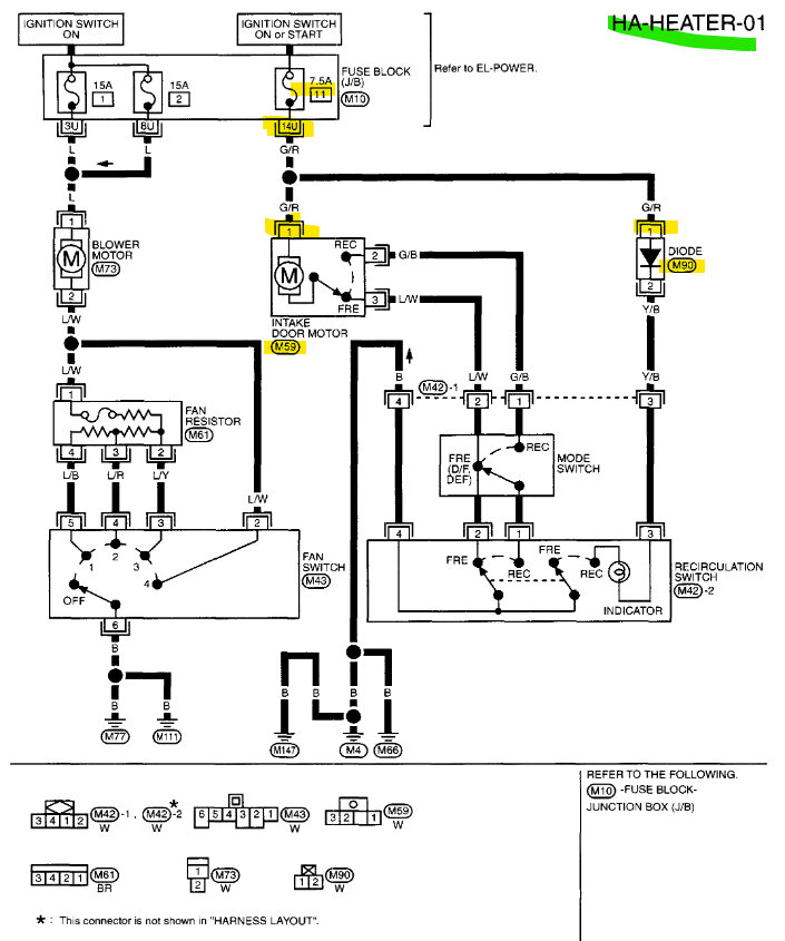
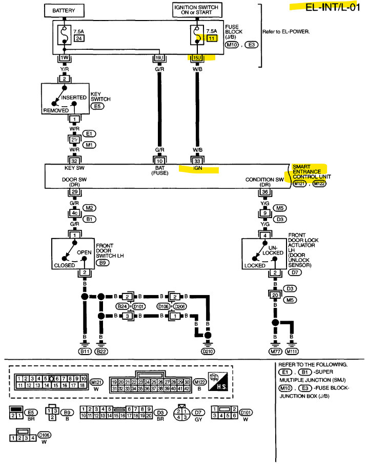
3. Once you check the fuse condition with either of those fuse panel connectors unplugged, we can move forward then, instead of me just guessing on circuits to check. I don't want to guess because we'll be at this for a year in that case. You can see below; this is only a small amount of the diagrams I have and went through already.

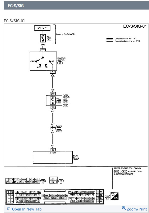
Diagrams 10 and 11 are about that code, so it's probably not an actual fault with the Key, diagram 12 shows that there is a Key Switch circuit that runs to the seat module for some weird reason, it's not on Fuse 11, but it looks like there are so many circuits that rely on the key being in the Ignition Switch.

One last question for this post, do you hear the Chime when you open the door? With or without the fuse in, I found that the Door Chime comes from the Smart Entrance Control Unit.
Was this
answer
helpful?
Yes
No
Wednesday, July 19th, 2023 AT 11:40 AM
Tiny
AL514
  • MECHANIC
  • 5,596 POSTS
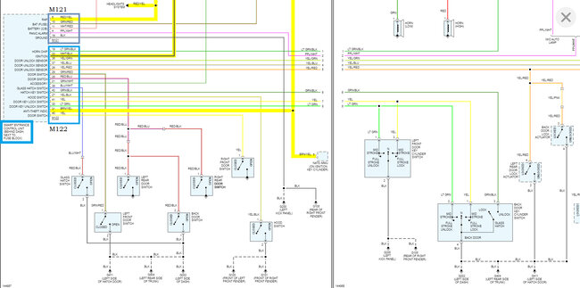
These are the 2 connectors and location for the Smart Entrance Control Unit, it's definitely tied into the security system. So, I think this is the reason for the no start condition, and the security system code. Both connectors have power feeds coming from Fuse 11, so I would try unplugging one at a time, and see if it's one connector or the other that might have the short in it.
Was this
answer
helpful?
Yes
No
Wednesday, July 19th, 2023 AT 1:00 PM
Tiny
AMY VELASQUEZ-ESTES
  • MEMBER
  • 14 POSTS
Okay, I'm heading out to do what you're telling me to do. I appreciate the time and effort you're giving to help me with this problem. So, the one is driver side and the other is under passenger seat? Not sure I caught its location.
Was this
answer
helpful?
Yes
No
Wednesday, July 19th, 2023 AT 5:24 PM
Tiny
AMY VELASQUEZ-ESTES
  • MEMBER
  • 14 POSTS
Okay so, starting esy back I disconnected the plugs on the back k side of the fuse box. It's the green that is popping the fuse. Yellow did not. So, I don't get completely lost and mess crap up more what's my next step?
Was this
answer
helpful?
Yes
No
Thursday, July 20th, 2023 AT 6:02 AM
Tiny
AMY VELASQUEZ-ESTES
  • MEMBER
  • 14 POSTS
Oh, and the security light blinks constantly. Never stops.
Was this
answer
helpful?
Yes
No
Thursday, July 20th, 2023 AT 6:04 AM
Tiny
AL514
  • MECHANIC
  • 5,596 POSTS
Okay, good, sorry for posting so much information at once, there's just so many different ways Nissan has these circuits set up. There looks to be 4 different designs for this one vehicle, hence all the wiring diagrams, but if the security light is blinking constantly then the security system is not shutting down when it's supposed to and inhibiting the vehicle from starting. I'm going to go back over that connector again since we can now rule out the pins 14U and 15U from the connector marked in Yellow. How often are you checking on here? Just so I know when to post more information for you.

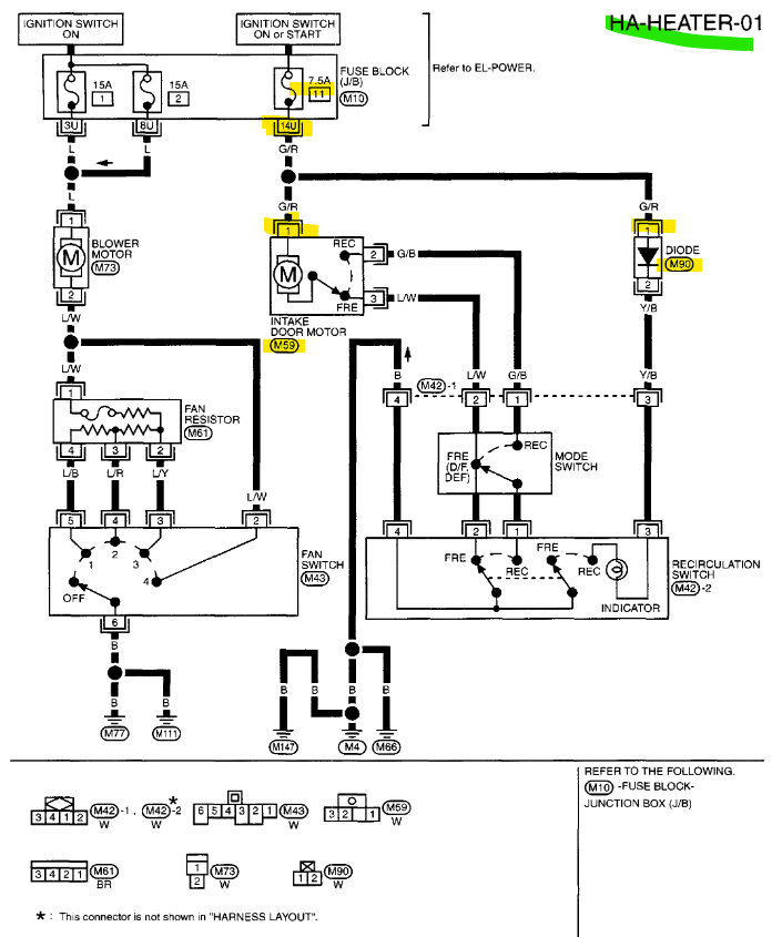
And just for your next test, unplug the -"Rear Window Defrost Relay"-, that's just the first diagram I grabbed today. See if that affects the fuse location.

And you don't need to put a new fuse in every time. You can just hook your test light to a 12v positive location and touch the side of the fuse that's blown. I don't want to make you go through a ton of fuses.
Hooking the test light clip to battery positive just means whatever you touch the test light to that is grounded will light up the test light. So, it's just easier than replacing the fuse for every test. I can post a little test diagram of that if it helps.

Here is a little crude diagram of using a test light to find a short to ground. Very simple idea but will save you on fuses.
You didn't notice any corrosion in the green marked connector, did you?

Another thing I forgot to ask; this vehicle was at a shop, correct? Did they replace any computers? The ECM, or any other modules? You said that the Security light is now blinking constantly, was it blinking before it went to the shop? What's the history of the entire diagnosis? This is really important.
Was this
answer
helpful?
Yes
No
Thursday, July 20th, 2023 AT 9:38 AM
Tiny
AL514
  • MECHANIC
  • 5,596 POSTS
Okay, here's all your tests for all the control units on Fuse 11. There are 3 modules, they should be very easy to find, remember when rechecking the fuse, it needs to be in the on/run or Start key position. When unplugging each module, you can just use the test light method to see if the short is gone or not, no need to put a new fuse in.
Nissan service info states that the Security light will blink every 2.6 seconds when armed, or disarmed, which is really stupid, the only way to know of a fault in the system is if the Security light stays on all the time. Let me know what you find with these unplug it tests
Was this
answer
helpful?
Yes
No
Thursday, July 20th, 2023 AT 11:58 AM
Tiny
AMY VELASQUEZ-ESTES
  • MEMBER
  • 14 POSTS
Okay, so, assuming I did the test properly, the first two units passed. Upon finding the smart entrance control unit I found two wire harnesses going to the unit. A black harness and a white harness. I fought n fought to unplug the white one and was unsuccessful. I unplugged the black harness and again assuming I did the test properly, it passed as well. But now when I try to plug it back in my se unity alarm goes off and my horn honks and lights flash. So, I left it unplugged but noticed that the headlights still blink. I disconnected the battery, so I don't drain it. And to answer your question the chime is normal, don't chime with keys out but keys in and it chimes. Also, I will be on one or two times today then I have the chance to be on all day every day until next Wednesday.
Was this
answer
helpful?
Yes
No
Friday, July 21st, 2023 AT 7:06 AM

Please login or register to post a reply.